диплом (1231446), страница 6
Текст из файла (страница 6)
Влажная чистка с помощью мойки высокого давления (рисунок 2.1):
- дать системе охлаждения и радиатору остыть до температуры ниже 40 °С;
- обработать радиатор струей высокого давления и оставьте на время действия чистящего средства.
Выдерживать давление примерно 60 бар.
Использовать грязевую фрезу с углом распыла (раскрыва) примерно 25 °.
Выдерживать минимальное расстояние от форсунки до всех поверхностей не менее 50 мм.
Раскрыв струи воды на поверхности должен составлять не менее 20 мм.
Всегда направлять струю распыла перпендикулярно поверхности охлаждающей сетки, чтобы добиться эффективной глубины очистки охлаждающей сетки и избежать повреждений ламелей.
INCLUDEPICTURE "D:\\Заочник\\Диплом СИСТЕМА ОХЛАЖДЕНИЯ ТЕПЛОВОЗА ТГ16М 686844\\Работа\\media\\image1.png" \* MERGEFORMATINET INCLUDEPICTURE "D:\\Заочник\\Диплом СИСТЕМА ОХЛАЖДЕНИЯ ТЕПЛОВОЗА ТГ16М 686844\\Работа\\media\\image1.png" \* MERGEFORMATINET INCLUDEPICTURE "D:\\Заочник\\Диплом СИСТЕМА ОХЛАЖДЕНИЯ ТЕПЛОВОЗА ТГ16М 686844\\Работа\\media\\image1.png" \* MERGEFORMATINET INCLUDEPICTURE "D:\\Заочник\\Диплом СИСТЕМА ОХЛАЖДЕНИЯ ТЕПЛОВОЗА ТГ16М 686844\\Работа\\media\\image1.png" \* MERGEFORMATINET INCLUDEPICTURE "D:\\Заочник\\Диплом СИСТЕМА ОХЛАЖДЕНИЯ ТЕПЛОВОЗА ТГ16М 686844\\Работа\\media\\image1.png" \* MERGEFORMATINET INCLUDEPICTURE "D:\\Заочник\\Диплом СИСТЕМА ОХЛАЖДЕНИЯ ТЕПЛОВОЗА ТГ16М 686844\\Диплом Система охлаждения тепловоза ТГ16М\\media\\image1.png" \* MERGEFORMATINET INCLUDEPICTURE "D:\\Заочник\\Диплом СИСТЕМА ОХЛАЖДЕНИЯ ТЕПЛОВОЗА ТГ16М 686844\\Доработка 14.05\\media\\image1.png" \* MERGEFORMATINET INCLUDEPICTURE "C:\\Documents and Settings\\Admin\\Рабочий стол\\для диплома\\media\\image1.png" \* MERGEFORMATINET INCLUDEPICTURE "C:\\Documents and Settings\\Admin\\Рабочий стол\\для диплома\\media\\image1.png" \* MERGEFORMATINET INCLUDEPICTURE "C:\\Documents and Settings\\Admin\\Рабочий стол\\для диплома\\media\\image1.png" \* MERGEFORMATINET INCLUDEPICTURE "C:\\Users\\1\\Desktop\\media\\image1.png" \* MERGEFORMATINET
1 - угол распыла не менее 25 °; 2 - грязевая фреза; 3 - расстояние от форсунки до поверхности не менее 50 мм; 4 - ребра радиатора; 5 - основная струя; 6 - распределение струи (раскрыв) не менее 20 мм; 7 - область рассеивания
Рисунок 2.1 - Чистка мойкой высокого давления (парогенератором)
- споласкивать отмытые загрязнения сверху вниз, двигая струю высокого давления по перекрывающимся траекториям (крест-на-крест). После использования чистящего средства сполосните чистой водой.
- досуха продуть охлаждающую сетку сжатым воздухом.
Проверить уровень охлаждающей жидкости по индикатору уровня на расширительном бачке. При недостатке охлаждающей жидкости долить подготовленную жидкость до максимального уровня.
Проверка герметичность системы охлаждения:
- проверить герметичность резьбовых соединений;
- проверить шлангопроводы на отсутствие повреждений;
- в случае обнаружения негерметичностей - устранить утечки, заменить поврежденные детали.
Проверка подвески:
- проверить состояние подвески и креплений всех компонентов системы охлаждения;
- предпринять необходимые меры (например, подтянуть винты, заменить детали подвески).
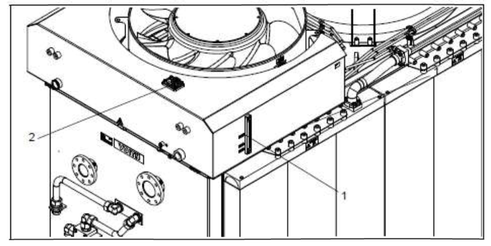
Замена фильтрующего элемента фильтра обратного слива приведена на рисунке 2.2.
INCLUDEPICTURE "D:\\Заочник\\Диплом СИСТЕМА ОХЛАЖДЕНИЯ ТЕПЛОВОЗА ТГ16М 686844\\Работа\\media\\image2.png" \* MERGEFORMATINET INCLUDEPICTURE "D:\\Заочник\\Диплом СИСТЕМА ОХЛАЖДЕНИЯ ТЕПЛОВОЗА ТГ16М 686844\\Работа\\media\\image2.png" \* MERGEFORMATINET INCLUDEPICTURE "D:\\Заочник\\Диплом СИСТЕМА ОХЛАЖДЕНИЯ ТЕПЛОВОЗА ТГ16М 686844\\Работа\\media\\image2.png" \* MERGEFORMATINET INCLUDEPICTURE "D:\\Заочник\\Диплом СИСТЕМА ОХЛАЖДЕНИЯ ТЕПЛОВОЗА ТГ16М 686844\\Работа\\media\\image2.png" \* MERGEFORMATINET INCLUDEPICTURE "D:\\Заочник\\Диплом СИСТЕМА ОХЛАЖДЕНИЯ ТЕПЛОВОЗА ТГ16М 686844\\Работа\\media\\image2.png" \* MERGEFORMATINET INCLUDEPICTURE "D:\\Заочник\\Диплом СИСТЕМА ОХЛАЖДЕНИЯ ТЕПЛОВОЗА ТГ16М 686844\\Диплом Система охлаждения тепловоза ТГ16М\\media\\image2.png" \* MERGEFORMATINET INCLUDEPICTURE "D:\\Заочник\\Диплом СИСТЕМА ОХЛАЖДЕНИЯ ТЕПЛОВОЗА ТГ16М 686844\\Доработка 14.05\\media\\image2.png" \* MERGEFORMATINET INCLUDEPICTURE "C:\\Documents and Settings\\Admin\\Рабочий стол\\для диплома\\media\\image2.png" \* MERGEFORMATINET INCLUDEPICTURE "C:\\Documents and Settings\\Admin\\Рабочий стол\\для диплома\\media\\image2.png" \* MERGEFORMATINET INCLUDEPICTURE "C:\\Documents and Settings\\Admin\\Рабочий стол\\для диплома\\media\\image2.png" \* MERGEFORMATINET INCLUDEPICTURE "C:\\Users\\1\\Desktop\\media\\image2.png" \* MERGEFORMATINET
1 - фильтрующий элемент; 2 - грязеуловитель; 3 - винты крышки; 4 - крышка; 5 - воздухоотводный винт
Рисунок 2.2 - Фильтр обратного слива
Демонтаж фильтрующего элемента:
- выключить гидростатическую установку и сбросить давление в фильтре обратного слива, вывернув воздухоотводный винт (центр крышки);
- тщательно очистить масляный бак в зоне крышки бака и фильтра обратного слива;
- демонтировать крышку фильтра обратного слива: вывернуть винты крышки, повернуть крышку на 45 и снять;
- за скобу вытащить фильтрующий элемент с грязеуловителем. Остатки загрязнений и крупные частицы на поверхности фильтрующего элемента могут указывать на повреждение установки/компонентов.
- снять грязеуловитель, повернув влево (байонетный затвор);
- заменить фильтрующий элемент;
- очистить корпус, крышку и грязеуловитель;
- проверить уплотнительные поверхности визуально на отсутствие повреждений;
- заменить уплотнительные детали.
Установка нового фильтрующего элемента:
- смочить уплотнительные поверхности на корпусе фильтра и на крышке, а также уплотнительные детали, чистой рабочей жидкостью;
- проверить, соответствует ли обозначение нового фильтрующего элемента обозначению демонтированного фильтрующего элемента;
- закрепить грязеуловитель на новом фильтрующем элементе, повернув его вправо;
- вставить грязеуловитель с новым фильтрующим элементом в корпус. Избегать повреждений фильтрующего элемента.
- смонтировать крышку фильтра обратного слива с новым уплотнением;
- проверить уровень масла по индикатору и, при необходимости, долить через маслозаливную горловину свежее масло уже используемого сорта;
- через воздухоотводный винт удалить воздух из фильтра.
Проверка прочности посадки магистралей, хомутов и шланговых соединений:
- визуально проверить прочность посадки и герметичность трубопроводов, хомутов, трубных соединений и резьбовых соединений;
- при непрочной посадке: ослабить резьбовые соединения и затянуть их без механических напряжений, заменить поврежденные детали;
- в случае обнаружения негерметичностей - устранить утечки, заменить поврежденные детали.
Проверка качества охлаждающей жидкости:
- дать охлаждающей жидкости остыть;
- взять пробу охлаждающей жидкости;
- проверить, соответствует ли состав охлаждающей жидкости заданным значениям: проверить концентрацию средства против замерзания с помощью прибора контроля качества антифриза (ареометра), определить значение pH с помощью рН-метра или индикаторной бумаги.
- при отклонении от заданного значения добавить недостающие компоненты или заменить охлаждающую жидкость полностью, проверить чистоту контура охлаждающей жидкости.
Замена охлаждающей жидкости (рисунок 2.3).
Слив охлаждающей жидкости:
- выключить дизельный двигатель;
- дать охлаждающей жидкости остыть;
- полностью слить охлаждающую жидкость через точки слива;
- слить оставшуюся охлаждающую жидкость из низколежащих трубопроводов и компонентов путем отворачивания соединительных трубопроводов;
- снова соединить разъединенные соединительные магистрали.
Заполнить систему охлаждения подготовленной охлаждающей жидкостью через подходящий дополнительный фильтр до максимального уровня (смотри индикатор уровня жидкости).
Для максимального удаления воздуха из системы и во избежание ее повреждений следует соблюдать следующие заданные значения:
- максимальная скорость заполнения;
- максимальное давление заполнения
Во время заполнения системы постоянно следить за герметичностью.
Удалить воздух из системы охлаждения.
Визуально проверять герметичность системы.
INCLUDEPICTURE "D:\\Заочник\\Диплом СИСТЕМА ОХЛАЖДЕНИЯ ТЕПЛОВОЗА ТГ16М 686844\\Работа\\media\\image3.png" \* MERGEFORMATINET INCLUDEPICTURE "D:\\Заочник\\Диплом СИСТЕМА ОХЛАЖДЕНИЯ ТЕПЛОВОЗА ТГ16М 686844\\Работа\\media\\image3.png" \* MERGEFORMATINET INCLUDEPICTURE "D:\\Заочник\\Диплом СИСТЕМА ОХЛАЖДЕНИЯ ТЕПЛОВОЗА ТГ16М 686844\\Работа\\media\\image3.png" \* MERGEFORMATINET INCLUDEPICTURE "D:\\Заочник\\Диплом СИСТЕМА ОХЛАЖДЕНИЯ ТЕПЛОВОЗА ТГ16М 686844\\Работа\\media\\image3.png" \* MERGEFORMATINET INCLUDEPICTURE "D:\\Заочник\\Диплом СИСТЕМА ОХЛАЖДЕНИЯ ТЕПЛОВОЗА ТГ16М 686844\\Работа\\media\\image3.png" \* MERGEFORMATINET INCLUDEPICTURE "D:\\Заочник\\Диплом СИСТЕМА ОХЛАЖДЕНИЯ ТЕПЛОВОЗА ТГ16М 686844\\Диплом Система охлаждения тепловоза ТГ16М\\media\\image3.png" \* MERGEFORMATINET INCLUDEPICTURE "D:\\Заочник\\Диплом СИСТЕМА ОХЛАЖДЕНИЯ ТЕПЛОВОЗА ТГ16М 686844\\Доработка 14.05\\media\\image3.png" \* MERGEFORMATINET INCLUDEPICTURE "C:\\Documents and Settings\\Admin\\Рабочий стол\\для диплома\\media\\image3.png" \* MERGEFORMATINET INCLUDEPICTURE "C:\\Documents and Settings\\Admin\\Рабочий стол\\для диплома\\media\\image3.png" \* MERGEFORMATINET INCLUDEPICTURE "C:\\Documents and Settings\\Admin\\Рабочий стол\\для диплома\\media\\image3.png" \* MERGEFORMATINET INCLUDEPICTURE "C:\\Users\\1\\Desktop\\media\\image3.png" \* MERGEFORMATINET
1 - индикатор уровня жидкости; 2 - крышка клапана
Рисунок 2.3 - Система охлаждения
Замена масла и фильтрующего элемента фильтра обратного слива:
- выключить дизельный двигатель;
- слить гидростатическое масло через сливное отверстие;
- слейте оставшееся гидростатическое масло из низколежащих трубопроводов и компонентов путем отворачивания соединительных трубопроводов;
- снять фильтрующий элемент и установить новый;
- закрыть маслосливной клапан;
- снова соединить разъединенные соединительные магистрали;
- через маслозаливную горловину масляного бака долить свежее масло до максимального уровня;
- через воздухоотводный винт удалить воздух из фильтра;
- проверить уровень масла по индикатору уровня;
- для повторного ввода в эксплуатацию запустить дизельный двигатель и на короткое время вывести его на режим холостого хода;
- проверить уровень масла в масляном баке. Немедленно остановить дизельный двигатель при быстром падении уровня масла и долить масло;
- повторить этот процесс несколько раз, пока уровень масла не перестанет снижаться.
Проверка шлангопроводов:
- проверить шлангопроводы на отсутствие повреждений, признаков старения и негерметичностей;
- в случае обнаружения негерметичностей: устранить утечки, заменить поврежденные детали.
Замена шлангопроводов охлаждающей жидкости:
- выключить дизель;
- слить охлаждающую жидкость;
- заменить шлангопроводы и соответствующие уплотнения;
- заполнить систему охлаждающей жидкостью.
Замена шлангопроводов гидростатического масла:
- выключить дизель;
- слить гидростатическое масло через сливное отверстие;
- слейте оставшееся гидростатическое масло из низколежащих трубопроводов и компонентов путем отворачивания соединительных трубопроводов;
- заменить шлангопроводы и соответствующие уплотнения;
- заполнить гидростатическую систему.
3 РАЗРАБОТКА ОРГАНИЗАЦИИ РАБОТ НА УЧАСТКЕ ПО ТЕХНИЧЕСКОМУ ОБСЛУЖИВАНИЮ СИСТЕМЫ ОХЛАЖДЕНИЯ ТЕПЛОВОЗОВ СЕРИИ ТГ16М
3.1 Оборудование для очистки системы охлаждения тепловоза ТГ16М
На рисунке 3.1 приведен кузов тепловоза с жалюзи.
1 - стенка боковая; 2 - стенка тамбура; 3 - перегородка; 4 - стенка задняя; 5 - жалюзи; 6 - крыша переходного тамбура; 7 - крыша машинного отделения; 8 - крыша отделения модуля охлаждения; 9 - жалюзи; 10 - крыша вспомогательного тамбура
Рисунок 3.1 - Кузов тепловоза
В соответствии с рисунком 3.1 на главной раме установлен кузов вагонного типа, приваренный к раме тепловоза. Кузов тепловоза состоит из двух боковых стенок 1, стенки тамбура 2, двух перегородок 3, отделяющих отделение модуля охлаждения от машинного отделения и задней стенки 4, имеющих сварной каркас из прокатных и гнутых профилей обшитый листом. Четырех съемных крыш, имеющих сварной каркас, из прокатных профилей, обшитый листом: крыши переходного тамбура 6, крыши машинного отделения 7, крыши отделения модуля охлаждения 8, крыши вспомогательного тамбура 10.
В боковых стенках выполнены оконные проемы для создания естественного освещения, дверные проемы для входа в переходной тамбур, и установлены, в зоне размещения модуля охлаждения, жалюзи 5 через которые происходит забор воздуха в модуль охлаждения.
В стенке тамбура и перегородках выполнены боковые дверные проемы для доступа и обслуживания оборудования установленного в кузове тепловоза.















