диплом (1231446), страница 2
Текст из файла (страница 2)
Рисунок 1.3 - Холодильная установка (вид снизу)
Масляный бак приведен на рисунке 1.4.
INCLUDEPICTURE "D:\\Заочник\\Диплом СИСТЕМА ОХЛАЖДЕНИЯ ТЕПЛОВОЗА ТГ16М 686844\\Работа\\media\\image3.png" \* MERGEFORMATINET INCLUDEPICTURE "D:\\Заочник\\Диплом СИСТЕМА ОХЛАЖДЕНИЯ ТЕПЛОВОЗА ТГ16М 686844\\Работа\\media\\image3.png" \* MERGEFORMATINET INCLUDEPICTURE "D:\\Заочник\\Диплом СИСТЕМА ОХЛАЖДЕНИЯ ТЕПЛОВОЗА ТГ16М 686844\\Работа\\media\\image3.png" \* MERGEFORMATINET INCLUDEPICTURE "D:\\Заочник\\Диплом СИСТЕМА ОХЛАЖДЕНИЯ ТЕПЛОВОЗА ТГ16М 686844\\Работа\\media\\image3.png" \* MERGEFORMATINET INCLUDEPICTURE "D:\\Заочник\\Диплом СИСТЕМА ОХЛАЖДЕНИЯ ТЕПЛОВОЗА ТГ16М 686844\\Работа\\media\\image3.png" \* MERGEFORMATINET INCLUDEPICTURE "D:\\Заочник\\Диплом СИСТЕМА ОХЛАЖДЕНИЯ ТЕПЛОВОЗА ТГ16М 686844\\Работа\\media\\image3.png" \* MERGEFORMATINET INCLUDEPICTURE "D:\\Заочник\\Диплом СИСТЕМА ОХЛАЖДЕНИЯ ТЕПЛОВОЗА ТГ16М 686844\\Работа\\media\\image3.png" \* MERGEFORMATINET INCLUDEPICTURE "D:\\Заочник\\Диплом СИСТЕМА ОХЛАЖДЕНИЯ ТЕПЛОВОЗА ТГ16М 686844\\Работа\\media\\image3.png" \* MERGEFORMATINET INCLUDEPICTURE "D:\\Заочник\\Диплом СИСТЕМА ОХЛАЖДЕНИЯ ТЕПЛОВОЗА ТГ16М 686844\\Работа\\media\\image3.png" \* MERGEFORMATINET INCLUDEPICTURE "D:\\Заочник\\Диплом СИСТЕМА ОХЛАЖДЕНИЯ ТЕПЛОВОЗА ТГ16М 686844\\Диплом Система охлаждения тепловоза ТГ16М\\media\\image3.png" \* MERGEFORMATINET INCLUDEPICTURE "D:\\Заочник\\Диплом СИСТЕМА ОХЛАЖДЕНИЯ ТЕПЛОВОЗА ТГ16М 686844\\Доработка 14.05\\media\\image3.png" \* MERGEFORMATINET INCLUDEPICTURE "C:\\Documents and Settings\\Admin\\Рабочий стол\\для диплома\\media\\image3.png" \* MERGEFORMATINET INCLUDEPICTURE "C:\\Documents and Settings\\Admin\\Рабочий стол\\для диплома\\media\\image3.png" \* MERGEFORMATINET INCLUDEPICTURE "C:\\Documents and Settings\\Admin\\Рабочий стол\\для диплома\\media\\image3.png" \* MERGEFORMATINET INCLUDEPICTURE "C:\\Users\\1\\Desktop\\media\\image3.png" \* MERGEFORMATINET
1 - фильтр обратного слива; 2 - заправочное и вентиляционное отверстие для масла; 3 - заземление; 4 - масляный бак; 5 - маслосливное отверстие; 6 - патрубок для слива масла; 7 - система контроля уровня Х143; 8 - индикатор уровня жидкости
Рисунок 1.4 - Масляный резервуар
Теплообменник гидростатического масла приведен на рисунке 1.5.
INCLUDEPICTURE "D:\\Заочник\\Диплом СИСТЕМА ОХЛАЖДЕНИЯ ТЕПЛОВОЗА ТГ16М 686844\\Работа\\media\\image4.png" \* MERGEFORMATINET INCLUDEPICTURE "D:\\Заочник\\Диплом СИСТЕМА ОХЛАЖДЕНИЯ ТЕПЛОВОЗА ТГ16М 686844\\Работа\\media\\image4.png" \* MERGEFORMATINET INCLUDEPICTURE "D:\\Заочник\\Диплом СИСТЕМА ОХЛАЖДЕНИЯ ТЕПЛОВОЗА ТГ16М 686844\\Работа\\media\\image4.png" \* MERGEFORMATINET INCLUDEPICTURE "D:\\Заочник\\Диплом СИСТЕМА ОХЛАЖДЕНИЯ ТЕПЛОВОЗА ТГ16М 686844\\Работа\\media\\image4.png" \* MERGEFORMATINET INCLUDEPICTURE "D:\\Заочник\\Диплом СИСТЕМА ОХЛАЖДЕНИЯ ТЕПЛОВОЗА ТГ16М 686844\\Работа\\media\\image4.png" \* MERGEFORMATINET INCLUDEPICTURE "D:\\Заочник\\Диплом СИСТЕМА ОХЛАЖДЕНИЯ ТЕПЛОВОЗА ТГ16М 686844\\Работа\\media\\image4.png" \* MERGEFORMATINET INCLUDEPICTURE "D:\\Заочник\\Диплом СИСТЕМА ОХЛАЖДЕНИЯ ТЕПЛОВОЗА ТГ16М 686844\\Работа\\media\\image4.png" \* MERGEFORMATINET INCLUDEPICTURE "D:\\Заочник\\Диплом СИСТЕМА ОХЛАЖДЕНИЯ ТЕПЛОВОЗА ТГ16М 686844\\Работа\\media\\image4.png" \* MERGEFORMATINET INCLUDEPICTURE "D:\\Заочник\\Диплом СИСТЕМА ОХЛАЖДЕНИЯ ТЕПЛОВОЗА ТГ16М 686844\\Работа\\media\\image4.png" \* MERGEFORMATINET INCLUDEPICTURE "D:\\Заочник\\Диплом СИСТЕМА ОХЛАЖДЕНИЯ ТЕПЛОВОЗА ТГ16М 686844\\Диплом Система охлаждения тепловоза ТГ16М\\media\\image4.png" \* MERGEFORMATINET INCLUDEPICTURE "D:\\Заочник\\Диплом СИСТЕМА ОХЛАЖДЕНИЯ ТЕПЛОВОЗА ТГ16М 686844\\Доработка 14.05\\media\\image4.png" \* MERGEFORMATINET INCLUDEPICTURE "C:\\Documents and Settings\\Admin\\Рабочий стол\\для диплома\\media\\image4.png" \* MERGEFORMATINET INCLUDEPICTURE "C:\\Documents and Settings\\Admin\\Рабочий стол\\для диплома\\media\\image4.png" \* MERGEFORMATINET INCLUDEPICTURE "C:\\Documents and Settings\\Admin\\Рабочий стол\\для диплома\\media\\image4.png" \* MERGEFORMATINET INCLUDEPICTURE "C:\\Users\\1\\Desktop\\media\\image4.png" \* MERGEFORMATINET
1 - вход/выход вторичной стороны; 2 - вход/выход первичной стороны
Рисунок 1.5 – Теплообменник
Теплообменник трансмиссионного масла приведен на рисунке 1.6.
INCLUDEPICTURE "D:\\Заочник\\Диплом СИСТЕМА ОХЛАЖДЕНИЯ ТЕПЛОВОЗА ТГ16М 686844\\Работа\\media\\image5.png" \* MERGEFORMATINET INCLUDEPICTURE "D:\\Заочник\\Диплом СИСТЕМА ОХЛАЖДЕНИЯ ТЕПЛОВОЗА ТГ16М 686844\\Работа\\media\\image5.png" \* MERGEFORMATINET INCLUDEPICTURE "D:\\Заочник\\Диплом СИСТЕМА ОХЛАЖДЕНИЯ ТЕПЛОВОЗА ТГ16М 686844\\Работа\\media\\image5.png" \* MERGEFORMATINET INCLUDEPICTURE "D:\\Заочник\\Диплом СИСТЕМА ОХЛАЖДЕНИЯ ТЕПЛОВОЗА ТГ16М 686844\\Работа\\media\\image5.png" \* MERGEFORMATINET INCLUDEPICTURE "D:\\Заочник\\Диплом СИСТЕМА ОХЛАЖДЕНИЯ ТЕПЛОВОЗА ТГ16М 686844\\Работа\\media\\image5.png" \* MERGEFORMATINET INCLUDEPICTURE "D:\\Заочник\\Диплом СИСТЕМА ОХЛАЖДЕНИЯ ТЕПЛОВОЗА ТГ16М 686844\\Работа\\media\\image5.png" \* MERGEFORMATINET INCLUDEPICTURE "D:\\Заочник\\Диплом СИСТЕМА ОХЛАЖДЕНИЯ ТЕПЛОВОЗА ТГ16М 686844\\Работа\\media\\image5.png" \* MERGEFORMATINET INCLUDEPICTURE "D:\\Заочник\\Диплом СИСТЕМА ОХЛАЖДЕНИЯ ТЕПЛОВОЗА ТГ16М 686844\\Работа\\media\\image5.png" \* MERGEFORMATINET INCLUDEPICTURE "D:\\Заочник\\Диплом СИСТЕМА ОХЛАЖДЕНИЯ ТЕПЛОВОЗА ТГ16М 686844\\Работа\\media\\image5.png" \* MERGEFORMATINET INCLUDEPICTURE "D:\\Заочник\\Диплом СИСТЕМА ОХЛАЖДЕНИЯ ТЕПЛОВОЗА ТГ16М 686844\\Диплом Система охлаждения тепловоза ТГ16М\\media\\image5.png" \* MERGEFORMATINET INCLUDEPICTURE "D:\\Заочник\\Диплом СИСТЕМА ОХЛАЖДЕНИЯ ТЕПЛОВОЗА ТГ16М 686844\\Доработка 14.05\\media\\image5.png" \* MERGEFORMATINET INCLUDEPICTURE "C:\\Documents and Settings\\Admin\\Рабочий стол\\для диплома\\media\\image5.png" \* MERGEFORMATINET INCLUDEPICTURE "C:\\Documents and Settings\\Admin\\Рабочий стол\\для диплома\\media\\image5.png" \* MERGEFORMATINET INCLUDEPICTURE "C:\\Documents and Settings\\Admin\\Рабочий стол\\для диплома\\media\\image5.png" \* MERGEFORMATINET INCLUDEPICTURE "C:\\Users\\1\\Desktop\\media\\image5.png" \* MERGEFORMATINET
1 - вход/выход вторичной стороны; 2 - вход/выход первичной стороны
Рисунок 1.6 – Теплообменник
Терморегулирующий клапан приведен на рисунке 1.7.
INCLUDEPICTURE "D:\\Заочник\\Диплом СИСТЕМА ОХЛАЖДЕНИЯ ТЕПЛОВОЗА ТГ16М 686844\\Работа\\media\\image6.png" \* MERGEFORMATINET INCLUDEPICTURE "D:\\Заочник\\Диплом СИСТЕМА ОХЛАЖДЕНИЯ ТЕПЛОВОЗА ТГ16М 686844\\Работа\\media\\image6.png" \* MERGEFORMATINET INCLUDEPICTURE "D:\\Заочник\\Диплом СИСТЕМА ОХЛАЖДЕНИЯ ТЕПЛОВОЗА ТГ16М 686844\\Работа\\media\\image6.png" \* MERGEFORMATINET INCLUDEPICTURE "D:\\Заочник\\Диплом СИСТЕМА ОХЛАЖДЕНИЯ ТЕПЛОВОЗА ТГ16М 686844\\Работа\\media\\image6.png" \* MERGEFORMATINET INCLUDEPICTURE "D:\\Заочник\\Диплом СИСТЕМА ОХЛАЖДЕНИЯ ТЕПЛОВОЗА ТГ16М 686844\\Работа\\media\\image6.png" \* MERGEFORMATINET INCLUDEPICTURE "D:\\Заочник\\Диплом СИСТЕМА ОХЛАЖДЕНИЯ ТЕПЛОВОЗА ТГ16М 686844\\Работа\\media\\image6.png" \* MERGEFORMATINET INCLUDEPICTURE "D:\\Заочник\\Диплом СИСТЕМА ОХЛАЖДЕНИЯ ТЕПЛОВОЗА ТГ16М 686844\\Работа\\media\\image6.png" \* MERGEFORMATINET INCLUDEPICTURE "D:\\Заочник\\Диплом СИСТЕМА ОХЛАЖДЕНИЯ ТЕПЛОВОЗА ТГ16М 686844\\Работа\\media\\image6.png" \* MERGEFORMATINET INCLUDEPICTURE "D:\\Заочник\\Диплом СИСТЕМА ОХЛАЖДЕНИЯ ТЕПЛОВОЗА ТГ16М 686844\\Работа\\media\\image6.png" \* MERGEFORMATINET INCLUDEPICTURE "D:\\Заочник\\Диплом СИСТЕМА ОХЛАЖДЕНИЯ ТЕПЛОВОЗА ТГ16М 686844\\Диплом Система охлаждения тепловоза ТГ16М\\media\\image6.png" \* MERGEFORMATINET INCLUDEPICTURE "D:\\Заочник\\Диплом СИСТЕМА ОХЛАЖДЕНИЯ ТЕПЛОВОЗА ТГ16М 686844\\Доработка 14.05\\media\\image6.png" \* MERGEFORMATINET INCLUDEPICTURE "C:\\Documents and Settings\\Admin\\Рабочий стол\\для диплома\\media\\image6.png" \* MERGEFORMATINET INCLUDEPICTURE "C:\\Documents and Settings\\Admin\\Рабочий стол\\для диплома\\media\\image6.png" \* MERGEFORMATINET INCLUDEPICTURE "C:\\Documents and Settings\\Admin\\Рабочий стол\\для диплома\\media\\image6.png" \* MERGEFORMATINET INCLUDEPICTURE "C:\\Users\\1\\Desktop\\media\\image6.png" \* MERGEFORMATINET
Рисунок 1.7 - Терморегулирующий клапан
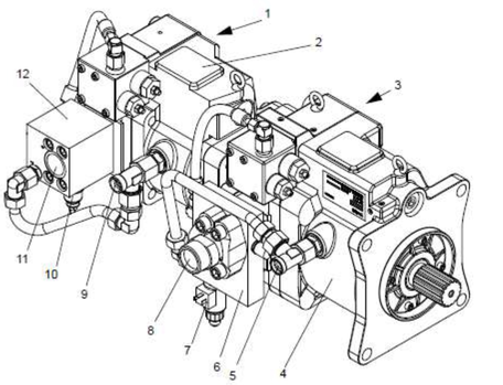
Регулируемый насос приведен на рисунке 1.8.
INCLUDEPICTURE "D:\\Заочник\\Диплом СИСТЕМА ОХЛАЖДЕНИЯ ТЕПЛОВОЗА ТГ16М 686844\\Работа\\media\\image7.png" \* MERGEFORMATINET INCLUDEPICTURE "D:\\Заочник\\Диплом СИСТЕМА ОХЛАЖДЕНИЯ ТЕПЛОВОЗА ТГ16М 686844\\Работа\\media\\image7.png" \* MERGEFORMATINET INCLUDEPICTURE "D:\\Заочник\\Диплом СИСТЕМА ОХЛАЖДЕНИЯ ТЕПЛОВОЗА ТГ16М 686844\\Работа\\media\\image7.png" \* MERGEFORMATINET INCLUDEPICTURE "D:\\Заочник\\Диплом СИСТЕМА ОХЛАЖДЕНИЯ ТЕПЛОВОЗА ТГ16М 686844\\Работа\\media\\image7.png" \* MERGEFORMATINET INCLUDEPICTURE "D:\\Заочник\\Диплом СИСТЕМА ОХЛАЖДЕНИЯ ТЕПЛОВОЗА ТГ16М 686844\\Работа\\media\\image7.png" \* MERGEFORMATINET INCLUDEPICTURE "D:\\Заочник\\Диплом СИСТЕМА ОХЛАЖДЕНИЯ ТЕПЛОВОЗА ТГ16М 686844\\Работа\\media\\image7.png" \* MERGEFORMATINET INCLUDEPICTURE "D:\\Заочник\\Диплом СИСТЕМА ОХЛАЖДЕНИЯ ТЕПЛОВОЗА ТГ16М 686844\\Работа\\media\\image7.png" \* MERGEFORMATINET INCLUDEPICTURE "D:\\Заочник\\Диплом СИСТЕМА ОХЛАЖДЕНИЯ ТЕПЛОВОЗА ТГ16М 686844\\Работа\\media\\image7.png" \* MERGEFORMATINET INCLUDEPICTURE "D:\\Заочник\\Диплом СИСТЕМА ОХЛАЖДЕНИЯ ТЕПЛОВОЗА ТГ16М 686844\\Работа\\media\\image7.png" \* MERGEFORMATINET INCLUDEPICTURE "D:\\Заочник\\Диплом СИСТЕМА ОХЛАЖДЕНИЯ ТЕПЛОВОЗА ТГ16М 686844\\Диплом Система охлаждения тепловоза ТГ16М\\media\\image7.png" \* MERGEFORMATINET INCLUDEPICTURE "D:\\Заочник\\Диплом СИСТЕМА ОХЛАЖДЕНИЯ ТЕПЛОВОЗА ТГ16М 686844\\Доработка 14.05\\media\\image7.png" \* MERGEFORMATINET INCLUDEPICTURE "C:\\Documents and Settings\\Admin\\Рабочий стол\\для диплома\\media\\image7.png" \* MERGEFORMATINET INCLUDEPICTURE "C:\\Documents and Settings\\Admin\\Рабочий стол\\для диплома\\media\\image7.png" \* MERGEFORMATINET INCLUDEPICTURE "C:\\Documents and Settings\\Admin\\Рабочий стол\\для диплома\\media\\image7.png" \* MERGEFORMATINET INCLUDEPICTURE "C:\\Users\\1\\Desktop\\media\\image7.png" \* MERGEFORMATINET
1 - всасывающий патрубок; 2 - регулируемый насос компрессора; 3 - всасывающий патрубок; 4 - регулируемый насос системы охлаждения; 5 - штуцер слива масла; 6 - блок управления; 7 - пропорциональный клапан X194; 8 - патрубок высокого давления к вентилятору; 9 - штуцер слива масла; 10 - двухходовый двухпозиционный клапан с ручным управлением Х35; 11 - штуцер высокого давления к компрессору; 12 - блок управления
Рисунок 1.8 - Регулируемый насос
Двигатель постоянной мощности компрессора приведен на рисунке 1.9.
INCLUDEPICTURE "D:\\Заочник\\Диплом СИСТЕМА ОХЛАЖДЕНИЯ ТЕПЛОВОЗА ТГ16М 686844\\Работа\\media\\image8.png" \* MERGEFORMATINET INCLUDEPICTURE "D:\\Заочник\\Диплом СИСТЕМА ОХЛАЖДЕНИЯ ТЕПЛОВОЗА ТГ16М 686844\\Работа\\media\\image8.png" \* MERGEFORMATINET INCLUDEPICTURE "D:\\Заочник\\Диплом СИСТЕМА ОХЛАЖДЕНИЯ ТЕПЛОВОЗА ТГ16М 686844\\Работа\\media\\image8.png" \* MERGEFORMATINET INCLUDEPICTURE "D:\\Заочник\\Диплом СИСТЕМА ОХЛАЖДЕНИЯ ТЕПЛОВОЗА ТГ16М 686844\\Работа\\media\\image8.png" \* MERGEFORMATINET INCLUDEPICTURE "D:\\Заочник\\Диплом СИСТЕМА ОХЛАЖДЕНИЯ ТЕПЛОВОЗА ТГ16М 686844\\Работа\\media\\image8.png" \* MERGEFORMATINET INCLUDEPICTURE "D:\\Заочник\\Диплом СИСТЕМА ОХЛАЖДЕНИЯ ТЕПЛОВОЗА ТГ16М 686844\\Работа\\media\\image8.png" \* MERGEFORMATINET INCLUDEPICTURE "D:\\Заочник\\Диплом СИСТЕМА ОХЛАЖДЕНИЯ ТЕПЛОВОЗА ТГ16М 686844\\Работа\\media\\image8.png" \* MERGEFORMATINET INCLUDEPICTURE "D:\\Заочник\\Диплом СИСТЕМА ОХЛАЖДЕНИЯ ТЕПЛОВОЗА ТГ16М 686844\\Работа\\media\\image8.png" \* MERGEFORMATINET INCLUDEPICTURE "D:\\Заочник\\Диплом СИСТЕМА ОХЛАЖДЕНИЯ ТЕПЛОВОЗА ТГ16М 686844\\Работа\\media\\image8.png" \* MERGEFORMATINET INCLUDEPICTURE "D:\\Заочник\\Диплом СИСТЕМА ОХЛАЖДЕНИЯ ТЕПЛОВОЗА ТГ16М 686844\\Диплом Система охлаждения тепловоза ТГ16М\\media\\image8.png" \* MERGEFORMATINET INCLUDEPICTURE "D:\\Заочник\\Диплом СИСТЕМА ОХЛАЖДЕНИЯ ТЕПЛОВОЗА ТГ16М 686844\\Доработка 14.05\\media\\image8.png" \* MERGEFORMATINET INCLUDEPICTURE "C:\\Documents and Settings\\Admin\\Рабочий стол\\для диплома\\media\\image8.png" \* MERGEFORMATINET INCLUDEPICTURE "C:\\Documents and Settings\\Admin\\Рабочий стол\\для диплома\\media\\image8.png" \* MERGEFORMATINET INCLUDEPICTURE "C:\\Documents and Settings\\Admin\\Рабочий стол\\для диплома\\media\\image8.png" \* MERGEFORMATINET INCLUDEPICTURE "C:\\Users\\1\\Desktop\\media\\image8.png" \* MERGEFORMATINET
1 - двигатель постоянной мощности; 2 - штуцер для слива масла; 3 - напорный патрубок, вход/выход
Рисунок 1.9 - Двигатель постоянной мощности компрессора















