диплом (1231446), страница 3
Текст из файла (страница 3)
Отключающий клапан приведен на рисунке 1.10.
INCLUDEPICTURE "D:\\Заочник\\Диплом СИСТЕМА ОХЛАЖДЕНИЯ ТЕПЛОВОЗА ТГ16М 686844\\Работа\\media\\image9.png" \* MERGEFORMATINET INCLUDEPICTURE "D:\\Заочник\\Диплом СИСТЕМА ОХЛАЖДЕНИЯ ТЕПЛОВОЗА ТГ16М 686844\\Работа\\media\\image9.png" \* MERGEFORMATINET INCLUDEPICTURE "D:\\Заочник\\Диплом СИСТЕМА ОХЛАЖДЕНИЯ ТЕПЛОВОЗА ТГ16М 686844\\Работа\\media\\image9.png" \* MERGEFORMATINET INCLUDEPICTURE "D:\\Заочник\\Диплом СИСТЕМА ОХЛАЖДЕНИЯ ТЕПЛОВОЗА ТГ16М 686844\\Работа\\media\\image9.png" \* MERGEFORMATINET INCLUDEPICTURE "D:\\Заочник\\Диплом СИСТЕМА ОХЛАЖДЕНИЯ ТЕПЛОВОЗА ТГ16М 686844\\Работа\\media\\image9.png" \* MERGEFORMATINET INCLUDEPICTURE "D:\\Заочник\\Диплом СИСТЕМА ОХЛАЖДЕНИЯ ТЕПЛОВОЗА ТГ16М 686844\\Работа\\media\\image9.png" \* MERGEFORMATINET INCLUDEPICTURE "D:\\Заочник\\Диплом СИСТЕМА ОХЛАЖДЕНИЯ ТЕПЛОВОЗА ТГ16М 686844\\Работа\\media\\image9.png" \* MERGEFORMATINET INCLUDEPICTURE "D:\\Заочник\\Диплом СИСТЕМА ОХЛАЖДЕНИЯ ТЕПЛОВОЗА ТГ16М 686844\\Работа\\media\\image9.png" \* MERGEFORMATINET INCLUDEPICTURE "D:\\Заочник\\Диплом СИСТЕМА ОХЛАЖДЕНИЯ ТЕПЛОВОЗА ТГ16М 686844\\Работа\\media\\image9.png" \* MERGEFORMATINET INCLUDEPICTURE "D:\\Заочник\\Диплом СИСТЕМА ОХЛАЖДЕНИЯ ТЕПЛОВОЗА ТГ16М 686844\\Диплом Система охлаждения тепловоза ТГ16М\\media\\image9.png" \* MERGEFORMATINET INCLUDEPICTURE "D:\\Заочник\\Диплом СИСТЕМА ОХЛАЖДЕНИЯ ТЕПЛОВОЗА ТГ16М 686844\\Доработка 14.05\\media\\image9.png" \* MERGEFORMATINET INCLUDEPICTURE "C:\\Documents and Settings\\Admin\\Рабочий стол\\для диплома\\media\\image9.png" \* MERGEFORMATINET INCLUDEPICTURE "C:\\Documents and Settings\\Admin\\Рабочий стол\\для диплома\\media\\image9.png" \* MERGEFORMATINET INCLUDEPICTURE "C:\\Documents and Settings\\Admin\\Рабочий стол\\для диплома\\media\\image9.png" \* MERGEFORMATINET INCLUDEPICTURE "C:\\Users\\1\\Desktop\\media\\image9.png" \* MERGEFORMATINET
1 - точка измерения давления; 3 - патрубок высокого давления, выход; 2 - патрубок высокого давления, вход; 4 - патрубок для слива масла
Рисунок 1.10 - Отключающий клапан
Охлаждаемые агрегаты:
- дизельный двигатель высокотемпературный контур;
- гидропередача - высокотемпературный контур;
- турбонагреватель низкотемпературный контур.
Приводимые вспомогательные агрегаты:
- вентилятор;
- компрессор.
Компоненты системы охлаждения.
Высокотемпературный контур:
- теплообменник;
- терморегулирующий клапан;
- радиатор;
- вентилятор;
- расширительный бачок.
Низкотемпературный контур:
- теплообменник;
- радиатор;
- вентилятор;
- расширительный бачок Вспомогательные агрегаты:
- гидростатический привод вентилятора (принцип подачи);
- гидростатический регулируемый насос;
- гидростатический двигатель постоянной мощности;
- регулирующий клапан (включая резервный клапан);
- масляный радиатор;
- масляный бак;
- отключающий клапан.
Гидростатический привод компрессора (принцип подачи):
- гидростатический регулируемый насос;
- гидростатический двигатель постоянной мощности;
- блок управления;
- отключающий клапан;
- масляный радиатор;
- масляный бак.
Электрические компоненты:
- цифровое регулирование температуры.
Принцип действия системы охлаждения (рисунок 1.11).
Устройство охлаждающее модульного типа, поставляемое фирмой VOITH, включает в себя радиаторы 2, вентиляторные агрегаты 3, расширительный бак 1 с паровоздушным клапаном и индикатором уровня, трубопроводы. Все собрано в жестком каркасе, который вместе с указанным оборудованием устанавливается своими амортизаторами 9на опоры 8, привариваемые затем к раме тепловоза. Для устранения возможных зазоров под опоры могут подкладываться прокладки 10,11,12.
Для исключения прохода воздуха мимо радиаторов внизу блока на устройстве имеется уплотнение 13 по всему периметру нижнего проема каркаса.
На торце охлаждающего устройства со стороны дизеля расположены патрубки подвода и отвода охлаждающей жидкости к дизелю, трубы подвода и отвода масла и регулирующий клапан гидропривода вентиляторов, расширительный бак с патрубками для присоединения трубопровода системы охлаждения. С противоположной стороны имеется дверца для доступа внутрь охлаждающего устройства при монтаже и ремонте.
Охлаждающее устройство устанавливается в отсеке кузова тепловоза, ограниченного с торцов поперечными стенками, а с боков боковыми 4, 5 и верхними 6 жалюзи. Нижние боковые жалюзи 4 и верхние жалюзи 6 имеют пневмоприводы и могут управляться автоматически по температуре охлаждающей жидкости или вручную дистанционно включением тумблеров в кабине машиниста. При необходимости управлять открытием и закрытием указанных жалюзи можно непосредственно системой рычагов. В этом случае для удержания жалюзи в открытом положении в системе приводов имеются стопоры.
Верхние боковые жалюзи 5 имеют только ручной привод и предназначены для работы в летний период.
Средние боковые жалюзи 4 отличаются от крайних наличием двух лючков для доступа к заправочным горловинам песочниц. Лючки закрываются дверцами 14.
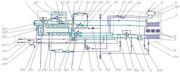
1 - охладитель масла гидростатики; 2(1),2(2) - охладитель масла дизеля; 3 - преобразователь частоты; 4 - стартер генератор; 5(1)-5(23) - кран; 6(1),6(2) - фильтр, 7 - подогреватель масла; 8(1),8(2) - головка соединительная; 9 - клапан паровоздушный; 10 - датчик температуры; 11 - бак расширительный; 12(1),12(2) - температурный датчик; 13 - радиатор системы охлаждения дизеля; 14 - мотор-вентилятор; 15 - радиатор системы охлаждения надувочного воздуха, 16 - блок охлаждения; 17 - регулятор температуры; 18 - охладитель масла гидропередачи; 19 - клапан электромагнитный; 20 - топливоподогреватель; 21 - насосы основного контура; 22 - насос дополнительного контура; 23 - подогреватель воды; 24 - дизель; охладитель надувочного воздуха.
Рисунок 1.11 - Схема системы охлаждения
Принцип привода вспомогательных машин.
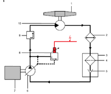
Гидростатический привод с переменным числом оборотов по принципу подачи (рисунок 1.12).
Регулируемый насос подает переменный поток масла. Регулирующий клапан (включая резервный клапан) управляет числом оборотов вспомогательного агрегата с помощью объема подачи регулируемого насоса. Принцип подачи:
- регулируемый насос не подает масла: останов вспомогательной машины;
- регулируемый насос подает необходимый поток масла: вспомогательная машина работает.
INCLUDEPICTURE "D:\\Заочник\\Диплом СИСТЕМА ОХЛАЖДЕНИЯ ТЕПЛОВОЗА ТГ16М 686844\\Работа\\media\\image11.png" \* MERGEFORMATINET INCLUDEPICTURE "D:\\Заочник\\Диплом СИСТЕМА ОХЛАЖДЕНИЯ ТЕПЛОВОЗА ТГ16М 686844\\Работа\\media\\image11.png" \* MERGEFORMATINET INCLUDEPICTURE "D:\\Заочник\\Диплом СИСТЕМА ОХЛАЖДЕНИЯ ТЕПЛОВОЗА ТГ16М 686844\\Работа\\media\\image11.png" \* MERGEFORMATINET INCLUDEPICTURE "D:\\Заочник\\Диплом СИСТЕМА ОХЛАЖДЕНИЯ ТЕПЛОВОЗА ТГ16М 686844\\Работа\\media\\image11.png" \* MERGEFORMATINET INCLUDEPICTURE "D:\\Заочник\\Диплом СИСТЕМА ОХЛАЖДЕНИЯ ТЕПЛОВОЗА ТГ16М 686844\\Работа\\media\\image11.png" \* MERGEFORMATINET INCLUDEPICTURE "D:\\Заочник\\Диплом СИСТЕМА ОХЛАЖДЕНИЯ ТЕПЛОВОЗА ТГ16М 686844\\Работа\\media\\image11.png" \* MERGEFORMATINET INCLUDEPICTURE "D:\\Заочник\\Диплом СИСТЕМА ОХЛАЖДЕНИЯ ТЕПЛОВОЗА ТГ16М 686844\\Работа\\media\\image11.png" \* MERGEFORMATINET INCLUDEPICTURE "D:\\Заочник\\Диплом СИСТЕМА ОХЛАЖДЕНИЯ ТЕПЛОВОЗА ТГ16М 686844\\Работа\\media\\image11.png" \* MERGEFORMATINET INCLUDEPICTURE "D:\\Заочник\\Диплом СИСТЕМА ОХЛАЖДЕНИЯ ТЕПЛОВОЗА ТГ16М 686844\\Работа\\media\\image11.png" \* MERGEFORMATINET INCLUDEPICTURE "D:\\Заочник\\Диплом СИСТЕМА ОХЛАЖДЕНИЯ ТЕПЛОВОЗА ТГ16М 686844\\Диплом Система охлаждения тепловоза ТГ16М\\media\\image11.png" \* MERGEFORMATINET INCLUDEPICTURE "D:\\Заочник\\Диплом СИСТЕМА ОХЛАЖДЕНИЯ ТЕПЛОВОЗА ТГ16М 686844\\Доработка 14.05\\media\\image11.png" \* MERGEFORMATINET INCLUDEPICTURE "C:\\Documents and Settings\\Admin\\Рабочий стол\\для диплома\\media\\image11.png" \* MERGEFORMATINET INCLUDEPICTURE "C:\\Documents and Settings\\Admin\\Рабочий стол\\для диплома\\media\\image11.png" \* MERGEFORMATINET INCLUDEPICTURE "C:\\Documents and Settings\\Admin\\Рабочий стол\\для диплома\\media\\image11.png" \* MERGEFORMATINET INCLUDEPICTURE "C:\\Users\\1\\Desktop\\media\\image11.png" \* MERGEFORMATINET
1 - вентилятор; 2 - масляный радиатор; 3 - масляный бак; 4 - масляный фильтр; 5 - форсунка; 6 - регулируемый насос; 7 - дизельный двигатель; 8 - регулирующий клапан; 9 - отключающий клапан; 10 - двигатель постоянной мощности.
Рисунок 1.12 - Гидростатический привод вентилятора по принципу подачи
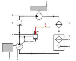
Гидростатический привод с постоянным числом оборотов по принципу подачи (рисунок 1.13).
Регулируемый насос подает постоянный поток масла. Регулирующий клапан (включая резервный клапан) управляет числом оборотов регулируемого насоса в зависимости от числа оборотов вспомогательного агрегата.
Принцип подачи:
- регулируемый насос не подает масла: останов вспомогательной машины;
- регулируемый насос подает постоянный поток масла: вспомогательная машина работает.
INCLUDEPICTURE "D:\\Заочник\\Диплом СИСТЕМА ОХЛАЖДЕНИЯ ТЕПЛОВОЗА ТГ16М 686844\\Работа\\media\\image12.png" \* MERGEFORMATINET INCLUDEPICTURE "D:\\Заочник\\Диплом СИСТЕМА ОХЛАЖДЕНИЯ ТЕПЛОВОЗА ТГ16М 686844\\Работа\\media\\image12.png" \* MERGEFORMATINET INCLUDEPICTURE "D:\\Заочник\\Диплом СИСТЕМА ОХЛАЖДЕНИЯ ТЕПЛОВОЗА ТГ16М 686844\\Работа\\media\\image12.png" \* MERGEFORMATINET INCLUDEPICTURE "D:\\Заочник\\Диплом СИСТЕМА ОХЛАЖДЕНИЯ ТЕПЛОВОЗА ТГ16М 686844\\Работа\\media\\image12.png" \* MERGEFORMATINET INCLUDEPICTURE "D:\\Заочник\\Диплом СИСТЕМА ОХЛАЖДЕНИЯ ТЕПЛОВОЗА ТГ16М 686844\\Работа\\media\\image12.png" \* MERGEFORMATINET INCLUDEPICTURE "D:\\Заочник\\Диплом СИСТЕМА ОХЛАЖДЕНИЯ ТЕПЛОВОЗА ТГ16М 686844\\Работа\\media\\image12.png" \* MERGEFORMATINET INCLUDEPICTURE "D:\\Заочник\\Диплом СИСТЕМА ОХЛАЖДЕНИЯ ТЕПЛОВОЗА ТГ16М 686844\\Работа\\media\\image12.png" \* MERGEFORMATINET INCLUDEPICTURE "D:\\Заочник\\Диплом СИСТЕМА ОХЛАЖДЕНИЯ ТЕПЛОВОЗА ТГ16М 686844\\Работа\\media\\image12.png" \* MERGEFORMATINET INCLUDEPICTURE "D:\\Заочник\\Диплом СИСТЕМА ОХЛАЖДЕНИЯ ТЕПЛОВОЗА ТГ16М 686844\\Работа\\media\\image12.png" \* MERGEFORMATINET INCLUDEPICTURE "D:\\Заочник\\Диплом СИСТЕМА ОХЛАЖДЕНИЯ ТЕПЛОВОЗА ТГ16М 686844\\Диплом Система охлаждения тепловоза ТГ16М\\media\\image12.png" \* MERGEFORMATINET INCLUDEPICTURE "D:\\Заочник\\Диплом СИСТЕМА ОХЛАЖДЕНИЯ ТЕПЛОВОЗА ТГ16М 686844\\Доработка 14.05\\media\\image12.png" \* MERGEFORMATINET INCLUDEPICTURE "C:\\Documents and Settings\\Admin\\Рабочий стол\\для диплома\\media\\image12.png" \* MERGEFORMATINET INCLUDEPICTURE "C:\\Documents and Settings\\Admin\\Рабочий стол\\для диплома\\media\\image12.png" \* MERGEFORMATINET INCLUDEPICTURE "C:\\Documents and Settings\\Admin\\Рабочий стол\\для диплома\\media\\image12.png" \* MERGEFORMATINET INCLUDEPICTURE "C:\\Users\\1\\Desktop\\media\\image12.png" \* MERGEFORMATINET
1 - компрессор; 2 - масляный радиатор; 3 - масляный бак; 4 - масляный фильтр; 5 - форсунка; 6 - регулируемый насос; 7 - дизельный двигатель; 8 - регулирующий клапан; 9 - отключающий клапан; 10 - двигатель постоянной мощности
Рисунок 1.13 - Гидростатический привод компрессора по принципу подачи
Цифровое регулирование температуры.
Цифровой регулятор температуры в пределах заданного диапазона температур регулирует частоту вращения вентилятора от полной остановки до максимума.
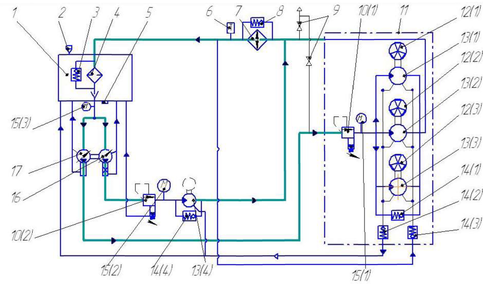
Система гидростатического привода вентиляторов (рисунок 1.14).
В систему гидростатического привода вентиляторов входят гидронасосы 16 и 17, в соответствии с рисунком 108, гидромоторы 13, теплообменник масла 7, бак для масла 1 со встроенным фильтром 4, регулирующие клапаны 10 и трубопроводы.
Сдвоенные насосы 16 и 17 с регулируемой подачей установлены на гидропередаче и приводятся от нее. Заправка маслом осуществляется в заливную горловину масляного бака 2 через технологический фильтр. Насос 17 забирает масло из бака 1 и нагнетает его под высоким давлением в гидромоторы охлаждающего устройства 13(1), 13(2) и 13(3). Насос 16 также забирает масло из бака 1 и нагнетает его в гидромотор привода компрессора 13(4). Перед гидромоторами установлены клапаны 10(1) и 10(2), регулирующие давление масла. Отработав, масло из гидромоторов поступает в теплообменник 7, где охлаждается, и направляется в бак. Бак имеет фильтр, в котором масло очищается, смотровое стекло и датчик уровня масла.
Температура масла после теплообменника измеряется температурным датчиком 6, а давление - манометрами 15.
INCLUDEPICTURE "D:\\Заочник\\Диплом СИСТЕМА ОХЛАЖДЕНИЯ ТЕПЛОВОЗА ТГ16М 686844\\Работа\\media\\image13.png" \* MERGEFORMATINET INCLUDEPICTURE "D:\\Заочник\\Диплом СИСТЕМА ОХЛАЖДЕНИЯ ТЕПЛОВОЗА ТГ16М 686844\\Работа\\media\\image13.png" \* MERGEFORMATINET INCLUDEPICTURE "D:\\Заочник\\Диплом СИСТЕМА ОХЛАЖДЕНИЯ ТЕПЛОВОЗА ТГ16М 686844\\Работа\\media\\image13.png" \* MERGEFORMATINET INCLUDEPICTURE "D:\\Заочник\\Диплом СИСТЕМА ОХЛАЖДЕНИЯ ТЕПЛОВОЗА ТГ16М 686844\\Работа\\media\\image13.png" \* MERGEFORMATINET INCLUDEPICTURE "D:\\Заочник\\Диплом СИСТЕМА ОХЛАЖДЕНИЯ ТЕПЛОВОЗА ТГ16М 686844\\Работа\\media\\image13.png" \* MERGEFORMATINET INCLUDEPICTURE "D:\\Заочник\\Диплом СИСТЕМА ОХЛАЖДЕНИЯ ТЕПЛОВОЗА ТГ16М 686844\\Работа\\media\\image13.png" \* MERGEFORMATINET INCLUDEPICTURE "D:\\Заочник\\Диплом СИСТЕМА ОХЛАЖДЕНИЯ ТЕПЛОВОЗА ТГ16М 686844\\Работа\\media\\image13.png" \* MERGEFORMATINET INCLUDEPICTURE "D:\\Заочник\\Диплом СИСТЕМА ОХЛАЖДЕНИЯ ТЕПЛОВОЗА ТГ16М 686844\\Работа\\media\\image13.png" \* MERGEFORMATINET INCLUDEPICTURE "D:\\Заочник\\Диплом СИСТЕМА ОХЛАЖДЕНИЯ ТЕПЛОВОЗА ТГ16М 686844\\Работа\\media\\image13.png" \* MERGEFORMATINET INCLUDEPICTURE "D:\\Заочник\\Диплом СИСТЕМА ОХЛАЖДЕНИЯ ТЕПЛОВОЗА ТГ16М 686844\\Диплом Система охлаждения тепловоза ТГ16М\\media\\image13.png" \* MERGEFORMATINET INCLUDEPICTURE "D:\\Заочник\\Диплом СИСТЕМА ОХЛАЖДЕНИЯ ТЕПЛОВОЗА ТГ16М 686844\\Доработка 14.05\\media\\image13.png" \* MERGEFORMATINET INCLUDEPICTURE "C:\\Documents and Settings\\Admin\\Рабочий стол\\для диплома\\media\\image13.png" \* MERGEFORMATINET INCLUDEPICTURE "C:\\Documents and Settings\\Admin\\Рабочий стол\\для диплома\\media\\image13.png" \* MERGEFORMATINET INCLUDEPICTURE "C:\\Documents and Settings\\Admin\\Рабочий стол\\для диплома\\media\\image13.png" \* MERGEFORMATINET INCLUDEPICTURE "C:\\Users\\1\\Desktop\\media\\image13.png" \* MERGEFORMATINET
1 - бак масляный; 2 - заливная горловина; 3 - клапан редукционный; 4 - фильтр; 5 - пробка сливная; 6 - датчик температуры; 7 - теплообменник масла; 8 - клапан редукционный; 9 - кран; 10(1), 10(2) - клапан регулирующий; 11 - охлаждающее устройство; 12(1)-12(3) - вентилятор; 13(1)-13(4) - гидромотор; 14(1)-14(4) - клапан редукционный; 15(1)-15(3) - манометр; 16 - гидронасос привода компрессора; 17 - гидронасос привода вентиляторов.















