ПЗ (1228695), страница 2
Текст из файла (страница 2)
Схема регулирования возбуждения тягового генератора представляет собой замкнутую систему автоматического регулирования напряжения, тока и мощности тягового генератора Г. Синхронный подвозбудитель СПВ вырабатывает напряжение переменной частоты, пропорциональное частоте вращения вала дизеля. Тахометрический блок ТБ преобразует частоту напряжения синхронного подвозбудителя в пропорциональное ей напряжение и передает сигнал задания в амплистат АВ.
Сигналы обратной связи, пропорциональные напряжению тягового генератора и токам тяговых электродвигателей, поступают от трансформаторов постоянного напряжения ТПН и постоянного тока ТПТ в селективный узел СУ. В селективном узле формируется результирующий сигнал отрицательной обратной связи, поступающий в амплистат в виде тока управления.
В амплистате алгебраически суммируются магнитодвижущие силы, создаваемые встречно направленными сигналами задания и управления. Суммарный сигнал подмагничивания соответствует выходному напряжению амплистата и в свою очередь определяет возбуждение возбудителя В и тягового генератора. Такая схема регулирования создает селективную (вспомогательную) характеристику генератора. Для получения необходимой гиперболической внешней характеристики тягового генератора дополнительную коррекцию в амплистат вносит индуктивный датчик ИД, преобразующий механическое перемещение штока сервопривода регулятора частоты вращения дизеля Д в электрический сигнал. Регулятор частоты вращения реагирует на отклонение мощности дизеля от заданной. Стабилизирующий трансформатор СТ служит для обеспечения устойчивой работы схемы. Сигнал от стабилизирующего трансформатора поступает в амплистат только во время переходного процесса, когда изменяется напряжение возбудителя.
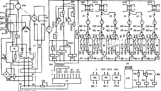
Принципиальная схема тяговой электропередачи. Для передачи мощности от дизеля к колесным парам и регулирования тяговой мощности на тепловозе применяется электропередача постоянного тока. Принципиальная схема тяговой электропередачи (рисунок 2.1) каждой секции одинакова.
Рисунок 2.1 – Принципиальная схема тяговой электропередачи [1]: 1–6 – двигатели тяговые; Г – генератор тяговый; РБ1 – РБЗ – реле боксования; 17Р – реверсор; Об – обмотка возбуждения двигателей тяговых; ОД – обмотка добавочных полюсов двигателей тяговых; СШ1, СШ2 – резистор11 ослабления возбуждения; ВШ1, ВШ2 – групповые контакторы ослабления возбуждения; П1–176 – контакторы поездные; РП1, РП2 – реле ослабления возбуждения; РПЗ– реле ограничения максимальной скорости; СРПШ, СРПН2, СРПНЗ — резисторы в цепи катушек напряжения РП1, РП2, РПЗ; В—возбудитель; СПВ— синхронный подвозбудитель; ТР—трансформатор распределительный; СРЛТ1, СРПТ2—резисторы в цепи токовых катушек РП1, РП2, РПЗ; ТБ— блок тахометрический; АВ—амплистат; ИД—индуктивный датчик; ТПН—трансформатор постоянного иапряжеиня; ТПТ1 — ТПТ4— трансформаторы постоянного тока; СУ—узел селективный; СТ—трансформатор стабилизирующий; БВ1, БВ2— выпрямители; СБТ, СТН, СОУ, СОЗ, СОР—резисторы; ПВ1. ПВ2, ПВЗ—выпрямительные блоки уравнительных соединений; БДС—блок сравнения
Тяговой генератор Г постоянного тока с независимым возбуждением питает шесть параллельно соединенных тяговых электродвигателей 1—6 последовательного возбуждения. Электромеханические характеристики электродвигателей последовательного возбуждения в рабочем диапазоне скоростей имеют вид гиперболы, что позволяет осуществить автоматическое регулирование возбуждения тягового генератора при помощи сравнительно несложных и надежных в эксплуатации электрических аппаратов. Тяговые электродвигатели включаются поездными контакторами П1—П6.
Для увеличения диапазона использования полной мощности тяговых электродвигателей применяются две ступени ослабления возбуждения. Контакторы ослабления возбуждения ВШ1, ВШ2 включают резисторы ослабления возбуждения СШ1, СШ2 параллельно обмоткам возбуждения электродвигателей 1—6. Сигналы для срабатывания контакторов ВШ1, ВШ2 поступают от реле ослабления возбуждения РП1, РП2, катушки напряжения которых включены через регулировочные резисторы СРПН1, СРПН2 на напряжение тягового генератора, а токовые — через резисторы СРПТ параллельно обмоткам добавочных полюсов тягового генератора.
Направление движения тепловоза изменяется путем изменения направления тока в обмотках возбуждения ОВ тяговых электродвигателей при помощи электропневматического переключателя ПР (реверсора). Система возбуждения тягового генератора совместно с объединенным регулятором дизеля обеспечивает автоматическое поддержание постоянства мощности в рабочем диапазоне внешней характеристики, ограничение тока и напряжения генератора.
Независимая обмотка возбуждения тягового генератора питается от возбудителя постоянного тока. В Возбудитель имеет две обмотки возбуждения: независимую и размагничивающую. Независимая обмотка включена на выпрямленное напряжение амплистата АВ (магнитного усилителя). В амплистате осуществляется алгебраическое суммирование и усиление сигналов задания и обратной связи. Сигнал задания, пропорциональный частоте вращения вала дизеля, поступает в обмотку задания 03 амплистата от бесконтактного тахиметрического блока ТБ, питающегося от синхронного подвозбудителя СПВ. Дополнительный сигнал задания поступает в регулировочную обмотку ОР от индуктивного датчика ИД через выпрямительный мост. Сигналы обратной связи по напряжению и току тягового генератора поступают в селективный узел от трансформатора постоянного напряжения ТПН и трансформаторов постоянного тока ТПТ. В селективном узле формируется результирующий сигнал обратной связи, поступающий в обмотку управления ОУ амплистата.
Комплексное противобоксовочное устройство тепловоза обеспечивает получение динамических жестких характеристик генератора, т. е. неизменность его напряжения при боксовании одной или нескольких колесных пар, а также своевременное обнаружение боксования и его прекращения с наименьшими потерями силы тяги тепловоза. Уравнительные соединения ПВ1—ПВЗ предназначены для улучшения противобоксовочных свойств тепловоза и представляют собой полупроводниковые диоды, включенные попарно между обмотками возбуждения тяговых электродвигателей. При боксовании одного из электродвигателей в его обмотку возбуждения поступает дополнительный ток от небоксующего двигателя, что повышает жесткость характеристики буксующего двигателя и стабилизирует режим боксования, не давая ему перерасти в «разносное».
Рисунок 2.2 – Структурная схема электропередачи тепловоза ТЭ10 без системы УСТА:
Д – дизель, Г – генератор, 1–6 – двигатели тяговые, ТПТ – трансформатор постоянного тока, ТПН – трансформатор постоянного напряжения, В – возбудитель, СПВ – синхронный подвозбудитель, ИД – датчик индуктивный, АВ – амплистат, ТБ – тахометрнческий блок, СУ – селективный узел, ТР – трансформатор распределительный, СТ – трансформатор стабилизирующий
Для устойчивости электропередачи в переходных режимах сигнал по напряжению возбудителя через стабилизирующий трансформатор поступает в стабилизирующую обмотку ОС амплистата. Для устойчивости электропередачи с уравнительными соединениями (при боксовании) дополнительно введена отрицательная обратная связь по уравнительному току. Размагничивающая обмотка возбудителя, питающаяся напряжением постоянного тока, служит для аварийного возбуждения возбудителя при выходе из строя элементов системы автоматического регулирования тягового генератора и компенсирует напряжение холостого хода амплистата. Трансформаторы постоянного тока и напряжения, рабочие обмотки амплистата, индуктивный датчик питаются от синхронного подвозбудителя через распределительный трансформатор ТР.
2.2 Характеристика ТЭ10МК
На базе унифицированного мощностного ряда дизелей типа Д49 разработан и производится дизель 16ЧН26/26 в составе дизель-генератора 1А-9ДГ исп.3 для замены выработавших свой моторесурс силовых установок с устаревшими двухтактными дизелями 10Д100 на тепловозах типа ТЭ10.
Рядовая эксплуатация на Северной дороге секций тепловозов типа 2ТЭ10 с дизель-генераторами 1А-9ДГ исп.3 показала (по сравнению тепловозов с дизелями 10Д100) уменьшение эксплуатационного расхода топлива на 15,5% и расхода масла в 1,9…2,8 раза.
Конструкторские разработки, внедренные на дизель-генераторе 1А-9ДГ (исп.3), позволили обеспечить выполнение современных требований по токсичности, дымности выпуска и звуковому давлению, снизить затраты на техническое обслуживание, улучшить экономические показатели, значительно повысить межремонтные сроки.
Срок окупаемости капитально-восстановительного ремонта с установкой дизель-генератора 1А-9ДГ исп.3 составляет не более 5-6 лет.
Таблица 2.1 – Сравнительные технико-экономические характеристики серийных и модернизируемых тепловозов 2ТЭ10
| № | Наименование показания | Тепловоз 2ТЭ10 (с дизелем 10Д100) | Тепловоз 2ТЭ10 (с дизелем 1А-9ДГ исп.3) |
| 1. 1.1 1.2 1.3 1.4 1.5 | Ремонты: ТО-3 ТР-1 ТР-2 ТР-3 КР | 10 тыс.км 100 тыс.км 200 тыс.км 400 тыс.км 1200 тыс.км | 15 тыс.км 150 тыс.км 300 тыс.км 600 тыс.км 1500 тыс.км |
| 2. | Годовой расход масла на 1 секцию | 16,7 тонн | 10.8 тонн |
| 3. | Годовой расход топлива на 1 секцию | 987,5 тонн | 862,8 тонн |
| 4. | Жизненный цикл до до списания | – | 33 года (18+15) |
На модернизированном тепловозе 2ТЭ10 сохраняется передача постоянного тока, с использованием применяемого тягового генератора ГП311 и тяговых электродвигателей ЭД118А. Также сохраняется двухмашинный агрегат А706Б, содержащий в себе возбудитель В-600 и вспомогательный генератор ВГТ275.
Полностью заменяется аппаратура управления и регулирования тяговой электропередачи на унифицированную микропроцессорную систему управления электроприводом (УСТА). При этом из схемы тепловоза исключается до 30 позиций аппаратов, включая синхронный подвозбудитель ВС-652, амплистат возбуждения АВ-3А, трансформаторы постоянного и переменного тока (ТПТ, ТПН. ТР), полупроводниковые блоки типа БВК, тахометрический блок, элементы селективного узла.
В свою очередь, устанавливаемая на тепловозе система УСТА включает в себя блок регулирования и комплект измерительных преобразователей, обеспечивающих все обратные связи для формирования требуемых характеристик тяговой электропередачи тепловоза. Кроме того, система УСТА обеспечивает регулирование напряжения бортовой сети тепловоза и управление контакторами ослабления возбуждения тяговых электродвигателей.
Все характеристики электропередачи тепловозов целиком и полностью определяются программным обеспечением микропроцессорной системы, что позволяет достичь стабильности параметров во времени и соответственно дает возможность сокращения времени на настройку тепловозов на реостатной станции.
Применение системы позволяет улучшить противобоксовочные свойства тепловозов, обеспечить плавное трогание составов большого веса, улучшить режим работы турбокомпрессора за счет плавного нагружения дизеля при уменьшении нагарообразования в выхлопном тракте и таким образом увеличить срок службы турбокомпрессора и дизеля в целом.
Использование в контуре регулирования датчика положения реек топливных насосов высокого давления дает возможность работы дизеля в зоне наибольших КПД, что повышает экономичность работы тепловозов.
Наличие в системе УСТА последовательного канала связи позволяет практически полностью автоматизировать процесс настройки электропередачи тепловозов на реостатной станции и в обкатке с записью результатов на персональный компьютер и возможностью их последующего просмотра в удобной и наглядной форме.
Для обеспечения нормального обслуживания тепловозов с системой УСТА разработан комплект сервисных средств, включающий в себя контрольно-проверочную аппаратуру (КПА УСТА), пульт переносной отладочный и программный пакет «Осциллограф». Наличие в депо обслуживания упомянутых средств позволяет обеспечить оперативное нахождение неисправностей в схеме тепловоза и в аппаратуре УСТА как в условиях депо (КПА), так и в пути следования (пульт переносной отладочный).
В соответствии с техническими условиями на поставку показатели надежности системы УСТА следующие: средняя наработка на отказ 30000 ч при маневровой работе и 1200000 км пробега для магистральных локомотивов; среднее время восстановления – не более 0,5 ч; назначенный срок службы не менее 10 лет.
В настоящее время в эксплуатации находятся более 300 тепловозов, оборудованных системой УСТА. Анализ данных эксплуатации этих тепловозов показывает, что система УСТА позволяет снизить расход топлива до 4% за счет оптимизации режимов работы дизеля и режимов ведения поезда, значительно сократить расходы на обслуживание и ремонт тепловозов в целом, улучшить условия труда локомотивных бригад и обслуживающего персонала депо.
На рисунке 2.3 показана упрощенная структурная схема системы регулирования возбуждения тягового генератора.















