Диплом2 (1224649), страница 4
Текст из файла (страница 4)
После поверхностной мойки, путевой инструмент перемещается на участок разборки, оборудованный верстаками для разборки. Перемещение путевого инструмента по цеху осуществляется на транспортных тележках. Так лее для перемещения тяжелого путевого инструмента в цехе имеется мостовой кран, грузоподъемностью 1 тонна. На участкеп разборки происходит слив рабочей жидкости в специальную емкость. Далее разобранный путевой инструмент поступает на участок ультразвуковой мойки. Мойка осуществляется ультразвуковой моечной машиной ULTRASUONIд серии U.S. изготовленной на базе погружных машин серии Agito, с неподвижной рабочей платформой.
После ультразвуковой мойки детали гидравлического путевого инструмента поступают на участок дефектовки, участок оборудован приборами для выявления дефектов. Продиагностированные детали и инструмент сортируются, инструмент годный к ремонту отправляется на стеллаж с инструментом в ремонт, а остальной на стеллаж с инструментом в утилизацию.
Инструментт пригодный для ремонта, поступает на участок ремонта гидравлического путевого инструмента, участок оборудован верстаками, так же на участке имеется кузнечный цех оборудованный прессом, токарным станком и сварочным аппаратом. После ремонта все составные части путевого гидравлического инструмента поступают на участок сборки, откуда собранный инструмент переходит на участок испытания путевого гидравлического инструмента, оборудованный универсальным стендом для настройки и испытания гидравлического путевого инструмента.
Прошедший проверку инструмент направляется в покрасочную комнату. После покраски инструмент отправляется на склад готовой продукции.
Таким образом создание такого цеха, с правильной последовательностью распределения всех участков, дает возможность повысить производительность и качество выполняемых работ.
3.1. Подбор количества персоналат
Готовой режим работы слесаря-ремонтника рассчитывают по формуле:
(1)
Где Dp – количество дней работы в году;
tсм – продолжительность смены, 8,0 ч;т
kсм – число рабочих смен в сутки (kсм=1)
количество дней работы в году устанавливается из соотношения:
(2)
Где dk – число календарных дней в году, 365 дней;
dm – количество праздничных и выходных дней в году, 114 дней;
Количество требуемого персонала рассчитывается по формуле:
NTP
NПЛ
N= (3)где NTP – требуемое количество часов (18027,14),
Таблица 11. Нормы времени на ремонт гидравлического путевого инструмента
| Наименование | Количество | Нормо-ч. На единицу | Всего в год (н.ч.) |
| Гидравлический разгонщик | 193,9 | 3,16 | 422,08 |
| Гидравлический рихтовщик ГР-12 | 592,2 | 2,35 | 1391,67 |
| Рихтовщик моторный РГУ | 3,5 | 2,02 | 7,07 |
| Путевой домкрат | 988,75 | 2,02 | 1997,28 |
| Итого | 3818,1 |
Количество дней работы в году определяется по формуле (2):
Dp = 365-114 =251 дней
Годовой режим работы слесаря-ремонтника определяется по формуле (1):
NПЛ =251•8•1=2008 часов
Количество требуемого ремонтного персонала определяется по формуле (3):
3818,1
2008
N = ≈ 2 человекаВ результате произведенных вычислений видно, что для ремонта гидравлического путевого инструмента требуется 2 слесаря-ремонтника.
4. Проект универсального стенда для испытания гидравлического путевого инструмента
В связи с тем, что дистанции пути (в дальнейшем ПЧ) имеют малые производственные площади для ремонта и испытания гидравлического путевого инструмента, ставится задача эффективного использования этих площадей, следствием чего является разработка универсального стенда, работа которого была бы аналогична условиям работы инструмента на перегоне. Создание такого стенда позволит освободится от старых вариантов стендов, тем самым создаст условия для расширения рабочих мест по ремонту путевого инструмента.
4.1 Описание стенда.
Стенд относится к контрольно - измерительным устройствам в путевом хозяйстве железных дорог для ревизии табельного гидрофицированного путевого инструмента в условиях дистанции пути перед выходом бригады путейцев на перегон.
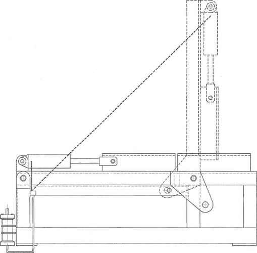
Стенд представляет собой сварную конструкцию коробчатой формы, на которой располагаются элементы стенда (рисунок 19).
Основными элементами стенда являются две рельсовые рубки, одна из которых закреплена неподвижно, а другая установлена свободного перемещения, вдоль общей оси обеих рельсовых рубок. Стенд дополнительно снабжен гидроцилиндром, с односторонним штоком. Шток гидроцилиндра закреплен с подвижной рельсовой рубкой. Также стенд снабжен гидроаккумулятором.
Рама стенда состоит из основания, трех стоек, трех верхних швеллеров, на которых размещены гидроцилиндр и рельсовые рубки.
Верхние швеллера подразделяются на неподвижно закрепленный, на швеллер с возможностью перемещения в вертикальной плоскости и на опорный швеллер. На опорный швеллер опирается подвижный швеллер при испытании разгонщика и рихтовщика.
1 - основание; 2 - насосная установка; 3 - стойки; 4 - гидроцилиндр; 5 подвижная рельсовая рубка; 6 - неподвижная рельсовая рубка; 7 неподвижный швеллер; 8 - подвижный швеллер; 9 - серьга.
Рисунок 19. Стенд для испытания гидравлического инструмента
Подвижная рельсовая рубка перемещается в направляющих. При испытании гидравлического инструмента подвижная рельсовая рубка воздействует на шток гидроцилиндра. Гидроцилиндр, в свою очередь, поршневой полостью сообщается с датчиком давления, по которому и осуществляется контроль за испытанием. При испытании гидравлического разгонщика рельсовые рубки располагаются в горизонтальном положении, одну из которых закрепляют жестко с помощью болтов. Разгонщик устанавливается над стыком и проводится в рабочее положение заклинивающий узел. Работая насосом прибора оператор наращивает распорное усилие до паспортного.
При испытании гидравлических домкратов подвижный швеллер с закрепленными на нем деталями устанавливается в вертикальное положение. Перед этим следует освободить от крепления и убрать рельсовую рубку, расположенную на неподвижном швеллере.
Подвижный швеллер фиксируется в вертикальном положении с помощью серьги с распоркой в виде металлической проушины.
При испытании рихтовщика подвижный швеллер находится в горизонтальном положении.
Каркас стенда сваривается из швеллера №27. Швеллер горячекатанный стальной по ГОСТ 8240-89.
Подвижная часть стенда представляет собой швеллер длиной 1400мм и приваренные к одному концу швеллера две серьги. Конструкция серьги представлена на рисунке 21. Эти серьги необходимы для фиксации швеллера в вертикальном положении при испытании домкратов. Они изготавливаются из листовой стали толщиной 10мм. Конструкция серьги представлена на рисунке 21.
Подвижная рама стенда представлена на рисунке 22.
Диаметры отверстия в швеллерах и серьгах сверлятся под диаметр пальцев. К подвижному швеллеру привариваются два уголка на расстоянии 55мм друг от друга. Они нужны для того, чтобы удерживать рельсовую подвижную рубку при испытании инструмента в нужном направлении. Выше они были отмечены как направляющие. В направляющих перемещается рельсовая рубка длиной 500мм. Она имеет с одной стороны на шейке два отверстия для установки насадки. Насадка служит для упорной гребенки рихтовщика при испытании. Она представлена на рисунке 23.
Все вышеуказанные размеры приняты конструктивно исходя из габаритных размеров путевого гидравлического инструмента, швеллера, рельса Р65. На неподвижной раме стенда, к верхнему швеллеру пальцами крепится рельсовая рубка. При испытании рихтовщика, вместо рельсовой рубки устанавливается упор, для его стопорения при испытании. Упор изображен на рисунке 25. Диаметры отверстий и размеры упора приняты с учетом размеров рихтовщика и его усилий при работе. Соответственно и отверстия в швеллере сверлятся такие же, как и на упоре.
4.2 гидросистема стенда.
Гидросистема стенда служит для возврата штока гидроцилиндра в исходное положение после испытания. Для возврата штока гидроцилиндра в исходное положение используется гидросистема с применением гидроаккумулятора. Гидроаккумулятор предназначен для накопления энергии рабочей жидкости, находящейся под давлением, с целью последующего использования ее в гидроприводе. Основными параметрами гидроаккумуляторов являются номинальное давление и номинальная вместимость.
Гидроаккумуляторы применяются для выполнения следующих функций:
-
Являются вспомогательным источником энергии, накапливая ее в период останова или реверса гидродвигателей, а затем использования энергии в нудный момент;
-
Используются в качестве аварийного источника энергии для торможения груза или машины при обрыве напорного трубопровода;
-
Компенсируют температурные колебания объема и утечки рабочей жидкости (в замкнутых и закрытых гидроприводах);
-
Гасят высокочастотные пульсации давления, возникающие при работе насосов;
-
Амортизируют гидравлические удары, вызванные быстрым переключением гидроаппаратуры или внезапным торможением движущихся масс.
По принципу действия и конструктивной схеме гидроаккумуляторы делятся на грузовые, пружинные и пневмогидравлические. В свою очередь пневмогидравлические бывают без разделения сред или с поршневым разделением сред, мембранные и баллонные. В грузовых аккумуляторах аккумулирование происходит за счет потенциальной энергии груза, а пружинных за счет сжатия пружины, а в пневмогидравлических за счет сжатия газа или воздуха. Пневмогидравлические аккумуляторы без разделения сред по габаритам компактнее, чем аккумуляторы в которых среды разделены, но имеют существенный недостаток, в них происходит насыщение жидкости газом, который ухудшает динамику гидропривода и вызывает кавитацию рабочей жидкости.
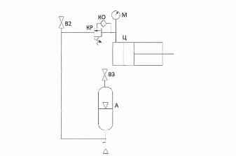
Гидросистема стенда показана на рисунке 26.
Данная гидросистема работает следующим образом. Исходным является положение системы, когда шток гидроцилиндра полностью выдвинут, манометр при этом показывает начальное давление в гидроаккумуляторе. Перед началом испытаний необходимо закрыть регулируемый клапан.
Вентили В1 и В2 необходимы для стравливания воздуха из гидросистемы при заправке; вентиль ВЗ - при заправке гидроаккумулятора газом. Обратный клапан необходим для предотвращения попадания жидкости из аккумулятора в гидроцилиндр при испытании.
В1















