диплом мой (1223579), страница 8
Текст из файла (страница 8)
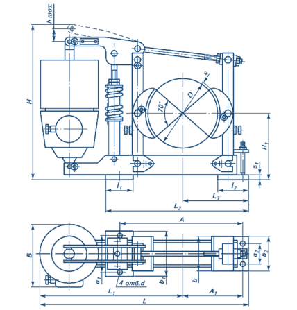
Редуктор выбирается по требуемому передаточному числу, крутящему моменту и количеству оборотов которое необходимо обеспечить для нормальной работы механизма. Выбирается редуктор 1Ц2У-125, Основные технические данные редуктора 1Ц2У-125указаны в таблицах 2.13, 2.14 на рисунке 2.15 приведены основные размеры.
Таблица 2.13 - Технические характеристики редуктора
| Тип редуктора | Номинальный крутящиймоментна выходном валу, | Допускаемая радиаль- ная нагрузка,Н, при ПВ=100 % | Передаточ-ное число | Масса редук- тора, кг | КПД, % | |
| На вход- ном валу | На выход- ном валу | |||||
| 1Ц2У-125 | 630 | 750 | 6300 | 25 | 31,5 | 97 |
Рисунок 2.15. Редуктор 1Ц2У-125
2.1.13.4 Подбор муфты для тихоходного и быстроходного валов по крутящему моменту и диаметру соединяемых валов.
(2.34)
где
- коэффициент, учитывающий степень ответственности механизма.
=1,1;
- номинальный момент двигателя.
(2.35)
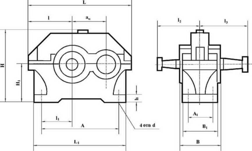
Для быстроходного вала редуктора выбирается муфта типа МУВП-3. Характеристики выбранной муфты приведены в таблице 18, основные размеры представлены на рисунке 16.
Таблица 2.15 - Характеристики муфты типа МУВП-3
| Обозначе- ние муфты | Номин. крут. момент | Ød | ØD | L, max | l, max | Макс. Частота вращения | Макс. угловое смеще- ние | Макс. рад. сме ще- ние, мм | Масса, кг |
| МУВП-3 | 31,5 | 19 | 90 | 85 | 40 | 106 | 1 | 0,2 | 1,4-1,5 |
Рисунок 2.16. Муфта типа МУВП-3
Расчётный момент определяется по формуле:
(2.36)
где
- передаточное число редуктора;
- кпд редуктора.
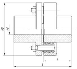
Для тихоходного вала редуктора выбирается муфта типа МЗ. Характеристики и основные размеры выбранной муфты приведены в таблице 2.16
Таблица 2.16 - Характеристики муфты МЗ-6-Н60
| Обозначе- ние | Крутя- щий момент, кгм | Частота вращения, об/мин | Диаметр вала,(d) | Длина обоймы, (l) | Длина муфты, (L) | Масса, кг |
| МЗ-6-Н60 | 1180 | 2500 | 60-100 | 170 | 340 | 81 |
Рисунок 2.17. Муфта типаМЗ-6-Н60
2.1.13.5 Проверка необходимости установки тормоза
Проверяется необходимость установки тормоза для предотвращения самопроизвольного хода ленты с грузом при случайном выключении двигателя.
Для этого вычисляется необходимый тормозной момент
на быстроходном валу привода по формуле:
(2.37)
где
- погонная масса груза на ленте;
- высота подъёма груза;
- угол наклона конвейера;
- диаметр приводного барабана;
- кпд механизма привода;
- передаточное число редуктора.
Так как
следует установить тормоз
Выбирается дисковый тормоз по тормозному моменту
Таблица 2.17 - Характеристики дискового тормоза типаТКГ-160
| Диаметр тормоз- ного шкива, мм | Расчетный тормозной момент, Н·м | Напря жение, В | Потреб- ляемая мощн ость,В·А | Номиналь-ное усилие на штоке толкателя, Н, не менее | Ход штока толкате- ля, мм, не менее | Время наложе- ния колодок, с,не более | Масса тормоза, кг, не более |
| 160 | 100 | 220/380 | 160 | 300 | 32 (50) | 0,2 | 1,5 |
Таблица 2.18 -Габаритные и присоединительные размеры тормозаТКГ-160
| Тип тормоза | Габаритные и присоединительные размеры тормозов типа ТКГ, мм | |||||||||||||||||
| ТКГ-160 | а1 | а2 | b | b1 | b2 | d | hmах | l1 | l2 | s | s1 | |||||||
| 90 | 70 | 120 | 13 | 32 | 30 | 6 | 6 | |||||||||||
| A | А1 | B | D | Н | H1 | L | L1 | L2 | L3 | |||||||||
| 200 | 72 | 202 | 160 | 415 | 144 | 495 | 355 | 263 | 140 | |||||||||
Рисунок 2.18. Колодочный тормоз
2.2 Расчет производительности конвейера после модернизации
Расчет производительности конвейера после модернизации производится по формуле
, (2.38)
где
- площадь поперечного сечения груза;
- скорость движения груза,
;
- насыпная плотность,
;
–коэффициент угла наклона конвейера, так как конвейер наклонный
.
Так как при использовании пятироликовой опоры поперечное сечение груза представляет собой сложную фигуру, необходимо разбить ее на три простые и посчитать площадь каждой отдельно.
Рисунок 2.19. Поперечное сечение груза при использовании гирляндной роликоопоры.
(2.39)
Площадь первой фигуры, представляющей собой равнобедренный треугольник определим по фигуре
, (2.40)
где
- высота треугольника;
– основание треугольника.
Зная длину каждого ролика (
), углы установки роликов (
и 54
, ширину груза на ленте (400 мм) угол естественного откоса в движении (
) определим основание, высоту и площадь данного треугольника.
, (2.41)
м.
, (2.42)
.
отсюда:
м2.
Вторая фигура представляет собой трапецию, площадь которой можно определить по формуле:
(2.43)
где
- нижнее основание трапеции,
, м;
– верхнее основание трапеции;
- высота трапеции.
Зная длину каждого ролика
, углы установки роликов
,
ширину груза на ленте
определим верхнее основание, высоту и площадь данной трапеции.
(2.44)
(2.45)
.
Третья фигура представляет собой также трапецию, площадь которой можно определить по формуле:
, (2.46)
где
- нижнее основание трапеции,
- верхнее основание трапеции,
;
- высота трапеции.
(2.47)
,
Отсюда:
,
2.2.1 Проверка основных параметров конвейера в связи с изменившейся производительностью
Так как увеличилась производительность конвейера, необходимо произвести проверочный расчет параметров конвейера, и, при необходимости изменить основные узлы на более мощные и более производительные.
2.2.1.1 Проверка ширины ленты
(2.48)
где
– коэффициент угла наклона конвейера,
;
- коэффициент типа роликовых опор, для пятироликовой опоры
;
- скорость движения груза,
;
- плотность груза, т/м3,
т/м3.
Из проведенных вычислений следует, что ширина ленты соответствует ленте
2.2.1.2 Проверка поддерживающих и направляющих устройств
Так как лента осталась та же, что и до модернизации, приводной, натяжной, отклоняющий барабаны, а также роликовые опоры холостой ветви и загрузочный лоток изменять нет необходимости.
2.3 Тяговый расчет модернизированного конвейера
2.3.1Определение сопротивления от очистного устройства
Очистное устройство устанавливается в месте схода ленты с приводного барабана и прижимаются к ленте при помощи рычажного груза.
Так как данный груз липкий принимается скребковое очистное устройство. Сопротивление от очистного устройства определяется по формуле:
30´















