диплом мой (1223579), страница 3
Текст из файла (страница 3)
1.3.2 Обзор кинематических схем ленточного конвейера
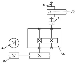
Схемы привода ленточного конвейерf
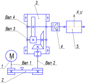
1 - асинхронный электродвигатель серии АИР 132 М4; 2 - клиноременная передача; 3 - одноступенчатый редуктор с цилиндрическими зубчатыми колесами типа ЦУ; 4 - зубчатая муфта типа МЗ; 5 - вал приводного барабанного конвейера.
Рисунок 1.9. Кинематическая схема привода ленточного конвейера
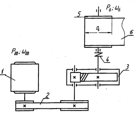
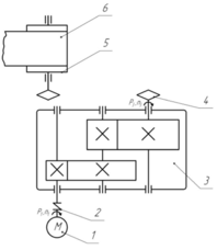
1 – электродвигатель;2 – муфта;3 – редуктор;4 – цепная передача;5 – барабан;6 – лента конвейера
Рисунок 1.10. Кинематическая схема привода конвейера
1 - электродвигатель (мотор); 2 - муфта упругая; 3 - вал быстроходный;
4 - вал-шестерня быстроходной ступени; 5 - корпус редуктора; 6 - подшипниковый узел с глухой крышкой; 7 - зубчатое колесо быстроходной ступени; 8 - вал-шестерня тихоходной ступени; 9 - вал-шестерня промежуточный; 10 - зубчатое колесо тихоходной ступени; 11 - барабан приводной ленточного конвейера; 12 - вал приводного барабана; 13 - опора подшипниковая приводного барабана; 14 - лента конвейера; 15 - муфта упругая;16 - подшипниковый узел со сквозной крышкой с уплотнением; 17 - вал тихоходный.
Рисунок 1.11. Кинематическая схема привода ленточного конвейера
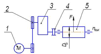
1 – электродвигатель; 2 - зубчатоременная передача; 3 – редуктор; 4 - зубчатая муфта; 5 - приводной барабан.
Рисунок 1.12. Кинематическая схема привода ленточного конвейера
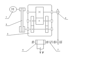
1 – электродвигатель;2 - клиноременная передача;3 – редуктор; 4 – цепная передача;5 – муфта предохранительная; 6– лента конвейера.
Рисунок 1.13. Кинематическая схема привода ленточного конвейера
1 – электродвигатель; 2 – клиноременная передача; 3 – одноступенчатый цилиндрический редуктор; 4 – муфта;5 – приводной барабан; 6 – лента конвейерная.
Рисунок 1.14. Кинематическая схема привода ленточного конвейера
1 - электродвигатель;2 - ременная передача; 3 -двухступенчатый коническо-цилиндрический редуктор;4 - компенсирующая муфта;5 - узел барабана
Рисунок 1.15. Кинематическая схема привода ленточного конвейера
Существенным недостатком рассмотренных компоновок привода является необходимость проведения работ по выверке положения и соединению отдельных элементов (двигателя, редуктора, соединительных муфт, дополнительных передач) при сборке конвейера, в процессе технического обслуживания. Кроме того, основной целью дипломного проектирования является разработка конструкции, позволяющей уменьшить габариты. Однако, классические компоновки, собранные из отдельных элементов привода, обладают значительными габаритными размерами.
1.5 Выбор компоновки привода ленточного конвейера
Компоновка привода в ленточном конвейере может осуществляться несколькими вариантами:
-
Привод представляет собой единый блок, включающий все перечисленные выше узлы, а в некоторых случаях и роликоопоры, поддерживающие ленту (если привод двухбарабанный, то оба барабана соединены между собой между собой зубчатой или цепной передачей и расположены близко друг от друга)
-
Привод, собираемый из отдельных унифицированных узлов-блоков, позволяющих компоновать приводы различной мощности и с жестко связанными приводными барабанами и с независимым приводом каждого барабана, при двухбарабанном приводе -
Привод, имеющий общую длинную жесткую раму, на которой устанавливаются все узлы привода, а также натяжное устройство с достаточно большим ходом настоящего барабана
-
Привод, состоящий из нескольких независимых приводных блоков, установленных каждый на своем фундаменте
-
Привод с применением мотор-барабана (в таком приводе двигатель, обычный или планетарный передаточный механизм, системы охлаждения и электропитания смонтированы внутри барабана
Для данного дипломного проекта в связи с необходимостью уменьшения габаритов, наиболее подходящим является пятый вариант.
Мотор-барабаны – это высокоэффективные приводные механизмы, внутри конструкций которых размещены планетарные или цилиндрические редукторы,
асинхронные электродвигатели, необходимые для приведения в движение транспортной ленты. Данное оборудование успешно используется в тех областях, к оборудованию которых выдвигаются узкоспециализированные требования компактности и общей массы.
Также в качестве привода можно использовать мотор-редуктор.
Мотор редуктор – это механизм, совмещающий в себе функции электродвигателя и редуктора. Он широко применяется во многих областях промышленности, потому что одним из главных его достоинств является высокий коэффициент полезного действия. А также простота в обслуживании, не сложный монтаж и компактность.
Чтобы найти подходящий вариант конструкции привода были изучены патенты, разные варианты мотор-барабанов, мотор-редукторов, подходящие под данную конструкцию конвейера. Были тщательно рассмотрены варианты с применением следующих приводов:
1)Патент №2478848 - Планетарный мотор-редуктор
Изобретение относится к машиностроению и приборостроению, в которых находят применение приводы, конструктивно объединяющие двигатели вращения и редукторы, в частности мотор-редукторы с планетарными зубчатыми передачами (рисунок 16). Планетарный мотор-редуктор состоит из двигателя с ротором (1), который установлен в опорах (2) вращения и имеет внутреннюю цилиндрическую поверхность, и планетарной зубчатой передачи, размещенной внутри ротора двигателя. Водило (5) планетарной зубчатой передачи жестко соединено с ротором (1) посредством муфты (14), расположенной между центральными колесами (12, 15. По крайней мере, часть наружной поверхности муфты (14) выполнена цилиндрической и установлена без зазора относительно внутренней цилиндрической поверхности ротора (1). Опоры (2, 7) вращения ротора (1) служат опорами вращения водила (5). Изобретение позволяет упростить конструкцию за счет совмещения нескольких функций одними конструктивными узлами.
Рисунок 1.16. Планетарный мотор-редуктор
Рисунок 1.17. Планетарный редуктор : вид А-А
2)Патент №2505912 - Орбитальный мотор-редуктор
Изобретение относится к конвейеростроению, а именно к моторам-барабанам ленточных конвейеров. Цель изобретения - упрощение монтажно-демонтажных работ и повышение надежности работы мотора-барабана. Мотор-барабан (рисунок18) содержит вращающуюся обечайку 1 с двумя вваренными в нее буртиками 2, соединенными с торцовыми фланцами 3, а которые запрессованы подшипники 4 и дополнительные подшипники 5. Внутри обечайки 1 расположен мотор-редуктор, представляющий собой выполненные в виде единого блока двигатель 6 и редуктор 7. Мотор-редуктор размещен на лотке 8 с фланцами 9 и 10. Торцовые фланцы 3 обечайки 1 посредством подшипников 4 и 5 установлены на опорных цапфах 11 и. 12. одна из которых (цапфа 11) выполнена полой для размещения токоведущего кабеля 13 для двигателя 6, а другая цапфа 12 соединена с выходным валом 14 редуктора 7 посредством связанных между собой шлицевых втулок 15 и 16. Втулка 15 установлена на выходном валу 14 и на подшипниках 17, размещенных на консольном конце опорной цапфы 12, а втулка 16 зацеплена шлицами с втулкой 15 и жестко закреплена на торцовом фланце 3 обечайки 1. Фланец 9 лотка 8 жестко соединен с полой опорной цапфой 11, а фланец 10 лотка 8 снабжен дополнительной опорной цапфой 18, причем полая 11, дополнительная 18 опорные цапфы выполнены ступенчатыми, на один из ступеней которых установлены дополнительные подшипники 5. Подшипники 4 и 5 удерживаются от осевых перемещений посредством крышек 19 и 20. При этом торцовые фланцы 3 обечайки 1 выполнены с вентиляционными отверстиями, на которых установлены сетчатые фильтрующие элементы.
Рисунок 1.18. Орбитальный мотор - редуктор
Рисунок 1.19: вид А-А, вид Б-Б
Рисунок 1.20.Орбитальный мотор – редуктор, узел ɪ
Мотор-барабан собирается следующим образом. На лоток 8 устанавливается мотор-редуктор серийного производства, после чего лоток 8 вводится во внутреннюю полость обечайки 1 соосно с ее продольной осью, затем монтируются все остальные элементы мотора-барабана. Мотор-барабан работает следующим образом. При подаче электроэнергии по кабелю 13 возникающий крутящий момент на валу через редуктор трансформируясь .воспроизводится на выходном валу 14. Передача крутящего момента от мотор-редуктора к обечайке 1 осуществляется через шлицевую втулку 15, сидящую на выходном валу 14 редуктора, и шлицевую втулку 16, которая болтами присоединена к торцовому фланцу 3, который также болтами закреплен к буртику 2 обечайки 1 и приводит последнюю во вращательное движение, а обечайка 1 мотор-барабана, взаимодействуя с лентой конвейера, приводит ее в поступательное движение. Конструкция предложенного мотор-барабана позволяет разместить на лотке соосно с цапфами 11 и 12 компактный планетарный мотор-редуктор, осуществить центроидную передачу крутящего момента от мотор-редуктора к обечайке 1, полностью разгрузить корпус мотор-редуктора от нагрузок вращающихся масс барабана, что гарантирует надежную и долговечную его работу.
Формула изобретения мотор-барабан, включающий мотор-редуктор, размещенный внутри обечайки с торцовыми фланцами, которые установлены посредством подшипников на опорных цапфах, одна из которых соединена с выходным валом редуктора, а другая выполнена полой для размещения токоведущего кабеля для двигателя, о т л и ч а ю щ и й с я тем, что, с целью упрощения монтажно-демонтажных работ и повышения надежности работы мотор-барабана, он снабжен лотком с фланцами, на котором размещен мотор-редуктор, при этом один фланец жестко соединен с полой опорной цапфой, а другой снабжен дополнительной опорной цапфой, причем полая и дополнительная опорные цапфы выполнены ступенями для дополнительных подшипников торцовых фланцев обечайки, при этом выходной вал редуктора соединен с опорной цапфой посредством зацепленных между собой шлицевых втулок, одна из которых установлена на выходном валу редуктора, а другая жестко закреплена на торцовом фланце обечайки.
3) Патент №2271990-Мотор-барабан шабалина-рекунова
Изобретение относится к грузоподъемным механизмам, в частности к приводам лебедок. Мотор-барабан состоит из двух опор, фланцевого двигателя, планетарного, многопоточного редуктора, размещенного внутри корпуса барабана. Выходящая наружу из редуктора опорная цапфа водила редуктора жестко соединена с первой опорой барабана. Водило снабжено второй опорной цапфой, выходящей внутрь барабана, а корпус редуктора и барабан опираются на обе упомянутые опорные цапфы. При наружном размещении двигателя он своим фланцем прикреплен к фланцу первой опоры барабана и первой опоры водила, а валом через втулочную муфту соединен с солнечной шестерней редуктора, проходящей через эту опору. При внутреннем расположении двигателя он своим фланцем соединен со второй опорной цапфой водила, а валом - через втулочную муфту соединен с солнечной шестерней редуктора, проходящей через эту опору. Изобретение позволяет обеспечить упрощение конструкции, повышение ремонтопригодности и надежности мотор-барабана.
Известна конструкция мотор-барабана, содержащего барабан и встроенных в него редуктора и электродвигателя. Редуктор мотор-барабана замкнутый, состоит из планетарной ступени типа 2K-h, коронное колесо которого неподвижно закреплено в опоре барабана, а водило соединено с корпусом барабана. Сам барабан опирается с одной стороны на цапфу коронного колеса, а с другой - на цапфу корпуса электродвигателя Недостатками такой конструкции являются низкая ремонтопригодность и сложность изготовления мотор-барабана. Предъявляются высокие требования к точности изготовления, параллельности осей валов и соосностиподшипниковыхгнезд как в самом редукторе, так и относительно двигателя с барабаном. Обеспечить предъявляемые требования становится сложнее с увеличением размеров барабана, что неизбежно влияет на качество изготовления. Для обеспечения передачи вращения барабану необходима жесткая окружная фиксация двигателя на раме. Для этого в аналоге имеются конструктивные элементы, соединяющие заднюю часть двигателя с рамой. Это приводит к усложнению конструкции, увеличению трудоемкости ремонта и восприятию корпусом двигателя большого реактивного момента от барабана, для которого он не предусмотрен и не рассчитан. Кроме того, вращение водила с сателлитами передачи является причиной неуравновешенности барабана, что приводит к дисбалансу всей конструкции и дополнительной нагрузке его подшипников. Недостаточный отвод тепла от двигателя через барабан и ленту вызывает перегрев двигателя, падение отдаваемой им мощности и снижение надежности его работы.
Известен также мотор-барабан, состоящий из двух опор, фланцевого двигателя, планетарного, многопоточного редуктора, размещенного внутри корпуса барабана и жестко с ним соединенного, где выходящая наружу из редуктора опорная цапфа жестко соединяется с одной из опор барабана (рисунок 1) Данная конструкция за счет применения редуктора и фланцевого двигателя позволяет производить ремонт агрегатным методом (заменой узлов конструкции целиком), что снижает трудоемкость и временные затраты при ремонте. Кроме того, в представленной конструкции изолированный редуктор упрощает технологию изготовления, так как его размеры значительно меньше самого барабана, а значит и проще механическая обработка. Однако данный мотор-барабан имеет большие осевые габариты, что препятствует размещению привода в стесненном пространстве и ограничивает область его применения. Получение наименьших габаритов возможно только за счет размещения двигателя внутри барабана. В данной конструкции это технически невозможно ввиду необходимой жесткой связи корпуса двигателя с рамой. Необходима доработка задней части двигателя и подшипниковой опоры барабана, что приведет к усложнению конструкции, повышению требований к точности изготовления всего барабана, увеличению трудоемкости ремонта и перегреву двигателя со снижением надежности работы. Иными словами конструкции будут присущи те же недостатки, что и аналогу.
















