диплом мой (1223579), страница 7
Текст из файла (страница 7)
Рисунок 2.10. Эскиз швеллера 22ГОСТ 8240-97
Т
аблица 2.10 - Геометрические размеры швеллера 22
2.1.12.2 Тяговый расчет методом обхода трассы по контуру
2.1.12.2.1 Составление расчетной схемы для тягового расчета
Изображается трасса конвейера с учетом фактического расположения всех элементов (без масштаба). Трасса конвейера разбирается на прямолинейные и криволинейные участки. Начиная с точки сбегания ленты с приводного барабана.
Рисунок 2.11. Трасса конвейера с учетом фактического расположения всех элементов (без масштаба)
2.1.12.3 Определение сопротивлений движению на участках конвейера
На участке 1-2 сопротивление вызвано очистным устройством Wочист. Принимается средние условия работы конвейера, очистноеустройствоскребкового типа:
(2.12)
где
- удельное сопротивление очистки
,
– ширина ленты ,
.
На участке 2-3 сопротивление вызвано прохождением лентой отклоняющего барабана. Возникают сопротивления на криволинейном участке при огибании отклоняющего барабана:
, (2.13)
где
–коэффициент увеличения натяжения тягового органа от сопротивления на поворотном пункте – зависит от угла обхвата лентой барабана.
На участке 3-4 сопротивление вызвано прохождением лентой холостой ветви:
, (2.14)
где
- коэффициент сопротивления движению, зависящий от условий работы и типа роликов (так как условия работы средние, а роликоопоры прямые принимается 0,022;
–погонная масса ленты
;
– длина горизонтальной проекции холостой ветви
;
- погонная масса вращающихся частей роликоопор холостой ветви кг/м.
(2.15)
где
- масса вращающихся частей в одной опоре
;
-количество всех роликоопор холостой ветви
;
- длина холостого участка.
;
- cos угла наклона – косинус угла наклона конвейера
= 0,97;
Wхолост. ветв.= 0,022∙9,81∙(5∙29,73+6,69 ∙30)-5∙9,81∙4=-120,8 Н.
На участке 4-5 сопротивление обусловлено прохождение натяжного барабана и рассчитывается аналогично остальным барабанам:
(2.16)
Сопротивление на участке
обусловлено прохождением ленты загрузочного устройства:
, (2.17)
где
– сопротивление, Н, при сообщении поступающему по воронке грузу ускорения ленты:
(2.18)
– сопротивление от трения груза о неподвижные борта направляющие лотка:
(2.19)
где
– коэффициент внешнего трения,
;
– высота груза в лотке, принимается
;
– насыпная плотность груза, принимаем исходя из исходных данных
- длина лотка,
- коэффициент бокового давления,
;
– сопротивление от трения уплотнительных полос направляющего лотка о ленту конвейера:
(2.20)
На участке
сопротивление вызвано прохождение лентой грузовой ветви:
, (2.21)
где
-коэффициент сопротивления движению, зависящий от условий работы и типа роликов
– погонная нагрузка вращающихся частей роликоопор на груженой ветви:
(2.22)
где
- масса вращающихся частей в одной опоре
;
-количество всех роликоопор рабочей ветви,
;
- длина рабочего участка
.
– погонная масса груза на ленте:
, (2.23)
На участке 6-1 сопротивление обусловлено прохождением лентой приводного барабана и рассчитывается аналогично предыдущим барабанам.
(2.24)
2.1.12.4 Методика тягового расчета
Натяжения в ленте определяются по следующему правилу:
Натяжение в ленте в каждой последующей по ходу ее движения точке трассы равно сумме натяжения в предыдущей точке и сопротивления на участке между этими точками:
(2.25)
Тогда уравнения натяжения в точках будут выглядеть следующим образом:
– пока не известно;
;
;
;
Все уравнения выражаются через S1путем последовательной подстановки:
;
Для решения уравнений, содержащих 2 неизвестных S1 и Sх составляется система уравнений, в котором вторым будет уравнение Эйлера:
(2.26)
где
- тяговый фактор;
– основание натуральных логарифмов;
– коэффициент трения между лентой и поверхностью приводного барабана, принимается
;
– угол обхвата барабана лентой,
(3,54 рад).
Тяговый фактор равен :
Зная
определяется натяжение в каждой точке.
Составляется система уравнений:
Отсюда:
;
;
;
По рассчитанным натяжениям строится тяговая диаграмма- график, показывающий изменение натяжения в ленте.
Рисунок 2.12. Тяговая диаграмма конвейера
Определяется Fокр на приводном барабане:
(2.27)
где
- сопротивление на приводном барабане:
(2.28)
Где
,поскольку угол обхвата барабана лентой 190º.
Отсюда:
Производится проверка на прочность предварительно выбранной ленты
(2.29)
где
- максимальное расчетное натяжение ленты (рабочая нагрузка по основе)
;
- максимально допустимая рабочая нагрузка одной тяговой прокладки каркаса ,
,
- ширина ленты, мм,
Полученное число прокладок
меньше предварительного принятого числа
, окончательное число прокладок принимается
.
2.1.13 Выбор элементов привода конвейера
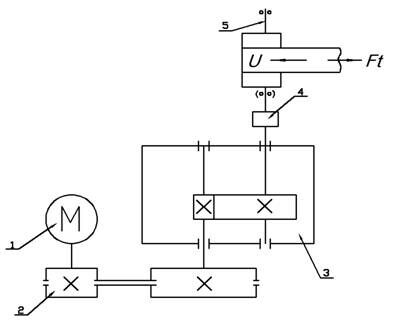
2.1.13.1 Определение варианта сборки привода:
Рисунок 2.13. Кинематическая схема привода конвейера
Данная компоновка будет использована при сборке приводной части как самая оптимальная.
2.1.13.2Определение необходимой мощности привода двигателя:
(2.30)
где
- КПД механизма привода (
);
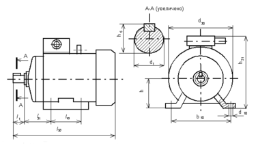
Для привода принимаетсяасинхронный двигатель с короткозамкнутым ротором серии 4А общего назначения основного исполнения, предназначенный для нормальных условий работы в различных отраслях промышленности.По найденной мощности из каталогавыбирается двигатель 4А100L6У3, основные технические данные электродвигателя приведены в таблице 2.11, а в таблице 2.12 приведены основные размеры
| Марка двигателя | Мощность, кВт | Сколь- жение, % | КПД,% | Коэф. мощнос- ти | Ммакс/Mн | Мп/Мн | Ммин/Мн | Iп/Iн |
| 4А100L6 У3 | 2,2 | 5,1 | 81 | 0,73 | 2,2 | 2 | 1,6 | 5,5 |
Таблица 2.11 - Основные технические данные электродвигателя 4А100L6У3 У3
Таблица 2.12 - Габаритно-присоединительные размеры двигателя 4А100L6 У3
| Рисунок 2.14. Двигатель общего назначения трёхфазный асинхронный короткозамкнутый 4А100L6 У3 | 170 | 40 | 90 | 45 | 19 | 7 | 112 | 71 | 21,5 |
2.1.13.3 Подбор редукторав соответствии со схемой сборки
Требуемое передаточное число привода:
(2.31)
где nдв – частота вращения вала двигателя, об/мин (1000 об/мин);
nбар – частота вращения барабана, об/мин.
, (2.32)
где
- диаметр приводного барабана,
Тогда передаточное число равно:
Определяется расчетный крутящий момент на валу приводного барабана:
(2.33)
где
- коэффициент запаса,
.
По условиям:
где
- табличное значение передаточного значения редуктора;
- допустимая для редуктора частота вращения быстроходного вала;
- номинальное значение крутящего момента на тихоходном валу редуктора.
















