!!Руководство по эксплуатации пункта считывания Пальма (1195245)
Текст из файла
УТВЕРЖДЕН КНГМ.466452.001-01 РЭ-ЛУ
ПУНКТ СЧИТЫВАНИЯ
СИСТЕМЫ АВТОМАТИЧЕСКОЙ
ИДЕНТИФИКАЦИИ "ПАЛЬМА"
РУКОВОДСТВО ПО ЭКСПЛУАТАЦИИ
КНГМ.466452.001-01 РЭ
Редакция 1-2002
Москва, 2002 г.
| 1 | СОДЕРЖАНИЕ Перечень сокращений | 3 |
| 2 | Общие положения | 4 |
| 3 | Устройство и работа ПСЧ | 5 |
| 4 | Комплектность аппаратуры ПСЧ | 33 |
| 5 | Подготовка аппаратуры к установке | 34 |
| 6 | Подготовка шкафа НСУ-М к установке аппаратуры | 35 |
| 7 | Установка автоматики пункта считывания | 40 |
| 8 | Монтаж шкафа.НСУ с внешними сетями | 42 |
| 9 | Монтаж аппаратуры | 43 |
| 10 | Подготовка ПСЧ к работе | 46 |
| 11 | Техническое обслуживание | 48 |
| 12 | Возможные неисправности и методы их устранения | 49 |
| Приложение 1 Комплект чертежей 0020.01.000СБ | ||
| "Шкаф НСУ с аппаратурой"(вошёл в комплект поставки | ||
| шкафа НСУ эксплуатирующей организации в 2001г.) | ||
| Приложение 2 Инструкция входного контроля ОСА. . | 54 | |
| Приложение 3 Инструкция входного контроля | 76 | |
| аппаратуры ПСЧ. . . . | ||
| Приложение 4 Перечень дополнительной комплектации | 88 | |
| шкафа НСУ (для формирования шкафа ПСЧ) | ||
| Приложение 5 Рисунки и эскизы к ПСЧ | 91 | |
| Приложение 6 Рисунки и эскизы установки ПЭ-1 | 104 | |
| Приложение 7 Форма отчётности | 106 | |
| Приложение 8 Технические требования по установке и | 107 | |
| монтажу напольной части пункта считывания (ПСЧ) | ||
| Системы "Пальма"(п.п.5,6) | ||
| ЛИСТ РЕГИСТРАЦИИ ИЗМЕНЕНИЙ | 111 |
1 Перечень сокращений
САИ - система автоматической идентификации подвижного состава железнодорожного транспорта
РП - рабочий проект оборудования железной дороги средствами системы САИ
ОСА - облучающая и считывающая аппаратура
НСУ - напольное считывающее устройство
ПСЧ - пункт считывания
КБД-2 - кодовый бортовой датчик
ПС - подвижной состав
ПЭВМ - персональная ЭВМ
ТО - техническое описание и руководство по эксплуатации ПМЖИ.461512.001 ТО
АКУ - антенное контрольное устройство
КОН - канал общего назначения
ПЭ-1 - устройство фиксации колёсных пар
КД - колёсный датчик(ПЭ-1)
КПО - контроллер подсчёта осей колёсных пар (от ПЭ-1)
БПМ - блок питания модема
АВР - автомат включения резерва
СПД - система передачи данных
RS-232 - последовательный асинхронный канал передачи данных
2 Общие положения
-
Пункт считывания КНГМ 466452.001-01(ПСЧ) предназначен,средствами
развёрнутой в нём аппаратуры системы идентификации подвижного
состава(ПС), обеспечивать автоматическую фиксацию параметров
проследовавшего мимо данного ПСЧ железнодорожного состава и передачу их
в концентратор,для автоматической идентификации ПС. -
Настоящая инструкция предназначена в соответствии с техническими
требованиями по установке и монтажу напольной части пункта
считывания(ПСЧ) системы "Пальма" регламентировать требования и условия
необходимые для входного контроля аппаратуры, входящей в состав
комплектации ПСЧ, монтажа ПСЧ этой аппаратурой и его эксплуатации.
Инструкция содержит указания о порядке проведения монтажа ПСЧ,
инструкции по входному контролю составных устройств и в целом аппаратуры
ПСЧ и требования к его эксплуатации. -
Монтаж аппаратуры производится в стандартном шкафу НСУ типа
ШРУМ-М,доукомплектованного в соответствии с Приложением 4 настоящей
инструкции и развёрнутого в соответствии с техническими требованиями по
установке и монтажу напольной части пункта считывания системы "Пальма" и
требованиями РП, утверждённого для данного района эксплуатации С АИ. -
Требования к персоналу
К работе по проведению входного контроля и установке ОСА допускаются лица не моложе 18 лет, имеющие образование не ниже среднего, изучившие настоящую инструкцию и эксплуатационную документацию на составные части аппаратуры по перечню Приложения 4 и имеющие допуск по технике безопасности к работе на электроустановках с напряжением до 1000В.
2.5 Настоящая инструкция предназначена для ввода в эксплуатацию и
эксплуатации ПСЧ, в том числе развёрнутых на базе ШНСУ-М,поставленных
эксплуатирующей организации в 2001г.
3 Устройство и работа ПСЧ
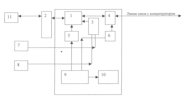
3.1 В состав ПСЧ входят (Рисунок1): облучающая и считывающая аппаратура (ОСА), состоящая из считывателя 1 с устройством фильтрации напряжения первичного электропитания 5 и антенны 2, контроллер подсчёта осей колёсных пар (КПО) 3, холодостойкий модем TGSA 4 с блоком питания б, два устройства фиксации колёсных пар (Э-1) 7,8, двухканальная система сетевого питания 9 и обогреватель ПСЧ 10.
Рисунок 1
Аппаратура ПСЧ представляет двухканальную систему опроса параметров проходящего мимо него подвижного состава (ПС): высокочастотный канал опроса установленных на локомотивах и вагонах ПС датчиков КБД-2, состоящий из антенны 2 , высокочастотного, низкочастотного тракта считывателя и его узла формирования конечной информации от датчика; низкочастотный канал фиксации моментов прохождения колёс состава над ПЭ-1, включающий в себя два устройства фиксации колёсных пар 7,8, КПО, и узла считывателя формирования конечного сообщения о моментах прохождения колёс . При наезде первого колеса состава на ближайший по движению датчик ПЭ-1
В низкочастотном канале формируется импульс длительностью 10-11мсек, по переднему фронту которого в считывателе обнуляется таймер внешних событий, поступающих в считыватель и одновременно включается СВЧ излучение. В датчике КБД-2 (рисунок 2), устанавливаемым, как правило, за 2-ым колесом 1-ой тележки, при попадании его в зону облучения антенны, за счёт части принимаемого излучения его антенной, расположенной на
Рисунок 2
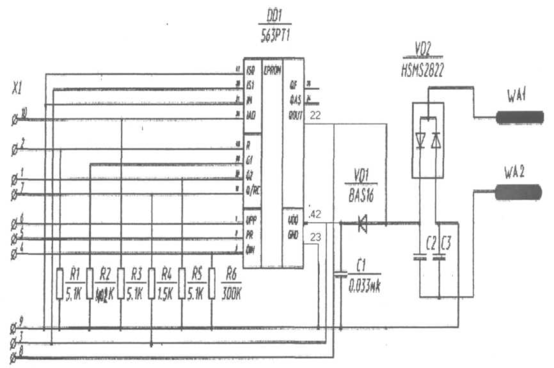
передней плоскости датчика, формируется напряжение питание интегральной микросхемы 563РТ1.Микросхема начинает генерировать код, записанный в её памяти, в виде кодовой последовательности импульсов частотой 20 и 40 кГц. При этом битам информационного кода соответствуют импульсные посылки:
Последовательность "М" представляет собой специальную маркерную последовательность (маркер), обозначающую конец информационной посылки. Маркер занимает в информационном слове два последних бита (126 и 127 считая нумерацию битов с нулевого бита).
Ток через выпрямитель определяется потенциалом вывода 22 DD1. Импульс последовательности на выводе 22 формируется коммутацией вывода 22 на шину питания(вывод 42),при этом выпрямитель работает в режиме холостого хода. При паузе последовательности вывод 22 коммутируется открытым транзистором ИМС на шину "Земля"(клемма 9), формируя режим короткого замыкания выпрямителя. Изменение величины тока нагрузки выпрямителя меняет условие согласования антенны с его входным "волновым" для антенны сопротивлением и в результате меняется величина отражённой ею мощности СВЧ. Таким образом, мощность отраженного сигнала, модулируются в соответствии с информацией, записанной в ПЗУ DD1. Часть генерируемой считывателем мощности СВЧ ответвляется направленным ответвителем в канал гетеродина считывателя (рисунокЗ), в котором на смесителе, выделяется кодовая последовательность датчика, поступающая затем через усилитель низкой частоты в сигнальный процессор. В сигнальном процессоре формируется двоичная последовательность поступившего сообщения датчика. Эта последовательность поступает в центральный процессорный модуль(ЦПМ), в котором формируется в формате протокола обмена сообщение датчика и время его поступления в ЦПМ относительно момента обнуления таймера внешних событий и загружается в буфер обмена. Чтобы исключить переполнение буфера многократным считыванием информации от одного и того же датчика за время его нахождения в зоне облучения, в считывателе устанавливается рабочий режим «сравнение с предыдущим датчиком». Поэтому повторные сообщения, совпадающие с записанным с буфер, игнорируются.
В процессе прохождения колёс локомотива и вагонов через датчики ПЭ-1 по переднему фронту формируемых КПО импульсов в ЦПМ формируется сообщение содержащее номер датчика ПЭ-1 и время поступления импульса от
этого датчика в ЦПМ относительно момента обнуления таймера внешних событий . Это сообщение поступает в собственный буфер обмена. Информацию буферов обмена в последовательности: сообщения о прохождении колёс,а затем сообщения о датчиках КБД-2 Считыватель по запросам концентратора передаёт через интерфейс RS-232C по линии связи модема в концентратор. Концентратор формируется файл первичных сообщений(файл с расширением.bin),который обрабатывается программой распознавания,формирую щей 266 сообщение(см. Приложение 3).
3.2 Работа составных частей ПСЧ
3.2.1 Антенна.
Приёмопередающая антенна Рис.2 предназначена для облучения СВЧ
энергией датчиков, расположенных на объектах идентификации, и приёма
отражённых от этих датчиков СВЧ сигналов.
Основные технические характеристики:
-коэффициент усиления на частоте генерации Ку- не менее 10;
-коэффициент стоячей волны по напряжению Kctv - не более 1,65;
-минимальная наработка на отказ -10000 ч;
-масса, кг -не более 3;
-материал корпуса - металлический;
-способ крепления - болтовой.
В составе антенны предусмотрено контрольное устройство (сборка
А1), содержащее ИМС 563РТ1.В режиме контроля считывателя через
сочленение разъёма XPl c разъёмом АКУ(антенное контрольное устройство)
на считывателе подаётся напряжение питания на ИМС,переводя её в
режим циклической генерации импульсной последовательности тестовой
информации, записанной в ПЗУ микросхемы.
Характеристики
Тип файла документ
Документы такого типа открываются такими программами, как Microsoft Office Word на компьютерах Windows, Apple Pages на компьютерах Mac, Open Office - бесплатная альтернатива на различных платформах, в том числе Linux. Наиболее простым и современным решением будут Google документы, так как открываются онлайн без скачивания прямо в браузере на любой платформе. Существуют российские качественные аналоги, например от Яндекса.
Будьте внимательны на мобильных устройствах, так как там используются упрощённый функционал даже в официальном приложении от Microsoft, поэтому для просмотра скачивайте PDF-версию. А если нужно редактировать файл, то используйте оригинальный файл.
Файлы такого типа обычно разбиты на страницы, а текст может быть форматированным (жирный, курсив, выбор шрифта, таблицы и т.п.), а также в него можно добавлять изображения. Формат идеально подходит для рефератов, докладов и РПЗ курсовых проектов, которые необходимо распечатать. Кстати перед печатью также сохраняйте файл в PDF, так как принтер может начудить со шрифтами.















