!!Руководство по эксплуатации пункта считывания Пальма (1195245), страница 10
Текст из файла (страница 10)
В открывшемся окне параметров программы концентратора установить:
- код станции (6-ти значное число);
в окошко с названием «266 сообщения в» папку с:\ b_up266, куда будут записываться файлы 266 сообщения (с расширением .sdf) и отладочные файлы (с расширением .bin). Ее можно выбрать с помощью клавиши «Пролистать».
-
в окошко с названием «Backup в» папку c:\266\data, куда будут
записываться только файлы 266 сообщения (с расширением .sdf. Ее
также молено выбрать с помощью клавиши «Пролистать». -
указать в окошках интервал сканирования СОМ-портов, к которым
подключены ПСЧ;
Нажать клавишу «ОК», чтобы установить эти параметры, и закрыть окно. Для сохранения установленных параметров войти в меню «File», «Save».
-
Войти в меню «Устройства», «Обновить».
-
Для каждого ПСЧ,подключённого к концентратору последовательно
выполнить следующие операции:
Активизировать строку ПСЧ.
Войти в меню «Устройства», «Текущее устройство», «Контроль системы»,
«Датчики», (рисунок П3.2)
Рисунок П3.2
В открывшемся окне параметров колесных датчиков (КД) установить расстояние между ними,установленного для данного ПСЧ в мм и направление. Если выбирается направление «от первого» и первым приходит импульс от 1-го КД, то направление движения - четное (в 266 сообщении - О), а если первым приходит импульс от 2-го КД, то направление движения - нечетное (в 266 сообщении - 1). Если выбрать направление «от второго», и первым приходит импульс от 2-го КД, то направление движения - четное (в 266 сообщении - 0), а если первым приходит импульс от 1-го КД, то направление движения -нечетное (в 266 сообщении - 1).
Выбор направления должен обеспечивать в 266 сообщении -0 при движении от станции и 1 -при движении к станции)
Рисунок П3.2а Установить адреса ПСЧ но рисунку П3.2а
4.2.6 Войти в меню "Устройства" "Текущее устройство "/'Контроль системы","Изменить адрес".
В случае трёх и более путей присвоение номера делается с учётом чётности пути.
Рисунок ПЗ.З
4.2.7 Войти в меню "Устройства","Обновить". Появится обновлённое рабочее окно программы Рис.П3.4
Рисунок П3.4
4.2.8 В рабочем окне программы, подтягивая мышкой нижний край окна
вверх, открыть информационное окно программы .
4.2.9 Войти в меню «Устройства», «Начать Опрос». Программа начинает
опрос всех ПСЧ.
Чтобы остановить опрос, необходимо нажать на клавишу «Остановить».
Внимание! Нельзя останавливать опрос, если идет обмен информацией хотя бы с одним ПСЧ! Если это произойдет, то программа перестанет работать и ее надо перезапустить.
4.2.10. В процессе опроса следить за сообщениями программы.
Сообщения программы выдаются в окно сообщений, а также записываются в
файл c:\nsuhub\Nsulog.txt, который можно просмотреть в любом текстовом
редакторе.
Внимание! При перезапуске программы содержимое файла
c:\nsuhub\Nsulog.txt удаляется. Поэтому, перед повторным запуском
сохранить этот файл в другой папке.
Сообщения программы записываются в файл в порядке поступления, а в
информационном окне - в обратном порядке (самая верхняя строчка - самое
последнее сообщение).
Формат сообщения:
-Дата (месяц/день/год)
-Время (час:минута:секунда)
-Текст сообщения
-Адрес ПСЧ Тексты сообщений различных типов:
1. Запуск опроса
Опрос начат.
Адрес не указывается.
-
Остановка опроса
Опрос закончен.
Адрес не указывается. -
Прохождение состава
Файл "имя файла". bin -
Ошибка связи с ПСЧ
Ошибка при посылке команды "код команды"
5. Фиксация восстановления питания ОСА сопровождается сообщением
"Сброс питания".
4.2.11 Прохождение состава завершается формированием файлов с расширением .sdf(266 сообщение) и с расширением .bin, сообщение о котором выводится в информационное окно с указанием линии связи ПСЧ, с которого передано сообщение (рисунок .П3.5)
Рисунок .П3.5
4.2.12 Открыть папку c:\266\data и открыть 266 сообщение о прошедшем составе. Сравнить полученные данные с данными натурного листа .
4.3 О результатах проверки сделать отметку в паспортах приборов
.входящих в состав ПСЧ.
4.4 При успешных результатах ПСЧ готов к эксплуатации.
Примечание. В период отработочных испытаний допускается корректировка программы по результатам испытаний.
Приложение 4
Комплектация для пуско-наладочных работ пункта считывания
Таблица 1
| № | Наименование | Обозначение документа на поставку | Кол. | Прим. |
| 1 | 2 | 3 | 4 | 5 |
| 1 | Муфта кабельная-МКМ-2х12 со стрелочным шлангом и основанием | 1 | ПЭ | |
| 2 | АСШ2-220М -реле АВР | 1 | АВР | |
| 3 | Розетка НМШ1 | 1 | ||
| 4 | Разрядник РКН-600 | Черт.60566.00 | 4 | АВР |
| 5 | Выравниватель ВОЦН-220 с колодкой | 3 | АВР | |
| 6 | Предохранитель ПН 10А (с ножевыми контактами) | 4 | АВР | |
| 7 | Выключатель пакетный ПВП-14-2, 40А | 2 | АВР | |
| 8 | Розетка электрическая "Евро" 220 | 1 | БСУ | |
| 9 | Кабель КГ-ХЛ-2х 1,5 | 2x2.5м | ПЭ-1 | |
| 10 | Провод(проводник типа 1); МГШВ 1,0; 170мм | 4 | ШРУМ |
| Продолжение таблицы 1 | ||||
| 1 | 2 | 3 | 4 | 5 |
| 11 | Провод(проводник типа 2); МГШВ 1,0; 170/260мм | 1 | ШРУМ | |
| 12 | Прово д(проводник типа 3); МГШВ 1,0;340/80мм | 1 | ШРУМ | |
| 13 | Провод (проводник типа 4); МГШВ 1,0; 260/310мм | 1 | ШРУМ | |
| 14 | Провод(проводник типа 5); МГШВ 1,0; 490/150мм | 1 | ШРУМ | |
| 15 | Провод(проводник типа 10); МГШВ 1,0; 450мм | 2 | ШРУМ | |
| 16 | Провод (проводник типа 11); МГШВ 1,0; 120/80/80/650мм | 1 | ШРУМ | |
| 17 | Провод(проводник типа 12); МГШВ 1,0; 200мм | 2 | ШРУМ | |
| 18 | Медный наконечник диам.4мм | 3 | ШРУМ | |
| 19 | Медный наконечник диам.бмм | 19 | ШРУМ | |
| 20 | Медный наконечник диам.8мм | 1 | ШРУМ | |
Приложение 5
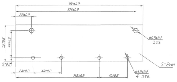
1. * размеры для справок,
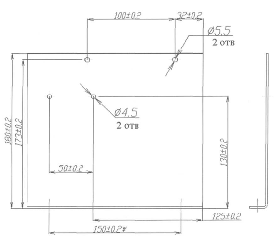
Разметка отверстий основания для установки крепления приборов
Рисунок1
Расположение ввода кабеля ангелы.
Рисунок 3
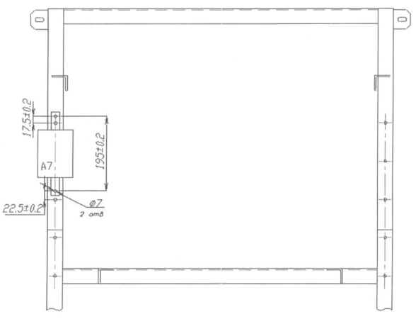
Крепление трансформатора (А7) на стативе (0020.01.200СБ).
Рисунок 4
Пластина для крепления реле.
Рисунок 5
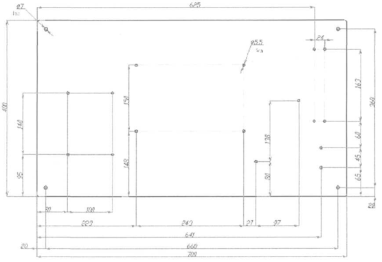
Размещение колодок с зажимами га раме ввода.
Рисунок 6
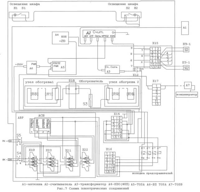
Схема электрических соединений блока АВР.
Рисунок 7а
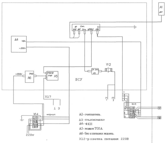
Схема электрических соединений блока СУ.
Рисунок 76
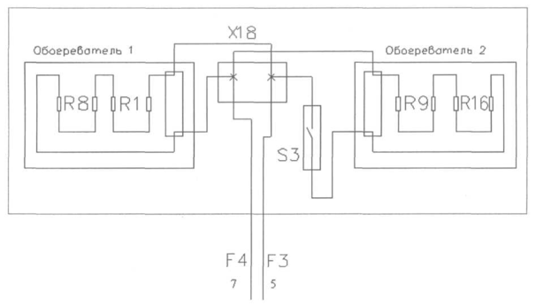
Схема электрических соединений узла обогрева.
Рисунок 7в
Устройство автоматики пункта считывания Рисунок 8
Блок СУ
Рисунок 9
Приложение б













