!!Руководство по эксплуатации пункта считывания Пальма (1195245), страница 9
Текст из файла (страница 9)
Рисунок П2.10
Откройте "Разрешение включения" -окно режимов состояния СВЧ канала Рисунок П2.11
Рисунок П2.11
Установите режим "Разрешено включение СВЧ".Нажмите "ОК".
3.2.12 Выполните п.п.3.2.5 ,3.2.6 войдите в меню"Управление СВЧ"и откройте "Режим включения СВЧ"-окно режимов включения канала СВЧ (рисунок П2.12)
Р
исунок П2.12
Установите режим включения "По внешнему сигналу". Нажмите "ОК" для ввода этого режима работы в Считыватель.
3.2.13 Выполните п.п.3.2.5, 3.2.6, войдите в меню"Буфер датчиков"(рисунок П2.13).
Откройте "Режим сравнения"-окно выбора условия записи данных датчика в буфер Считывателя (рисунок П2.14)
Рисунок П2.13
Рисунок П2.14
Установите режим записи "Есть сравнение по 1 (одному) предыдущим". Нажмите "ОК" для ввода этого режима сравнения в Считыватель.
3.2.14 Выполните п.п.3.2.5, 3.2.6 , войдите в меню "Буфер датчиков "(рисунок П2.13). Откройте "Глубина буфера" - окно выбора количества записи данных датчиков;_вбуфер Считывателя (Рисунок П2.15)
Рисунок П2.15
Установите объём, равный 512 и нажмите "ОК" для ввода этого значения в буфер Считывателя.
3.2.15 Выполните п.п.3.2.5, 3.2.6 , войдите в меню "Буфер" датчиков" (рисунок 2П. 13).
Откройте "Глубина буфера"-окно выбора количества записи данных датчиков в буфер Считывателя (рисунок П2.16).
Установите число подряд совпадающих считываний равное З(трём). Нажмите "ОК" для ввода этого значения в Считыватель.
Рисунок П2.16
3.2.16 Выполните п.п.3.2.5, 3.2.6 , войдите в меню 'Буфер датчиков"(рисунок П2.13). Откройте "Режим работы СП"-окно режимов взаимодействия каналов разложения сигналов датчика с сигнальным процессором. (Рисунок П2.17). Установите активными оба канала "I и"Q."(Приём по каналам I и Q).Нажмите "ОК" для ввода этого режима в Считыватель.
Рисунок П2.17
3.2.17 Выполните п.п.3.2.5, 3.2.6 , войдите в меню' буфер датчиков"(рисунок П2.13).
Откройте "Таймаут забывания" - окно выбора интервала сохранения режима сравнения датчиков при записи в буфер, (рисунок П2.18). Установите значение равное О (нулю-бесконечный интервал). Нажмите "ОК" для ввода этого значения в Считыватель.
Рисунок П2.18
Рисунок П2.19
3.2.18 Выполните п.п.3.2.5, 3.2.6 , войдите в меню Контроль системы и
открыть окно "Самоконтроль"
Убедитесь в соответствии параметров СЧИТЫВАТЕЛЯ ,после проведенной настройки Рисунка.П2.19, требования п.3.2.1.
Примечание. Параметр "Частота сигнала СВЧ" должен соответствовать значению указанному в ПАСПОРТЕ ПМЖИ.461311.001ПС .
3.2.19 Настройка параметров СЧИТЫВАТЕЛЯ завершена. Если по какой
либо позиции не удалось установить требуемый настоящей инструкцией
параметр, необходимо сделать отметку в ПАСПОРТЕ ПМЖИ.461311.001ПС
и обратиться к заводу- изготовителю в установленном порядке.
При соответствии параметров установленным значениям п.2.3.1 перейти к проверке работы каналов общего назначения цепи СЧИТЫВАТЕЛЯ.
3.2.20 Проведите проверку каналов общего назначения по методике,
изложенной в п.п. 3.2.20.1-3.2.20.6.
3.2.20.1 Установите параметры программы концентратора по п.п.4.2.2,
4.2.3. Приложения 3.
-
Сформируйте информационное окно программы мышкой, подтянув
нижний край рабочего окна вверх на примерно 30мм. -
Откройте меню "Устройства и позицию "Начать опрос" (рисунок
П2.20).
Рисунок П2.2С
3.2.20.4 Замыкать-размыкать("чирканьем" клеммой по клемме с частотой
примерно 1 сек.) в количестве 5-10раз поочерёдно пары клемм "8","9" и
"б","7" в жгута разъёма "КОН". Убедиться, что:
-на табло дисплея по первому замыканию считывателя появилось сообщение "Р—»—►-->"(мощность включена).
-на табло дисплея после завершения операции замыкания клемм через 30-50сек появилось сообщение Р. . ."(мощность выключена) и в рабочем окне программы появилось сообщение рисунка П2.21.
3.2.20.5 Открыть в каталоге c:\266\data файл, указанный в
информационном окне программы.Убедиться в соответствии информации
файла действиям п.3.2.20.4.(рисунок П2.22).
3.2.20.6 повторить п.3.2.20.4, поменяв очерёдность замыкания-размыкания
клемм.
Рисунок П2.21
Рисунок П2.22
3.2.21 Поставить тумблер "220В" считывателя в положение "Выкл". Закрыть
программу "nsuhub.exe".
3.2.22 При успешных результатах проверки аппаратура ОСА готова к
дальнейшему применению по назначению.
Приложение 3 Инструкция входного контроля аппаратуры ПСЧ
1 Общие положения
1.1 Инструкция входного контроля предназначена для проверки
аппаратуры ПСЧ на этапах:
-в ОЦВ перед отправкой аппаратуры в адрес эксплуатирующей организации;
-в эксплуатирующей организации после поставки в адрес эксплуатирующей организации;
-в процессе хранения и переконсервации аппаратуры;
-после монтажа в НСУ;
-при проведении регламентных и ремонтных работ с НСУ в процессе эксплуатации.
1.2 Для проведения входного контроля допускается обслуживающий
персонал, аттестованный по мерам безопасности по группе не ниже 2,
соблюдающий правила техники безопасности при работе с
электроустановками до 1000В и изучивший паспорта, Техническое описание и
руководство по эксплуатации ПМЖИ.461512.001ТО , настоящую инструкцию
по входному контролю и программное приложение "nsuhub".
2 Технические средства входного контроля.
-
Для проведения входного контроля требуются следующие технические
средства. -
Концентратор с установленной на нём программным обеспечением
"nsuhub" -
Мультиметр класса 1.5
2.4 Аппаратура ПСЧ в объёме п.З "Комплектность монтажа аппаратуры
ПСЧ" и руководство по эксплуатации КНГМ466452.001-001 РЭ.
3. Входной контроль аппаратуры ПСЧ
3.1 Подготовка аппаратуры к работе.
3.1.1 Перед работой с аппаратурой изучите паспорта на блоки, входящие
в состав ПСЧ ,настоящую инструкцию входного контроля .Проверьте отсутствие в паспорте особых отметок, ограничивающих эксплуатацию.
3.1.2 .Расконсервация аппаратуры.
3.1.2.1 Проведите внешний осмотр упаковок, очистите их от пыли и грязи, в
случае повреждений упаковки или нарушения пломб известите об этом
предприятие-поставщика и дальнейшую расконсервацию проводите только в
присутствии представителя предприятия-поставщика.
3.1.2.2 Вскройте упаковки в присутствии ответственного лица
3.1.2.3. Проверьте комплектность аппаратуры в соответствии с
комплектами поставок, указанных в паспортах.
Проверьте заполнение раздела "Свидетельство о приемке" .
3.1.2.4. Проверьте внешним осмотром техническое состояние приборов, убедитесь в целостности пломб, отсутствии механических повреждений и нарушений покрытий корпусов блоков.
3.1.2.4. Расконсервацию аппаратуры в зимнее время проводите в
отапливаемом помещении, предварительно выдержав в этом помещении
аппаратуру в не распакованном виде в течение не менее 2 часов.
3.1.2.5 Проверьте внешним осмотром техническое состояние жгутов и соединителей, убедитесь в отсутствии механических повреждений и нарушении оболочек жгутов и соединителей. Проведите прозвонку жгутов на соответствие маркировки выводов .
3.1.2.6 В разъёме DВ-9F(концентратор) жгута передачи данных между собственными портами входа/выхода(СОМ1,2)концентратора и модемом TSGB ( разъём DB-25M) отпаять выводы от клемм 1,4,6,7,8,9, изолировав их между собой и от внешних цепей.
При использовании в концентраторе платы расширения выходных портов ввода/вывода информации (СОМ) кабель стыковки платы расширения с модемом доработки не требует.
3.1.2.7. Сделайте записи о проведенной расконсервации в разделе
"Особые отметки" паспорта.,
.Проверьте отсутствие в паспорте особых отметок, ограничивающих эксплуатацию.
4 Техническая проверка ПСЧ
4.1 Входной контроль аппаратуры ПСЧ
-
Входной контроль аппаратуры ПСЧ проводится с ОСА, прошедшей
входной контроль по инструкции входного контроля ОСА Приложение 2 -
Установите на СЧИТЫВАТЕЛЕ и Контроллере переключатель "Сеть" в
положение "Выкл". -
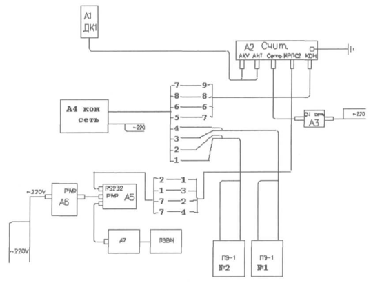
Собрать схему входного контроля аппаратуры ПСЧ Рис.ПЗ.1
-
Подготовить Концентратор к работе(см.п.3.1.2.8 приложения 2).
Включить Концентратор,открыть "WinComander",a затем свернуть его. -
Включить питание 220В. Установить на СЧИТЫВАТЕЛЕ переключатель
"Сеть" в положение "Вкл". -
Убедиться :
-
в прохождении и завершении начального тестирования Считывателя,
-
в загорании индикатора КПО,
-
в загорании индикаторов PW,CD,MR на модемах.
А1 -антенна.
A2-cчитыватель
A3-трансформатор развяэивакщий
А4-ФКП
А5-модем TSGA
Аб-блок питания модема
А7-модем TSGB
ПЭ-1-устройство фиксации колесных пар
ПЭВМ-концентратор
Рисунок ПЗ. 1
4.1.6 Выполните п.п.3.2.4,3.2.5,3.2.6,3.2.7 Приложения 2,запустив
программу "nsuhub",aктивизировав ярлык на рабочем столе ПЭВМ.
При несоответствии параметров тестируемого считывателя требованиям
п.3.2.1 Приложения 2 проведите настройку параметров руководствуясь Приложением 2.
-
Установить параметры программы концентратора по п.п.4.2.2, 4.2.3.
-
С помощью мышки, подтягивая нижний край окна вверх (примерно
на 30мм) откройте информационное окно программы. Войдите в меню
"Устройства" и щёлкните по строке "Начать опрос"
Включится режим опроса Рис.П2.20.
4.1.9 Проимитируйте прохождение ПС, проводя последовательно
металлическим предметом над первой педалью(П1),второй педалью(П2),П1,П2.
Зафиксируйте включение СВЧ по первому сигналу КПО(Ш).
4.1.10Дождитесь отключения СВЧ и появления в окне сообщений записи файла с расширением bin Рис.П2.21.
4.1.11 Откройте WinComander и откройте каталог c:\266\data\.Откройте
файл с расширением bin (кнопка F3),указанный в информационном окне и
убедитесь в наличии последовательности строк
1 2 1 2
4.1.12 При успешных результатах аппаратура ПСЧ прошла входной
контроль и может быть допущена к установке в шкаф ПСЧ.
4.2 Проверка и настройка аппаратуры в составе ШРУМ.
4.2.1 Подготовить концентратор к работе с ПСЧ.
-
Запустить программу "nshub",активизировов ярлык на рабочем столе
концентратора . -
Войти в меню «Устройства», «Свойства».














