!!Руководство по эксплуатации пункта считывания Пальма (1195245), страница 4
Текст из файла (страница 4)
На лицевую панель (рисунок 7) считывателя выведены
четырёхразрядный дисплей с индикаторами вторичных напряжений питания модулей считывателя,корпусная клемма "_/_" ,два предохранителя на 2А. по
цепи 220В и разъёмы внешних соединений.
Рисунок 7 Разъём "КОН ",к которому подключается жгут К16 ПМЖИ.685621.006 для
2РМ22 стыковки с КПО:
Контакты 1-5,10 при эксплуатации не используются.
Разъём связи с последовательным портом "СОМ" ПЭВМ (или модемом
TGSA кабелем К7)по интерфейсу RS-232C "ИРПС2/2РМ14" В считывателях,
выпуска 2000г.используется ИРПС1 в качестве связи по интерфейсу RS232C.
ИРПС2/2РМ14 Кабель К7 2РМ18КПЭ7Г
Для разъёма " ИРПС1" в обозначениях используется индекс "О":
Два разъёма "СОМ 1' и "COM2" при эксплуатации не используются. РП15-9 РП15-9
Соответственно для разъёма "СОМ2"-индекс "1";
Разъм "СЕТЬ" для подключения напряжения питания 220В на считыватель с
2РМ14 с помощью жгута ПМЖИ.685621.039:
В
ключение напряжения питания осуществляется тумблером "Вкл/Выкл."
на передней панели считывателя;
Коаксиальный разъём "АНТ" для подключения коаксиального кабеля антенны и Разъём "АКУ" предназначен для подачи через четырёхжильный антенный кабель напряжения питания З.В на контрольное устройство антенны в режиме тестирования ОСА:
| Цепь | |
| U-E2 | 1 |
| U-E2 | 2 |
| Корпус | 3 |
| Корпус | 4 |
С помощью кнопки "КН" фиксируется выбор режимов тестирования
считывателя и ОСА .
Технические характеристики считывателя:
-масса СЧИТЫВАТЕЛЯ не более 11 кг;
-напряжение сети (220+22) В, (50±0,5) Гц;.
-частота выходного сигнала СЧИТЫВАТЕЛЯ в зависимости от его модификации соответствует одной из указанных в табл.3 с допустимым отклонением ± 24кГц;
-выходная мощность СЧИТЫВАТЕЛЯ (1,8+0,4) Вт.
-чувствительность СЧИТЫВАТЕЛЯ по модулированной составляющей высокочастотного сигнала должна быть по модулю не менее (60+2) dB.
Считыватель сохраняет работоспособность при:
-воздействии случайной вибрации в диапазоне частот 10 - 100 Гц с уровнем спектральной плотности ускорения 0,1 ga/Гц
-при температуре окружающего воздуха в пределах от минус 50 °С до + 60 °С;
-при повышенной влажности 95±3 % и температуре +25 °С.
-Средняя наработка на отказ - не менее 10000 ч.
3.3 Устройство фиксации колёсных пар ПЭ-1
ПЭ-1 предназначено для работы в устройствах отсчёта осей колёсных пар ПС,требующих бесконтактной фиксации прохождения колёсной пары через определённую точку пути. При отсутствии наезда колеса в режиме ожидания ток потребления ПЭ-1 равен 100±30ма. После прохождении колесом ПЭ-1 на расстоянии 12см от центра ПЭ-1 возникает "безтоковый импульс" Его величина составляет 10±2ма. Длительность "бестокового" импульса 4±0.1мс независимо от скорости ПС. ПЭ-1. автоматически адаптируется к наличию посторонних металлических предметов,сохраняет работоспособность при наличии постороннего металла на 70% площади поверхности. Полярность подключения кабеля источника питания к клеммам ПЭ-1 произвольная. Основные технические характеристики ПЭ-1:
-диапазон скоростей ПС-0-200км/час;
-погрешность фиксации центра колёсной пары в диапазоне скоростей 0-100км/час-не более ±15мм;
-расстояние от поверхности катания рельса до верхней поверхности ПЭ-1 -45мм.
-напряжение питания постоянного тока -12-18В;
-рабочий диапазон рабочих температур -60 +55С0.
-масса ПЭ-1 (с гарнитурой)-3,3кг.
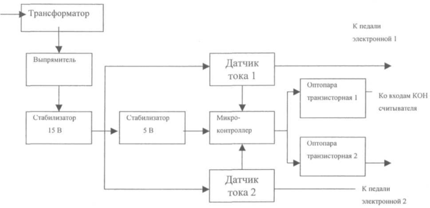
3.4 Контроллер подсчёта осей. Принцип действия КПО Структурная схема прибора приведена на рис.8
Рисунок 8
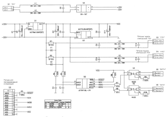
Схема электрическая принципиальная платы контроля КПО представлена рисунке 9.
Трансформатор обеспечивает гальваническую развязку схемы от питающей сети с требуемым значением электрической изоляции и необходимое понижение напряжения на выпрямительV3.Выпрямитель формирует постоянное напряжение +25В для питания схемы устройства контроля ПЭ-1. Это напряжение поступает на стабилизатор D1,формирующий напряжение 15 В, которое подается через датчики тока 1(R1) и 2(R2) на педаль электронную 1 и на педаль электронную 2 соответственно. Кроме того напряжение 15 В через стабилизатор D2 напряжением 5 В питает микроконтроллер D3. Возникающий перепад тока на R1(R2) при наезде колеса на ПЭ1 формирует сигнал, поступающий на входы аналого-цифрового преобразователя микроконтроллера, который программно формирует управляющие сигналы длительностью 11±0,5мс. Управляющие сигналы через оптопары транзисторные 1 (V4) и 2(V5) подаются на входы КОН1 и КОН2 считывателя
Рисунок 9
Программное обеспечение микроконтроллера включает:
-модуль обработки выходных данных двух каналов восьмиразрядного АЦП, работающих с периодом преобразования Тпреобр = 130мкс;
-модуль фильтрации входных импульсов педалей по длительности ( 2,1мс < Тимп < 6,5мс );
-модуль формирования " мертвого" времени ( ЗОмс ) канала АЦП после прохождения импульса педали;
-модуль адаптации к изменениям температуры окружающей среды и параметрам "бестокового" импульса конкретной педали;
-модуль формирования и выдачи управляющих сигналов ( длительностью 11мс ) на входы оптопар;
-модуль выдачи по последовательному программно формируемому каналу стандарта RS-232 параметров входного импульса педали ( момент времени появления переднего фронта импульса, величина верхнего и нижнего уровня сигнала )(В штатном режиме работы ПСЧ не используется).
Прибор конструктивно выполнен в виде законченного блока. Корпус алюминиевый литой, герметизированный пенопреновой прокладкой. Для подключения прибора к питающей сети предусмотрен силовой трехжильный кабель, заканчивающийся наконечниками под винт М4. Для подключения прибора к педалям электронным и считывателю предусмотрен 8-жильный кабель также заканчивающийся наконечниками под винт М4. Герметичность прибора в месте подвода кабелей обеспечивается за счет кабельных вводов с уплотняющими резиновыми прокладками. Внутри корпуса прибора размещены сетевой трансформатор, закрепленный на боковой стенке корпуса, и плата с элементами, закрепленная через радиатор к днищу корпуса.
Для контроля подачи сетевого напряжения на боковой стенке корпуса прибора размещен светодиод в держателе. Заводской номер прибора нанесен на днище корпуса прибора.
Основные технические характеристики КПО:
-диапазон рабочих температур -40 +60 С0;- длительность выходных импульсов 11±0,5мс;
-ток потребления по сети 220В не более 40ма -масса КПО 1,5кг
3.5 Модемы "Телеглобал" TGSx
В комплексе аппаратуры передачи данных над речью "Телеглобал " в составе ПСЧ используется дополнительный канал передачи цифровой информации, образуемый парой модемов: холодностойким ТGSА,устанавливаемым в ПСЧ и TGSB,подключаемым к концентратору. Модемы реализуют двухпроводный
дуплексный канал связи оборудования, работающе го по последовательному асинхронному интерфейсу RS-232.
Модем включает в себя интерфейсный узел RS-232 связи с периферийным устройством,модулятор и демодулятор данных на несущей частоте
и модуль сопряжения с линией передачи сообщений
Эквивалентная схема прямого соединения приведена на рисунке 10
RS232C(2PM18B7III1B1) RS232(DB-25)
Тх-передаваемые данные
Rx-принимаемые данные
RTS-запрос на передачу(готовность модема)
CTS-разрешение передачи
GND-сигнальное заземление
Рисунок 10
Технические характеристики модемов: -скорость передачи данных до 19200 бит/ сек; -напряжение питания 13B,50Гц,(TGSA),= 12B(TGSB); -диапазон рабочих температур -45.. +55C°(TGSA),+5..+35 C°(TGSB). -масса не более 1кг.
3.6 Узлы питания ПСЧ
В ПСЧ применена схема двухканального формирования сетевого напряжения с холодным резервированием подачи напряжения сети на аппаратуру ПСЧ рисунка 7а приложения 5.Каждый канал включает в себя элементы зашиты шин питания от грозовых ударов (разрядники РКН-600 ),выравниватели напряжения ВОЦН-220 и предохранители. Резервирование обеспечивается сетевым реле АСШ-220.Напряжение сети первого канала устанавливает якорь реле в положение, при котором контакты реле подключают шины сетевого напряжения аппаратуры к шинам первого канала. При сбросе напряжения в первом канале реле обесточивается и под действием собственного веса якорь переходит в положение, при котором контакты реле подключают шины сетевого напряжения аппаратуры к шинам второго канала. На шинах сетевого напряжения аппаратуры также установлен общий выравниватель ВОЦН-220 и внутреннее питание ПСЧ также разделено на два канала :
канал питания аппаратуры и канал питания обогревателя и подсветки шкафа. Все шины внутреннего напряжения сети защищены предохранителями. Подключение питания обогревателя осуществляется вилкой через отдельную розетку , обеспечивая подключение одной секции обогревателя по мере необходимости. При этом подключение дополнительной секции обогревателя осуществляется отдельным выключателем. Каждая лампочка освещения шкафа также имеет отдельный выключатель.
4 Комплектация пункта считывания 4.1 Базовая комплектация пункта считывания Таблица 7а
| № п/ п | Наименование | Документ на поставку | Единица измерения | Ко л-во |
| 1 | 2 | 3 | 4 | 5 |
| 1 | Шкаф НСУ | 0020.01.000СБ | шт. | 1 |
| 2 | Аппаратура ОСА | ПМЖИ.461311.001ПС | шт | 1 |
| 3 | КПО | КНГМ.460810.001 ПС | шт | 1 |
| 4 | Модем TGSA (-45...+55 град С) с блоком питания | Паспорт(договор) | шт | 1 |
| 5 | Устройство фильтрации напряжения первичного электропитания (развязывающий трансформатор считывателя) | ЛЕГУ.436228.001ЭТ | шт | 1 |
| 6 | Устройство фиксации колёсных пар ПЭ-1 | Паспорт(изготавливае тся по ЕКТБ 402253.001ТУ) | шт | 2 |
| 7 | Модем TGSB(+5...+35 град.С) | Паспорт(до говор) | шт | 1 |
4.2 Комплектация для пуско-наладочных работ ПСЧ
4.2.1 Дополнительная комплектация для пуско-наладочных работ
модифицированного ШНСУ 0020.01.000 приведена в Приложении 4
(применяется для ШНСУ-М 0020.01.000, развёрнутых на местах эксплуатации
в 2001г.)
4.2.2 Программное обеспечение для входного контроля ОСА и
входного контроля аппаратуры в целом " nsuhub", при этом:
-входящий в комплект поставки модем TGSB(+5..+35C), используется в конечной точке линии передачи информации САИ;















