Материал для подготовки к экзамену по электротехнике (1092854)
Текст из файла
198
Преимущества электрической энергии. Основные электротехнические понятия. Электрический ток. Электрическая цепь. Сила тока. ЭДС. Напряжение. Закон Ома. Работа и мощность в электрической цепи. Закон Джоуля-Ленца.
Ответ: Преимущества электрической энергии.
В настоящее время электрическая энергия – самый распространенный вид энергии и по сравнению с другими видами энергии обладает следующими преимуществами:
1. Электрическая энергия – единственный вид энергии, который можно производить централизованно в больших количествах, что обеспечивает низкую её стоимость;
2. быстро и экономично передается на большие расстояния;
3. легко делится и распределяется между потребителями;
4. легко преобразуется в другие виды энергии, что делает её универсальным энергоносителем;
5. является единственным видом энергии, на использовании которой основана работа телекоммуникационных систем, электронно-вычислительной техники, современных систем управления и автоматики.
6. Потребители электрической энергии отличаются высокой экономичностью и экологической чистотой.
Несмотря на все эти достоинства электрической энергии свойственны и определенные недостатки:
1. Электрическая энергия в промышленном масштабе не может быть запасена впрок в больших количествах;
2. В природе нет естественных источников и запасов электрической энергии, пригодных для практического использования.
3. специфические загрязнения окружающей среды: электромагнитные поля и электромагнитные излучения, действие которых на человека практически не исследованы.
Электрическую энергию в промышленных масштабах получают в основном на тепловых электрических станциях за счет использования энергии первичных источников (уголь, газ, мазут).
1). Электрический ток. Сила тока
Упорядоченное направленное движение свободных электрических зарядов в пространстве под действием силы электрического поля называют электрическим током. Количественной мерой электрического тока является сила тока I [A]. Сила тока в электрической цепи определяется количеством электричества dQ [ Кл ], проходящего через поперечное сечение проводника в единицу времени (с): I = dQ /dt [ Кл/с ], [A]. При измерении количества электричества часто пользуются единицей измерения - Ампер-секунда (Q = 1 Кл = 1 А-с), а при измерении больших количеств – Ампер-час (1А-час = 3600 А-с ).
2). Электрическая цепь
Электрическая цепь – это совокупность соединённых между собой электротехнических устройств, обеспечивающих прохождение электрического тока и предназначенных для производства электрической энергии, а также её передачи, распределения и преобразования в требуемый вид энергии (работу).
Чтобы по электрической цепи протекал электрический ток, эта цепь должна быть «замкнута». «Разрыв» электрической цепи в любом месте, т.е. появление в цепи непроводящего участка, приводит к прекращению электрического тока.
Простейшая электрическая цепь содержит следующие элементы:
1. Источник электрической энергии (генерирующее устройство) - преобразует какой-либо вид первичной энергии в электрическую;
2. Соединительные провода – соединяют зажимы источника электрической энергии и потребителя и служат для передачи электрической энергии;
3. Потребитель электрической энергии - служит для преобразования электрической энергии в требуемый вид энергии, т.е. в работу.
Кроме этих устройств электрическая цепь обычно содержит электроизмерительные приборы, различные сигнальные, регулирующие, коммутирующие, защитные и другие электротехнические устройства.
3.) Электродвижущая сила (ЭДС) и напряжение
При протекании электрического тока по электрической цепи совершается работа (механическая, тепловая и др.), на выполнение которой источник электрической энергии затрачивает некоторую энергию. Количественной мерой этой энергии источника является электродвижущая сила [Е] - ЭДС источника электрической [В] – это его полная энергия, которую он может израсходовать на получение работы, совершаемой при перемещении единицы количества электричества по замкнутому контуру электрической цепи (а - а): E аа = dW аа /dQ [B].
Для характеристики работы, совершаемой источником электрической энергии на некотором участке электрической цепи, используется понятие разность потенциалов или напряжение [U]. Напряжение [U] характеризуется работой, совершаемой источником электрической энергии на некотором участке цепи (c - d): Ucd = dWcd /dQ [B].
4). Закон Ома
закон Ома : I = Y U ,здесь Y [1/ Ом ], [Сименс], [См] – коэффициент пропорциональности, значение которого зависит от свойств и параметров проводника и называется проводимостью.
Для цепи постоянного тока закон Ома записывается в виде формулы: I = U/R , а для цепи переменного тока: I = U/Z , где Z - полное сопротивление электрической цепи переменного тока.
5). Работа и мощность в электрической цепи
При прохождении электрического тока по электрической цепи в ней происходит преобразование электрической энергии в другие виды энергии, т.е. совершается работа [dW] [Дж] или [Н∙м]. Из выражения для напряжения: U = dW /dQ можно записать: dW = U dQ = U I dt [Дж], или : W = U I t [Дж].
Для характеристики скорости энергетического процесса преобразования и обмена электрической энергией в электрических цепях переменного тока используют понятие - полная мощность [S] [ВА]: S = dW /dt = U I .
Скорость процесса преобразования электрической энергии в другие виды энергии – характеризуется понятием - активная мощность Р [Вт]. В случае, когда проводник, по которому течёт электрический ток не перемещается (отсутствует механическая работа) и в проводнике не происходит химических превращений, то вся энергия электрического тока преобразуется во внутреннюю энергию, которая выделяется в виде тепла. В случае такого полного преобразования электрической энергии в тепловую для определения активной мощности используется формула Джоуля-Ленца: P = I2 R [Вт]. По этой же формуле обычно определяют тепловые потери («джоулевы» потери) в различных электротехнических устройствах, машинах, аппаратах и др.
Скорость процесса обмена электрической энергией между электромагнитными полями в электрических цепях переменного тока вводится понятие - реактивная мощность Q=I2X, единица измерения Вольт-Ампер реактивный [ВАр]
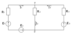
2. Электрическая цепь постоянного тока. Основные элементы и их условно-графические обозначения. Методы расчета цепей постоянного тока (правила Кирхгофа, метод эквивалентных преобразований).
Электрической цепью называют совокупность электротехнических устройств, образующих путь для прохождения электрического тока, электромагнитные процессы в которой могут быть описаны с помощью электрических величин - электродвижущей силы (E), тока (I) и напряжения (U).
Для расчета и анализа режимов работы реальных устройств электрических цепей используют эквивалентные схемы замещения. Чем точнее элементы схемы замещения отражают реальную цепь, тем точнее ее расчет и анализ режимов работы.
Схемы замещения линейных электрических цепей постоянного тока можно составить с помощью двух типов идеальных элементов (Рис.1):
идеального источника Э.Д.С. с параметром Е (Рис.1а) и идеального резистора (сопротивления) с параметром R (Рис.1б).
Электрические провода, соединяющие такие элементы, изображаются на схемах в виде отрезков прямых линий, электрическим сопротивлением этих проводов при анализе и расчете пренебрегают.
Ветвью называют участок цепи вдоль которого протекает один и тот же ток и который состоит из последовательно соединенных элементов.
Узлом называется место соединения трех и более ветвей.
Контуром называется любой замкнутый путь цепи, который можно обойти, двигаясь по ее ветвям.
Расчет и анализ электрических цепей производится с использованием закона Ома, первого и второго законов Кирхгофа.
Закон Ома для участка цепи
Соотношение между током I, напряжением UR и сопротивлением R участка аb электрической цепи выражается законом Ома:
или UR = RI-падение напряжения на резисторе R
При расчете электрических цепей иногда удобнее пользоваться не сопротивлением R, а величиной обратной сопротивлению, т.е. электрической проводимостью:
Закон Ома для всей цепи
Этот закон определяет зависимость между ЭДС Е источника питания с внутренним сопротивлением r0 , током I электрической цепи и общим эквивалентным сопротивлением RЭ = r0 + R всей цепи:
Сложная электрическая цепь содержит, как правило, несколько ветвей, в которые могут быть включены свои источники питания и режим ее работы не может быть описан только законом Ома. Но это можно выполнить на основании первого и второго законов Кирхгофа, являющихся следствием закона сохранения энергии.
Первый закон Кирхгофа
В любом узле электрической цепи алгебраическая сумма токов равна нулю:
,
где m-число ветвей подключенных к узлу.
При записи уравнений по первому закону Кирхгофа токи, направленные к узлу, берут со знаком «плюс», а токи, направленные от узла – со знаком «минус».
Второй закон Кирхгофа
В любом замкнутом контуре электрической цепи алгебраическая сумма ЭДС равна алгебраической сумме падений напряжений на всех его участках:
, где n – число источников ЭДС в контуре; m – число элементов с сопротивлением Rк в контуре;
Uк = RкIк – напряжение или падение напряжения на к-м элементе контура.
Характеристики
Тип файла документ
Документы такого типа открываются такими программами, как Microsoft Office Word на компьютерах Windows, Apple Pages на компьютерах Mac, Open Office - бесплатная альтернатива на различных платформах, в том числе Linux. Наиболее простым и современным решением будут Google документы, так как открываются онлайн без скачивания прямо в браузере на любой платформе. Существуют российские качественные аналоги, например от Яндекса.
Будьте внимательны на мобильных устройствах, так как там используются упрощённый функционал даже в официальном приложении от Microsoft, поэтому для просмотра скачивайте PDF-версию. А если нужно редактировать файл, то используйте оригинальный файл.
Файлы такого типа обычно разбиты на страницы, а текст может быть форматированным (жирный, курсив, выбор шрифта, таблицы и т.п.), а также в него можно добавлять изображения. Формат идеально подходит для рефератов, докладов и РПЗ курсовых проектов, которые необходимо распечатать. Кстати перед печатью также сохраняйте файл в PDF, так как принтер может начудить со шрифтами.
















