Материал для подготовки к экзамену по электротехнике (1092854), страница 8
Текст из файла (страница 8)
14. Преимущества трехфазных систем. Трех- и четырехпроводные системы. Основные определения. Соединение фаз потребителя по схеме «Звезда» и «Треугольник» (схемы и основные соотношения).
В современных системах передачи электрической энергии на дальние расстояния, электроснабжения и распределения электрической энергии применяются трехфазные цепи, которые по сравнению с однофазными имеют значительные преимущества:
-
Меньший расход проводникового материала, меньшая стоимость и более высокая экономичность линии электропередачи при одинаковой мощности и напряжении ЛЭП.
-
Возможность получения двух эксплуатационных напряжений (линейного и фазного) в одной трёхфазной четырёхпроводной системе.
-
Возможность простого получения вращающегося магнитного поля (ВМП), на использовании которого основана работа самых распространённых потребителей электрической энергии - трёхфазных асинхронных и синхронных электродвигателей.
Трёхфазная цепь – представляет собой совокупность трёх однофазных цепей, соединённых в общую электрическую цепь и содержащую: источник трёхфазной системы ЭДС (трёхфазный генератор); трёхфазный потребитель или приемник электрической энергии (нагрузка); соединительные провода (линия электропередачи).
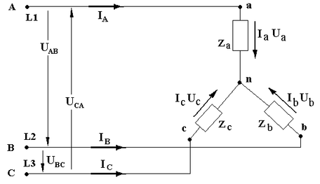
Электрическая схема трёхфазной четырёхпроводной ЛЭП
Здесь: A-N; B-N; C-N – фазы генератора,
а-n; b-n; c-n – фазы потребителя.
Провода, соединяющие начала фаз генератора и потребителя: L 1 (А-а). L 2 (В-b) и L 3 (C-c) – называются линейными проводами (фазы ЛЭП), а токи в них также называются линейными токами IA , IB , IC . На электрических схемах за условное положительное направление линейных токов принято направление от генератора к потребителю.
Провод N, соединяющий нейтральные точки генератора и потребителя N-n – называется нейтральным проводом (нейтралью). Ток в этом проводе называется нейтральным током и направлен от потребителя к генератору, поэтому в соответствии с первым правилом Кирхгофа:
.
Напряжения между линейными проводами (фазами ЛЭП) называются линейными напряжениями UAB ; UBC ; UCA . Условное положительное направление линейных напряжений указано на схеме.
Напряжение между началом и концом фазы потребителя (нейтральной точкой) называется фазным напряжением Uа , Ub , Uc . Ток, протекающий в фазе потребителя, называется фазным током Iа , Ib , Ic . Условное положительное направление фазных напряжений и токов принято от начала к концу фазы.
СПОСОБЫ СОЕДИНЕНИЯ ФАЗ ПОТРЕБИТЕЛЯ И РЕЖИМЫ
РАБОТЫ ТРЁХФАЗНОЙ ЦЕПИ
На практике наиболее часто в трёхфазных цепях встречаются три способа соединения фаз потребителя:
1. Звезда с нейтралью - четырёхпроводная система;2. Звезда (звезда без нейтрали) - трёхпроводная система;3. Треугольник - трёхпроводная система.
Соединение фаз потребителя по схеме «звезда» (трёхпроводная система)
По первому правилу Кирхгофа для вершин звезды (a, b, c) следует, что линейный ток равен фазному: I Л = I Ф , а для нейтральной точки n : IА +IВ +IС = 0 .
По второму правилу Кирхгофа для контуров
.
Трёхпроводная система «звезда» используется только при симметричной нагрузке фаз
, создаваемой трёхфазными потребителями. При этом в каждой фазе цепи протекают равные по величине токи
и сдвинутые по фазе на 1200 , что обеспечивает сохранение симметричной системы фазных напряжений. В этом случае напряжения на фазах потребителя равны по величине
и сдвинуты по фазе на 1200, благодаря чему обеспечивается номинальный режим работы всех трёх фаз потребителя.
В трёхпроводной системе «звезда» при симметричной нагрузке фаз между линейными и фазными напряжениями существует простое количественное соотношение: U Л
U Ф или U Ф = U Л /
.
Соединение фаз потребителя по схеме «звезда с нейтралью» (четырёхпроводная система) I Л = I Ф , n : IА +IВ +IС = In
.
В случае симметричной нагрузки
в каждой фазе цепи протекают равные по величине токи
и сдвинутые по фазе на 1200, т.е. возникает симметричная система фазных токов. При этом IА +IВ +IС = In = 0 - ток в нейтральном проводе отсутствует, и подключение или отключение нейтрали не влияет на режим работы трёхфазной цепи. Поэтому использование четырёхпроводной системы в случае симметричной нагрузки фаз практически нецелесообразно.
В случае несимметричной нагрузки (при подключении однофазных приёмников в трёхфазную сеть)
вследствие различия фазных сопротивлений токи в фазах потребителя будут различны и в нейтральном проводе будет протекать ток IА +IВ +IС = In > 0 . При этом в четырёхпроводной цепи «звезда с нейтралью», несмотря на несимметричную нагрузку, сохраняется симметричная система фазных напряжений:
, благодаря чему обеспечивается нормальная работа всех трёх фаз.
Нейтральный провод N-n в четырёхпроводной системе «звезда с нейтралью» служит для выравнивания фазных напряжений при несимметричной нагрузке фаз и обеспечения нормальной работы однофазных приемников.
В четырёхпроводной системе «звезда с нейтралью» при любой нагрузке фаз сохраняется соотношение между линейными и фазными напряжениями:
U Л
U Ф или U Ф = U Л /
.
Четырёхпроводная система «звезда с нейтралью» используется, когда возможно возникновение несимметричной нагрузки при подключении в трёхфазную сеть однофазных приемников, например, в осветительных сетях, в которых нагрузка на фазы отличается крайней неравномерностью.
Соединение фаз потребителя по схеме «треугольник» (трёхпроводная система)
Рассмотрим соотношения между линейными и фазными токами и напряжениями в трёхпроводной системе «треугольник» для различных режимов.
UЛ = U Ф.
и сдвинуты по фазе на 1200 .
Соотношение между линейными и фазными токами можно найти по первому правилу Кирхгофа для вершин треугольника (а, в, с):
Из этих уравнений также следует, что
.
В случае симметричной нагрузки
в каждой фазе нагрузки протекают равные по величине токи
и сдвинутые по фазе на 1200, т.е. возникает симметричная система фазных токов, что приводит к появлению симметричной системы линейных токов:
.
При симметричной нагрузке в соединении треугольник между линейными и фазными токами существует простое количественное соотношение: Л
I Ф или I ф = I Л /
.
В случае несимметричной нагрузки
вследствие различия фазных сопротивлений токи в фазах потребителя будут различны и также будут различны линейные токи, что может приводить к сильной токовой перегрузке в отдельных линиях питающей сети.
При соединении фаз потребителя в треугольник при любой нагрузке система линейных и фазных напряжений сохраняется симметричной:UЛ = U Ф ,
.
При этом напряжения на фазах всегда остаются одинаковыми и соответствуют номинальному значению потребителя, поэтому режим работы фазных потребителей по напряжению не нарушается при любом характере нагрузки.
15. Трехфазные цепи. Основные определения. Соединение фаз потребителя по схеме «Звезда» (основные определения и соотношения). Нейтральный провод. Мощность в трехфазной цепи.
Трёхфазная цепь – представляет собой совокупность трёх однофазных цепей, соединённых в общую электрическую цепь и содержащую: источник трёхфазной системы ЭДС (трёхфазный генератор); трёхфазный потребитель или приемник электрической энергии (нагрузка); соединительные провода (линия электропередачи).
Электрическая схема трёхфазной четырёхпроводной ЛЭП
Здесь: A-N; B-N; C-N – фазы генератора,
а-n; b-n; c-n – фазы потребителя.
Провода, соединяющие начала фаз генератора и потребителя: L 1 (А-а). L 2 (В-b) и L 3 (C-c) – называются линейными проводами (фазы ЛЭП), а токи в них также называются линейными токами IA , IB , IC . На электрических схемах за условное положительное направление линейных токов принято направление от генератора к потребителю.
Провод N, соединяющий нейтральные точки генератора и потребителя N-n – называется нейтральным проводом (нейтралью). Ток в этом проводе называется нейтральным током и направлен от потребителя к генератору, поэтому в соответствии с первым правилом Кирхгофа:
.
Напряжения между линейными проводами (фазами ЛЭП) называются линейными напряжениями UAB ; UBC ; UCA . Условное положительное направление линейных напряжений указано на схеме.
Напряжение между началом и концом фазы потребителя (нейтральной точкой) называется фазным напряжением Uа , Ub , Uc . Ток, протекающий в фазе потребителя, называется фазным током Iа , Ib , Ic . Условное положительное направление фазных напряжений и токов принято от начала к концу фазы.
СПОСОБЫ СОЕДИНЕНИЯ ФАЗ ПОТРЕБИТЕЛЯ И РЕЖИМЫ
РАБОТЫ ТРЁХФАЗНОЙ ЦЕПИ
На практике наиболее часто в трёхфазных цепях встречаются три способа соединения фаз потребителя:
1. Звезда с нейтралью - четырёхпроводная система;2. Звезда (звезда без нейтрали) - трёхпроводная система;3. Треугольник - трёхпроводная система.
Соединение фаз потребителя по схеме «звезда» (трёхпроводная система)
















