Материал для подготовки к экзамену по электротехнике (1092854), страница 10
Текст из файла (страница 10)
Измерение активной мощности трёхфазной цепи
Активная мощность в цепи переменного тока P = I U cos φ измеряется с помощью электродинамического ваттметра, измерительный механизм которого состоит из двух катушек, одна из которых может вращаться.
Обмотка неподвижной катушки – последовательная или токовая обмотка – обладает малым сопротивлением и включается в измеряемую цепь последовательно, а обмотка подвижной катушки - обмотка напряжения - имеет большое сопротивление и включается параллельно на зажимы нагрузки (потребителя). где k - конструкционный коэффициент, I - ток в последовательной обмотке ваттметра.
При включении ваттметра в цепь следует обращать внимание на правильное подключение обмоток ваттметра, начала которых ( генераторные зажимы) обозначаются звёздочками (* ). Оба генераторных зажима должны быть присоединены к одному и тому же проводу со стороны источника электрической энергии (генератора).
Для измерения активной мощности трёхфазной цепи часто используется однофазный ваттметр активной мощности, включаемый по различным схемам.
-
Измерение активной мощности методом одного ваттметра
Метод одного ваттметра применяется в трёхфазных цепях только при симметричной нагрузке фаз. При симметричной нагрузке мощность, потребляемая каждой из трёх фаз, одинакова, поэтому достаточно измерить мощность одной фазы и, умножив результат измерения на число фаз, получить мощность трёхфазной цепи:
.
Следовательно, для измерения мощности при симметричной нагрузке достаточно одного ваттметра, токовая обмотка которого включается последовательно с фазной нагрузкой, а обмотка напряжения – включается на фазное напряжение.
Если нейтральная точка нагрузки недоступна, то измерение фазной мощности в соединении звезда выполняют по схеме с искусственной нейтральной точкой, созданной соединёнными в звезду обмоткой напряжения ваттметра Z V и двух равных ей по сопротивлению добавочных резисторов Z 2 и Z 3 :
.
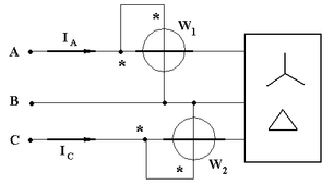
2. Измерение активной мощности методом двух ваттметров
Этот метод применяется для измерения мощности в трёхфазных трёхпроводных цепях (звезда без нейтрали и тр-к)при любой нагрузке и может быть использован в четырёхпроводной системе при симметричной нагрузке, когда ток в нейтрали отсутствует I n=0
Рассмотрим вывод формулы при соединении нагрузки в звезду.
В общем случае для мощности трёхфазной цепи можно записать:
.
Это уравнение можно переписать в виде суммы скалярных произведений:
Поскольку в соединении звезда линейный ток равен фазному: I Л = I Ф , то можно записать:
.
В случае трёхпроводной системы:
, откуда можно получить выражение для линейного тока, например, в фазе «B»:
.
Тогда выражение для мощности трёхфазной цепи можно записать в следующем виде:
здесь
и
- линейные напряжения.
В этом случае для мощности трёхфазной цепи можно записать:
Здесь угол
- угол сдвига фаз между линейными током
и напряжением
, угол
- угол сдвига фаз между
и
.
В соответствии с полученным уравнением в трёхфазную трёхпроводную цепь можно включить два однофазных ваттметра так, чтобы один был включен на линейные ток
и напряжение
, а второй – на линейные ток
и линейное напряжение
.
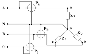
3. Измерение активной мощности методом трёх ваттметров
Метод трёх ваттметров применяется для измерения мощности трёхфазной цепи при несимметричной нагрузке в четырёхпроводной системе (иногда применяется и в
трёхпроводной). Каждый из ваттметров включается в одну из фаз и измеряет мощность этой фазы, а сумма показаний всех трёх ваттметров равна активной мощности трёхфазной цепи:
.
4. Измерение активной мощности с помощью трёхфазного ваттметра
В четырёхпроводной цепи для измерения активной мощности при несимметричной нагрузке используется трёхэлементный трёхфазный ваттметр, включённый по схеме трёх ваттметров. Измерительный механизм трёхэлементного ваттметра состоит из трёх неподвижных и трёх подвижных катушек, укреплённых на одной оси с указательной стрелкой. В этом случае отсчёт показаний производится по одной шкале, что значительно облегчает работу с трёхфазным ваттметром.
В трёхпроводной цепи для измерения активной мощности обычно используется двухэлементный трёхфазный ваттметр, включённый по схеме двух ваттметров. Измерительный механизм двухэлементного ваттметра состоит из двух неподвижных и двух подвижных катушек, укреплённых на одной оси с указательной стрелкой, поэтому отсчёт показаний производится по одной шкале. Измерение мощности с помощью двухэлементного ваттметра (как и методом двух ваттметров) может производиться при любой нагрузке в трёхпроводной системе, а также в четырёхпроводной системе (звезда с нейтралью) при симметричной нагрузке.
Измерение реактивной мощности трёхфазной цепи
1. Измерение реактивной мощности методом одного ваттметра
Для измерении реактивной мощности трёхфазной цепи при симметричной нагрузке можно использовать обычный однофазный «косинусный» ваттметр, включенный по так называемой «синусной схеме» : токовая обмотка ваттметра включается в одну из линий (например, фаза А), а обмотка напряжения – на две другие линии (фазы В и С).
Как видно из схемы, показание ваттметра равно:
.
Из векторной диаграммы для симметричной нагрузки следует:
, откуда
.
Тогда показание ваттметра:
.
Отсюда следует, что реактивная мощность трёхфазной цепи равна показанию ваттметра, умноженному на
:
.
2. Измерение реактивной мощности методом двух и трёх ваттметров
Для измерения реактивной мощности трёхфазной цепи при несимметричной нагрузке, но при сохранении симметричной системы напряжений также применяют обычные однофазные «косинусные» ваттметры, включаемые в трёхфазную цепь по специальным «синусным» схемам с использованием двух или трёх приборов.
Кроме того, измерение реактивной мощности в трёхфазных цепях, как и в однофазных цепях переменного тока, может производиться с помощью электродинамического реактивного «синусного» ваттметра, который называется варметром.
В отличие от ваттметра в варметре за счёт использования специальных схем включения обмоток вращающий момент и угол отклонения указателя α (показание прибора) пропорциональны произведению действующих значений токов в обмотках катушек и синусу угла сдвига фаз φ: α = k I U sin φ, т.е. измеряемой реактивной мощности Q = I U sin φ.
18. Экономия и рациональное использование электрической энергии. Передача электрической энергии и потери мощности в ЛЭП. Цель трансформации напряжения. Экономическое значение коэффициента использования мощности cos φ.
Передача электрической энергии и потери мощности в ЛЭП
Практически вся электрическая энергия, вырабатываемая генераторами мощных электростанций, передаётся по линиям электропередачи (ЛЭП) потребителям, находящимся в большинстве случаев достаточно далеко – за сотни и тысячи километров - от места централизованного производства электрической энергии.
При производстве электрической энергии и передаче ее потребителю неизбежно возникают тепловые потери электрической энергии, пропорциональные квадрату силы тока (так называемые «джоулевы потери» р = I 2 R ). Поэтому и при производстве электрической энергии, и при передаче ее дальние расстояния большое экономическое значение имеет величина тока в ЛЭП, от которой зависят сечение проводов, расход материалов и стоимость ЛЭП, её экономичность и другие технико-экономические показатели. В современных ЛЭП потери мощности достаточно велики и составляют около 7 – 10 % от передаваемой мощности, поэтому вопросы снижения этих потерь и повышения КПД линий электропередачи имеют большое экономическое значение.
Экономичность ЛЭП определяется, в основном, тепловыми (джоулевыми) потерями, которые для трёхфазной ЛЭП можно определить по формуле: р = 3 IЛ2 R ,
здесь R – сопротивление фазы ЛЭП, I Л - сила тока в линии (фазе) ЛЭП (линейный ток).
Из формулы активной мощности трехфазной цепи (трёхфазного потребителя): P =
UЛ IЛ сos следует, что сила тока в фазе трёхфазной ЛЭП, обратно пропорциональна линейному напряжению и коэффициенту мощности потребителя сos :
. Тогда для тепловых потерь мощности в трехфазной ЛЭП можно записать
. Отсюда следует, что при одинаковой передаваемой мощности (мощность потребителя Р = const ):
1. Тепловые потери в ЛЭП обратно пропорциональны квадрату линейного напряжения;
2. Тепловые потери в ЛЭП обратно пропорциональны квадрату коэффициента мощности потребителя сos
Поэтому при передаче электроэнергии от электростанции к потребителю с целью снижения тепловых потерь в ЛЭП и повышения ее технико-экономических показателей необходимо:
1. Передачу электрической энергии осуществлять при возможно более высоком технико-экономически обоснованном напряжении (обычно 500– 750 кВ). С этой целью производитель (поставщик) электрической энергии устанавливает в начале ЛЭП повышающие трансформаторы.
2. Повышать коэффициент мощности потребителей электрической энергии, т. е. повышать качество использования электрической энергии потребителем.
Коэффициент мощности электроустановок и его экономическое значение
Коэффициент мощности cos φ – качество использования электрической энергии.
Таким образом, коэффициент мощности является важным экономическим показателем, который определяет степень преобразования электрической энергии в работу (в другие виды энергии) и характеризует качество использования получаемой потребителем электрической энергии.
Повышение коэффициента мощности промышленных потребителей электрической энергии и снижение получаемой ими реактивной мощности, имеет огромное экономическое значение и является частью общей проблемы рационального и экономного расходования электрической энергии.
В случае более низкого коэффициента мощности на предприятиях с целью снижения дополнительных финансовых расходов возможно выполнение ряда комплексных мероприятий, направленных на повышение коэффициента мощности:
1.Мероприятия по снижению реактивной мощности потребителей за счет оптимизации режима работы электрооборудования (прямой или естественный способ повышения коэффициента мощности).
















