Материал для подготовки к экзамену по электротехнике (1092854), страница 25
Текст из файла (страница 25)
По способам преобразования переменного тока различают одно- и двухполупериодные выпрямители.
ОДНОПОЛУПЕРИОДНЫЕ ОДНОФАЗНЫЕ ВЫПРЯМИТЕЛИ
Схема простейшего однополупериодного выпрямителя (рис. 18) содержит трансформатор Тр, первичная обмотка которого включена в сеть переменного (синусоидального) тока на напряжение u1 , а ко вторичной обмотке на выходное напряжение трансформатора u2 последовательно подключены диод VD и резистивная нагрузка RH .
В течение первого условно положительного полупериода (на верхнем зажиме вторичной обмотки трансформатора потенциал положителен (рис. 18, а ) диод включён в прямом направлении – «диод открыт». В этом случае по цепи с нагрузкой R Н протекает ток i Н = i 2 . Поскольку сопротивление диода практически равно нулю, то ток в цепи определяется практически только сопротивлением нагрузки:
i 2 = i Н = u 2 / (R ПР + R Н ) = u 2 / R Н .
При этом напряжение на нагрузке практически равно выходному напряжению трансформатора:
u Н = i 2 R Н = u 2 .
Рис. 18. Схема и осциллограммы однополупериодного однофазного выпрямителя
В течение второго условно отрицательного полупериода (на верхнем зажиме вторичной обмотки трансформатора потенциал отрицателен (рис. 18, б) диод включён в обратном направлении – «диод закрыт», поэтому ток в цепи отсутствует i 2 = i Н = 0 .
В этом случае напряжение на нагрузке также равно нулю u Н = i 2 R Н = 0 и всё выходное напряжение трансформатора u2 оказывается приложенным к диоду u 2 = u Н + u Д = u Д и на зажимам диода возникает максимальное обратное напряжение.
Выпрямленное напряжение и ток в нагрузке уже не являются синусоидальными, а имеют вид повторяющихся импульсов одной полярности, разделенных паузами. Напряжение (ток) несинусоидальной формы можно представить как сумму некоторого постоянного напряжения (постоянная составляющая) и синусоидальных напряжений с частотами ω , 2ω , Зω и т. д. Такая сумма называется рядом и может содержать несколько слагаемых. Первое слагаемое этого ряда - постоянная составляющая или средневыпрямленное напряжение за период UCВ , а все последующие члены - переменные составляющие или гармоники. В частности, второе слагаемое называется напряжением основной (первой) гармоники U1Г с частотой, равной частоте сети ω, остальные члены ряда - гармоники более высокого порядка с частотами, кратными основной частоте.
Средневыпрямленное напряжение (постоянная составляющая выпрямленного напряжения) в случае однополупериодного выпрямления равна:
UCВ = 0,32 U2 МАХ = 0,45 U2 .
Коэффициент пульсаций выпрямленного напряжения КП равен отношению амплитуды первой (основной) гармоники к среднему значению выпрямленного напряжения в случае однополупериодного выпрямления оказывается очень высоким:
КП = U1Г / UCВ = 1,57 .
Благодаря простоте устройства однофазные однополупериодные выпрямители часто применяются в качестве блоков питания в радио- и телевизионной технике, в выпрямительных цепях измерительных приборов и др.
ДВУХПОЛУПЕРИОДНЫЕ ОДНОФАЗНЫЕ ВЫПРЯМИТЕЛИ
Известны два варианта схем двухполупериодного однофазного выпрямителя:
-
1. Схема с выводом от среднего витка (средней точки) вторичной обмотки трансформатора;
2. Мостовая схема.
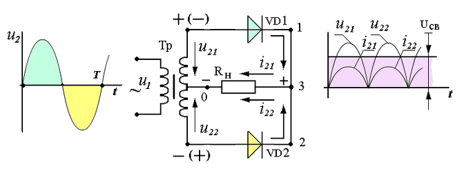
1. Двухполупериодный однофазный выпрямитель с выводом от среднего витка вторичной обмотки трансформатора состоит из трансформатора Тр, двух диодов VD1 и VD2 и нагрузки R H (рис. 18 ). Аноды диодов присоединены к концам вторичной обмотки трансформатора (точки 1 и 2 ), а катоды - к общему узлу 3 . Нагрузка включена между средним витком обмотки трансформатора 0 и узлом 3 .
Рис. 18. Схема и осциллограммы двухполупериодного однофазного выпрямителя
с выводом от среднего витка вторичной обмотки трансформатора
По своей схеме такой двухполупериодный выпрямитель эквивалентен двум однополупериодным выпрямителям, работающим на общую нагрузку со сдвигом на полпериода, поэтому напряжение и ток в нагрузке состоят из положительных синусоидальных полуволн без пауз ( « + » со стороны катодов, точка 3 ).
При включении сетевого напряжения u 1 на первой и второй половинах вторичной обмотки трансформатора возникают напряжения u 21 и u 22 . В первый полупериод потенциал точки 1 является положительным, а потенциал точки 2 является отрицательным относительно вывода средней точки 0 . В этом случае диод VD2 закрыт, а диод VD1 открыт и под действием наведённого в первой половине вторичной обмотки трансформатора напряжения u 21 в цепи возникает ток i 21 , который проходит через диод VD1 , нагрузку R Н и первую половину вторичной обмотки трансформатора. В следующий полупериод полярность на концах вторичной обмотки трансформатора меняется на обратную: диод VD1 закрывается, а диод VD2 открывается. Под действием наведённого во второй половине вторичной обмотки трансформатора напряжения u22 в цепи возникает ток i 22 , который проходит через диод VD2 , нагрузку R Н и замыкается через вторую половину вторичной обмотки. Таким образом, каждые полпериода через нагрузку RH поочередно, проходят в одном и том же направлении токи i 21 и i 22 , поэтому ток в нагрузке равен их сумме: i н = i 21 + i 22 .
Поскольку практически всегда и первая и вторая половины (ветви или плечи) выпрямителя выполняются одинаковыми, т. е. являются симметричными, то и токи в ветвях выпрямителя также будут одинаковыми i 21 = i 22 .
Средневыпрямленное напряжение в схемах с двухполупериодным выпрямлением вдвое больше по величине, чем в схеме с однополупериодным выпрямлением:
UCВ = 0,9 U2 .
Коэффициент пульсаций при двухполупериодном выпрямлении значительно меньше, чем при однополупериодном:
КП = U1Г / UCВ = 0, 67.
К недостаткам схемы следует отнести более сложное устройство трансформатора.
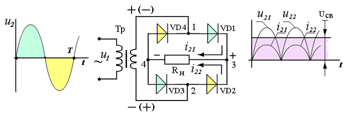
2. Однофазный мостовой выпрямитель содержит трансформатор, ко вторичной обмотке которого подключён блок из четырёх диодов VD1 – VD4 , соединенных по схеме четырёхплечего моста (рис. 19). Нагрузка R Н включена во вторую диагональ моста между общим катодом диодов VD1 – VD2 (точка 3 ) и общим анодом диодов VD3 – VD4 (точка 4).
Рис. 19. Схема и осциллограммы двухполупериодного однофазного
мостового выпрямителя
При включении сетевого напряжения u 1 на вторичной обмотке трансформатора возникают напряжения u 2 . В первый полупериод потенциал точки 1 является положительным, а потенциал точки 2 является отрицательным. В этом случае диод VD4 закрыт, а диоды VD1 и VD3 открыты и под действием напряжения вторичной обмотки трансформатора u 21 в цепи возникает ток i 21 , который проходит через диоды VD1 - VD3 , нагрузку R Н и вторичную обмотку трансформатора. В следующий полупериод полярность на концах вторичной обмотки трансформатора меняется на обратную: диод VD3 закрывается, а диоды VD2 и VD4 открываются и под действием напряжения вторичной обмотки трансформатора u 22 в цепи возникает ток i 22 , который проходит через диоды VD2 - VD4 , нагрузку R Н и замыкается через вторую половину вторичной обмотки. Таким образом, каждые полпериода через нагрузку RH поочередно, проходят в одном и том же направлении токи i 21 и i 22 , поэтому ток в нагрузке равен их сумме: i н = i 21 + i 22 .
Поскольку практически всегда и первая и вторая половины (ветви или плечи) выпрямителя выполняются одинаковыми, т. е. являются симметричными, то и токи в ветвях выпрямителя также будут одинаковыми i 21 = i 22 .
Мостовая схема аналогична схеме выпрямителя с выводом от среднего витка вторичной обмотки трансформатора, поэтому средневыпрямленное напряжение и коэффициент пульсаций для обеих схем одинаковы: UCВ = 0,9 U2 ; КП = 0, 67 .
Однако мостовая схема положительно отличается тем, что обратное напряжение на диодах в ней в 2 раза меньше, а вторичная обмотка имеет меньше витков и не имеет вывода от среднего витка, что значительно упрощает конструкцию выпрямителя. Кроме того, имеется возможность использования мостовой схемы без трансформатора в тех случаях, когда не требуется изменять величину выпрямленного напряжения по сравнению с напряжением питающей сети.
Обе схемы двухполупериодного однофазного выпрямления, широко применяются в выпрямителях мощностью до 1 кВт и напряжением от нескольких вольт до нескольких киловольт. Для получения более мощных источников питания постоянного тока используют трёхфазные выпрямители, а также преобразовательные устройства, изготовляемые на базе тиристоров.
















