Материал для подготовки к экзамену по электротехнике (1092854), страница 2
Текст из файла (страница 2)
При записи уравнений по второму закону Кирхгофа необходимо:
1) задать условные положительные направления ЭДС, токов и напряжений;
2) выбрать направление обхода контура, для которого записывается уравнение;
Электрическая цепь с последовательным соединением элементов
Последовательным называют такое соединение элементов цепи,при котором во всех включенных в цепь элементах возникает один и тот же ток I
U = U1 + U2 + U3 или IRэкв = IR1 + IR2 + IR3, Rэкв = R1 + R2 + R3.
Недостаток последовательного включения элементов - при выходе из строя хотя бы одного элемента, прекращается работа всех остальных элементов цепи.
Электрическая цепь с параллельным соединением элементов
Параллельным называют такое соединение, при котором все включенные в цепь потребители электрической энергии, находятся под одним и тем же напряжением (рис. 1.6).
I = I1 + I2 + I3, т.е.
откуда следует, что
; gэкв = g1 + g2 + g3.
, ток в цепи распределяется между параллельными ветвями обратно пропорционально их сопротивлениям.
3. Основные электроизмерительные приборы. Способы измерения электрических величин и расчет параметров элементов электрической цепи.
Электрическими измерительными приборами называют специальные технические средства, предназначенные для нахождения опытным путём значений измеряемой электрической величины и представления их в форме, доступной для непосредственного восприятия и оценки.
С помощью электроизмерительных приборов (ЭИП) и присоединяемых к ним дополнительных устройств (преобразователей) можно измерять и неэлектрические величины (например, температуру, давление, влажность и др.).
1) Амперметр (А) – служит для измерения силы тока I(A). Обладает очень малым электрическим сопротивлением (RA≈0) и включается в электрическую цепь последовательно.
2) Вольтметр (V) – служит для измерения напряжения U(B). Обладает очень большим электрическим сопротивлением (RV=∞, IV=0) и включается в электрическую цепь параллельно.
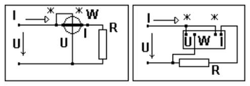
3) Ваттметр (W) – служит для измерения электрической мощности P(Вт). Включается по сложной схеме, так как имеет две обмотки: I*- I – амперметровая обмотка (токовая) служит для измерения тока и включается в цепь последовательно, U*- U – вольтметровая обмотка (напряжения). Служит для измерения напряжения и включается в цепь параллельно. I*, U* - генераторные зажимы ваттметра, включаются со стороны источника.
Амперметр
Вольтметр Ваттметр
4. Основные электроизмерительные приборы. Схемы включения. Расширение пределов измерения (шунты, добавочные резисторы). Особенности работы с многопредельными приборами.
Электрическими измерительными приборами называют специальные технические средства, предназначенные для нахождения опытным путём значений измеряемой электрической величины и представления их в форме, доступной для непосредственного восприятия и оценки.
В процессе измерения с помощью электроизмерительных приборов производится сравнение измеряемой электрической величины с принятой единицей измерения.
1) Амперметр (А) – служит для измерения силы тока I(A). Обладает очень малым электрическим сопротивлением (RA≈0) и включается в электрическую цепь последовательно.
2) Вольтметр (V) – служит для измерения напряжения U(B). Обладает очень большим электрическим сопротивлением (RV=∞, IV=0) и включается в электрическую цепь параллельно.
3) Ваттметр (W) – служит для измерения электрической мощности P(Вт). Включается по сложной схеме, так как имеет две обмотки: I*- I – амперметровая обмотка (токовая) служит для измерения тока и включается в цепь последовательно, U*- U – вольтметровая обмотка (напряжения). Служит для измерения напряжения и включается в цепь параллельно. I*, U* - генераторные зажимы ваттметра, включаются со стороны источника.
Схемы включения электроизмерительных приборов:
Расширение пределов измерения (шунты, добавочные резисторы).
Для расширения пределов измерения, приборы магнитоэлектрической системы, а также приборы других систем снабжают набором резисторов для делителей измеряемых величин. Резистор, включаемый последовательно с катушкой измерительного механизма, называется добавочным резистором. Резистор, который включается параллельно с катушкой измерительного механизма или с ветвью, содержащей катушку и добавочный резистор, называется шунтом.
Особенности работы с многопредельными приборами.
В общем случае для обеспечения более высокой точности измерений из нескольких имеющихся ЭИП (или из пределов многопредельного прибора) следует выбрать прибор с минимальной относительной погрешностью d по условию:
d = Кл * АН / АИ = min , где Кл - класс точности измерительного прибора ( % ), АИ - заданное (выбранное или предполагаемое, оценочное) значение измеряемой величины.
Из этого условия следует, что с целью снижения погрешности измерений в случае ЭИП с одинаковым классом точности выбирают прибор, предел измерения которого АН является большим ближайшим значением к измеряемой величине АИ .
Другими словами выбирают прибор с пределом измерения АН ближайшим большим к измеряемой величине АИ (заданной или предполагаемой) т.е. так, чтобы показания прибора находились в конце шкалы, где относительная погрешность измерения d снижается и приближается к классу точности ЭИП.
Из формулы d = Кл * АН / АИ следует, что при АИ ≈ АН d ≈ Кл = min .
5. Классы точности электроизмерительных приборов. Погрешность электрических измерений и способы ее минимизации при выборе измерительного прибора.
Класс точности ЭИП (Кл) является обобщённой метрологической характеристикой прибора и определяет его основную погрешность, обусловленную конструкцией и качеством изготовления прибора при нормальных условиях его эксплуатации (нормируемый диапазон температур и влажности, атмосферное давление, внешние магнитные и электрические поля, вибрации, параметры питающей сети, правильность установки прибора и др.).
Класс точности (Кл) обозначается числом, выраженным в процентах, и представляющим собой нормированное (стандартизованное) значение наибольшей допускаемой приведенной погрешности ЭИП: Кл ≥ γ MAX = (ΔАMAX / АН ) х 100 [%].
Восемь классов точности ЭИП стандартизованы следующими значениями: 0,05 - 0,1 - 0,2 - 0,5 - 1,0 - 1,5 - 2,5 - 4,0 , поэтому по известному классу точности, указанному на шкале электроизмерительного прибора, можно легко вычислить возможные наибольшие абсолютную и относительную погрешности выполненного единичного измерения:
ΔАМАХ = (АН * Кл ) / 100 [А; В; Вт], δМАХ = (AH * Кл ) / АИ [%].
Погрешности электрических измерений
1. Абсолютная погрешность ΔА – это разность между измеренным значением электрической величины АИ и ее действительным значением АД : ΔА = АИ – АД [А; В; Вт]
Действительное значение измеряемой электрической величины (тока, напряжения, мощности) всегда неизвестно, поэтому его можно определить только приблизительно:
1.1. В случае единичного измерения - по показанию АЭ эталонного прибора , т.е. принять АД = АЭ .
1.2. В случае нескольких измерений – как среднее арифметическое значение из результатов этих измерений АД = А СР .
1.3. В случае единичного измерения и при отсутствии эталонного ЭИП абсолютную погрешность измерения можно вычислить по классу точности (Кл), указанному на шкале рабочего ЭИП, и известному пределу измерения AH : ΔА = (AH * Кл ) / 100 [А; В; Вт].
2. Относительная погрешность δ - это выраженное в процентах отношение абсолютной погрешности к действительному значению измеряемой электрической величины :
δ = (ΔА / АД ) * 100 [%] .
Поскольку АД = АИ + ΔА , то для относительной погрешности измерения можно записать: δ = (AH * Кл ) / АИ + ΔА = Кл / [(АИ / АН ) + (Кл /100)].
При использовании ЭИП даже среднего класса точности 0,5 - 1,0 и при условии, что измеряемая величина АИ близка к пределу измерения АН величиной (Кл /100) можно пренебречь и тогда для расчёта относительной погрешности измерения можно использовать формулу: δ = (Кл * AH ) / АИ [%].
Другими словами можно считать, что при правильном выполнении условий проведения измерений на ЭИП различие между измеренным и действительным значениями электрической величины достаточно мало и для расчёта относительной погрешности измерения можно использовать приведённую выше формулу: δ = (AH * Кл ) / АИ [%] .
3. Приведенная погрешность γ – это отношение абсолютной погрешности к номинальному значению (пределу измерения) ЭИП, выраженное в процентах:
γ = (ΔА / AH ) *100 [%] .
Особенности работы с многопредельными приборами.
В общем случае для обеспечения более высокой точности измерений из нескольких имеющихся ЭИП (или из пределов многопредельного прибора) следует выбрать прибор с минимальной относительной погрешностью d по условию:
d = Кл * АН / АИ = min , где Кл - класс точности измерительного прибора ( % ), АИ - заданное (выбранное или предполагаемое, оценочное) значение измеряемой величины.
Из этого условия следует, что с целью снижения погрешности измерений в случае ЭИП с одинаковым классом точности выбирают прибор, предел измерения которого АН является большим ближайшим значением к измеряемой величине АИ .
Другими словами выбирают прибор с пределом измерения АН ближайшим большим к измеряемой величине АИ (заданной или предполагаемой) т.е. так, чтобы показания прибора находились в конце шкалы, где относительная погрешность измерения d снижается и приближается к классу точности ЭИП.
Из формулы d = Кл * АН / АИ следует, что при АИ ≈ АН d ≈ Кл = min .
6. Переменный электрический ток. Способы представления синусоидальных величин. Основные характеристики переменного тока. Период, частота, начальная фаза, сдвиг фаз, действующее значение переменного тока.
Переменный электрический ток - это электрический ток, величина и направление которого во времени изменяется по синусоидальному закону.
Широкое применение переменного тока в различных областях техники объясняется легкостью его получения и преобразования, а также простотой устройства генераторов и двигателей переменного тока, надёжностью их работы и удобством в эксплуатации.
В промышленных масштабах переменный ток получают централизованно на электростанциях с помощью электромашинных устройств - синхронных генераторов. Переменный ток и его характеристики (параметры) могут быть представлены одним из следующих способов:
1. Алгебраический: i = Im Sin( ωt +Ψi ); u = Um Sin( ωt +Ψu )
















