4_5испр (1086094)
Текст из файла
4.5 СХЕМОТЕХНИКА ПРЕОБРАЗОВАТЕЛЕЙ ЧАСТОТЫ
4.5.1 ТРАНЗИСТОРНЫЕ СХЕМЫ
Для преобразования частоты используют как полевые (ПТ), так и биполярные (БТ) транзисторы. Преобразование происходит вследствие изменения крутизны характеристики прямой передачи под действием напряжения гетеродина. Возможны различные варианты схем подачи напряжения сигнала и гетеродина на смесительные элементы.
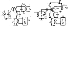
На рис.4.8 – схемы преобразователей с отдельным гетеродином на ПТ и БТ. В первой схеме напряжение сигнала подано в цепь затвора, а напряжение гетеродина – в цепь истока. По сигналу получается схема с общим истоком (ОИ), а для гетеродина – схема с общим затвором (03). Во второй схеме напряжение сигнала подается в цепь базы, а напряжение гетеродина – в цепь эмиттера. Этим достигается хорошая развязка цепей сигнала и гетеродина.
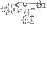
| Лучшая развязка между сигнальной и гетеродинной цепями достигается в схеме на двух затворном ПТ – рис.4.9. Напряжения сигнала и гетеродина подаются на разные затворы. Преобразование частоты в этой схеме происходит за счет изменения крутизны сток-затворной характеристики по сигнальному затвору при изменении напряжения на гетеродинном затворе. |
Хорошая развязка цепей сигнала и гетеродина и высокая устойчивость против самовозбуждения в широком диапазоне частот достигаются в каскодных смесителях. На рис. 4.10 – вариант схемы, в которой напряжения сигнала и гетеродина поданы на базы разных транзисторов.
| По сигналу получается каскодная схема общий эмиттер – общая база (ОЭ–ОБ), обеспечивающая высокую устойчивость. Преобразование частоты происходит вследствие изменения крутизны характеристики второго транзистора. |
Аналогично можно построить каскодный смеситель на ПТ.
Преобразовательный электронный прибор — транзистор можно использовать одновременно и для генерирования колебаний. В этом случае преобразователь называется генерирующим (автодинным). Но оптимальные режимы для генерирования и для преобразования частоты неодинаковы. Стабильность частоты генерации получается низкой, поэтому автодинные ПЧ используются только в недорогих приемниках невысокого класса. В профессиональных РПрУ используются ПЧ с отдельным гетеродином.
Режим по постоянному току смесителей выбирают так, чтобы работать на нелинейном участке ВАХ прямой передачи и по возможности использовать участок с линейным изменением крутизны этой характеристики – рис.4.11. Из графика на рис.4.11, а) следует, что амплитуда первой гармоники крутизны
0,5(g21max – g21min), a крутизна преобразования по первой гармонике согласно (4.19) G21пр= 0,5
0,25(g21max – g21min).
В режиме усиления можно использовать g21 = g21max, следовательно, крутизна в режиме преобразования меньше крутизны в режиме усиления.
Анализ ПЧ на БТ возможен с использованием экспоненциальной аппроксимации характеристик. Например, входная характеристика БТ в схеме ОБ iЭ = f (uБЭ) хорошо аппроксимируется экспонентой
где i0 и b – параметры экспоненты, определяются из реальных характеристик транзистора.
Учитывая соотношение iK = h21б iЭ и выражение (4.29), определяем крутизну
g21 = diK/duБЭ = h21б diЭ /duБЭ = h21б bi0
. (4.30)
Здесь uБЭ = UБ0 + UГcosГt; UБ0 – исходное напряжение на базе в рабочей точке. Представим (7.30) рядом Фурье
g21(t) = bIK0[J0(bUГ) +
Jk(bUГ) coskГt]. (4.31)
В этом выражении IK0 = h21бIЭ0 = h21б i0
– ток коллектора в рабочей точке; J0(bUГ) и Jk(bUГ) — модули функций Бесселя мнимого аргумента первого рода нулевого и k-го порядков. Из (4.31) находим среднее значение крутизны и крутизну преобразования:
G21пр= 0,5
bIK0Jk(bUГ). (4.32) |
Входные и выходные сопротивления транзистором в режиме преобразования приблизительно в 1,5...2 раза больше, чем в режиме усиления, а входные и выходные емкости в режиме усиления и преобразования фактически одинаковы.
ПТ имеет квадратичную сток-затворную характеристику, этим обусловлена линейная зависимость крутизны этой характеристики g21 от UЗИ – рис.4.11, б). Исходное смещение на затворе UЗИ0 берут равным половине напряжения отсечки UЗИ0 = 0,5UОТС и амплитуду напряжения гетеродина UГ равной UЗИ0, чтобы полностью использовать линейный участок изменения крутизны и не заходить и область появления токов затвора. При этом амплитуда первой гармоники крутизны
= 0,5 g21max =
, где
— крутизна в рабочей точке. Крутизна преобразования G21пр= 0,5
= 0,5
. Как видно, крутизна преобразования G21пр в 2 раза меньше крутизны в режиме усиления
при том же напряжении смещения на затворе UЗИ0. В рассмотренном режиме без отсечки амплитуды высших гармоник крутизны
(при k > 1) равны нулю, следовательно, будет только два побочных канала приема: зеркальный и прямого прохождения.
Для интегрального исполнения ПЧ часто используют балансную (рис. 4.12) или двойную балансную схему – рис. 4.13.
4.5.2 Балансный преобразователь с применением дифференциальных каскадов (рис.4.12) выполняет функцию аналогового перемножителя напряжений сигнала uС и гетеродина uГ.
| Здесь используется метод переменной крутизны – на основе зависимости крутизны транзистора от тока эмиттера. Коллекторное напряжение на смесительные транзисторы VT1 и VT2 подается через среднюю точку катушки индуктивности выходного резонансного контура, настроенного на промежуточную частоту. Токи i1 и i2 транзисторов VT1 и VT2 через выходной контур текут в противоположных направлениях (встречное включение), и выходное напряжение пропорционально их разности. Напряжение гетеродина на смесительные транзисторы подано через транзистор VT3 синфазно. Поэтому токи i1 и i2 с частотой гетеродина, его |
гармоник и составляющие токов шумов гетеродина, имеющие в обоих транзисторах одинаковые фазы, взаимно компенсируются и не создают напряжения в выходных цепях. Под действием напряжения гетеродина меняется крутизна характеристики каждого из транзисторов VT1 и VT2.
На базы транзисторов смесителя действуют противофазные напряжения сигнала – составляющие тока промежуточной частоты также противофазные. В выходном контуре используется встречное включение витков катушки индуктивности, поэтому противофазные составляющие токов промежуточной частоты в итоге складываются. В балансном преобразователе происходит компенсация четных гармоник преобразуемого сигнала. В частности компенсируются помехи с частотами полузеркальных каналов fПЗ = fГ 0,5 fПР. В схеме на рис. 12 не выполняется баланс по одному из входов – напряжение с частотой гетеродина fГ присутствует на выходе. Этот недостаток можно устранить балансировкой по двум входам.
4.5.3 Компенсация помех зеркального канала
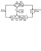
Преобразователь с компенсацией помех зеркального канала содержит два канала – рис. 4.14. Принцип работы двуканального компенсатора с фазовым подавлением состоит в том, что принимаемый сигнал в разных каналах имеет одинаковую фазу и при суммировании в общем тракте удваивается, а зеркальные помехи противоположны по фазе и компенсируют друг друга.
| Напряжение от гетеродина uГ = UГcos(Гt + Г) подается на смесители СМ1 и СМ2, в качестве которых могут использовать-ся любые из рассмотренных выше схем. |
Напряжения сигнала основного канала uC = UCcos(Ct + C) и помехи зеркального канала uЗК = UЗКcos(ЗКt + ЗК) подаются на смеситель СМ1 непосредственно, а на смеситель СМ2 через фазовращатель ФВ1 со сдвигом по фазе на π/2 радиан. Частота основного канала fС = fГ fпр, а частота зеркального fЗК = fГ+ fпр. На выходе СМ1 после фильтра промежуточной частоты ФПЧ выделяется напряжение промежуточной частоты основного и зеркального каналов:
uC1 = КПUC cos[(Г C)t + Г C],
uЗК1 = КПUЗК cos[(ЗК Г)t + ЗК Г].
Здесь КП — коэффициент передачи смесителя вместе с ФПЧ.
На выходе СМ2 после ФПЧ (коэффициент передачи фазовращателя
полагается равным единице) uC2=КПUCcos[(Г C)t+Г (C+ π/2)],
uЗК2 = КПUЗК cos[(ЗК Г)t + ЗК + π/2 Г].
После фазовращателя Фв2 фаза C2 сигнала второго канала uC2 оказывается такой же, как фаза C1 сигнала uC1 первого канала C1 = C2 = Г C, а фаза помехи uЗК2 отличается от фазы uЗК1 на π радиан. При одинаковых коэффициентах передачи трактов смесителей напряжение сигнала на выходе сумматора удваивается, а напряжения зеркальной помехи взаимно компенсируются и на выходе отсутствуют.
Характеристики
Тип файла документ
Документы такого типа открываются такими программами, как Microsoft Office Word на компьютерах Windows, Apple Pages на компьютерах Mac, Open Office - бесплатная альтернатива на различных платформах, в том числе Linux. Наиболее простым и современным решением будут Google документы, так как открываются онлайн без скачивания прямо в браузере на любой платформе. Существуют российские качественные аналоги, например от Яндекса.
Будьте внимательны на мобильных устройствах, так как там используются упрощённый функционал даже в официальном приложении от Microsoft, поэтому для просмотра скачивайте PDF-версию. А если нужно редактировать файл, то используйте оригинальный файл.
Файлы такого типа обычно разбиты на страницы, а текст может быть форматированным (жирный, курсив, выбор шрифта, таблицы и т.п.), а также в него можно добавлять изображения. Формат идеально подходит для рефератов, докладов и РПЗ курсовых проектов, которые необходимо распечатать. Кстати перед печатью также сохраняйте файл в PDF, так как принтер может начудить со шрифтами.
















