5_6 (1086056)
Текст из файла
5.6 СПОСОБЫ ВКЛЮЧЕНИЯ УСИЛИТЕЛЬНЫХ ЭЛЕМЕНТОВ
Для того чтобы обеспечить необходимые технические показатели и характеристики усилительных устройств, следует выполнить ряд принципов или условий их построения.
Для конкретного типа усилительного элемента (УЭ) выбирается способ его включения по сигналу (или по переменному току). Его необходимо реализовать. Затем выбирается режим работы УЭ по постоянному току (по току питания и напряжению питания) и обеспечивается его стабильность при изменении температуры, влажности, напряжения питания и т. д.
Далее должна быть обеспечена связь УЭ с источником, сигнала, и с последующим УЭ или нагрузкой. Для этого следует выбрать вид цепи межкаскадной связи и реализовать его.
Необходимо также обеспечить требуемые сопротивления нагрузки УЭ по постоянному и переменному токам – реализовать расчетную нагрузочную (или динамическую) характеристику усилительного элемента.
При подаче сигнала на вход усилителя нужно убедиться, что обеспечивается выбранный режим работы УЭ по сигналу. В каскадах предварительного усиления слабого сигнала обычно выбирают режим А, а в оконечных каскадах – режим В (АВ).
Наконец, следует обеспечить требуемый вид и глубину обратной связи (ОС) в одном или нескольких каскадах, а также и в целом в усилителе. Начнем последовательно рассматривать, что собой представляют изложенные выше условия применительно к конкретным видам УЭ.
Способы включения по сигналу трехполюсных усилительных элементов
Наиболее широко в качестве усилительных элементов (УЭ) в РПрУ используются биполярные и полевые транзисторы (БТ) и (ПТ). Эти УЭ представляют собой трехполюсники – имеют три электрода: управляющий, управляемый и эмиттирующий. В зависимости от того, какой электрод является общим для цепи источника сигнала и цепи нагрузки, различают три способа включения трехполюсных УЭ: с общим эмиттирующим электродом, с общим управляющим и общим управляемым электродами. Рассмотрим особенности этих способов включения УЭ.
Для определения способа включения УЭ в сложной схеме исключают все цепи внешних ОС, кроме тех, исключение которых нарушает режим работы УЭ по постоянному току. Затем входную цепь УЭ представляют в виде эквивалентного источника сигнала,. а выходную — в виде эквивалентного (результирующего) сопротивления нагрузки. Таким образом получают простейшую эквивалентную схему каскада по сигналу (рис.2.17 — 2.20). Электрод, подключенный к цепям источника сигнала и нагрузки, определяет способ включения УЭ.
На рис. 2.17 приведены схемы, соответствующие включению с общим эмиттирующим электродом: рис.2.17, а) – с общим эмиттером (ОЭ); рис. 2.17, б) – с общим истоком (ОИ). Это единственный способ включения УЭ, при котором нет внешних по отношению к нему цепей обратной связи.
Рис.2.17. Схемы включения УЭ с общим эмиттирующим электродом
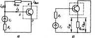
На рис.2.18 приведены схемы, соответствующие включению УЭ с общим управляющим электродом: рис.2.18, а) — с общей базой (ОБ); рис.2.18, б) – с общим затвором (03).
Рис.2.18 – Схемы включения УЭ с общим управляющим электродом
Схему с ОБ можно представить как схему с ОЭ (транзистора обведенный штриховой линией на рис.2.20, а), но с введенной внешней параллельной ООС по току. Эта ОС осуществляется через резистор RНэк; ток ICB является током цепи ОС. Все показатели УЭ, включенного по схеме с ОБ, определяются указанным выше видом ОС. Качественное изменение показателей усилительного каскада при включении УЭ по схеме ОБ иллюстрирует таблица 2.3.
Таблица 2.3.
| Схема | ВнешняяООС | КU | КI | КP | fh21 | RВХ | RВЫХ | kГ |
ОЭ | Нет | h21э | h21э | h221э | fh21э | 1 … 10 кОм | 10 … 100 кОм | 7 … 14 % |
| ОБ | Параллельная по току | h21э | h21э | h21э | fh21б | RВХоэ/h21э | RВЫХоэh21э | < kГоэ |
| ОК | Последоват. по напряжен. | 1 | h21э | h21э | fh21к | RВХоэh21э | RВЫХоэ/h21э | < kГоэ |
На рис.2.19 приведены схемы, соответствующие включению УЭ с общим управляемым электродом:
Рис.2.19
Рис.2.19, а) – общий коллектор (ОК); рис.2.19, б) – общий сток (ОС). Схему ОК можно представить как схему ОЭ, но с внешней последовательной ООС по напряжению – рис.2.20, б). Напряжение Uвых, действующее на эквивалентном сопротивлении нагрузки RH, одновременно является и напряжением Uoc, действующим между базой и эмиттером. Все показатели УЭ, влюченного по схеме ОК, определяются видом этой внешней обратной связи.
Рис.2.20.
Качественное изменение показателей усилительного каскада при включении усилительного элемента по схеме с ОК иллюстрируется табл. 2.3. В связи с тем, что К1 и фаза сигнала на выходе не инвертируется, схемы с общим управляемым электродом получили общее название — повторители.
Аналогично тому, как изменяются показатели усилителя при переходе от схемы с ОЭ к схемам с ОБ или ОК, меняются показатели усилителя и на ПТ, и на ЭЛ при соответствующем способе их включения по сигналу.
Способы включения по сигналу усилительных приборов
Современная схемотехника, в том числе микросхемотехника, предъявляет столь высокие требования к параметрам УЭ, что обеспечить их с помощью одного элемента не удается. Поэтому во входных и выходных каскадах апериодических усилителей, а также в резонансных каскадах усилителей находят применение усилительные приборы (УП), представляющие собой составные транзисторы. Обычно это два, реже три транзистора, непосредственно соединенные между собой и имеющие три эквивалентных вывода. Для анализа их удобно представлять в виде единого УЭ, имеющего базу, эмиттер и коллектор. Наиболее распространенными составными транзисторами являются составной эмиттерный повторитель, разновидность схемы Дарлингтона, каскодная схема ОЭ—ОБ и каскодная схема ОК—ОБ.
Рис.2.21.Схема Дарлингтона
На рис. 2.21, а) приведена принципиальная схема составного эмиттерного повторителя. Транзисторы VT1 и VT2 включены каждый по схеме с ОК. Обычно, таким образом, транзисторы включают для увеличения коэффициента усиления по току всего усилителя, но при этом во входных каскадах стремятся к увеличению входного сопротивления УЭ, а в выходных каскадах – к уменьшению выходного сопротивления.
Из рис. 2.21, а) видно, что входная цепь VT2 включена в эмиттерную цепь VT1 – в цепь ООС. Эквивалентный коэффициент усиления по току составного транзистора равен h21э. В отсутствие резистора R во входной цепи VT2 транзисторы VT1 и VT2 работают с сильно различающимися постоянными токами. Если VT2 имеет номинальный ток эмиттера, то VT1 может иметь столь малый ток эмиттера, что это приведет к уменьшению h21э составного транзистора. Включение резистора R, благодаря которому увеличивается начальный ток эмиттера, приводит к увеличению h21э, выравниванию режимов работы VT1 и VT2 по постоянному току, но несколько уменьшает коэффициент усиления по току составного транзистора.
В составном транзисторе, схема которого приведена на рис. 2.21, б), используются VT1 и VT2 различного типа проводимости. Схема на рис. 2.21, б) удобна в двухтактных оконечных каскадах, когда выходные транзисторы имеют одинаковый тип проводимости (нет подходящей по мощности комплементарной пары). В целом по своим свойствам схема на рис. 2.21, б) аналогична схеме, приведенной на рис. 2.21, а), однако коллектором эквивалентного транзистора в первом случае является эмиттер VT2, а тип проводимости эквивалентного транзистора совпадает с типом проводимости VT1. Без резистора R эквивалентный коэффициент усиления по току h21э.
Резистор R предназначен для тех же целей, что и в схеме на рис. 2.21, а). При наличии резистора R в схеме на рис. 2.21, б).
Схема, представленная на рис. 2.51, б), требует меньшего входного напряжения, чем схема на рис. 2.21, а).
Особое место среди составных транзисторов занимают каскодные схемы – рис. 2.22.
Рис.2.22 – Каскодные схемы
На рис. 2.22, а) транзистор VT1 включен по схеме с ОЭ, a VT2 – по схеме ОБ. Нагрузкой VT1 является очень малое входное сопротивление VT2, поэтому коэффициент усиления по напряжению VT1 близок к 1, однако коэффициент усиления по току равен h21э. В результате сильно снижается влияние емкости коллекторного перехода СК на входные показатели эквивалентного транзистора (за счет внутренней ОС). В свою очередь VT2 имеет коэффициент усиления по току h21б 1, но обеспечивает коэффициент усиления по напряжению такой же, как и обычная схема с ОЭ. Вместе с тем и емкость СК2 очень слабо влияет на входное напряжение VT2 в силу особенностей его включения — база соединена с общим проводом. Таким образом, каскодная схема обеспечивает коэффициенты усиления по напряжению, току и мощности такие же, как и схема с ОЭ, но входная и выходная цепи усилителя связаны намного слабее, чем в схеме с ОЭ. Это значительно повышает устойчивость работы резонансных усилителей. Улучшаются и частотные свойства апериодического усилительного каскада, так как входная емкость каскодной схемы практически становится равной статической входной емкости транзистора в схеме с ОЭ.
Характеристики
Тип файла документ
Документы такого типа открываются такими программами, как Microsoft Office Word на компьютерах Windows, Apple Pages на компьютерах Mac, Open Office - бесплатная альтернатива на различных платформах, в том числе Linux. Наиболее простым и современным решением будут Google документы, так как открываются онлайн без скачивания прямо в браузере на любой платформе. Существуют российские качественные аналоги, например от Яндекса.
Будьте внимательны на мобильных устройствах, так как там используются упрощённый функционал даже в официальном приложении от Microsoft, поэтому для просмотра скачивайте PDF-версию. А если нужно редактировать файл, то используйте оригинальный файл.
Файлы такого типа обычно разбиты на страницы, а текст может быть форматированным (жирный, курсив, выбор шрифта, таблицы и т.п.), а также в него можно добавлять изображения. Формат идеально подходит для рефератов, докладов и РПЗ курсовых проектов, которые необходимо распечатать. Кстати перед печатью также сохраняйте файл в PDF, так как принтер может начудить со шрифтами.
















