6_2 (1086064)
Текст из файла
6.2 Детектирование сигналов с угловой модуляцией
6.2.1 Амплитудные ограничители
При угловой модуляции информация содержится в частоте (фазе) квазигармонического колебания. Изменение амплитуды сигнала может привести к искажениям при детектировании.
Амплитудные ограничители (АО) служат для устранения амплитудной модуляции квазигармонического колебания – напряжение на выходе амплитудного ограничителя имеет постоянную амплитуду.
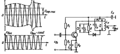
Рис. 12.0. Диодный амплитудный ограничитель | АО содержит ограничитель мгновенных значений, который обеспечивает постоянство максимальных (минимальных) напряжений, и полосовой фильтр. Полосовой фильтр подавляет гармоники, создаваемые ограничителем мгновенных значений. |
6.2.2 Фазовый детектор (ФД) – преобразователь, выходной параметр (напряжение, ток, и т.д.) которого пропорционален разности фаз сигнала и опорного напряжения.
Если в качестве выходного параметра выбрано напряжение, а входное напряжение spm(t) = A cos[0 t + (t)], и опорное напряжение uo = Uocosot , то выходное напряжение должно быть Epd = Kpd (t) .
Структурная схема ФД совпадает со схемой ПЧ; отличие состоит в том, что на выходе здесь включен ФНЧ, и в соотношении частот гетеродина и сигнала
Г = С =0.
Выходное напряжение детектора
Epd = 0,5S1 ARH cos,
где S1- крутизна для первой гармоники тока преобразовательного элемента.
Детектирование фазы можно реализовать с помощью перемножителя и ФНЧ – рис.12.1.
| spm(t) | | | ФНЧ | Epd | Рис.12.1. Фазовый детектор |
| u0 | |||||
| Г |
Опорное напряжение uo = Uocosot .
Анализ этой схемы показывает, что детекторная характеристика нелинейная
6.2.3 Разновидности фазовых детекторов
Фазовый детектор с одним диодом.
Такой ФД удобно анализировать как преобразователь с амплитудным детектированием суммы двух колебаний: гармонического (опорное напряжение) uo = Uocosot
и квазигармонического (информационный входной сигнал)
uin = Uincos[ot + (t)]
– колебания с одинаковой частотой, но разными фазами. Амплитуда суммарного колебания
Напряжение на выходе ФД определяется коэффициентом передачи амплитудного детектора Kd
При малой амплитуде входного сигнала Uin << Uo
Балансный ФД – рис.8.5.
Кольцевой детектор, как и балансный не избавляет от нелинейности косинусоидальной формы детекторной характеристики. По-существу балансные схемы выполняют операцию перемножения.
Фазовые детекторы на логических элементах
ФИ1
| uвх | ~ | u1 | И | ФНЧ | Рис.12.2. Фазовый детектор | ||
| ФИ2 | | | | | Epd | ||
| u0 | ~ | u2 |
В качестве формирователя импульсов (ФИ) обычно используется триггер Шмитта.
Детекторная характеристика
Для входного сигнала uin = Uincos[ot + (t)]
выходное напряжение
Epd = Uo –/2 = 0,5 Uo1- /.
Вместо схемы “И” лучше использовать “Исключающее ИЛИ” (неравнозначность).
Таблицы истинности
| A | B | “И” | “ИЛИ-НЕ” | | |||
| 0 | 0 | 0 | 1 | 0 | |||
| 0 | 1 | 0 | 0 | 1 | |||
| 1 | 0 | 0 | 0 | 1 | |||
| 1 | 1 | 1 | 0 | 0 | |||
Характеристика детектирования ФД при использовании элемента ““ вместо “И”
Epd = Uo | |/ при 0 < < .
235
Характеристики
Тип файла документ
Документы такого типа открываются такими программами, как Microsoft Office Word на компьютерах Windows, Apple Pages на компьютерах Mac, Open Office - бесплатная альтернатива на различных платформах, в том числе Linux. Наиболее простым и современным решением будут Google документы, так как открываются онлайн без скачивания прямо в браузере на любой платформе. Существуют российские качественные аналоги, например от Яндекса.
Будьте внимательны на мобильных устройствах, так как там используются упрощённый функционал даже в официальном приложении от Microsoft, поэтому для просмотра скачивайте PDF-версию. А если нужно редактировать файл, то используйте оригинальный файл.
Файлы такого типа обычно разбиты на страницы, а текст может быть форматированным (жирный, курсив, выбор шрифта, таблицы и т.п.), а также в него можно добавлять изображения. Формат идеально подходит для рефератов, докладов и РПЗ курсовых проектов, которые необходимо распечатать. Кстати перед печатью также сохраняйте файл в PDF, так как принтер может начудить со шрифтами.
















