Глава3 (1086092)
Текст из файла
Глава 3. Избирательные устройства
3.1 ХАРАКТЕРИСТИКА ВХОДНЫХ ЦЕПЕЙ
Входные цепи приемника связывают антенну с первым усилительным или преобразовательным прибором, который в дальнейшем будем называть активным элементом (АЭ). Основное назначение входной цепи (ВЦ) – передача сигнала от антенны к входу первого активного элемента приемника, предварительная фильтрация помех на частотах побочных каналов приема, а также интенсивных по уровню помех.
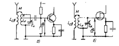
Рис. 3.1 – Трансформаторная связь между LC- контуром и антенной
Входная цепь представляет собой пассивный четырехполюсник, содержащий один или несколько резонаторов, в частности колебательных контуров, настроенных на частоту принимаемого сигнала. Наиболее просты в технической реализации одноконтурные ВЦ – рис. 3.1…3.3. Двух- и многоконтурные входные цепи применяются при очень высоких требованиях к избирательности.
Рис.3.2 – Емкостная связь входного контура с антенной
Одноконтурные ВЦ особенно часто встречаются в приемниках с переменной настройкой. Схемы на рис. рис.3.1…3.3 отличаются способами связи входного контура с антенной: трансформаторная связь между входным контуром LКCК и антенной – рис. 3.1; емкостная связь входного контура с антенной – рис.3.2; автотрансформаторная связь входного контура с антенным фидером – рис.3.3.
Связь входного контура с активным элементом (АЭ) может быть полной или частичной в зависимости от входного сопротивления АЭ. Имеющий малое входное сопротивление БТ обычно подключается частично, для ПТ возможно полное подключение.
Рис. 3.3 – Автотрансформаторная связь входного контура с антенным фидером
| В одной из наиболее распространенных схем двухконтурной ВЦ (рис. 3.4) связь первого контура с антенной – трансформаторная. Связь между контурами – внутриемкостная через конденсатор Ссв1 и внешнеемкостная через Ссв2. Форма амплитудно-частотной характеристики (АЧХ) двухконтурной ВЦ ближе к прямоугольной, чем одноконтурной – повышается избирательность. |
Основные электрические характеристики входных цепей:
1. Коэффициент передачи напряжения – определяется как отношение напряжения сигнала на входе первого АЭ приемника (UВХ) к ЭДС в антенне ЕВХ, а в случае магнитной (ферритовой) антенны – к напряженности поля сигнала.
2. Полоса пропускания – ширина области частот с допустимой неравномерностью коэффициента передачи.
3. Избирательность – характеризует уменьшение коэффициента передачи напряжения K(f) при заданной расстройке f = f – f0 по сравнению с резонансным значением K0 (1.2): Se = K0 /K(f).
4. Перекрытие диапазона частот – входная цепь должна обеспечивать возможность настройки на любую частоту заданного диапазона приемника, и при этом показатели (коэффициент передачи, полоса пропускания, избирательность и т. п.) не должны заметно изменяться; диапазон рабочих характеризуется коэффициентом перекрытия диапазона kД = f0max / f0min.
5. Постоянство параметров ВЦ при изменении параметров антенны и АЭ – это важно при ненастроенных антеннах, которые вносят в ВЦ активное и реактивное сопротивления; вносимое активное сопротивление увеличивает потери ВЦ, расширяет полосу пропускания и ухудшает избирательность;
вносимое реактивное сопротивление изменяет настройку ВЦ.
3.2 ЭКВИВАЛЕНТЫ ПРИЕМНЫХ АНТЕНН
Приемную антенну, находящуюся в электромагнитном поле, можно представить в виде эквивалентного генератора ЭДС ĖА или тока İА – рис. 3.5. Внутреннее сопротивление генератора ЭДС в общем случае содержит активную и реактивную составляющие ZA = RA + jXA. Электродвижущая сила эквивалентного генератора ĖА = Ę/hД, где Ę – напряженность электрической составляющей поля сигнала в месте приема; hД – действующая высота (или длина) антенны.
Рис.3.5 – Эквивалентные генераторы ЭДС – а) и тока – б)
Параметры эквивалентного генератора тока определяются выражением
İА = ĖА/ZA = ĖАYA, (3.1)
где YA = 1/ZA = GA + jBA — комплексная проводимость антенны.
Активная GA и реактивная BA составляющие проводимости антенны
GA = RA / |ZA|2; BA = – XA / |ZA|2. (3.2)
Сопротивление (импеданс) ZA ненастроенной антенны зависит от частоты – антенна представляет собой цепь с распределенными параметрами. В сравнительно узких интервалах частот можно использовать относительно простые эквиваленты реальных антенн. Если размеры антенны невелики по сравнению с длиной волны, то схема замещения антенны может быть представлена в виде последовательного соединения индуктивности LA, емкости CA и активного сопротивления RA – рис. 3.6, а). В области очень низких частот, когда LA « 1CA, можно пренебречь индуктивностью, и тогда схема замещения антенны будет содержать только емкость CA и активное сопротивление RA – рис. 3.6, б).
Рис. 3.6 – Схемы замещения ненастроенной антенны
В диапазоне декаметровых волн реактивное сопротивление ненастроенных антенн может иметь как емкостный, так и индуктивный характер. В диапазоне метровых и более коротких волн используют антенны, настроенные на среднюю частоту диапазона, на которой антенна обладает активным сопротивлением RA. Если это сопротивление равно волновому сопротивлению фидера A, то антенна присоединяется к фидеру непосредственно, в других случаях – через согласующее устройство. Антенна совместно с фидером эквивалентна генератору ЭДС ĖА с внутренним сопротивлением A или генератору тока İА с проводимостью GА = 1/A.
В диапазоне СВЧ вместо ЭДС или тока удобнее рассматривать номинальную мощность антенны, поскольку при наличии трансформирующих элементов напряжение и ток изменяются, а мощность остается постоянной. Номинальная мощность
Рном = SДAĘ2/120,
где A – КПД антенны при согласованной нагрузке; SД – действующая площадь антенны; Ę – напряженность электрической составляющей поля сигнала в месте приема.
3.3 СПОСОБЫ ПЕРЕКРЫТИЯ ЧАСТОТНОГО ДИАПАЗОНА
Плавно настраивать контуры в заданном диапазоне частот можно, изменяя индуктивность или емкость либо одновременно и то и другое.
Перестройка контура с помощью индуктивности при постоянной емкости контура приводит к резкому изменению его добротности. Характеристическое сопротивление контура К и его затухание dК можно выразить через емкость контура:
к = 1/0СК; dК = r/к = r0СК.
Вследствие поверхностного эффекта в проводах катушки и диэлектрических потерь сопротивление r растет почти пропорционально частоте настройки – затухание dК, называемое конструктивным, пропорционально квадрату частоты, а полоса пропускания П0,7 = f0dК и резонансная эквивалентная проводимость контура GК = dК/К= dК0СК пропорциональны кубу частоты. Следовательно, при настройке контура с помощью индуктивности его показатели по диапазону резко изменяются.
При настройке контура путем изменения емкости его параметры, выраженные через индуктивность, имеют вид
К = 0LК; dК = r/К = r/0 LК.
Считая r пропорциональным частоте, видим, что затухание, а следовательно, и добротность контура QК не зависят от частоты. Полоса пропускания и эквивалентное сопротивление контура
RК = 1/ GК = 0LКQК
пропорциональны частоте. Следовательно, настройка емкостью сопровождается менее резкими изменениями параметров контуров. Поэтому контуры в относительно широком диапазоне частот обычно настраивают изменением емкости. Настройка индуктивностью используется при небольших перекрытиях диапазона.
При настройке емкостью коэффициент перекрытия диапазона
Как правило, kД 3. Если приемник должен работать в более широком диапазоне частот, то диапазон разбивают на поддиапазоны.
Переход с одного поддиапазона на другой осуществляют переключением индуктивностей. Если плавная настройка внутри поддиапазона ведется изменением индуктивности, то от одного поддиапазона к другому переходят переключением конденсаторов.
Обычно применяют два способа разбиения диапазона на поддиапазоны: с постоянным частотным интервалом – рис. 3.7; с постоянным коэффициентом перекрытия.
3.3.1 Постоянный частотный интервал поддиапазонов (рис. 3.7) – разность максимальной и минимальной частот у всех поддиапазонов одинакова:
f0max – f0min = fпд = const. (5.3)
Число поддиапазонов Nпд = (f0max – f0min)/fпд. В соответствии с (5.3) коэффициент перекрытия поддиапазона
kд = f0max/f0min = 1 + fпд/f0min.
Характеристики
Тип файла документ
Документы такого типа открываются такими программами, как Microsoft Office Word на компьютерах Windows, Apple Pages на компьютерах Mac, Open Office - бесплатная альтернатива на различных платформах, в том числе Linux. Наиболее простым и современным решением будут Google документы, так как открываются онлайн без скачивания прямо в браузере на любой платформе. Существуют российские качественные аналоги, например от Яндекса.
Будьте внимательны на мобильных устройствах, так как там используются упрощённый функционал даже в официальном приложении от Microsoft, поэтому для просмотра скачивайте PDF-версию. А если нужно редактировать файл, то используйте оригинальный файл.
Файлы такого типа обычно разбиты на страницы, а текст может быть форматированным (жирный, курсив, выбор шрифта, таблицы и т.п.), а также в него можно добавлять изображения. Формат идеально подходит для рефератов, докладов и РПЗ курсовых проектов, которые необходимо распечатать. Кстати перед печатью также сохраняйте файл в PDF, так как принтер может начудить со шрифтами.















