5_8 (1086058)
Текст из файла
5.7 Резонансные усилители
5.7.1 Усилители на невзаимных элементах
В усилителях радиосигналов применяются две схемы включения транзисторов: с общим эмиттером (ОЭ) и общей базой (ОБ) на биполярных транзисторах (БТ), с общим истоком (ОИ) и общим затвором (ОЗ) на полевых транзисторах (ПТ). Усилители с ОЭ (ОИ) в диапазонах метровых и более длинных волн дают наибольшее усиление мощности. Усилители с ОБ (ОЗ) отличаются бóльшей устойчивостью в сантиметровом и дециметровом диапазонах волн.
Рис. 5.1 – Резонансный усилитель
Схема усилителя на ПТ с ОИ – на рис. 5.1. Колебательный контур CкLк настраивается на частоту сигнала конденсатором Cк. Питание последовательное – через развязывающий фильтр C3R3. Емкость конденсатора C3 в 50 … 100 раз превышает максимальную емкость конденсатора Cк, поэтому резонансная частота контура практически определяется только параметрами Cк и Lк. В схеме используется частичное включения контура к стоку транзистора для повышения устойчивости усилителя.
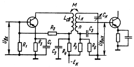
В каскадах на БТ частичное включение контура используется для уменьшения шунтирования контура входными и выходными сопротивлениями транзисторов – рис.5.2.
Рис.5.2 – Резонансный усилитель с автотрансформаторной связью
На рис.5.2: m – коэффициент включения контура в коллекторную цепь;
n – коэффициент включения контура в базовую цепь
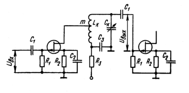
Трансформаторная связь контура с коллекторной цепью – рис.5.3.
Рис. 5.3 – Резонансный усилитель с трансформаторной связью
5.7.2 Анализ резонансного усилителя
Для малых сигналов транзистор можно представить линейным 4-хполюсником, описываемым системой уравнений
İ1 = Y11
+ Y12
; İ2 = Y21
+ Y22
.
Рис. 5.4. Эквивалентная схема резонансного усилителя
Коэффициент усиления по напряжению
K( j) = – m n Y11 / YЭ = – m n Y11 RЭ /(1 + j),
где =
– обобщенная расстройка; dЭ =GЭ – затухание контура; GЭ = 1 / RЭ = Gк + m2G22 + n2Gн; YЭ = GЭ(1 + j).
5.8.3 Внутренняя обратная связь в резонансном усилителе
| G12 – проводимость; C12 – проходная емкость GЭ2 – эквивалентная проводимость контура | |
| Рис. 5.5. Внутренняя обратная связь: G12 – проводимость; C12 – проходная емкость |
5.7.4 Повышение устойчивости резонансных усилителей
Рис. 5.13 – Каскодное соединение транзисторов
Рис. 5.5 – Трансформаторная связь
5.7.5 Шумы резонансных усилителей
Рис. 5.16. Эквивалентная схема источников шума
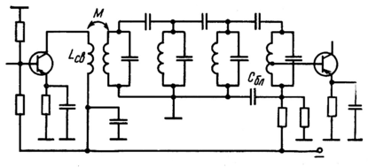
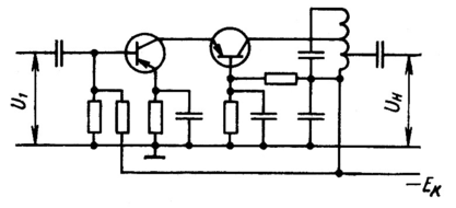
5.8 Усилители промежуточной частоты
Рис. 5.27 – Усилитель промежуточной частоты
5.9.1 Фильтры для трактов промежуточной частоты
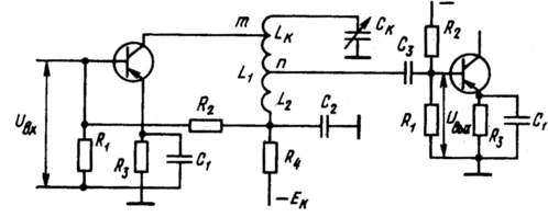
Рис. 5. 29 – Усилитель промежуточной частоты
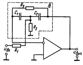
Рис. 5.30 – Полосовой фильтр | На рис.5.30 – полосовой фильтр.При аппроксимации Баттерворта: если C1 = C2 = C, то |
Максимально реализуемая добротность фильтра по схеме на рис.5.30
где K – коэффициент усиления ОУ по напряжению без обратной связи.
При проектировании фильтров выбирают Q Qmax – для получения достаточной стабильности добротности Q.
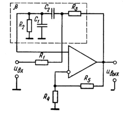
| Рис. 5.3 – Полосовой фильтр с мостом Вина в цепи обратной связи | Рис. 5.31. Полосовой фильтрс мостом Вина в цепи положительной ОС . Если C1 = C2 = C; R1 = R3 = R2 = R, то при заданных fпр и П0,7 необходимо обеспечить при этом обычно Q = 10 … 15 |
Полосовой фильтр с мостом Вина в цепи положительной обратной связи – на рис. 5.31. Круговая частота настройки фильтра пр = 2fпр; fпр – промежуточная частота.
197
Характеристики
Тип файла документ
Документы такого типа открываются такими программами, как Microsoft Office Word на компьютерах Windows, Apple Pages на компьютерах Mac, Open Office - бесплатная альтернатива на различных платформах, в том числе Linux. Наиболее простым и современным решением будут Google документы, так как открываются онлайн без скачивания прямо в браузере на любой платформе. Существуют российские качественные аналоги, например от Яндекса.
Будьте внимательны на мобильных устройствах, так как там используются упрощённый функционал даже в официальном приложении от Microsoft, поэтому для просмотра скачивайте PDF-версию. А если нужно редактировать файл, то используйте оригинальный файл.
Файлы такого типа обычно разбиты на страницы, а текст может быть форматированным (жирный, курсив, выбор шрифта, таблицы и т.п.), а также в него можно добавлять изображения. Формат идеально подходит для рефератов, докладов и РПЗ курсовых проектов, которые необходимо распечатать. Кстати перед печатью также сохраняйте файл в PDF, так как принтер может начудить со шрифтами.
















