6_3 (1086068)
Текст из файла
6.3 Частотные детекторы
Частотным детектором называется преобразователь, выходной параметр (напряжение, ток, и т.д.) которого пропорционален мгновенной частоте входного сигнала.
Для входного сигнала uin = Uin cos[(t)]
выходное напряжение частотного детектора Efd ~ (t).
Детекторование частоты возможно путем преобразования ЧМ в другой вид модуляции с последующим детектированием преобразованного сигнала. По виду предварительного преобразования ЧМ сигнала методы детектирования можно разделить на три группы: ЧМ-ФМ-ФД, ЧМ-АМ-АД, преобразование входного сигнала в импульсную форму.
6.3.1 Частотные детекторы с аналоговыми промежуточными преобразованиями
Детекторы с преобразованием ЧМ-АМ.
В таких детекторах ЧМ сигнал преобразуется в АЧМ колебание расстроенными относительно средней частоты сигнала резонансными цепями с последующим детектированием амплитудными детекторами.
| АО – амплитудный ограничитель; m1, m2 – коэффициенты включения колебательного контура; | ||
| Рис.13.7 – Частотный детектор с преобразованием ЧМ-АМ | ||
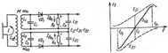
Промежуточное преобразование ЧМ сигнала в детекторе, схема которого показана на рис. 13.7, реализуется резонансным LC-контуром. В преобразователе используется наклонный участок АХЧ контура, где зависимость напряжения на контуре Uк от частоты f близка к линейной. Резонансная частота контура отличается от средней частоты сигнала на величину fН – рис.13.9. Такой преобразователь называют расстроенным относительно частоты сигнала контуром. При использовании наклонного участка АЧХ контура возникает сопутствующая амплитудная модуляция – рис. 13.8. Изменение амплитуды Uк напряжения на контуре соответствует закону изменения частоты входного сигнала. Напряжение с контура подается на амплитудный детектор, выходное напряжение которого функционально связано с мгновенной частотой входного сигнала EД = F(fс).
Частотный детектор с одиночным расстроенным контуром (рис.13.7)
где UK0 = I1m1Roe – амплитуда напряжения на контуре при резонансе;
I1 – амплитуда первой гармоники выходного тока АО;
de – эквивалентное затухание контура.
Выходное напряжение детектора
Efd = UK0 m1cos , где – угол отсечки.
Напряжение на контуре Uк = Uко /
,
где Uко = Im1m1m2Rэ; Im1 – амплитуда первой гармоники тока на выходе АО; de – эквивалентное затухание контура. Тогда
где cos – коэффициент передачи амплитудного детектора;
| 0000000000000000000000000000000000000000000000000000000000000000000000000000000000000000000000000000000000000000000000000000000Рис.13.13 – Преобразование ЧМ-АМ | – обобщенная расстройка контура. |
Характеристика детектирования, построенная по выражению для ЕЧД, по форме совпадает с АЧХ используемой в ЧД линейной цепи – в данном случае с резонансной характеристикой контура. Подобные простейшие ЧД применяются только в системах с узкополосной ЧМ, поскольку не обладают достаточно линейными детекторными характеристиками. Повысить линейность характеристики детектирования ЧД можно уменьшением добротности контура, но лучше использовать балансный ЧД с взаимно расстроенными контурами – рис. 13.9.
Балансный ЧД с взаимно расстроенными контурами – два ЧД с одиночными расстроенными контурами – рис.13.9. Один из контуров имеет резонансную частоту f01 выше центральной частоты fc входного сигнала, а другой – ниже f02 < fc .
Рис.13.9, а), б) – Балансный частотный детектор
Рис.13.9, в) – Балансный частотный детектор с взаимно расстроенными контурами
Балансный частотный детектор с взаимно расстроенными контурами (рис. 13.9, в) содержит два ЧД с одиночными контурами – рис. 13.7; L1C1-контур первого ЧД настроен на частоту f01, превышающую среднюю частоту f0 на f, a L2C2-контур второго ЧД – на частоту f02, которая на f ниже средней частоты входного сигнала f0. При частоте сигнала f = f0 напряжения на обоих контурах одинаковые UK1 = UK2, и выходные напряжения амплитудных детекторов также одинаковы, но противоположны по знаку EАД1 = – EАД2 и напряжение на выходе ЧД EЧД = 0 – рис. 13.9. При f > f0 напряжение UK1 на первом контуре становится больше, чем напряжение UK2 на втором, и соответственно |EАД1| > |EАД2| и выходное напряжение частотного детектора EЧД > 0. При f < f0 соотношение напряжений:
UK1 < UK2, |EАД1| > |EАД2| и EЧД < 0.
Характеристика детектирования балансного ЧД с взаимно расстроен-ными контурами практически симметрична, поэтому при детектировании отсутствуют искажения по второй гармонике. При значительном взаимном различии настройки контуров характеристика детектирования становится нелинейной.
Детекторы с преобразованием ЧМ-ФМ. Усилитель с одиночным резонансным контуром имеет ФЧХ, такую же как и LC-контур – рис. 13.10, а). Фазовый сдвиг в некоторых пределах пропорционален разности частоты сигнала и резонансной частоты контура, что позволяет использовать контур для преобразования изменений частоты в изменения фазового сдвига с последующим фазовым детектированием.
Один из вариантов ЧД с промежуточным преобразованием ЧМ – ФМ – АМ показан на рис. 13.10, б). LC-контур настроен на среднюю частоту сигнала. Выходной ток амплитудного ограничителя İ наводит в LC-контуре ЭДС, которая вызывает в нем ток İ К. Этот ток создает на контуре напряжение Ū, сдвиг фазы которого зависит от частоты сигнала – рис.13.10, а).
Одновременно ток İ создает на катушке связи L2 напряжение Ū0, фаза которого практически совпадает с фазой тока İ в широкой полосе частот. Результирующее напряжение с амплитудой
детектируется АД, состоящим из диода и ФНЧ – RН, СН. Напряжение на выходе амплитудного детектора пропорционально напряжению U, которое зависит от фазового сдвига = F(f), поэтому выходное напряжение EЧД также зависит от частоты.
Схема ЧД с двумя связанными контурами, настроенными на среднюю частоту сигнала, – на рис. 13.11. Плечи ЧД должны быть одинаковыми: RH1 = RH2 = RH; СН1 = СН2 = СН. Два индуктивно связанных контура L1C1 и L2C2 настроены на среднюю частоту сигнала f01 = f02 = f0. На выходе линейной цепи включены два диодных детектора, на нагрузках которых выделяются напряжения EАД1 и EАД2. Диоды VD1, VD2 одинаковы, RH1 = RH2, СH1 = СH2, потому коэффициенты передачи диодных детекторов одинаковы и равны cos. Т.о. EАД1 = UД1 cos и EАД2 = UД2 cos, где UD1; UD2 – амплитуды высокочастотных напряжений на диодах. Постоянная составляющая тока диода VD1 протекает по цепи VD1 RH1 Др верхняя половина L2 VD1, а постоянная составляющая тока VD2 – по цепи VD2 RH2 Др нижняя половина L2 VD2. Высокочастотный дроссель Др служит для замыкания цепи постоянной составляющей тока диода. Специального вычитающего устройства в схеме ЧД нет, а используется простое сложение напряжений EАД1 и EАД2 в противоположной полярности, следовательно,
EЧД = EАД1 – EАД2 = (UD1 – UD2) cos. (13.48)
Высокочастотная составляющая тока диода VD1 протекает по цепи: VD1 CH1 CH2 общий провод CБЛ L1C1 CСВ L2C2 VD1. К диоду VD1 приложено: половина напряжения на втором контуре 0,5Ū2 и напряжение на первом контуре Ū1, т. е. ŪD1 = Ū1 + 0,5Ū2 . Напряжение Ū1 выделяется на дросселе Др, подключенном по высокой частоте параллельно первому контуру L1C1. Для того чтобы индуктивность дросселя Lдр не влияла на индуктивность первого контура, при ее выборе выполняется условия Lдр 10L1.
По аналогии для диода VD2 можно записать ŪD2 = Ū1 – 0,5Ū2; знак «минус» обусловлен «встречным» включением диодов VD1, VD2 – к диодам прикладываются противоположные полярности напряжения и2.
При пояснении принципа работы ЧД с двумя связанными контурами условно будем считать напряжение на первом контуре опорным, поэтому фазу вектора напряжения Ū1 можно принять равной нулю. Из выражения для ЭДС, наводимой во втором контуре
Ē2 = jM İ L1= jMŪ1/(r1+ jL1) Ū1 /L1,
следует, что фаза ЭДС Ē2 совпадает с фазой Ū1 . ЭДС Ē2 вызывает ток во втором контуре, İ2 = Ē2 / [r2 + j(L2 – 1/C2 )]. Здесь r1, r2 – сопротивления потерь 1-го и 2-го контуров соответственно.
Характеристики
Тип файла документ
Документы такого типа открываются такими программами, как Microsoft Office Word на компьютерах Windows, Apple Pages на компьютерах Mac, Open Office - бесплатная альтернатива на различных платформах, в том числе Linux. Наиболее простым и современным решением будут Google документы, так как открываются онлайн без скачивания прямо в браузере на любой платформе. Существуют российские качественные аналоги, например от Яндекса.
Будьте внимательны на мобильных устройствах, так как там используются упрощённый функционал даже в официальном приложении от Microsoft, поэтому для просмотра скачивайте PDF-версию. А если нужно редактировать файл, то используйте оригинальный файл.
Файлы такого типа обычно разбиты на страницы, а текст может быть форматированным (жирный, курсив, выбор шрифта, таблицы и т.п.), а также в него можно добавлять изображения. Формат идеально подходит для рефератов, докладов и РПЗ курсовых проектов, которые необходимо распечатать. Кстати перед печатью также сохраняйте файл в PDF, так как принтер может начудить со шрифтами.
















