В.В. Филинов, А. В. Филинова - Электроника и основы измерений (1084406), страница 18
Текст из файла (страница 18)
Регистром называют устройство, предназначенное для записи и хранения дискретного «слова» – двоичного числа или другой кодовой комбинации.
Регистр – один из основных элементов ЭВМ и многих устройств автоматики и информационно – измерительной техники.
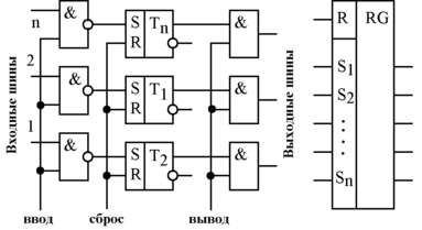
Основные элементы регистра – двоичные ячейки, в качестве которых применяются триггеры. Число ячеек определяется числом двоичных разрядов «слова» (длиной слова), на которое рассчитан регистр.На рисунке 3.33 приведены схема и условное обозначение n – разрядного регистра на RS – триггерах. Информация в ячейки регистра записывается по команде «ВВОД» (“1” на входе «ВВОД»). Тогда сигналы n входов установят в соответствующие состояния триггеры
. На выходе регистра информация появится по команде «ВЫВОД», в её отсутствие на выходах – нули. При считывании информация в регистре сохраняется.
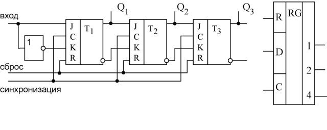
Описанный регистр может запоминать и выдавать информацию только в параллельных кодах, когда каждому разряду соответствует отдельная линия. Более экономичная передача информации в последовательных кодах, когда используется одна линия для последовательной (во времени) передачи комбинации нулей и единиц. Для записи и хранения информации в последовательных кодах применяют сдвигающие (сдвиговые) регистры. На рисунке 3.34 приведены схема и условное обозначение сдвигающего регистра на JK – триггерах (MS – типа). Здесь информация, поступившая на информационный вход, по окончании каждого синхронизирующего импульса передаётся («продвигается») из предыдущего триггера в последующий.
| а б |
| Рис. 3.34. Схема - а и условное обозначение - б сдвигающегося регистра с последовательным вводом информации |
Считывать информацию из сдвигающего регистра можно либо в последовательном коде с выхода
, продвигая информацию через все разряды регистра к выходу, либо в параллельном коде одновременно с выходов
,
,
.
Также существуют регистры сдвига с параллельным вводом информации.
Дешифратором (декодером) называют устройство, предназначенное для распознавания различных кодовых комбинаций (слов).
Каждому слову на входе дешифратора соответствует “1” на одном из его выходов. Такой дешифратор может применяться, например, для управления работой нескольких исполнительных механизмов. Тогда для включения одного из них на входы дешифратора достаточно подать присвоенный этому механизму цифровой код.
В более общем случае каждой определённой комбинации на m входах дешифратора соответствует n – элементный код на его выходах. Такие дешифраторы иногда называют преобразователями кодов. Они широко используются в вычислительной технике, а также в приборах с цифровой индикацией, например, для управления индикаторами на светоизлучающих диодах. Поскольку десятичные цифры (от 0 до 9) представляются 4 – разрядным двоичным кодом, а стилизованные изображения всех десятичных цифр в известных типах светодиодных индикаторов чаще всего составляют из семи светящихся сегментов (рисунок 3.35б), такой дешифратор должен иметь 4 входа, 7 выходов и распознавать только первые десять из 16 возможных входных кодовых комбинаций.
| а б |
| Рис.3.35. Дешифратор: а – схема подключения ТТЛ-дешифратора К514ИД1, б – обозначение семисегментного индикатора |
Условное обозначение микросхем дешифраторов на корпусе микросхемы после номера её серии имеет первой букву И (для всех цифровых устройств), а второй – букву Д. На рисунке 3.35а представлена схема подключения ТТЛ – дешифратора К514ИД1 для управления семи сегментным цифровым индикатором на светодиодах с объединёнными катодными выводами. Дешифратор работает обычным образом при высоком уровне сигнала на входе Е. Сигнал низкого уровня на этом входе независимо от информации на входах
переводит все выходы дешифратора в состояние логического нуля, в результате чего все светодиоды гаснут.
Таблица 3.9 иллюстрирует порядок функционирования двоично-десятичного семи сегментного дешифратора.
Таблица 3.9
ТАБЛИЦА СОСТОЯНИЙ ДВОИЧНО-ДЕСЯТИЧНОГО СЕМИСЕГМЕНТНОГО ДЕШИФРАТОРА
| Циф-ра | Двоично-десятичный код | Семи сегментный выход | |||||||||
| A | B | C | D | E | F | G | |||||
| 0 | 0 | 0 | 0 | 0 | 1 | 1 | 1 | 1 | 1 | 1 | 0 |
| 1 | 0 | 0 | 0 | 1 | 0 | 1 | 1 | 0 | 0 | 0 | 0 |
| 2 | 0 | 0 | 1 | 0 | 1 | 1 | 0 | 1 | 1 | 0 | 1 |
| 3 | 0 | 0 | 1 | 1 | 1 | 1 | 1 | 1 | 0 | 0 | 1 |
| 4 | 0 | 1 | 0 | 0 | 0 | 1 | 1 | 0 | 0 | 1 | 1 |
| 5 | 0 | 1 | 0 | 1 | 1 | 0 | 1 | 1 | 0 | 1 | 1 |
| 6 | 0 | 1 | 1 | 0 | 1 | 0 | 1 | 1 | 1 | 1 | 1 |
| 7 | 0 | 1 | 1 | 1 | 1 | 1 | 1 | 0 | 0 | 0 | 0 |
| 8 | 1 | 0 | 0 | 0 | 1 | 1 | 1 | 1 | 1 | 1 | 1 |
| 9 | 1 | 0 | 0 | 1 | 1 | 1 | 1 | 1 | 0 | 1 | 1 |
Дешифраторы выпускаются в виде интегральных микросхем, например трёхразрядный дешифратор К500ИД162М, преобразующий двоичный код в восьмеричный, четырёхразрядные преобразователи двоичного кода в десятичный К176ИД1 и К155ИД1. Дешифратор К155ИД1 позволяет подключать непосредственно к выходам катоды цифровых газоразрядных индикаторов ИН-16(ИН-4, ИН-12, ИН-14) с анодным напряжением 170 – 200 В и током катода не более 7 мА. Существуют также микросхемы, объединяющие счётчик с дешифратором, например микросхемы К176ИЕ3.
В тех случаях, когда требуется последовательно опросить логические состояния многих устройств и передать их на один выход, применяется устройство, называемое мультиплексором.
Мультиплексоры выпускают в виде микросхем, например К155КП2 (четырёхканальный мультиплексор
) или К155КП1 (шестнадцатиканальный мультиплексор
).
3.8. Цифроаналоговые и аналого-цифровые
преобразователи (ЦАП и АЦП)
Поскольку информация на входах цифровых устройств обычно представляется в двоичном коде, а большинство исполнительных механизмов для автоматизированного управления технологическими процессами (исполнительные двигатели, электромагниты и тому подобные), как правило, реагируют на непрерывно изменяющиеся уровни напряжения или тока, для преобразования информации из цифровой в аналоговую форму используют цифроаналоговые преобразователи (ЦАП). Помимо широкого промышленного применения ЦАП используются в современной бытовой электронике, например, в системах высококачественного воспроизведения звука, записанного в цифровой форме на световых носителях информации.
В системах автоматизированного управления для получения информации о состоянии контролируемого промышленного оборудования применяют различного рода преобразователи (датчики) неэлектрических величин в электрические сигналы, которые чаще всего представляются в аналоговом виде. Для последующей обработки этой информации при помощи цифровых устройств такие сигналы должны быть предварительно преобразованы в цифровую форму. В самом общем случае преобразование аналог – цифра выполняют в два этапа. В начале непрерывно изменяющийся сигнал заменяют его значениями в дискретные моменты времени, что называют дискретизацией во времени. Затем эти значения сигнала подают на вход аналого-цифровых преобразователей (АЦП), которые с некоторым шагом
квантования по уровню представляют их цифровым эквивалентом в виде двоичного кода.
















