В.В. Филинов, А. В. Филинова - Электроника и основы измерений (1084406), страница 17
Текст из файла (страница 17)
D-триггера и временные диаграммы его работы приведены на рисунке 3.28. Из диаграммы видно, что при наличии информационного сигнала на D входе в моменты
триггер не перекидывается. При приходе тактового импульса он перекинется (момент
), и примет исходное состояние при следующем тактовом импульсе в момент
. Таким образом D-триггер характеризуется задерж кой во времени перекидывания триггера при приходе на его информационный D вход сигнала. D-триггеры конструируются на основе R-S триггеров.
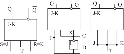
Т-триггер – триггер с счётным Т-входом. Характерным свойством Т-триггера является его переключение в противоположное состояние с приходом каждого очередного входного импульса. В виду его широкого применения в счётчиках импульсов его часто называют триггером со счётным запуском. Обычно он выполняется на базе R-S триггеров. Его условное обозначение приведено на рисунке 3.29а. Т-триггер может выполняться синхронным (рисунок 3.29б). В этом случае он имеет дополнительный вход С, на который подаются синхронизирующие импульсы.
J-K триггер получают на основе Т-триггеров. Они имеют дополнительные входы J и K. Наличие двух дополнительных входов расширяет функциональные возможности триггеров, в связи с чем J-K триггеры называют универсальными. При соответствующем включении J и K входов триггера могут быть получены R-S, D и T-триггеры. При этом R-S, D-T – триггеры получаются тактируемыми. R-S триггер (рисунок 30а) получают подачей на вход J сигнала S, а на вход K сигнала R. D-триггер создают (рисунок 3.30б) введением инвертора между входами J и K. Т-триггер (рисунок 3.30в) реализуют подключением J и K входов к входу Т.
В условном обозначении микросхемы триггера после номера серии имеют две буквы, первая из которых для всех триггеров буква Т, а вторая указывает тип триггера (В – JK-триггер, P – RS-триггер, M – D-триггер, Т – счётный триггер). Например, микросхема К555ТВ6 представляет собой два синхронных JK-триггера.
3.6. Счетчики импульсов
Подсчёт числа импульсов является наиболее распространённоё операцией в устройствах цифровой обработки информации. Повышенный интерес к таким устройствам объясняется их высокой точностью, возможностью применения регистрирующих приборов с непосредственным цифровым представлением результата, а также возможностью осуществления связи с ЭВМ.
В устройствах цифровой обработки информации измеряемый параметр (угол поворота, перемещение, скорость, частота, время, температура и т.д.) преобразуются в импульсы напряжения, число которых в соответствующем масштабе характеризует значение данного параметра. Эти импульсы подсчитываются счётчиками импульсов и выражаются в виде цифр.
Счётчик – устройство, предназначенное для счёта числа электрических импульсов, поступающих на его вход. Счётчики импульсов выполняются на основе триггеров. Счёт импульсов производится с использованием двоичной системы счисления.
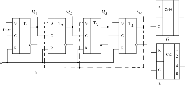
Наиболее простым счётчиком является двоичный счётчик. Такой счётчик (рисунок 31) состоит из “n” триггеров (регистров) со счётным запуском. Максимальное число импульсов, которое может сосчитать счётчик при последовательном соединении триггеров составит
. Для четырёхразрядного двоичного счётчика (рисунок 31)
. Временная диаграмма состояний счётчика приведена на рисунке 32.
Перед поступлением счётных импульсов все разряды счётчика устанавливаются в состояние “0” (Q1=Q2=Q3=Q4=0) подачей импульсов на входе R – «установка нуля». После поступления первого счётного импульса первый разряд переходит в состояние
. В счетчике записывается число 1 с двоичным кодом 1000. По окончанию действия второго импульса первый разряд счетчика переходит «0», второй – «1». В счётчике записывается число 2 с двоичным входом 0010. Подобным же образом осуществляется работа счётчика при последующих счётных импульсах (смотри рисунок 3.32 и таблицу 3.4.7). При поступлении 15-го импульса все разряды счётчика устанавливаются в состояние “1”, а 16-ым импульсом все разряды обнуляются.
| Рис. 3.31. Схема четырехразрядного счетчика - а; условное обозначение десятичного - б и двоичного - в счетчиков |
Таблица 3.7
В процессе работы двоичного счётчика частота следования импульсов на выходе каждого последующего триггера уменьшается вдвое по сравнению с частотой его входных импульсов (смотри рисунок 3.32). Это свойство схемы используют для построения делителей частоты.
В большинстве электронных устройств необходимо отображать показания счётчика на индикации. Наиболее удобна десятичная индикация. Для этих целей создаются двоично-десятичные счётчики. Их особенностью является счёт до 10 с последующим сбросом. Построение такого счётчика возможно на базе четырехразрядного двоичного счётчика с исключением избыточных состояний. Для этого в схему счётчика вводят дополнительные обратные связи (смотри рисунок 3.31 – пунктир) с выхода триггера Т4 на входы триггеров Т2 и Т3. Состояния разрядов двоично-десятичного счётчика приведены в таблице 3.8.
Таблица 3.8
До восьмого импульса счёт идёт как у двоичного счётчика. Далее в четвёртом разряде счётчика появляется “1”, которая через дополнительные связи схемы переводит 2-й и 3-й разряды в состояние “1”. Девятый импульс переводит первый разряд и все другие в “1”, а десятый обнуляет счётчик и счёт начинается снова.
Микросхемы счётчиков после номера серии обозначают буквами ИЕ. В настоящее время выпускается довольно обширная их номенклатура. Так счётчик К555ИЕ18 представляет собой счётчик на ТТЛ - элементах.
3.7. Регистры, дешифраторы, мультиплексоры















