В.В. Филинов, А. В. Филинова - Электроника и основы измерений (1084406), страница 13
Текст из файла (страница 13)
2.3.4. Внешняя характеристика выпрямителя
Внешней характеристикой выпрямителя называют зависимость напряжения на нагрузочном устройстве от тока в нем UН = ƒ(IН). Наличие такой зависимости обусловлено тем, что в реальном выпрямителе сопротивления диодов и обмоток трансформатора не равны нулю, а имеют конечные значения. На этих сопротивлениях от протекания выпрямленного тока IН создается падение напряжения, приводящее к уменьшению напряжения UН.
На рис.2.35 изображена зависимость UН = ƒ(IН) выпрямителя без фильтра (кривая 1), где U
Внешняя характеристика П-образного фильтра (кривая 3) на рис.2.35 имеет еще более крутой наклон, чем кривая 2. Это вызвано дополнительным падением напряжения на последовательно включенной катушке LФ.
2.3.5. Стабилизаторы напряжения
Уменьшение напряжения нагрузки UН при изменении потребляемого тока IН (рис.2.35) или из-за изменения температуры является нежелательным явлением, т.к. снижают надежность работы электронных устройств. Поддержание напряжения нагрузочного устройства на заданном уровне обеспечивают стабилизаторы напряжения.
По способу стабилизации различают параметрические и компенсационные стабилизаторы.
Параметрические стабилизаторы используют в принципе работы свойства ВАХ электронных приборов. Для примера рис.2.36а приведена схема параметрического стабилизатора, выполненного на основе стабилитрона.
Стабилитрон Д включен параллельно нагрузке RН, при этом изменение тока в пределах ∆ I практически не меняет UСТ=UН (рис. 2.36б). Последовательно со стабилитроном выключен балластный резистор RБ обеспечивающий требуемый режим работы стабилитрона.
В компенсационных стабилизаторах постоянство напряжения обеспечивается за счет автоматического регулирования выходного напряжения источника питания. Это достигается наличием отрицательной обратной связи между выходом и регулирующим элементом (транзистор, микросхема), который изменяет свое сопротивление так, что компенсирует возникающие отклонения выходного напряжения. Схемотехнических решений компенсационных стабилизаторов множество.
3. ОСНОВЫ ЦИФРОВОЙ СХЕМОТЕХНИКИ
3. 1.Общие сведения
В современной информационной электронике импульсный принцип построения систем занимает доминирующее положение по сравнению с аналоговым принципом. На базе импульсной технике выполняются системы управления и регулирования, устройства измерения и отображения информации. На ней основана цифровая вычислительная техника.
В отличие от аналоговых систем, в которых сигналы изменяются непрерывно во времени (например, напряжение изменяется пропорционально регулируемой температуре), в импульсных системах используются сигналы (напряжение, ток) импульсной формы.
1. В импульсном режиме может быть достигнута значительная мощность во время действия импульсов при малом значении средней (за период их повторения) мощности устройства. Очевидно, это преимущество проявляется сильнее при уменьшении длительности импульсов по отношению к периоду их повторения. В результате габариты и масса электронной аппаратуры, определяемые в основном средней мощностью, при использовании импульсного режима могут быть существенно снижены.
2. Импульсный режим позволяет ослабить влияние температуры и разброса параметров полупроводниковых приборов на работу устройств. Это объясняется уменьшением энергии, выделяемой в элементах импульсного устройства. Разброс параметров не отражается существенно на работе импульсных устройств в связи с тем, что полупроводниковые приборы в них работают, как правило, в ключевом режиме, предполагающем два крайних состояния: “Включено “ – “Выключено”.
| а) б) в) г) д) е) |
| Рис. 3.1. Форма видеоимпульсов: а – прямоугольный, б – трапецеидальный, в – экспоненциальный, г – колоколообразный, д – ступенчатый, е – пилообразный |
3. Импульсный режим позволяет значительно повысить пропускную способность и помехоустойчивость электронной аппаратуры. Пропускная способность – возможная наибольшая скорость передачи информации, а помехоустойчивость – способность аппаратуры правильно функционировать в условиях действия помех. Сигналы импульсных устройств дискретны и представляются комбинацией стандартных импульсов, поэтому скорость передачи таких сигналов выше, чем непрерывных. Выше и помехоустойчивость, так как искажение параметров импульсов (например,
амплитуды) помехами не искажает информацию, заключенную в определенном сочетании импульсов.
4. Для реализации импульсных устройств, даже сложных (например, вычислительных машин), требуется большое число сравнительно простых однотипных элементов, легко выполняемых методами интегральной технологии. Это позволяет повысить надежность, уменьшить габариты и массу электронной аппаратуры.
Импульсные устройства широко распространены в вычислительной технике, радиолокации, телевидении, автоматике, промышленной электронике. Переход к дискретному представлению сигналов в виде сочетания импульсов в измерительной технике позволил резко повысить точность измерительных приборов. Импульсный режим работы лежит в основе современных быстродействующих цифровых вычислительных машин. Мощные импульсы передатчиков излучаются антеннами радиолокаторов, а слабые, отраженные отразличных объектов импульсы, принимаются и обрабатываются приемниками, причем импульсный режим позволяет выделять сигналы, амплитуда которых значительно меньше уровня помех.
В импульсной технике применяют, как правило, видеоимпульсы, примеры которых приведены на рис.3.1.
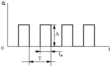
Обычно импульсы следуют периодически с периодом Т, которому соответствует частота повторения F=1/Т (Рис.3.2.). Отношение периода Т к длительности tи импульсов называют скважностью: q = Т/tи. Скважность обычно колеблется в пределах от 2 – 10 (автоматика, вычислительная техника) до 10000 (радиолокация). Приведенные на рис. 2. импульсы идеализированы.
Реальные импульсы рис. 3.3. искажены, что выражается обычно в замедлении нарастания и убывания импульса, а также в спаде его плоской вершины. Это связано с наличием переходных процессов в n-р переходах, реализующих импульсный режим работы элементов. Реальные импульсы характеризуют следующими основными параметрами (рис.3.3):
амплитудой импульса А;
длительностью импульса tи обычно определяемой на уровне 0,1 А;
длительностью фронта импульса tф – временем нарастания импульса от 0,1 до 0,9 А;
длительностью среза импульса tс– временем убывания импульса от 0,9 до 0,1 А;
спадом вершины импульса ∆ А.
Для определения полосы пропускания устройств, предназначенных для передачи импульсных сигналов, важно знать спектральный состав этих сигналов. Периодическую последовательность импульсов характеризуют спектром в виде суммы бесконечно большого числа гармоник. Амплитудные спектры – зависимости амплитуд гармоник от частоты – различны для разных форм импульсов, их длительности и периода. На рис.3.4. показан амплитудный спектр периодических прямоугольных импульсов (см. рис.3.2.).Отдельные составляющие спектра отстоят одна от другой по оси частот на величину частоты повторения F=1/Т. Поэтому спектр содержит постоянную составляющую А (0) и амплитуды гармоник с частотами, кратными F. Другие составляющие спектра отсутствуют. Такой спектр называют линейчатым (дискретным). В спектре рис.3.4. отсутствуют также составляющие с частотами, кратными 1/tи. Спектры характеризуют активной шириной, представляющей собой диапазон частот от ƒ=0 до ƒmax=Fa, в котором заключено 95% энергии сигнала. Для прямоугольного импульса Fа=2/tи. Чтобы импульс почти не искажался при передаче через электрическую цепь (например, через усилитель), нужно обеспечить ширину полосы пропускания цепи не менее Fа. Таким образом, для неискаженной передачи прямоугольного импульса требуется полоса 2/tи. Например, для прямоугольного импульса длительностью tи = 1мкс необходима полоса пропускания ∆ ƒ = 2/tи = 2/10-6 = 2 МГц. Заметим, что ширина полосы пропускания, обеспечивающая неискаженную передачу, не зависит от частоты повторения импульсов при постоянной их длительности.
3.2. Электронные ключи и простейшие формирователи импульсов
В состав многих импульсных устройств входят электронные ключи. Основу любого электронного ключа составляет активный элемент (полупроводниковый диод, транзистор, операционный усилитель), работающий в ключевом режиме. Ключевой режим характеризуется двумя состояниями ключа: “Включено” – “Выключено”. На рис.3.5., а – в приведены упрощенная схема и временные диаграммы идеального ключа. При разомкнутом ключе i=0, uвых=E, при замкнутом ключе i=E/R, uвых=0. При этом предполагается, что сопротивление разомкнутого ключа бесконечно велико, а сопротивление замкнутого ключа равно нулю. В реальных ключах токи, а также уровни выходного напряжения, соответствующие состояниям “Включено” – “Выключено”, зависит от типа и параметров применяемых активных элементов и переход из одного состояния в другое происходит не мгновенно, а в течение времени, обусловленного инерционностью активного элемента и наличием паразитных емкостей и индуктивности цепи. Качество электронного ключа определяется следующими основными параметрами:
-
падением напряжения на ключе в замкнутом состоянии u3;
-
током через ключ в разомкнутом состоянии iр;
- временем перехода ключа из одного состояния в другое (временем переключения) tпер.
Чем меньше значения величин U, iр и tпер, тем выше качество ключа. Простейший тип электронных ключей – диодные ключи. В качестве активных элементов в них используют полупроводниковые или электровакуумные диоды. На рис.3.6,а - приведена схема последовательного диодного ключа, а на рис.6,б – его
| а б |
| Рис. 3.6. Схема - а и передаточная характеристика – б последовательного диодного ключа с нулевым уровнем включения. |
п
ередаточная характеристика. При положительном входном напряжении диод открыт и ток через него















