В.В. Филинов, А. В. Филинова - Электроника и основы измерений (1084406), страница 9
Текст из файла (страница 9)
В классе В напряжение смещения Uбэо равно нулю и точка покоя располагается в нижнем конце линии нагрузки.
Класс АВ – промежуточный между классами А и В.
В классе С точка покоя выбирается в области отсечки и при отсутствии входного сигнала транзистор заперт.
2.1.5. Эмиттерный повторитель
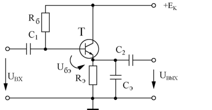
Малое Rвх и высокое Rвых сопротивления является недостатком УОЭ, не позволяющим к его входу подключать высокоомных источник входного сигнала и низкоомное нагрузочное устройство (например, акустический динамик, обмотку двигателя и т.д.). Этих недостатков лишен эмиттерный повторитель (см. рис. 2.9). Назначение элементов Rб, С1, С2, Ек тоже, что и УОЭ.
Нагрузочный резистор Rэ включается в цепь эмиттера биполярного транзистора, поэтому эта схема является усилителем с эмиттерной нагрузкой. Коллектор по переменной составляющей тока и напряжения соединен непосредственно с общей точкой усилителя, так как падение напряжения от переменной составляющей тока на внутреннем сопротивлении источника коллекторного напряжения Ек незначительно. Поэтому этот каскад является усилителем с общим коллектором (ОК). Таким образом, можно считать, что входное напряжение подается между базой и коллектором через разделительный конденсатор С1, а выходное напряжение, равное падению напряжения на резисторе Uвх от переменной составляющей эмиттерного тока, снимается между эмиттером и коллектором через конденсатор С2.
В режиме покоя, т.е. при Uвх=0 начальный ток смещения в цепи базы Iб0 задается резистором Rб. Эту величину выбирают такой, чтобы рабочая точка усилительного каскада находилась примерно посередине линейного участка входной характеристики.
При наличии переменного напряжения на входе Uвх появляется переменная составляющая эмиттерного тока iэ, совпадающая по фазе со входным сигналом. На резисторе Rэ выходное напряжение uвых = Rэiэ также совпадает по фазе с током iэ и следовательно, со входным сигналом (сдвиг по фазе между входным и выходным напряжением равен 0). Для входной цепи по переменному току выполняется 2-й закон Кирхгофа uвх = uбэ+ uвых. Так как uбэ « uвых , то uвх uвых . Таким образом на вход транзистора между базой и эмиттером подаётся переменное напряжение, равное разности входного и выходного сигналов, т.е. усиливаемое напряжение весьма мало. Это так называемая отрицательная обратная связь по напряжению, приводящая к тому, что коэффициент усиления этого каскада по напряжению близок к единице:
Кu =( 0,8 ÷ 0,95).
Так как выходное напряжение этого усилительного каскада мало отличается от входного по величине и фазе, этот каскад называют эмиттерным повторителем.
Входное сопротивление эмиттерного повторителя составляет величину
а выходное сопротивление -
Ом. Таким образом эмиттерный повторитель обладает большим входным и малым выходным сопротивлением, следовательно, его коэффициент усиления по току может быть очень высоким, т.е. это усилитель тока (Кi = h21=β).
Температурная стабилизация в эмиттерном повторителе обеспечивается цепочкой RЭСЭ, схема повторителя отличается высокой температурной стабильностью, а также малыми частотными искажениями.
Эмиттерный повторитель включают между источником сигнала ЕГ и УОЭ, УОЭ и нагрузочным устройством RH для согласования сопротивлений этих устройств по величине и исключения их шунтирования друг друга.
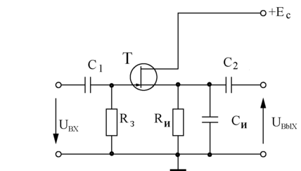
2.1.6 Усилительный каскад на полевом транзисторе
Большое распространение получили усилительные каскады на полевых
транзисторах, так как они обладают значительно большим входным сопротивлением по сравнению с усилительными каскадами на биполярных транзисторах. Малый входной ток, за счет высокого входного сопротивления полевого транзистора, позволяет обеспечить высокое отношение полезного сигнала к собственному шуму и конструировать высокочувствительные усилители (до 0,01÷0,1мВ) в измерительной технике. Наиболее часто используется каскад с общим истоком, схема которого приведена на рис.2.10.
Полярность источника питания определяется типом применяемого полевого транзистора. В транзисторе с n-каналом напряжение ЕС положительно.
В цепь стока включен нагрузочный резистор RС, обеспечивающий динамический режим работы усилителя. На транзисторе RС выделяется усиленное переменное напряжение.
В цепи истока резистор RИ создает необходимое смещение между затвором и истоком. При этом потенциал затвора оказывается ниже потенциала истока на величину падения напряжения на резисторе RИ от тока покоя истока IИ0 ток покоя в цепи затвора равен нулю.
Входное напряжение подается на резистор R3 через разделительный конденсатор С1. При этом в канале полевого транзистора появляются переменные составляющие тока истока iИ и тока стока ic , причем iИ ic . Для того, чтобы переменная составляющая тока истока не создавала падение напряжения на резисторе RИ и не уменьшала за счет этого величину усиливаемого сигнала между затвором и истоком по сравнению со входным напряжением, резистор RИ шунтируется конденсатором CИ. Сопротивление конденсатора на самой низкой частоте усиливаемого напряжения должно быть во много раз меньше сопротивления резистора. При этом условии падение напряжения от тока истока iИ на цепочке RИCИ, называемой звеном автоматического смещения, имеет очень небольшую величину, так что по переменной составляющей тока исток можно считать соединенным с общей точкой усилительного каскада.
Выходное напряжение снимается через разделительный конденсатор С2 между стоком и общей точкой каскада, т.е. оно равно переменной составляющей напряжения между стоком и истоком.
Рассматриваемый усилительный каскад является усилителем напряжения. Величина коэффициента усиления каскада составляет:
Кu = 10 100.
Входное сопротивление полевых транзисторов, т.е. сопротивление между затвором и истоком, имеет величину порядка 107 Ом, поэтому входное сопротивление усилителя определяется сопротивлением резистора R3, который подключен параллельно входным зажимам полевого транзистора:
Rвх R3 = 105 ÷106 Ом.
Выходное сопротивление современных полевых транзисторов (сопротивление между стоком и истоком) имеет величину порядка 105 Ом, поэтому выходное сопротивление усилительного каскада на полевом транзисторе определяется сопротивлением резистора RC:
Rвых RС = 103 ÷ 104 Ом.
Таким образом у этого усилителя Rвых << Rвх, что является важным преимуществом усилительного каскада на полевых транзисторах.
Анализ работы усилительного каскада на полевом транзисторе с общим истоком может быть проведен графоаналитическим методом аналогично усилителю на биполярном транзисторе с общим эмиттером.
2.1.7. Истоковый повторитель
Усилительный каскад, аналогичный эмиттерному повторителю может быть построен на полевом транзисторе, называется каскад истоковым повторителем. Схема его приведена на рис.2.11.
В этом каскаде сток по переменной составляющей соединен с общей точкой усилителя, нагрузочный резистор Ru включен в цепь истока.
Свойства этого каскада аналогичны свойствам эмиттерного повторителя: он имеет высокое входное сопротивление до 10 МОм и выше, низкое выходное сопротивление менее 1 кОм, коэффициент передачи напряжения Кu 1, фаза выходного напряжения практически равна фазе входного напряжения. Коэффициент усиления по току Кi истокового повторителя значительно больше, чем у эмиттерного повторителя, Кi доходит до величины от нескольких десятков тысяч до миллиона.
Истоковые повторители, так же как и эмиттерные повторители, чаще всего применяют в качестве вспомогательных усилительных каскадов для согласования высокоомных источников усиливаемого напряжения с низкоомными нагрузочными устройствами.
2.1.8. Усилители мощности
Рассмотренные ранее усилительные каскады обеспечивают получение на выходе сигналов, мощность которых значительно выше мощности входных сигналов, однако, основным показателем работы этих каскадов являются коэффициент усиления по напряжению, а в эмиттерном и истоковом повторителе коэффициент усиления по току.
В том случае, когда в нагрузочном устройстве необходимо выделить максимальную мощность, используются усилители мощности. Они, как правило, являются выходными каскадами многокаскадных усилителей. Основным параметром усилителя мощности является коэффициент усиления по мощности, равный произведению коэффициентов усиления по напряжению и току:
Кр = Кu Кi
Нагрузочными устройствами усилителя мощности являются обмотки электродвигателей, реле, громкоговорителей и других элементов электрических цепей, имеющие сравнительно небольшие сопротивления (единицы и десятки Ом). При выбранном усилительном элементе усилителя и заданном источнике усиливаемого сигнала получение максимальной мощности в нагрузочном устройстве возможно лишь при условии, что сопротивление нагрузки равно выходному сопротивлению усилительного каскада, т.е. в согласованном режиме.
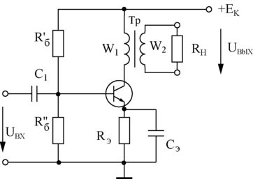
Для согласования сопротивлений нагрузочного устройства с выходным сопротивлением усилителя мощности используются понижающие трансформаторы. Схема усилительного каскада с трансформатором, нагруженным на резистор RН, показана на рис. 2.12.
Первичная обмотка трансформатора включена в цепь коллектора; сопротивление нагрузки, приведенное к первичной обмотке трансформатора равно:
R/Н = (W1/W2)2 RН,
где W1 и W2 – число витков первичной и вторичной обмоток трансформатора. Следовательно при определенном коэффициенте трансформации трансформатора = W1/W2 можно добиться равенства Rвых=R/Н.
Назначение остальных элементов схемы аналогично усилителю напряжения.
Для усилителей мощности важное значение имеет коэффициент полезного действия (к.п.д.), который зависит от режима работы усилительного элемента. В приведенной схеме, называемой однотактным усилителем мощности, используется режим усиления класса А. При этом нелинейные искажения минимальны, однако к.п.д. низок (не более 50%).
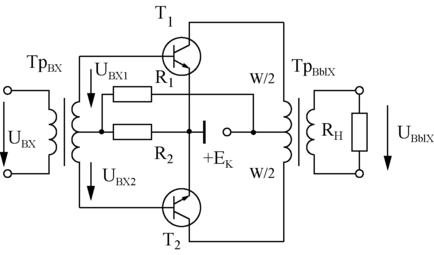
С целью повышения к.п.д. усилительного каскада используется двухтактные усилители мощности, состоящие из двух симметричных плеч (рис. 2.13). Эти усилители работают чаще всего в режиме класса В, что значительно повышает к.п.д. ( до 80 %).
Транзисторы Т1 и Т1 , которые подбирают с максимально близкими характеристиками, работают в одинаковом режиме. Единственным отличием в работе плеч усилителя является противофазность токов и напряжений в цепях баз транзисторов и обусловленная этим противофазность переменных токов и напряжений в коллекторных цепях.















