В.В. Филинов, А. В. Филинова - Электроника и основы измерений (1084406), страница 5
Текст из файла (страница 5)
Для анализа работы транзистора и для расчетов схем при больших сигналах часто используют вольт-амперную характеристику (ВАХ) транзистора. На рис. 1.13 показаны типовые ВАХ маломощного биполярного транзистора по схеме включения с ОЭ. Зависимость между током и напряжением во входной цепи транзистора IБ=f1(UБЭ) называют входной или базовой характеристикой транзистора (рис. 1.13,а). Зависимость тока коллектора от напряжения между коллектором и эмиттером при фиксированных значениях тока базы IК=f2(UКЭ)|Iб=const называют семейством выходных (коллекторных) ВАХ транзистора ( рис. 1.1.13,б). Входная характеристика практически не зависит от напряжения UКЭ, а выходные приблизительно равноудалены друг от друга и почти прямолинейны в широком диапазоне изменения напряжения UКЭ. Для аналитических расчетов устройств с биполярными транзисторами используют h-параметры транзисторов.
Параметры h могут быть легко определены по входной и выходным характеристикам транзистора с учетом приведенных выше зависимостей.
Параметр h11 имеет размерность сопротивления, он представляет собой входное сопротивление биполярного транзистора. Параметр h12 – безразмерный коэффициент внутренней обратной связи по напряжению. Его значения лежат в пределах 0,002 – 0,0002 и в большинстве случаев им можно пренебречь, т.е. полагать равным нулю. Параметр h21 – коэффициент передачи тока, характеризующий усилительные (по току) свойства транзистора при постоянном напряжении на коллекторе. Параметр h22 имеет размерность проводимости и характеризует выходную проводимость транзистора при постоянном токе базы.
Характеристики транзистора сильно зависят от температуры. С повышением температуры резко возрастает начальный коллекторный ток IК0 вследствие значительного увеличения количества неосновных носителей заряда в коллекторе и базе. В то же время несколько увеличивается и коэффициент h21 из-за увеличения подвижности носителей заряда. h-параметры транзистора, особенно коэффициент передачи тока h21, зависят от частоты переменного напряжения, при котором производят измерения приращений токов и напряжений ΔIБ, ΔIК, ΔUБЭ, ΔUКЭ, так как на высоких частотах начинает сказываться конечное время, за которое носители заряда (в транзисторе типа n-p-n это электроны) проходят расстояние от эмиттера до коллектора транзистора.
Частоту, на которой коэффициент передачи тока h21 уменьшается до единицы, называют граничной частотой коэффициента передачи тока fГР. На практике часто используют частоту f0, на которой параметр h21 уменьшается в
раза.
Для предотвращения перегрева коллекторного p-n-перехода необходимо, чтобы его мощность не превышала некоторого максимального значения:
PК=IК UКЭ≤PК макс.
Таким образом, ограничивающей кривой на коллекторных характеристиках является зависимость IК=PК макс/UКЭ.
В целях увеличения допустимой мощности коллектора PК макс в мощных транзисторах коллектор для улучшения теплоотвода соединяют с металлическим корпусом транзистора, а сам транзистор монтируют на специальном радиаторе.
Ограничение по допустимой мощности коллектора не является единственным. Если между коллектором и эмиттером приложено слишком высокое напряжение, то может произойти электрический пробой коллекторного p-n-перехода, поэтому необходимо, чтобы при работе транзистора коллекторное напряжение было меньше допустимого:
UКЭ≤UКЭ макс.
Существует аналогичное ограничение и по коллекторному току
IК≤IК макс,
которое обусловлено допустимым нагревом эмиттерного перехода.
Область, выделенная этими тремя ограничивающими линиями (рис. 1.14), является рабочей областью характеристик транзистора.
Из емкости p-n-переходов существенное значение имеет только емкость коллекторного перехода CКБ.
Входное сопротивление биполярных транзисторов составляет (10÷100) Ом, выходное (1÷10) кОм.
Диапазоны значений остальных параметров отечественных биполярных транзисторов приведены в табл. 1.2.
Таблица 1.2. Значение параметров биполярных транзисторов.
| Тип транзистора | UКЭмакс,В | PКмакс,Вт | IКмакс,А | fГР,МГц | CКБ,пФ | h21 |
| Маломощный Средней мощности Большой мощности | 10-80 12-500 20-1500 | 00,1-0,3 0,3-3,0 3,0-100 | 00,1-0,4 ≤10 ≤50 | 1,0-8000 1,0-100 0,2-10 | 1-10 5-100 10-1000 | 20-1000 20-600 20-200 |
1.1.6. Полевые транзисторы
Полевым транзистором называют полупроводниковый электропреобразовательный прибор, ток которого управляется электрическим полем и который предназначен для усиления электрической мощности.
В полевых, или униполярных транзисторах в отличие от биполярных ток определяется движением только основных носителей заряда одного типа – электронов или дырок.
Носители заряда перемещаются по каналу от электрода, называемого истоком (И) к электроду, называемому стоком (С). С помощью третьего электрода – затвора (З) создается поперечное направлению движения носителей заряда управляющее электрическое поле, позволяющее регулировать электрическую проводимость канала, а следовательно, и ток в канале.
Полевые транзисторы изготавливают из кремния и в зависимости от электропроводимости исходного материала подразделяют на транзисторы с p-каналом и n-каналом.
По типу управления током канала полевые транзисторы подразделяются на два вида: с управляющим p-n-переходом и с изолированным затвором. На рис. 1.15 приведены графические обозначения этих полевых транзисторов.
| Рис. 1.15. Обозначения полевых транзисторов n и p типов проводимости: а, б – с управляющим p-n-переходом; в, г – с изолированным затвором, где С – сток, З – затвор, И – исток, П – подложка. |
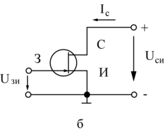
Структура и схема включения полевого транзистора с n-каналом и управляющим p-n-переходом показаны на рис. 1.16.
| Рис. 1.16. Структура-а и схема включения-б полевого транзистора с затвором в виде p-n-перехода и каналом n-типа: 1,2 – области канала Δ и p-n-переходов. | |
В транзисторе с n-каналом основными носителями заряда в канале являются электроны, которые движутся вдоль канала 1 шириной Δ от истока с низким потенциалом к стоку с более высоким потенциалом, образуя ток стока IС. Между затвором и истоком приложено обратное напряжение, запирающее p-n-переход 2, образованный n-областью канала и p-областью затвора. Таким затвором, в полевом транзисторе с n-каналом полярности приложенных напряжений следующие: UСИ>0, UЗИ≤0. В транзисторе с p-каналом основными носителями заряда являются дырки, которые движутся в направлении снижения потенциала, поэтому полярности приложенных напряжений должны быть иными: UСИ<0, UЗИ≥0.
При изменении электрического потенциала на затворе меняется ширина p-n переходов 2, что приводит к изменению ширины Δ канала 1. Последнее меняет количество электронов (дырок), движущихся через сечение канала, и соответственно – ток стока IС.
ВАХ полевого транзистора приведены на рис. 1.17. Здесь зависимости тока стока IС от напряжения UСИ при постоянном напряжении на затворе UЗИ определяют выходные, или стоковые, характеристики полевого транзистора (см. рис. 1.17,а). На начальном участке характеристик, UСИ+|UЗИ|<UЗАП ток IС возрастает с увеличением UСИ. При повышении напряжения сток-исток до UСИ=UЗАП-|UЗИ| происходит перекрытие канала и дальнейший рост тока IС прекращается (участок насыщения). Отрицательное напряжение UЗИ между затвором и истоком приводит к меньшим значениям напряжения UСИ и тока IС, при которых происходит перекрытие канала. Область насыщения справа от пунктирной линии является рабочей областью выходных характеристик полевого транзистора.
Дальнейшее увеличение напряжения UСИ приводит к пробою
p-n-перехода между затвором и каналом и выводит транзистор из строя. По выходным характеристикам может быть построена передаточная характеристика IС=f(UЗИ) (рис.1.17,б). На участке насыщения она практически не зависит от напряжения UСИ. Входная характеристика полевого транзистора – зависимость тока утечки затвора IЗ от напряжения затвор – исток – обычно не используется, так как при UЗИ≤0 p-n-переход между затвором и каналом закрыт и ток затвора очень мал (IЗ=10-8÷10-9 А), поэтому во многих случаях им можно пренебречь.
В настоящее время широкое распространение получили полевые транзисторы, в которых металлический затвор изолирован от полупроводника слоем диэлектрика. Такие транзисторы называют МДП-транзисторами (металл – диэлектрик – полупроводник) или МОП-транзисторами (металл – оксид – полупроводник). В последнем случае под оксидом понимают оксид кремния, который является высококачественным диэлектриком. Их входное сопротивление достигает 1015 Ом, т.е. ток затвора на несколько порядков ниже тока полевых транзисторов с управляющим p-n-переходом.
ВАХ полевых транзисторов с изолированным затвором в основном аналогичны характеристикам полевых транзисторов с управляющим p-n-переходом.
Основными параметрами полевых транзисторов являются крутизна характеристики передачи
и дифференциальное (внутренние) сопротивление стока (канала) на участке насыщения
















