В.В. Филинов, А. В. Филинова - Электроника и основы измерений (1084406), страница 3
Текст из файла (страница 3)
В сильнолегированных полупроводниках ширина запирающего слоя меньше, что препятствует возникновению лавинного пробоя, так как движущиеся носители не приобретают энергию, достаточной для ударной ионизации. В тоже время может возникать электрический пробой p-n-перехода, когда при достижении критического напряжения электрического поля в p-n-переходе за счет энергии поля появляются пары носителей электрон - дырка, и существенно возникает обратный ток перехода.
Для электрического пробоя характерна обратимость, заключающаяся в том, что первоначальные свойства p-n-перехода полностью восстанавливаются, если снизить напряжение на p-n-переходе. Благодаря этому электрическому пробою используют в качестве рабочего режима в полупроводниковых диодах.
Если температура p-n-перехода возрастает в результате его нагрева обратным током и недостаточного теплоотвода, то усиливается процесс генерации пар носителей заряда. Это, в свою очередь, приводит к дальнейшему увеличению тока (участок 5 рис. 1.2) и нагреву p-n-перехода, что может вызвать разрушение перехода. Такой процесс называется тепловым пробоем. Тепловой пробой разрушает p-n-переход.
1.1.4. Полупроводниковые диоды
Полупроводниковым диодом называется прибор, который имеет два вывода (приставка "ди-" означает два) и содержит один p-n-переходов. Все полупроводниковые диоды можно разделить на две группы: выпрямительные и специальные. Выпрямительные диоды, как следует из самого названия, предназначены для выпрямления переменного тока. В зависимости от частоты и формы переменного напряжения они делятся на высокочастотные, низкочастотные и импульсные. Специальные типы полупроводниковых диодов используют различные свойства p-n-переходов; явление пробоя, барьерную емкость, наличие участка с отрицательным сопротивлением и др.
Конструктивно выпрямительные диоды делятся на плоскостные и точечные, а по технологиям изготовления на сплавные, диффузионные и эпитаксиальные. Плоскостные диоды благодаря большой площади p-n-перехода используются для выпрямления больших токов. Точечные диоды имеют малую площадь р-n-перехода и, соответственно, предназначены для выпрямления малых токов. Для увеличения напряжения лавинного пробоя используются выпрямительные столбы, состоящие из ряда последовательно включенных диодов.
Выпрямительные диоды большой мощности называются силовыми. Материалом для таких диодов служит кремний или арсенид галлия. Германий практически не применяется из-за сильной температурной зависимости обратного тока. Кремниевые сплавные диоды используются для выпрямления переменного тока с частотой до 5 кГц. Кремниевые диффузионные диоды могут работать на повышенной частоте, до 100 кГц. Кремниевые эпитаксиальные диоды с металлической подложкой ( с барьером Шотки) могут использоваться на частотах до 500 кГц. Арсенидгаллиевые диоды способны работать в диапазоне частот до нескольких МГц.
При большом токе через p-n-переход значительное напряжение падает в объеме полупроводника, и пренебречь им нельзя.
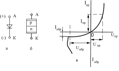
Условное графическое обозначение полупроводникового диода и полярность напряжения на электродах приведено на рис. 3а, а его структура на рис. 1.3б. Электрод диода, подключенный к области р, называют анодом (А), а электрод, подключенный к области n, - катодом (К). Статистическая вольт-амперная характеристика соответствует вольт-амперной характеристике p-n-перехода(рис. 1.2) и показана на рис. 1.3в.
Основными параметрами выпрямительных диодов является прямое напряжение Uпр, которое нормируется при определенном прямом токе Iпр; максимально допустимой прямой ток диода Iпр. макс; максимально допустимое обратное напряжение диода Uпр.макс; обратный ток диода Iобр, который нормируется при определенном обратном напряжении. Сопоставление параметров различных выпрямительных диодов дано в таблице 1.1.
Таблица 1.1. Значения параметров выпрямительных диодов.
| Тип диода | Максимальный допустимый прямой ток Iпр.макс, А | Максимальное допустимое обратное напряжение Uобр.макс, В | Обратный ток Iобр, мкА | Межэлектродная емкость, пФ |
| Низкочастотный маломощный Низкочастотный мощный Высокочастотный | 0,1 - 1,0 1 - 2000 0,01 - 0,5 | 200 - 1000 200 - 4000 10 - 100 | 1 - 200 400 - 5000 0,1 - 50 | _ 0,3 - 15 |
Для получения более высокого обратного напряжения полупроводниковые диоды можно включить последовательно. Для последовательного включения подходящими являются диоды с идентичными характеристиками. В настоящее время выпускаются так называемые диодные столбы, в которых соединены последовательно от 5 до 50 диодов. Максимально допустимое обратное напряжение Uобр.макс таких столбов лежит в пределах 2÷40 кВ.
Более сложные соединения диодов имеются в силовых диодных сборках. В них для увеличения прямого тока диоды соединяются параллельно, для увеличения обратного напряжения - последовательно и часто осуществляются соединения, облегчающие применение диодов в конкретных выпрямительных устройствах. Так выпрямительные мосты на кремниевых диодах специально предназначены для использования в однофазных и трехфазных мостовых выпрямителях.
К специальным полупроводниковым диодам относят приборы, в которых используются особые свойства p-n-переходов: управляемая полупроводниковая емкость - варикапы; лавинный (электрический) пробой - стабилитроны; фотоэффект - фотодиоды; фотонная рекомбинация носителей зарядов - светодиоды; многослойные диоды - динисторы. Кроме того, к диодам относят некоторые типы приборов с тремя выводами, такие, как тиристоры и двухбазовые диоды.
Варикапы - это полупроводниковые диоды, в которых используется барьерная емкость p-n-перехода. Эта емкость зависит от приложенного к диоду обратного напряжения и с увеличением его уменьшается. Схематическое изображение варикапа приведено на рис.1.4а, а его вольт-амперная характеристика - на рис.1.4б. Основным параметром варикапа является; его начальная емкость С
, коэффициент перекрытия по емкости К
.
Коэффициент перекрытия по емкости определяется как отношение максимальной емкости С
варикапа к его минимальной емкости С
Варикапы находят применение в различных электронных схемах: модуляторах, перестраиваемых резонансных контурах, генераторах с электронной настройкой, параметрических усилителях и генераторах и др.
Стабилитроны - это полупроводниковые диоды, работающие в режиме лавинного (электрического) пробоя. При обратном смещении полупроводникового диода возникает электрический лавинный пробой p-n-перехода. При этом в широком диапазоне изменения тока через диод напряжение на нем меняется очень незначительно. Для ограничения тока через стабилитрон последовательно включают сопротивление. Если в режиме пробоя мощность, расходуемая в нем, не превышает предельно допустимую, то в таком режиме стабилитрон может работать неограниченно долго.
На рис. 1.5а показано схематическое изображение стабилитрона, а на рис. 1.5б приведены их вольт-амперныые характеристики.
Из вольт-амперных характеристик рис. 1.5 видно, что при изменении тока через стабилитрон ∆Iст напряжение на стабилитроне Ucт практически постоянно.
Напряжение стабилизации стабилитронов зависит от температуры. На рис 1.5б штриховой линией показано перемещение вольт-амперных характеристик при увеличении температуры. Очевидно, что повышение температуры увеличивает напряжение лавинного пробоя при Ucт> 5В и уменьшает его при Ucт< 5В. Иначе говоря стабилитроны с напряжением стабилизации больше 5В имеют положительный температурный коэффициент напряжения (ТКН), а при Ucт< 5В – отрицательный. При Ucт=6… 5В ТКН близок к нулю.
Иногда для стабилизации напряжения используют прямое падение напряжение на диоде. Такие приборы в отличие от стабилитронов называют стабисторами. В области прямого смещения р-n- перехода напряжение на нем имеет значение 0,7…2 В и мало зависит от тока. В связи с этим стабисторы позволяют стабилизировать только малые напряжения (не более 2В). Для ограничения тока через стабистор последовательно с ним также включают сопротивление.
| Рис. 1.5. Схематическое изображение стабилитронов- а их вольт –амперные характеристики- б, идеальная характеристика- в |
Основными параметрами стабилитронов являются:
-
напряжение стабилизации Ucт;
-
температурный коэффициент напряжения стабилизации ТКНст.;
-
допустимый ток через стабилитрон Icт.доп ;
-
дифференциальное сопротивление стабилитронаRст =∆ Ucт/Icт
Дифференциальное сопротивление стабилитрона – это параметр, который характеризует наклон вольт-амперной характреистики в области пробоя. На рис. 1.5в, приведена линеаризованная характеристика стабилитрона, с помощью которой можно определить его дифференциальное сопротивление в основе выпрямляющего диода может использоваться не только переход между полупроводниками р- и n-типа, но и между полупроводником и металлом. Такие диоды называются диодами Шоттки.
Основной отличительной особенностью характеристик диода Шоттки является значительное меньшее прямое падение напряжения по сравнению с диодами на основе р-n-перехода. Это объясняется тем, что в диоде Шоттки одно из веществ перехода-металл, и следовательно, его электрическое сопротивление (и соответствующее падение напряжения на нем) значительно меньше, чем у полупроводника.
Другая особенность диода Шоттки- отсутствие проникновения неосновных носителей заряда из металла в полупроводник (в рассматриваемом случае – дырок, которые для n- области являются неосновными). Это значительно повышает быстродействие диодов Шоттки по сравнению с обычными диодами, так как отпадает необходимость в рассасывании таких носителей при смене полярности внешнего напряжения.
Диоды Шоттки, у которых выпрямляющий переход представляет собой тонкую пленку молибдена или алюминия, нанесенную на пластинку кремния методом вакуумного напыления, обладают емкостью, не превышающей 0,01 пФ. Это обеспечивает чрезвычайно малое время их переключения (доли наносекунды) и предельно высокую частоту работы (десятки гигагерц). Мощные диоды позволяют пропускать токи в десятки ампер при обратных напряжениях до 500 В. Благодаря меньшему прямому напряжению они обеспечивают более высокий КПД. Условное обозначение металлополупровдникового диода Шоттки приведено на рис. 1.6 .Фотодиод представляет собой диод с отрытым p-n-переходом. Световой поток Ф фотодиода, падающий на открытый p-n-переход приводит к появлению в одной из областей дополнительных неосновных носителей зарядов, в результате чего увеличивается обратный ток. В общем случае ток фотодиода определяется световым потоком.
Вольт-амперные характеристики фотодиода приведены на рис. 1.7а, а его схематичное изображение – на рис. 1.7б.
















