В.В. Филинов, А. В. Филинова - Электроника и основы измерений (1084406), страница 2
Текст из файла (страница 2)
При сообщении полупроводнику определенной энергии один из электронов вырывает из узла связи кристаллической решетки и становится свободным, а освободившееся в узле решетки место приобретает положительный заряд, равный заряду электрона. Это вакантное для электронов место кристаллической решетки получило название дырки. Наряду с генерацией носителей заряда при их хаотичном движении происходит процесс рекомбинации - воссоединение (исчезновение) пары носителей заряда при встрече свободного электрона с дыркой. Устанавливается динамическое равновесие между количеством возникающих и исчезающих пар, и при неизменной температуре общее количество свободных носителей заряда остается постоянным.
При приложении к проводнику внешнего электрического поля движение свободных зарядов упорядочивается, электроны и дырки движутся во взаимно противоположных направлениях вдоль силовой линии электрического поля. Электропроводность чистого проводника называется собственной.
При обычных температурах количество свободных электронов и дырок в чистом полупроводнике невелико и составляет 10
-10
в 1 см
вещества. Такой полупроводник по своим электрическим свойствам приближается к диэлектрикам.
Электрические свойства полупроводников существенно изменяются при введении в них определенных примесей. В качестве примесей используются элементы III и V групп периодической системы Менделеева. Введение, например, в кремний (элемент IV группы) в качестве примеси атомов мышьяка (элемент V группы) создает избыток свободных электронов за счет пятого валентного электрона на внешней оболочке атомов примеси. Удельное электрическое сопротивление такого полупроводника значительно уменьшается , в нем будет преобладать электронная электропроводность, а сам полупроводник называется полупроводником n-типа. Носители заряда, концентрация которых выше (в данном случае это электроны), называется основными носителями, а с меньшей концентрацией (дырки) - неосновными.
Введение атомов примеси III группы (например, индия) создает дырочную электропроводность, в результате чего образуется полупроводник p-типа, здесь дырки - основные носители заряда, а электроны - неосновные. Примеси элементов V группы называют донорными, а примеси элементов III группы - акцепторными.
На практике важное значение имеет область на границе соприкосновения двух полупроводников p- и n-типа. Эта область называется электронно-дырочным переходом, или p-n-переходом. Такой p-n-переход получают введением в примесный полупроводник дополнительной примеси. Например, при введении донорной примеси в определенную часть полупроводника p-типа в нем образуется область полупроводника n-типа, граничащая с полупроводником p-типа.
На основе использования полупроводниковых материалов с различным типом электропроводности создают полупроводниковые диоды, транзисторы, тиристоры и другие приборы. В частности, из полупроводника, равномерно легированного примесями, изготовляют полупроводниковые резисторы. В зависимости от типа примесей и конструкции получаются линейные резисторы, сопротивление которых остается практически постоянным в широком диапазоне напряжений и токов, либо резисторы, сопротивление которых зависит от таких управляющих параметров, как напряжение (варисторы), температура (терморезисторы), освещенность (фоторезисторы), механические деформации (тензорезисторы), магнитное поле(магниторезисторы) и др.
Основными материалами при производстве полупроводниковых приборов являются кремний и германий. Из-за различий по физическим свойствам этих материалов, приборы изготовление на основе Si , более стойкие к воздействию к изменению внешней температуры, но обладают меньшем быстродействием. Приборы на основе Ge, более чувствительны к изменению внешней температуры, но обладают большим быстродействием.
1.1.3. P-n-переход и его свойства
В p-n-переходе концентрация основных носителей заряда в p- и n-областях могут быть равными или существенно различаться. В первом случае p-n-переход называется симметричным, во втором - несимметричным. Чаще используются несимметричные переходы.
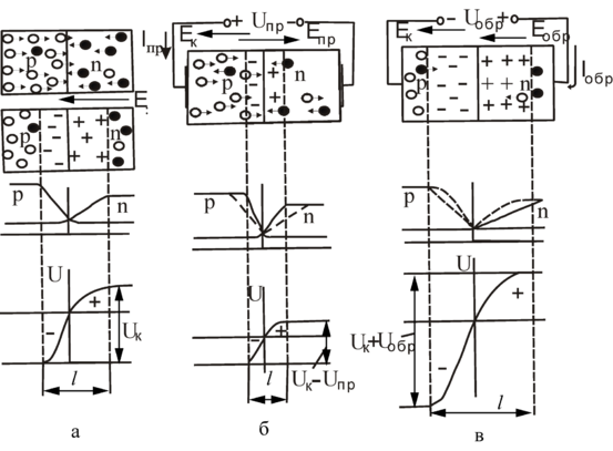
Пусть концентрация акцептной примеси в p-области больше, чем концентрация донорной примеси в n-области (рис. 1.1,а). Соответственно и концентрация дырок (светлые кружки) в p-области будет больше, чем концентрация электронов (черные кружки) в n-области.
За счет диффузии дырок из p-области и электронов из n-области они стремятся равномерно распределится по всему объему. Если бы электроны и дырки были нейтральными, то диффузия в конечном итоге привела бы к полному выравниванию их концентрации по всему объему кристалла. Однако этого не происходит. Дырки, переходя из p-области в n-область, рекомбинируют с частью электронов, принадлежащих атомам донорной примеси. В результате оставшиеся без электронов положительно заряженные ионы донорной примеси образуют приграничный слой с положительным зарядом. В тоже время уход этих дырок из p-области приводит к тому, что атомы акцепторной примеси, захватившие соседний электрон, образуют нескомпенсированный отрицательный заряд ионов в приграничной области. Аналогично происходит диффузионное перемещение электронов из n-области в p-область, приводящее к тому же эффекту.
В результате на границе, разделяющей n-область и p-область, образуется узкий, в доли микрона, приграничный слой l, одна сторона которого заряжена отрицательно (p-область), а другая - положительно (n-область).
Разность потенциалов, образованную приграничными зарядами, называют контактной разностью потенциалов U
(рис 1.1,а) или потенциальным барьером, преодолеть который носители не в состоянии. Дырки, подошедшие к границе со стороны p-области, отталкиваются назад положительным зарядом, а электроны, подошедшие из n-области, - отрицательным зарядом. Контактной разностью потенциалов U
соответствует электрическое поле напряженностью Е
. Таким образом, образуется p-n-переход шириной l, представляющий собой слой полупроводника с пониженным содержанием носителей - так называемый обедненный слой, который имеет относительно высокое электрическое сопротивление R
.
Свойства p-n-структуры изменяются, если к ней приложить внешнее напряжение Uпр. Если внешнее напряжение противоположно по знаку контактной разности потенциалов и напряженность внешнего поля Епр противоположна Е
(рис. 1.1,б), то дырки p-области, отталкиваясь от приложенного положительного потенциала внешнего источника, приближаются к границе между областями, компенсируют заряд части отрицательных ионов и сужают ширину р-n-перехода со стороны p-области. Аналогично, электроны n-области, отталкиваясь от отрицательного потенциала внешнего источника, компенсируют заряд части положительных ионов и сужают ширину p-n-перехода со стороны n-области. Потенциальный барьер сужается, через него начинают проникать дырки из p-области и электроны из n-области и через p-n-переход начинает течь ток .
С увеличением внешнего напряжения ток возрастает неограниченно, так как создается основными носителями, концентрация которых постоянно восполняется источником внешнего напряжения.
Полярность внешнего напряжения, приводящая к снижению потенциального барьера, называется прямой, открывающей, а созданный ею ток - прямым. При подаче такого напряжения p-n-переход открыт и его сопротивление Rпр<<R
.
Если к p-n-структуре приложить напряжение обратной полярности Uобр (рис. 1.1,в), эффект будет противоположный. Электрическое поле напряженностью Еобр совпадает по направлению с электрическим полем Е
р-n-перехода. Под действием электрического поля источника дырки p-области смещаются к отрицательному потенциалу внешнего напряжения, а электроны n-области - к положительному потенциалу. Таким образом, основные носители заряда отодвигаются внешним полем от границы, увеличивая ширину p-n-перехода, который оказывается почти свободным от носителей заряда. Электрическое сопротивление p-n-перехода при этом возрастает. Такая полярность внешнего напряжения называется обратной, запирающей. При подаче такого напряжения p-n-переход закрыт и его сопротивление Rобр>>R
.
Тем не менее при обратном напряжении наблюдается протекание небольшого тока Iобр. Этот ток в отличие от прямого определяется носителями не примесной, а собственной проводимости, образующейся в результате генерации пар "свободный электрон - дырка" под воздействием температуры. Эти носители обозначены на рис. 1.1,в единственный электрон в p-области и единственной дыркой в n-области. Значение обратного тока практически не зависит от внешнего напряжения. Это объясняется тем, что в единицу времени количество генерируемых пар "электрон - дырка" при неизменной температуре остается постоянным, и даже при Uобр в доли вольт все носители участвуют в создании обратного тока.
При подаче обратного напряжения p-n-переход уподобляется конденсатору, пластинами которого является p- и n-области, разделенные диэлектриком. Роль диэлектрика выполняет приграничная область, почти свободная от носителей заряда. Эту емкость p-n-перехода называют барьерной. Она тем больше, чем меньше ширина p-n-перехода и чем больше его площадь.
Принцип работы p-n-перехода характеризуется его вольт-амперной характеристикой. На рис.1.2 показана полная вольт-амперная характеристика открытого и закрытого p-n-переходов.
Как видно, эта характеристика является существенно нелинейной. На участке 1 Епр< Е
и прямой ток мал. На участке 2 Епр> Е
, запирающий слой отсутствует, ток определяется только сопротивлением полупроводника. На участке 3 запирающий слой препятствует движению основных носителей, небольшой ток определяется движением неосновных носителей заряда. Излом вольт-амперной характеристики в начале координат обусловлен различными масштабами тока и напряжения при прямом и обратном направлениях напряжения, приложенного к p-n-переходу. И наконец, на участке 4 при Uобр=Uпроб происходит пробой p-n-перехода и обратный ток быстро возрастает. Это связанно с тем, что при движении через p-n-переход под действием электрического поля неосновные носители заряда приобретают энергию, достаточную для ударной ионизации атомов полупроводника. В переходе начинается лавинообразное размножение носителей заряда - электронов и дырок, - что приводит к резкому увеличению обратного тока через p-n-переход при почти неизменном обратном напряжении. Этот вид электрического пробоя называется лавинным. Обычно он развивается в относительно широких p-n-переходах, которые образуются в слаболегированных полупроводниках.
















