В.В. Филинов, А. В. Филинова - Электроника и основы измерений (1084406), страница 15
Текст из файла (страница 15)
3.4. Логические элементы. Серии цифровых интегральных схем
К цифровым интегральным микросхемам относятся устройства, с помощью которых преобразуются и обрабатываются сигналы, выраженные в двоичном или другом цифровом коде. Используемые при этом сигналы близки по форме к прямоугольным импульсами имеют два фиксированных уровня напряжения. Если уровню низкого напряжения приписывается символ “0”, а уровню высокого напряжения - “1”, то говорят о положительной логике. В противном случае логика отрицательная.
Основой цифровых микросхем является логический элемент, предназначенный для преобразования входных сигналов в выходные по определенному закону, причем те и другие принимают только значение “0” и “1”. Обозначим входные сигналы “X”, а выходные -“Y”, получим логическую функцию Y=F(X). Логическая функция записывается в виде математических символов или таблиц.
Основными логическими функциями являются: Y=
– отрицание, инверсия или “НЕ” (табл.3.4.1); логическая сумма, дизъюнкция или функция “ИЛИ” (табл.3.4.2). Y = X1 + X2 = X1 X2; логическое произведение, конъюнкция или функция “И” (табл.3.3) Y = X1 * X2 = X1 ^ X2 Используя законы алгебры логики, на основе этих элементарных логических функций можно получить более сложные логические функции.
На рис.3.19. приведены обозначения логических элементов, выполняющие соответствующие логические функции НЕ, ИЛИ, И.
Логические элементы конструируются на основе ключевых схем, которые могут иметь различные конструкторско–технологическое исполнение. Совокупность цифровых микросхем, имеющих единое конструктивно-технологическое исполнение, выполняющих различные логические функции и предназначенные для совместного исполнения, называется серией интегральных схем.
| Табл. 3.2 | ||
| X1 | X2 | Y |
| 0 | 0 | 0 |
| 0 | 1 | 1 |
| 1 | 0 | 1 |
| 1 | 1 | 1 |
| Табл. 3.3 | ||
| X1 | X2 | Y |
| 0 | 0 | 0 |
| 0 | 1 | 0 |
| 1 | 0 | 0 |
| 1 | 1 | 1 |
| Табл. 3.1 | |
| X | Y |
| 0 | 1 |
| 1 | 0 |
По типу принципиальной электрической схемы базового элемента в серии все логические элементы разделяются на элементы ДТЛ – типа (диодно – транзисторная логика), ТТЛ - типа (транзисторно – транзисторная логика), ЭСЛ – типа (эмиттерно – связанная логика), И2Л –типа (интегральная инжекционная логика), МОП и КМОП – типа (логика на полевых транзисторах).
К основным параметрам цифровых микросхем относятся быстродействие и потребляемая мощность. Быстродействие оценивают по времени задержки распространения сигнала tзд, т.е. по интервалу времени от подачи входного импульса до появления выходного; потребляемую мощность Pпот- по среднему значению мощности, потребляемой в состоянии “0” и “1”. Важным параметром также является коэффициент разветвления по выходу Кр, равный числу нагрузок, которые можно одновременно подключить к выходу. Он определяет нагрузочную способность логического элемента.
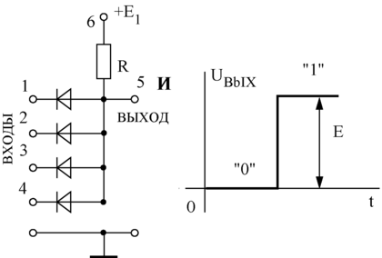
Примером базового элемента ДТЛ – логики является схема рис.3.20, выполняющая функцию логического элемента И. Логика положительная, при сигнале “0” на всех входах все диоды открыты, в них и в резисторе R появляются токи, создаваемые источником E1 и замыкающиеся через источники сигналов, подключенные ко всем входам. Поскольку сопротивление резистора R значительно больше прямого сопротивления диодов, напряжение на нем приблизительно равно E, а напряжение на входе оказывается близким к нулю.
Если напряжение на одном из входов соответствует логической “1” (Е >Е1), то соответствующий диод закрывается, однако остальные диоды открыты и на выходе по прежнему остается сигнал “0”. Сигнал “1” появится на выходе только тогда, когда на все входы будет воздействовать сигнал “1”, все диоды окажутся закрытыми, ток через резистор будет равен нулю и Uвых = E1.
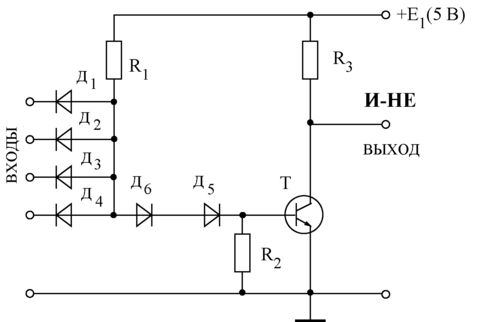
Чтобы получить логический элемент И – НЕ, к элементу по схеме рис.3.20. добавляют инвертор на транзисторе (рис.3.21). Операция И осуществляется диодной частью схемы (Д1 – Д4, R1), а транзисторный каскад с общем эмиттером служит инвертором и преобразует величину напряжения логического уровня, принцип работы которого приведен на рис.3.10.
На основе схемы рис.3.21 построена, например, 156, 173 серии микросхем.
ДТЛ – логика обладает низким быстродействием и значительной потребляемой мощностью. Потому она большей степени используется в устройствах управления и автоматики.
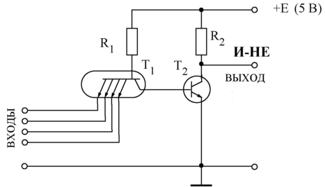
Более высоким быстродействием по сравнению с ДТЛ логикой обладает ТТЛ – логика.
На рис.3.22 приведена схема самого распространенного элемента логики ТТЛ – базового элемента серии К155. Логический элемент этой серии имеет быстродействие tзд = 9 нс и Р =10 мВт.
Операция И реализуется здесь многоэмиттерным транзистором Т1, а транзистор Т2 служит в качестве инвертора. Многоэмиттерные транзисторы легко реализуются в интегральной технологии и служат основой ТТЛ-элементов. Если на всех входах (эмиттерах транзистора Т1) действует сигнал “1” (высокий потенциал), то все переходы эмиттер–база транзистора Т1 закрыты. Потенциал базы транзистора Т2 близок к нулю, а переход коллектор – база транзистора Т1 отрыт приложенным в прямом направлении напряжением источника +Е. Ток коллекторного перехода транзистора Т1 проходит через переход эмиттер – база транзистора Т2 переводя его в режим насыщения, а на выходе появляется сигнал “0” (низкий потенциал). Если на одном из входов появится сигнал “0”, то соответствующий переход эмиттер – база транзистора Т1 откроется и его базовый ток перебросится из коллекторной цепи в эмиттерную. В результате транзистор Т2 закроется и на выходе появится высокий потенциал (“1”). Таким образом, сигнал “0” может быть на выходе только при сигналах “1” на всех входах, что соответствует операции И – НЕ. Перспективной разновидностью логики ТТЛ являются микросхемы ТТЛШ, имеющие во внутренней структуре р-n переходы с барьером Шотки (р-n – переходы, внутри или рядом с которыми находится очень тонкий слой металла). Их применение на порядок улучшило соотношение быстродействия / потребляемая мощность. Хорошо известны серии логики ТТЛШ: К531 – высокоскоростная – tзд=3 нс, Pпот=19 мВт и К555 – высокоэкономичная – Pпот=2 мВт, tзд=9,5 нс , которое служит эффективной заменой для микросхем серии К155.
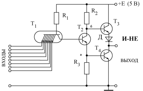
На рис.3.23 приведена схема такого элемента И – НЕ. Транзистор Т3 выполняет функции эмиттерного повторителя с нагрузкой в виде транзистора Т4 . При воздействии сигнала “1” на все входы транзистор Т2 насыщен, как показано ранее. Следовательно, транзистор Т4 также насыщен из-за высокого потенциала на его входе (точка а), создаваемого эмиттерным током транзистора Т2 на резисторе R3. Благодаря низкому потенциалу коллектора транзистора Т2 (точка б) транзистор Т3 закрыт. При воздействии сигнала “0” хотя бы на один из входов транзистор Т2 закрывается, а транзистор Т3 открывается из-за повышения потенциала точки б и работает как эмиттерный повторитель. Диод Д (Шотки) служит для обеспечения режима смещения транзистора Т3 , т.е. для того, чтобы этот транзистор был закрыт при насыщенном транзисторе Т2. Прямое напряжение на диоде Д составляет около 0,5 В и служит для запирания транзистора Т3. Это напряжение создается даже при очень малых (порядка микроампер) токах закрытого транзистора Т3 .
ТТЛ и ТТЛШ элементы относятся к положительной логике с логическими уровнями : “1” ≈ 2,4 В и выше, “0” ≈ 0…0,4 В. Тактико – технические данные этих серий микросхем приведены в таблицах 3.4.4 и 3.4.5.
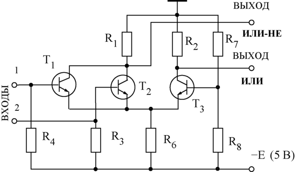
Принципиальная схема логического элемента типа ЭСЛ, серия К500 показана на рис.3.24. Особенность ЭСЛ в том, что схема логического элемента строится на основе интегральных дифференциальных усилителей, транзисторы Т1, Т2, Т3 которые могут переключать ток и при этом никогда не попадают в режим насыщения из-за наличия в коллекторных и эмиттерных цепях резисторов R1…6, ограничивающих этот ток, этим устраняется этап рассасывания избыточных зарядов, поэтому элементы типа ЭСЛ – самые быстродействующие: в настоящее время их быстродействие достигло субнаносекундного диапазона.
Важным достоинством элементов типа ЭСЛ является наличие инверсных выходов, позволяющих реализовать как логическую функцию, так и ее отрицание. Свое функциональное назначение согласно таблице 3.2 элемент рис.3.24 реализует следующим образом.
Если на один из входов или оба входа подать напряжение такого значения, что потенциал Uбэ транзисторов Т1 или Т2 станет больше порогового значения, то соответствующий или оба транзистора вместе откроются. Ток, протекающий через них, создаст падение напряжения на резисторе R6. напряжение Uбэ транзистора Т3 падает и напряжение на коллекторе Т3 повышается. Если напряжение на обоих входах низкое и не достигает порогового значения транзисторы Т1 и Т2 закрыты, а транзистор Т3 открыт высоким напряжением на его переходе Uбэ, электрический потенциал коллектора Т3 падает. Инверсный выход с коллекторов транзисторов Т1 и Т2 реализует функцию ИЛИ–НЕ.
ЭСЛ – относятся к положительной логике с логическими уровнями: “1” ≈ - 1,0 В, “0” ≈ - 1,65 В. Примерами микросхем на ЭСЛ – логике могут служить серии: К100, К500, К1500, технические параметры которых приведены в таблицах 3.4 и 3.5 .
















