В.В. Филинов, А. В. Филинова - Электроника и основы измерений (1084406), страница 19
Текст из файла (страница 19)
Основными характеристиками ЦАП и АЦП являются быстродействие и погрешность преобразования, определяемая абсолютной погрешностью преобразования и относительной разрешающей способностью. Быстродействие ЦАП и АЦП характеризуется временем преобразования: для ЦАП это отрезок времени после поступления входного двоичного кода до установления его выходного аналогового сигнала; для АЦП – интервал времени от его пуска до момента получения выходного двоичного кода.
Абсолютная погрешность преобразования равна половине шага квантования по уровню
. При шаге квантования
, например, n – разрядный ЦАП должен обеспечивать
различных значений выходного напряжения, максимальное значение которого называют напряжением шкалы
, связанным с
соотношением
. Относительной разрешающей способностью
называют отношение шага квантования по уровню
к напряжению шкалы. Для n-разрядных ЦАП и АЦП
.
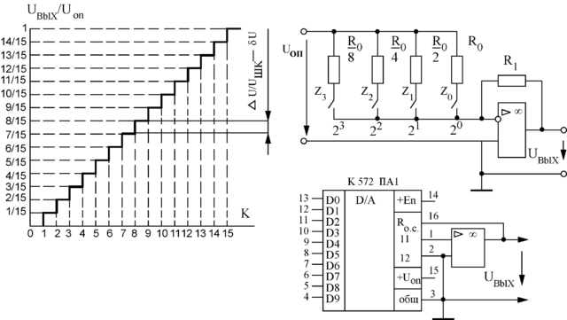
Цифроаналоговые преобразователи. ЦАП представляют собой устройства для создания аналогового выходного значения напряжения (или тока), соответствующего числовому эквиваленту двоичного цифрового кода на его входе. Зависимость выходного параметра ЦАП, например, напряжения на его выходе, от кодового эквивалента входного сигнала называют характеристикой преобразования. На рисунке 3.36а представлена характеристика преобразования четырёхразрядного ЦАП.
Принцип действия простейшего ЦАП поясняет схема на рисунке 3.36б. Основу ЦАП составляет матрица резисторов, подключаемых ко входу операционного усилителя ключами, которые управляются двоичным кодом (например, параллельным кодом регистра или счётчика).
К
оэффициенты передачи
по входам
,
,
и
равны соответственно:
, , ,
где
- числа, принимающие значения 0 и 1 в зависимости от положения соответствующих ключей.
Выходное напряжение ЦАП определяется суммой:
.
Таким образом, четырёхразрядный двоичный код преобразуется в уровень
в диапазоне от 0 до 15
, где
- шаг квантования. Для уменьшения погрешности квантования необходимо увеличивать число двоичных разрядов ЦАП.
Микросхемы ЦАП после номера серии в обозначении первой имеют букву П (для всех преобразователей), а второй – букву А. На рисунке 3.36в представлена интегральная схема типа К572ПА1, представляющая собой выполненный на основе КМОП - технологии десятиразрядный ЦАП с временем преобразования не более 5 микросекунд. К сожалению, при разработке этой интегральной схемы технологически не удалось на одной подложке вместе с КМОП – ключами и (R-2R)-матрицей выполнить и схему ОУ, поэтому ЦАП К572ПА1 всегда дополняют внешней микросхемой ОУ, подключение которой также показано на рисунке 3.36в. В заключение отметим, что ЦАП К572ПА1 обеспечивает уникальную возможность выполнить операцию умножения аналоговой величины
на другую величину, задаваемую двоичным цифровым кодом на входах D0—D9, при этом результат умножения представляется также в аналоговом виде выходным напряжением ЦАП. По этой причине ЦАП К572ПА1 иногда называют умножающим.
Аналогово-цифровые преобразователи АЦП представляют собой устройство для сопоставления цифрового двоичного кода уровню аналогового сигнала на его входе Характеристикой преобразования АЦП называют зависимость числового эквивалента двоичного кода на выходе АЦП от нормированного к напряжению шкалы входного аналогового сигнала
. Она также представлена многоступенчатой ломаной линией, подобной изображённой на рисунке 3.36а, с той лишь разницей, что для четырёхразрядного АЦП оси абсцисс и ординат меняются местами.
В настоящее время наибольшее распространение получила классификация интегральных АЦП на основе рассмотрения характера развития в них процесса преобразования во времени. Согласно такому подходу все интегральные АЦП можно разбить на три типа: последовательного действия (развёртывающего типа) и параллельного действия (параллельного типа). К АЦП развёртывающего типа относят АЦП с последовательным счётом, с поразрядным уравновешиванием (последовательных приближений) и интегрирующие АЦП.
Структурная схема АЦП последовательного счёта представлена на рисунке 3.37. Постоянное (в течение времени действия импульса считывания, длительность которого выбирается чуть меньше периода дискретизации
) положительное напряжение
поступает на неинвертирующий вход ОУ DA1, работающего в режиме компаратора. На инвертирующий вход DA1 подаётся выходное напряжение ЦАП DA2 (например, с генератора линейно изменяющегося напряжения), цифровые входы которого подключены к выходам двоичного счётчика СТ2. В исходное нулевое состояние счётчик СТ2 устанавливается импульсом на его входе сброса. АЦП запускается импульсом на входе «Пуск», разрешающем работу счётчика СТ2, на счётный вход которого поступают тактовые импульсы, следующие с частотой повторения
.
Двоичный код на выходах счётчика пробегает значения натурального числового ряда, а напряжение на выходе DA2 ступенчато нарастает в соответствии с его характеристикой преобразования. В момент времени, когда это напряжение сравнивается с
, срабатывает компаратор DA1, прекращая работу счётчика. Изменение состояния DA1 используется в качестве сигнала «Конец преобразования», а выходной код счётчика соответствует цифровому эквиваленту входного аналогового сигнала.
Большим быстродействием обладают ЦАП и АЦП параллельного действия, например, К1107ПВ2.
3.9. Основные сведения о микропроцессорах
История развития современных средств вычислительной техники насчитывает около 50 лет, однако, за этот период уже сменилось четыре поколения ЭВМ, существенно отличающихся друг от друга своей элементной базой.
Первое поколение ЭВМ составляли громоздкие системы на электронных лампах. ЭВМ первого поколения не отличались высокой надёжностью и имели быстродействие порядка нескольких десятков тысяч операций в секунду. Применение дискретных транзисторов в ЭВМ второго поколения значительно повысило их надёжность и быстродействие (до сотен тысяч операций в секунду). Элементную базу ЭВМ третьего поколения в основном составляли цифровые ТТЛ - микросхемы малой и средней степеней интеграции, что обеспечивало их достаточно высокую надёжность и быстродействие на уровне миллиона операций в секунду.
Степень интеграции цифровой микросхемы определяется количеством размещённых в ней логических элементов (ЛЭ). К микросхемам малой степени интеграции (МИС) относят микросхемы, содержащие не более десяти ЛЭ, к средней степени интеграции (СИС) – с числом ЛЭ в пределах 10—100. Микросхемы большой степени интеграции (БИС) содержат 100—1000 ЛЭ, сверхбольшой (СБИС) – 1—10 тысяч ЛЭ, сверхсверхбольшой степени интеграции (ССБИС) – 10—100 тысяч ЛЭ на одном кристалле.
Переход к ЭВМ четвёртого поколения был достигнут не только благодаря заметному прогрессу в области схемотехники и технологии производства микросхем. Весьма важным для дальнейшего развития вычислительной техники явилось создание в 70-ых годах новых универсальных цифровых микросхем, так называемых микропроцессоров (МП) – разновидности БИС, способных выполнять полный перечень функций центрального процессора ЭВМ. С появлением микропроцессоров отпала необходимость для каждого нового применения проектировать новую ИС. Вместо этого можно было взять готовый микропроцессор, разработав для него новую программу для выполнения требуемых функций.
Спектр возможных применений микропроцессоров оказался настолько широким, что построенные на их основе различного рода микропроцессорные системы сбора и обработки информации, управления и контроля технологическими процессами и тому подобные стали проникать почти во все отрасли человеческой деятельности – от научных исследований и производственной сферы до медицины и повседневного быта. Микропроцессоры позволили разрешить казавшиеся ранее несовместимыми требования резкого увеличения скорости обработки информации и объёма памяти и столь же резкого снижения размеров, стоимости и энергопотребления ЭВМ. Вслед за первыми однокристальными МП было освоено массовое производство нескольких видов микропроцессорных комплектов и наборов, представляющих собой совокупность совокупность микропроцессорных и других микросхем номенклатура и количество которых необходимы и достаточны для построения любого конкретного изделия вычислительной и управляющей техники. На их основе были созданы многочисленные персональные ЭВМ (ПВЭМ), впервые появившиеся на рубеже 80-ых годов, а также совершенно новый класс мало потребляющих компактных машин – микрокомпьютеров, быстродействие которых почти не уступает настольным вариантам, но их размеры и масса таковы, что они вполне помещаются в небольшом чемоданчике.
Эволюция архитектуры микропроцессоров пошла по нескольким различным направлениям, в результате чего появились следующие их классы:
простые однокристальные 4- и 8- разрядные контроллеры, относительно невысокой производительности, для применения в бытовых приборах и небольших подсистемах;
быстродействующие секционные комплекты микропроцессорных БИС для создания ЭВМ произвольной разрядности с наращиваемой системой команд;
мощные однокристальные 16- и 32- разрядные ССБИС микропроцессоров с фиксированной системой команд для персональных ЭВМ, производительность которых приближается к возможностям полупрофессиональных и малых ЭВМ;















