В.В. Филинов, А. В. Филинова - Электроника и основы измерений (1084406), страница 16
Текст из файла (страница 16)
Существенными преимуществами логических элементов на полевых МОП (МДП) - транзисторах перед логическими элементами на биполярных транзисторах являются: малая мощность, потребляемая входной цепью, в результате чего соответственно возрастает коэффициент разветвления по выходу Кр>>10-20; простата технологического процесса изготовления, сравнительно низкая стоимость, малая потребляемая мощность, большая степень интеграции элементов в кристалле микросхемах.
Однако по быстродействию даже лучшие логические элементы на МОП транзисторах уступают схемам на биполярных транзисторах. Это обусловлено тем, что у них имеются сравнительно большие входные емкости, на перезарядку которых затрачивается определенное время. Кроме того, выходное сопротивление у открытого МОП-транзистора обычно больше, чем у биполярного, что увеличивает время зарядки конденсаторов нагрузки и ограничивает нагрузочную способность.
| а б |
| Рис.3.25. Схема логического элемента НЕ на однотипных МОП-транзисторах - а; схема логического элемента НЕ на комплементарных МОП-транзисторах - б |
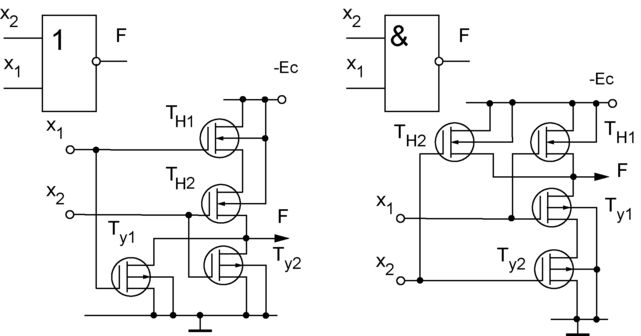
На рис.3.25, а приведена схема элемента НЕ 172 серии микросхем МОП- логики. Логика отрицательная с логическими уровнями; “1”≈–7,5В,“0”≈-2,3В.
Транзистор Ту в схеме является управляющим, а транзистор Тн – нагрузочным. Транзисторы выполнены с индукцированным каналом р-типа. Если на входе элемента малая напряжение между затвором и истоком Uзи, соответствующие логическому уровню “0”, транзистор Ту закрыт, Тн – открыт, и на входе появляется низкое напряжение близкое –Ес и соответствующие логическому уровню “1”. При появлении на вход Ту значительного напряжению Uзи, соответствующего логическому уровню “1”, транзистор Ту открывается и на входе элемента появляется высокий электрический потенциал соответствующий логическому уровню “0”.
Наиболее перспективны серии, выполненные на комплементарных МОП - транзисторах (КМОП – логика) (К176, К561, К564, К765 и др.)
Комплементарными (взаимно дополняющими) называют пару МОП транзисторов со сходными значениями параметров, но с полупроводниковыми структурами взаимно отображенными как бы в виде негатива и позитива. Так на рис.3.25,б транзистор Ту выполнен с индукцированным каналом р - типа , а транзистор Тн - n - типа. Потребляемая мощность сокращается до минимума, так как обеспечивается управление транзистора Ту, Тн, при которым открытому состоянию одного транзистора соответствует закрытое состояние другого. Логика принципа работы этого элемента не отличается от элемента И рис.3.25,а. Отличие заключается в том, что нагрузочный транзистор Тн работает по принципу “закрыт - открыт”, что обеспечивает минимальное потребление элемента.
Схема элементов ИЛИ - НЕ, И - НЕ в КМОП – логиках получают путем последовательного соединения группы транзисторов одного типа и параллельного соединения группы транзисторов другого типа, представляющие собой элементы И рис.3.25,б. Для примера на рис.3.26 а и б приведены схемы логических элементов ИЛИ – НЕ (а) и И – НЕ (б).
Принцип анализа выполнения элементов своих логических функций не отличается от подхода к анализу выполнения своих функциональных назначений элементов ДТЛ, ТТЛ, ЭСЛ – логик.
Тактико-технические данные серии микросхем МОП и КМОП – логик приведены в таблицах 3.4 и 3.5.
Помимо рассмотренных существуют элементы других типов, например И2Л (интегрально-инженерная логика), КНС (кремний на сапфире), арсенид галлия и др., и обладающие высоким быстродействием и малой мощностью потребления энергии.
В таблице 3.4 и 3.5 для сравнения приведены основные параметры соответственно логических элементов различных типов и серий микросхем. Приведены параметры: напряжения питания En, мощность потребления одним элементом –Рпот, время задержки распространения -tзд, коэффициент разветвления по выходу – Kp, fмакс – максимальная частота переключений. Общие сведения о микросхеме указываются в её условном обозначении, нанесённом на корпусе. Оно включает в себя номер серии микросхемы (обычно три или четыре цифры), перед которым может быть одна или две буквы. У микросхем широкого применения первой ставят букву К, вторая буква характеризует материал корпуса для защиты от воздействия внешней среды (Р—пластмассовый, М или С — металло- или стеклокерамический соответственно). За номером серии следуют две буквы, поясняющие функциональное назначение. Для всех логических элементов первой из них следует буква Л, вторая буква определяет тип логического элемента (И— элемент И, Л—ИЛИ, Н—НЕ, Д—расширитель по ИЛИ, А—элемент И – НЕ, Е—элемент ИЛИ – НЕ, Р—комбинированный элемент И – ИЛИ – НЕ). Цифра в конце условного обозначения соответствует порядковому номеру
Таблица 3.4
ОСНОВНЫЕ ПАРАМЕТРЫ ЛОГИЧЕСКИХ ЭЛЕМЕНТОВ РАЗЛИЧНЫХ ТИПОВ
| Тип Элемента | En, В | Pпот, мВт | Tзд, нс | Kp |
| ДТЛ ТТЛ n-МОП p-МОП КМОП ЭСЛ И2Л | 5 5 5 +5; -12 5—15 -5.2 1 | 9 10 0.5 0.5 0.3—3 мкВт/кГц* 8—40 0.001—0.1 | 25 10 30 100 90—30 2 1000—10 | 7 10 20 20 50 15 3 |
* Мощность пропорциональна частоте переключений (при частоте 1 кГц мощность равна 0.3—3 мкВт).
Таблица 3.5
НЕКОТОРЫЕ ПАРАМЕТРЫ ОТЕЧЕСТВЕННЫХ МИКРОСХЕМ
| Серия | Pпот, мВт | Tзд, нс | Fмакс, мГц | Кр | Схемотехника |
| 131 133 134 155 | 22 10 10 10 | 6 10 33 10 | До 35 | 10—30 | ТТЛ |
| 531 533 555 1531 1533 | 19 2 2 2.7 1.2 | 3 9.5 9.5 3 4 | 125 45 45 130 100 | 20—150 | ТТЛШ |
| 561 564 1554 1564 | 0.002 0.002 0.0025 0.0025 | 45 45 3.5 10 | 10 10 125 30 | 8—20 | КМОП |
| 500 1500 | 8—25 40 | 2.9 1.5 | 10—15 | ЭСЛ |
Наибольшее распространение получили логические ТТЛ-, ЭСЛ-, КМОП- элементы. Технологии n-МОП и И2Л используют только в БИС.
разработки в составе данной серии микросхем. Например: микросхема КР1533ЛА24 представляет собой ИС широкого применения (первая буква К), в пластмассовом корпусе (вторая буква Р), имеет номер серии 1533 (ТТЛШ – схемотехника), относится к группе логических элементов (буква Л), по функциональному назначению это элемент типа И-НЕ (вторая буква А) с порядковым номером разработки 24.
3.5. Триггеры
Одно из наиболее распространённых импульсных устройств, относящимся к базовым элементам цифровой техники, — триггер (от англ. trigger — спусковой крючок).
Триггером называются электрические схемы, способные сохранять два устойчивого состояния равновесия электрических потенциалов “О” и “1” при окончании действия входных импульсов. Они широко используются для формирования прямоугольных импульсов, счётчиках импульсов, регистрах памяти и т. д.
По функциональному признаку различают R-S, D, T, J-K триггеры. По способу управления триггеры подразделяют на асинхронные и тактируемые. В асинхронных триггерах переключение из одного состояния в другое осуществляется непосредственно с поступлением сигнала на раздельные информационные входы. В тактируемых триггерах помимо информационных входов имеется вход тактовых импульсов. Их переключение осуществляется только при наличии разрешающего, тактирующего импульса.
Асинхронный R-S – триггер является наиболее простым, однако получившим широкое распространение в импульсной технике. В частности, они служат основой триггеров других типов и требуют для своего построения всего два базовых логических элемента.
В современной электронике триггеры выполняются, как правило, в виде микросхем, построенных на основе логических элементов, или на ОУ в виде триггера Шмитта (см. раздел 3.3).
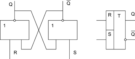
На рисунке 3.27а приведена структурная схема асинхронного R-S триггера на логических элементах ИЛИ-НЕ, его таблица истинности (таблица 3.6). Состоянию логической “1” соответствует Q = 1,
= 0, состоянию логического “0” – Q = 0,
= 1, которые принимает триггер в момент времени
и в следующий момент времени
, после прихода на входы R и S очередных импульсов. Из таблицы 3.6 следует, что при S=R=0 триггер сохраняет предыдущее состояние
.
При S=R=1 триггер принимает неопределённое состояние X, поэтому такая комбинация входных сигналов является запрещённой. R-S триггер является триггером с раздельным по входам R и S запуском. Условное его изображение показано на рисунке 3.27б.
| а б | |
| Рис. 3.27. Структурная схема – а и таблица истинности - б R-S триггера на логичесих элементах ИЛИ-НЕ | |















