В.В. Филинов, А. В. Филинова - Электроника и основы измерений (1084406), страница 14
Текст из файла (страница 14)
,
Rпр – прямое сопротивление диода.
| а б |
| Рис. 3.7. Схема - а и передаточные характеристики - б последовательного двоичного ключа с ненулевым уровнем включения. |
В
ыходное напряжение
.
О
бычно Rпр << R, тогда Uвых ≈ Uвх. При входном отрицательном напряжение обратный ток через диод
,
где Rобр – обратное сопротивление диода.
При этом выходное напряжение
.
Как правило, Rобр>>R и Uвых≈R(Uвх/Rобр)<<Uвх. При изменении полярности включения диода график функции Uвых=f(Uвх) повернется на угол π вокруг начала координат. Схеме рис.3.6,а соответствует нулевой уровень включения (уровень входного напряжения, определяющий отпирание или запирание диода). Для изменения уровня включения в цепь ключа вводят источник напряжения смещения E0 (рис.3.7,а). В этом случае при Uвх>E0 диод открыт и Uвых≈Uвх, а при Uвх< E0 – закрыт и Uвых=E0 (рис.3.7,б). Если изменить полярность источника E0, то график функции Uвых (Uвх ) приобретет вид, показанный на рис.3.7,б – пунктирной линией.
| а б |
| Рис. 3.8. Схема - а и передаточные характеристики - б параллельного диодного ключа с ненулевым уровнем включения. |
| а б |
| Рис.3.9.Схема - а и передаточная характеристика - б двойного диодного ключа. |
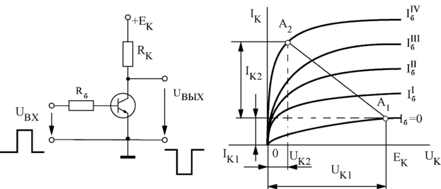
Используя выше приведенный принцип анализа работы диодных ключей можно построить различные ключевые схемы. Для примера на рис.3.8 и 3.9 приведены схемы и передаточные характеристики параллельного и двойного диодных ключей. Диодные ключи не позволяют электрически разделить управляющую и управляемую цепи, что часто требуется на практике. В этих случаях используют транзисторные ключи. На рис.3.10,а приведена схема ключа на биполярном транзисторе. Входная (управляющая) цепь отделена от выходной (управляемой) цепи. Ключ мало отличается от усилителя, выполненного по схеме с общим эмиттером. Однако транзистор работает в ключевом режиме, характеризуемом двумя состояниями. Первое состояние определяется точкой А1 на выходных характеристиках транзистора; его называют режимом отсечки. В режиме отсечки ток базы I6=0, коллекторный ток Iк1 равен начальному коллекторному току, а коллекторное напряжение Uн=UК1≈Eк (рис.3.10,б). Режим отсечки реализуется при отрицательных потенциалах базы. Второе состояние определяется точкой А2 и называется режимом насыщения. Он реализуется при положительных потенциалах базы. При этом ток базы определяется в основном сопротивлением резистора R6 и Iб2=Uвх / R6, поскольку сопротивление открытого эмиттерного перехода мало. Коллекторный переход также открыт, и ток коллектора Iк2≈Eк/Rк, а коллекторное напряжение Uк2≈0. Из режима отсечки в режим насыщения транзистор переводится воздействием положительного входного напряжения. При этом повышению входного напряжения (потенциала базы) соответствует понижение входного напряжения (потенциала коллектора), и наоборот. Такой ключ называют инвертирующим (инвертором). В рассмотренном транзисторном ключе уровни выходного напряжения, соответствующие режимам отсечки и насыщения, стабильны и почти не зависят от температуры.
Существуют также повторяющие ключи, у которых понижению входного напряжения соответствует понижение выходного напряжения. Повторяющий ключ выполняют по схеме эмиттерного повторителя.
Время переключения ключей на биполярных транзисторах, также как диодных ключей, определяется постоянной времени переходного процесса
| Рис. 3.11. Диаграммы, поясняющие работу двустороннего ограничителя | Рис. 3.12. Сглаживание вершин импульсов с помощью ограничителя сверху | |
| а) б | ||
| Рис. 3.13. Выделение импульсов с помощью ограничителей: а – по амплитуде, б – по полярности | ||
при включении и выключении р-n-переходов и зависит от их емкости и величины сопротивлений, определяемых технологиями производства элементов ключей. Для повышения быстродействия и входного сопротивления применяют ключи на полевых транзисторах.
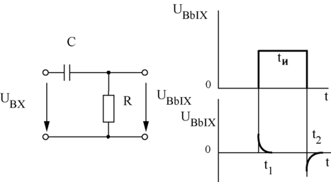
Электронные ключи часто используют в устройствах формирования импульсов. Для примера: на рис.3.11. приведена диаграмма поясняющая использования двойного диодного ключа рис.3.9. для преобразования сигналы близкие к прямоугольной форме; на рис.3.12. приведена диаграмма, поясняющая использование параллельного ключа рис.3.8. для сглаживания вершины импульса; на рис.3.13 а и б приведены диаграммы, поясняющие использования ключей для выделения сигналов по амплитуде и полярности. В импульсной технике для формирования импульсов совместно с электронными ключами широко используют дифференцирующие и интегрирующие RC–цепи. Для формирования коротких импульсов служат дифференцирующая цепь – рис.14 а, использование которой преобразует импульс большой длительности в короткие импульсы рис.3.14 б, позволяющие ускорить запуск работы импульсных устройств.
3.3. Импулсьный режим работы операционных усилителей
Интегральные операционные усилители (ОУ) находят широкое применение в импульсной технике. Передаточная характеристика ОУ имеет вид рис.3.15, соответствующий передаточной характеристике двойного ключа рис.3.9. Уровни входного сигнала ОУ в импульсном режиме работы превышают значения, соответствующие линейной области амплитудной характеристики (см. рис.3.15). В связи с этим выходное напряжение ОУ в процессе работы определяется либо напряжением U +вых max либо U- вых max.
Работу ОУ в импульсном режиме рассмотрим на примере компаратора, осуществляющего сравнение измеряемого входного напряжения (uвх) с опорным напряжением (Uоп) рис.3.16. Опорное напряжение представляет собой неизменное по величине напряжение положительной или отрицательной полярности, входное напряжение изменяется во времени. При достижении
входным напряжением уровня опорного напряжения происходит изменение полярности напряжения на выходе ОУ, например с U+вых max на U-вых max. При Uоп=0 компаратор осуществляет фиксацию момента перехода входного напряжения через нуль. Компаратор часто называют нуль – органом, поскольку его переключение происходит при Uвх–Uоп≈0.| а б |
| Рис. 3.17. Схема компаратора с положительной обратной связью и нулевым опорным напряжением - а, его передаточная характеристика - б. |
Компараторы нашли применение в системах автоматического управления и в измерительной технике, а также для построения различных узлов импульсного и цифрового действия (в частности, аналого-цифровых и цифро-аналоговых преобразователей).
Широкое применение получил также компаратор, в котором ОУ охвачен положительной обратной связью. Осуществляемой по неинвертирующему входу с помощью резисторов R1 ,R2 (рис.3.17,а). Такой компаратор обладает передаточной характеристикой с гистерезисом и имеет два устойчивых состояния равновесия напряжений U+ и U- (рис.3.17,б). Схема известна под названием триггер Шмитта или порогового устройства.
Переключение схемы в состояние U-вых max происходит при достижении Uвх напряжения (порога) срабатывания Uср, а возвращение в исходное состояние Uвых=U+вых max- при снижении Uвх до напряжения (порога) отпускания Uотп. Значения пороговых напряжений находят по схеме, положив Uоn=0:
откуда ширина зоны гистерезиса
Пороговые напряжения и зона гистерезиса (рис.3.17, б) составляют:
Uср=χU+вых max, Uотп=-χU-вых max и Uг=χ(U+вых мах+U-вых мах)-1, где χ=R1/(R1+R2). Схема рис.3.17, а служит основой при построении генераторов импульсов на ОУ.
Триггер Шмитта лежит в основе работы генераторов прямоугольных импульсов. Для получения прямоугольных импульсов широко используют устройства, называемые релаксационными генераторами (релаксаторами) (от англ. relax – ослаблять, уменьшать напряжение ) или мультивибраторами. Они могут работать в одном из трех режимов: 1)автоколебаний; 2) ждущем; 3) синхронизации. На практике чаще применяют устройства, основанные на использовании первых двух режимов.
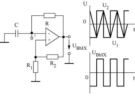
Автоколебательный мультивибратор предназначен для генерирования прямоугольных импульсов напряжения. Он обладает двумя не устойчивыми состояниями, работает в режиме самовозбуждения и не требует внешнего входного сигнала. В мультивибраторе обычно используют ОУ с положительной обратной связью и время задающей RC цепью, подключенной к инвертирующему входу. Работа автоколебательного мультивибратора рис.3.18, а обеспечивается цепью положительной ОС, приводящей к лавинообразному переходу схема из одного состояния в другое, и цепью отрицательной обратной связи, определяющей период возникающих колебаний. Когда потенциал на входе “-“ мультивибратора достигнет значения -UвыхR1/(R1+R2), устройство переключается и его выходное напряжение скачком изменяет свое значение с –Uвых до +Uвых. При этом потенциал на инвертирующем входе устройства начинает изменяться в противоположную сторону, пока не достигнет значения +UвыхR1/(R1+R2). Автоколебательный мультивибратор переключается в первоначальное состояние (рис.3.18,б). Частота колебаний выходного напряжения мультивибратора определяется соотношением: ƒ=1/2RC•ln(1+2R1/R2). Ждущий мультивибратор (одновибратор) формирует на выходе прямоугольный импульс напряжения определенной длительности при воздействии на вход схемы короткого запускающего импульса. В отличие от автоколебательного мультивибратора ждущий мультивибратор содержит дополнительно цепь, обеспечивающую одно устойчивое состояния равновесия электрического состояния схемы.
Важнейшим показателям операционных усилителей, работающих в импульсном режиме, является их быстродействие, которое оценивается задержкой срабатывания и временем нарастания выходного напряжения. Задержка срабатывания (время задержки выходного импульса) ОУ общего применения составляет единицы микросекунд, а время нарастания выходного напряжения – доли микросекунд.
Лучшим быстродействием обладают специализированные ОУ, предназначенные непосредственно для импульсного режима работы и получившие общее название «компараторы». Задержка срабатывания таких микросхем составляет менее 1 мкс, а время нарастания – сотые доли микросекунды. Более высокое быстродействие достигается, в частности, за счет применения высокочастотных интегральных транзисторов и исключения режима их насыщения в схеме ОУ.















