Зубов В.П., Прокопов Н.И. Конспект лекций по курсу Основы химии и физики полимеров (1083648), страница 19
Текст из файла (страница 19)
Деформация полимерного образца развивается во времени по последующему закону:
ε = ε∞(1 - е -t/τ) (17.7)
τ – время релаксации – является параметром, характеризующим скорость реакции образца на механическое воздействие.
Время релаксации показывает, за какое время свойства системы изменились в е (е ≈ 2,718) раз.
t – время воздействия
Если t<<τ, то ε = εо; если t > τ, то ε → ε∞
Н
а рисунке 17.1.2. представлена зависимость деформации от времени воздействия при различных температурах:
ε
Т1 Т2 Т3
Т4
упругая деформация
tвр
Т1 > Т2 > Т3 > Т4
Рис. 17.2. Зависимость деформации от времени воздействия при различных температурах
Зависимость деформации от температуры при различных значениях времени воздействия представляется в следующем виде:
ε
t1 t2 t3
Тст1 Тст2 Тст3 Т
t1 > t2 > t3
Рис. 17.3. Зависимость деформации от температуры при различных значениях времени воздействия
Чем быстрее производится воздействие, тем выше должна быть температура, при которой достигается то же самое значение деформации образца.
ε σ=const
вязко-текучее состояние
сшитый полимер
стекла каучуки, резины
упругая деформация
Тст Т1 Ттек Т
Рис. 17.4. Зависимость деформации от температуры при условии σ = const
Теперь при условии σ = const и tнабл = const рассмотрим температурную зависимость наблюдаемой деформации образца полимера.
Пусть при температуре Т1 за время tнабл успевает развиться деформация растяжения клубков (высоко-эластическая деформация) - ε1. Это значит, что образец ведет себя как мягкое тело. При понижении температуры (Т < Т1) τ растет и при некоторой температуре (Тст) τ > τнабл деформации клубков развиваться не успевают, и образец ведет себя как твердое стеклообразное тело.
При повышении температуры выше Т1 (до Ттек) за время наблюдения, наряду с изменениями конформации клубков (обратимой высокоэластической деформацией), начинается необратимое смещение центров тяжести макромолекул относительно друг друга в направлении действия силы (течение образца). Если макромолекулы в полимерном образце связать в редкую пространственную сетку (вулканизация эластомера), то необратимое течение подавляется, и обратимая высокоэластическая деформация наблюдается до более высоких температур вплоть до температур химического разложения.
Это значит, что при температурах ниже Тст – температуры стеклования – полимер находится в твердом стеклообразном состоянии (полимеры в этом состоянии используются как твердые конструкционные материалы – пластики или пластмассы (из них изготавливают листы, пленки, нити, волокна и большое множество других изделий)).
При температурах от Тст до Ттек полимер находится в высокоэластичном состоянии (изготавливают различные изделия из резин (эластомеров))
При температурах от Ттек – температуры текучести полимера – до температуры химического разрушения полимера если полимер линейный, то может происходить необратимое перемещение макромолекул, как вязкой жидкости, т. е. реализуется его вязко-текучее состояние, используемое для переработки полимеров.
Температуры стеклования и текучести полимера являются важными характеристиками полимеров, т. к. они дают информацию о возможности использования получаемых полимеров и возможности применения различных технологических процессов для их обработки.
Итак, заключаем, что аморфные полимеры могут существовать в 3 физических состояниях – стеклообразном, высокоэластическом и вязко-текучем.
Рассмотрим, как будет меняться зависимость деформации от температуры с увеличением длины молекулы (или молекулярного веса полимера):
ε М5 М6 М7
М1 М2 М3 М4
Тст1Тст2Тст3 Тст4,5,6,7 Т
Рис. 17.5. Зависимость деформации от температуры с увеличением длины молекулы (или молекулярного веса полимера)
С увеличением длины цепи низкомолекулярных аналогов Тст растет, а выше Тст наблюдается течение образца (кривые 1-3). С достижением некоторой длины цепи зависимость Тст от М перестает существовать, и появляется переход в высокоэластическое состояние. Это объясняется тем, что при некотором значении молекулярной массы теряется корреляция положения начала и конца цепи. Изменение конформации в пределах одного сегмента происходит независимо от других сегментов, поэтому далее температура перехода из стеклообразного состояния уже не зависит от молекулярной массы, полимер переходит в высокоэластическое состояние.
Чем быстрее воздействуем на образец, тем более высокая температура необходима для наблюдения высокоэластического состояния; идет перемещение в область высоких температур. Т. о. заключаем, что температура стеклования зависит от скорости воздействия.
Пусть к системе приложена синусоидальная нагрузка:
σ
0 π 2π 3π 4π
ψ
Рис. 17.6. Синусоидальная нагрузка, с которой воздействуют на систему
Получаем, что для воздействующей системы происходит отставание по фазе на угол ψ, причем релаксационная картина устойчива.
Чем больше сдвиг по фазе, тем больше разбаланс; механическая энергия будет переходить в тепло, а не в деформацию.
Происходит отставание во времени, обнаруживается процесс гистерезиса.
Физический смысл явления гистерезиса наглядно демонстрируется на зависимости изменения напряжения от деформации:
σ растяжение полимера
ψ=0
гуковское тело
сокращение полимера
ε
Рис. 17.7. Зависимости изменения напряжения от деформации
Площадь, заключенная между кривыми равна величине энергии механических потерь.
На практике удобнее характеризовать механические потери, прилагая циклическую нагрузку. В этом случае мерой потерь служит Ψ – угол механических потерь, при ψ = 0 (tgψ = 0) – применим закон Гука (напряжение зависит от деформации линейно,
для вязких жидкостей и
В переходной области Тст тангенс угла потерь максимален.
Для разных скоростей воздействия будем получать в сопоставимых условиях кривые с максимумами при разных температурах:
t
gψ
t1 t2 t3
T
t1 >t 2 > t3
Рис. 17.8. Зависимость tgψ от температуры
Таким образом, скорость воздействия имеет важное значение для определения эластических свойств.
Скорости воздействия на систему сильно влияют на температуру стеклования:
ε
σ=const, t=const
ω1 ω ω2
ω1 < ω < ω2
Тст1ТстТст2 Т
Рис. 17.9. Зависимость деформации от температуры при σ=const, t=const
Количественный подход к характеристике вязко-упругих тел полимеров основан на следующих представлениях. При циклической нагрузке на полимер
, а
где 0 <
. Если математически выразить эту зависимость в виде комплексного числа, то получим:
, где σ' – действительная, σ'' – мнимая часть.
Модуль вязкоупругого тела:
Здесь G' – это модуль накопления, показывающий, сколько энергии накапливает полимер при нагрузке и отдает при разгрузке (мера упругости полимера), а G'' – это модуль потерь, являющийся мерой потерянной работы, и, наконец
. Типичные зависимости G', ɛ и tgψ от температуры и от частоты воздействия представлены на рисунке 17.10.
G', ɛ, tgψ G', ɛ, tgψ
ɛ G'
tgψ tgψ
G' ɛ
Тст Т ω
Рис. 17.10. Зависимости G', ɛ и tgψ от температуры и от частоты воздействия
Видно, что зависимости зеркально симметричные, т. е. повышение температуры и снижение частоты воздействия вызывают аналогичные изменения параметров полимера. Это явление называют температурно-временной эквивалентностью (суперпозицией).
Вопросы для самостоятельной проработки:
-
Понятие о гибкости макромолекулы полимера.
-
Связь между структурой полимеров и их свойствами.
-
Назовите основные свойства вулканизированных каучуков.
-
Три физических состояния линейных аморфных полимеров.
-
Факторы, влияющие на величины температуры стеклования и течения полимеров.
-
Релаксационные процессы и их влияние на свойства полимеров.
Задачи для самостоятельного решения
5. Основные физико-механические свойства полимеров
5.1. Термомеханическая кривая
Вопросы 1501 – 1502, 1403 – 1405,1306 – 1308
Раздел № 18. Агрегатные, фазовые, физические состояния полимеров (продолжение)
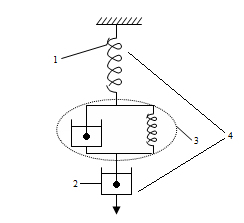
Для описания свойств полимеров можно применять механические модели.
Рассмотрим объединенную механическую модель вязкоупругого поведения полимеров (объединяющую несколько более простых моделей):
Рис. 18.1. Объединенная механическая модель вязкоупругого поведения полимеров
На рисунке 18.1. элемент 1 - пружина, описывающая идеальные твердые тела и называемая упругим элементом системы; элемент 2 – поршень, помещенный в идеальную жидкость, описывает вязкие жидкости и называется текучим элементом; параллельно соединенные упругий и вязкотекучий элементы составляют вязко-упругую систему (модель Кельвина) - высокоэластический элемент 3, и модель 4, в которой последовательно соединенные вязкий и упругий элементы (модель Максвелла), описывает вязкотекучее состояние. Таким образом, данная модель способна описывать различные режимы деформации полимера в различных состояниях.















