Лекции ОВТ (1074277), страница 7
Текст из файла (страница 7)
F = S1*g,
где S1 – удельная поверхность, м2*г-1 ;
g - вес сорбента, г.
Сорбционная емкость таких сорбентов, как активированный уголь (S1
м2 *г-1(!)) , цеолиты (S1
м2* г-1), силикагель (S1
м2* г-1) очень велика, по сравнению с площадью поверхности таких материалов как стекло, слюда, металл, для которых площадь поверхности близка к геометрической.
Физическая адсорбция увеличивается с уменьшением температуры, что связано с увеличением времени τ пребывания молекулы на поверхности в сорбированном состоянии. Количество молекул, сорбированных на единице поверхности может быть выражено:
n1s =N1*τ
где τ – время сорбции, с (
при Т = 293 К)
N1 - число молекул, ударяющихся о единицу поверхности в единицу времени
N1 =n*Va/4 c-1м-2;
Энергия взаимодействия молекулы газа с поверхностью сорбата определяется потенциалом Леннарда – Джонса, который для взаимодействия двух отдельных молекул записываться:
U(d) = 4ε*[(r0/r)12-(r0/r)6]
где r – расстояние между центрам молекул,
ε* - минимальная потенциальная энергия взаимодействия,
r0 - расстояние, на котором потенциальная энергия обращается в нуль
Вандерваальсовские силы Fa межмолекулярного притяжения пропорциональны r-6,
силы отталкивания Fr , возникающие при сближении электронных оболочек пропорциональны r –12, рис.31.
Рис.31
Максимальная энергия притяжения U(d)max – т.е. энергия в так называемой “энергетической яме” соответствует расстоянию d, на котором находятся взаимодействующие молекулы . Энергия взаимодействия молекулы сорбата со всеми молекулами, образующими поверхность запишется:
U(d) = (π/3)N ε* r03 [(r0/r)3-(1/15)(r0/r)9]
где N – число молекул в единцу объема твердого тела.
Условием прочного удержания сорбированной молекулы на поверхности является
U(d)max> (3/2)*kT ,
где k – постоянная Больцмана;
T – температура молекулы.
т.е. условие не превышения уровня тепловой энергии молекулы (3/2 kТ) над уровнем максимальной энергии сорбции U(d)max.
В зависимости от вида поверхности(плоская поверхность, поры, щели) и от характера взаимодействия существуют выражения (изотермы адсорбции), позволяющие определять количество сорбированного на поверхности газа или пара при данной температуре.
Закон Генри, рис. 32, представляет прямопропорциональную зависимость количества сорбированного газа G от давления газа P над поверхностью (закон описывает поведение сорбата при низких давлениях газов). Количество сорбированного газа выражается через коэффициент покрытия Θ (количество монослоев сорбата на поверхности):
Θ =G/Gm= b*P
Рис.32
где Gm - количество газа в одном монослое, м3*Па*м -2
G – количество сорбированного газа, м3*Па*м -2
b – коэффициент Генри, характеризующий емкость сорбата при данной
температуре, Па –1
где α – коэффициент прилипания;
N1П - количество “мест” на единице площади поверхности;
m - масса молекулы;
T - температура сорбента
Уравнение Ленгмюра, рис. 33, описывает поведение сорбата (вплоть до образования монослоя) в более широком диапазоне давлений
Рис.33
Коэффициент Генри в уравнениях Генри и Ленгмюра может быть выражен в размерности представляющей объем сорбата, сорбируемого на 1 грамме сорбента.
В этом случае уравнение Генри будет выглядеть так: G = PV = HTPGS
где G = PV – общее количество газа, сорбированное на сорбенте, м3*Па
HT – значение коэффициента Генри при данной температуре, м3*г-1
P - давление газа над сорбентом, Па
GS – все сорбента, г
Ниже приводятся значения коэффициентов Генри для разных сорбентов при комнатной температуре 293 К и температуре жидкого азота 77К.
|
Коэф. Генри | Уголь активир. СКТ | Цеолит СаА | Цеолит Ag X |
| H 293, м3*г-1 | 10-4 | 2,5*10-3 | 3*10-2 |
| H 77, м3*г-1 | 16 | 5,6 | 5 |
Уравнение полимолекулярной адсорбции
(Уравнение Бруннауэра - Эммета – Теллера или уравнение БЭТ) описывающее поведение сорбата при давлениях, вплоть до давления насыщающих паров сорбата
где ES - энергия сорбции газа на сорбенте (т.е. энергия сорбции первого
монослоя, Дж*моль-1)
EL - теплота парообразования сорбата (т.е. энергия сорбции второго и
последующих слоев на предидущих слоях сорбата ) Дж*моль-1
P - давление газа (пара) над сорбентом, Па
PL - давление насыщающих паров сорбата, Па
R - универсальная газовая постоянная R = 8,34*103 Дж*моль-1
T - температура поверхности, К
Данное уравнение показывает, что первый слой сорбата сорбирован очень прочно, т.к. связан с сорбентом энергией ES , которая больше ,чем энергия ELm – связывающая последующие монослои сорбата.
Лекция №15
Адсорбционные насосы
Адсорбционные насосы – насосы использующие физическую адсорбцию газов для их удаления из вакуумного объема.
Большим достоинством адсорбционных насосов является отсутствие масла в конструкции, что позволяет получить с их помощью “безмасляный” вакуум. Обычно адсорбционные насосы используют как насосы предварительного разряжения совместно с магнитно-разрядными или криосорбционными насосами для получения “безмасляного” сверхвысокого вакуума..
В ряде случаев адсорбционные насосы используют как самостоятельное средство откачки для получения безмасляного среднего и высокого вакуума.
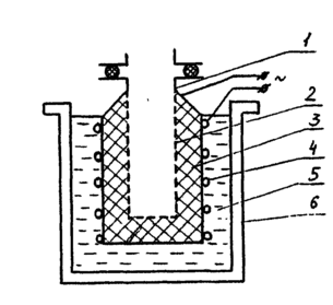
Принцип работы адсорбционного насоса рассмотрим на примере, изображенном на рис. 34.
Рис.34
Обычно корпус насоса выполнен в виде в виде цилиндрического стального контейнера, наполненного сорбентом, способным эффективно поглощать газ (активированным углем, цеолитом, силикагелем) и допускающим многократную регенерацию.
Насос содержит следующие основные части (рис. 34):
1 – присоединительный патрубок, служащий как для откачки (всасывания газов в
насос ), так и для регенерации (удаления газов из объема насоса);
2 – сетчатый контейнер, наполненный адсорбентом;
3 – адсорбент;
4 – нагреватель для регенерации адсорбента;
5 – охлаждающее устройство, заполняемое жидким азотом после регенерации для
приведения адсорбента в рабочее состояние;
6 – теплоизолирующий контейнер (сосуд Дюара)
Поскольку полный рабочий цикл одного насоса включает как период регенерации (нагрева, когда насос не откачивает , а наоборот, выделяет откачанный им газ), так и рабочий период, то и для обеспечения непрерывности процесса откачки необходимо использовать два насоса. Тогда в любой момент времени один насос откачивает газ из вакуумной системы, а другой – регенерируется.
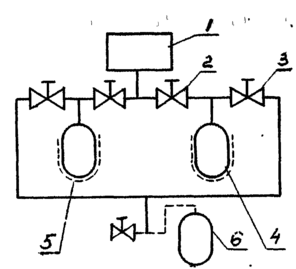
Рис.35
Схема вакуумной системы, использующей два адсорбционных насоса (поз.4 и 5) показана на рис. 35, где цифрами обозначены:
1 – реципиент (откачиваемый объект);
2 – клапан для откачки реципиента;
3 – клапан для регенерации;
4,5 – адсорбционные насосы;
6 – насос предварительного разряжения ( в качестве такого насоса также может быть использован адсорбционный насос)
Количество газа, откачиваемого адсорбционным насосом может быть определено с помощью диаграммы изотерм адсорбции, показанной на рис.36. На рисунке представлены три изотермы (для активированного угля), которые показывают количество газа, сорбированного при различных давлениях, для температур 77 К (верхняя кривая 1), 293 К (средняя кривая 2), 500 К (нижняя кривая 3). Рассмотрим процесс использования диаграммы для расчета давлений.
Так, если адсорбент регенерируется при температуре 500 К и давлении 105 Па (атмосферное давление), см . кривую 3, то количество оставшегося на сорбенте газа соответствует точке “а”. Если мы охладим наш адсорбент жидким азотом (до температуры 77 К, кривая 1) и при этом клапаны 2 и 3, рис. 35, будут закрыты, то мы достигнем внутри корпуса насоса предельного давления Р1(3 – 1) = 10 – 4 Па, соответствующего точке “в”, кривая 1, т.к. на сорбенте при этом осталось исходное количество газа (соответствующее точке “а”), но мы за счет охлаждения адсорбента перешли на другую изотерму.
Если мы будем регенерировать адсорбент при другой температуре, например, при 293 К (точка “с” изотермы 2, соответствующей комнатной температуре) после охлаждения сорбента мы достигаем предельного давления только Р1(2– 1) = 10 – 1 Па (точка “d”).
В соответствии с уравнением Генри количество сорбированного газа :
G = HTP*GS
где HT – коэффициент Генри при данной температуре, м3*кг-1
P - давление газа над сорбентом, Па
GS - вес сорбента, кг
Количество газа в системе, состоящий из реципиента объемом V и насоса, содержащего GS кг сорбента при исходном давлении P0 и температуре T составит:
G1 = P0V + HT2*P0GS [ м3*Па]
где НТ2 – коэффициент Генри при температуре Т2
После охлаждения сорбента в насосе до температуры Т3 количество газа в системе осталось то же, т.к. система замкнута , но газ перераспределился за счет его сорбции на сорбенте:
G2 = G1 = P1V + HT1*P1GS [м3*Па]
где НТ1 – коэффициент Генри при температуре Т1
Используя вышеприведенные зависимости, мы можем написать выражение для расчета давления Р1 после первого цикла откачки:
Это давление на изотерме Т1 будет соответствовать некой точке “е”, которая находится выше точки “d” (соответствующей предельному давлению для системы изотерм Т2 – Т) на величину G = V*P0 , т.е. на величину количества газа , находившегося перед началом откачки вне сорбента (в вакуумной камере).
Продолжая рассуждения аналогичным образом, можно в результате анализа получить выражение для расчета давления в реципиенте Рn после n циклов откачки:
Сорбент















