Лекция_8 (1048782), страница 2
Текст из файла (страница 2)
Гораздо проще определяются собственные частоты колебаний системы в случае, если система дифференциальных уравнений составлена в главных координатах:
Так как в этом случае все уравнения независимы, то решение каждого из этих уравнений можно записать в хорошо известной вам форме:
коэффициенты
и
определяются из начальных условий движения системы, а собственные частоты
по хорошо известной вам зависимости:
Таким образом, можно отметить, что колебания каждой главной координаты происходят по гармоническому закону, в то время как для простых обобщенных координат они происходят по сложному полигармоническому закону.
Стальной цилиндр радиусом r и массой M может кататься без проскальзывания по горизонтальной плоскости. К оси цилиндра подвешен маятник массой m и длиной l. Считая стержень невесомым, составить систему дифференциальных уравнений свободных колебаний и определить собственные частоты.
Решение.
Для составления дифференциальных уравнений воспользуемся основным способом, а именно уравнением Лагранжа II-го рода. За обобщенные координаты примем угол поворота цилиндра
и угол отклонения маятника от положения равновесия
.
Кинетическая энергия системы складывается из кинетической энергии движения цилиндра T1 и колебаний маятника T2. Кинетическая энергия цилиндра определяется как:
С
корость массы маятника m складывается из скорости качения
и скорости перемещения оси цилиндра
. В соответствии с рисунком, абсолютная скорость маятника определяется на основании теоремы косинусов:
Таким образом, кинетическая энергия маятника:
Изменение потенциальной энергии системы происходит только за счет изменения положения маятника:
Таким образом, имеем:
и
После подстановки полученных зависимостей в уравнение Лагранжа II-го рода имеем:
Так как мы рассматриваем малые колебания системы, то в первом приближении можно считать, что
и
. Тогда:
Поскольку система совершает малые колебания, то, очевидно, произведение
представляет собой величину третьего порядка малости, и ею можно пренебречь. Поэтому окончательно запишем:
Для определения собственных частот колебаний системы положим
и подставим эти частные решения в исходные дифференциальные уравнения:
Для получения нетривиального решения система должна иметь определитель, составленный из коэффициентов при неизвестных, равный нулю:
или, после раскрытия определителя:
Таким образом, получаем:
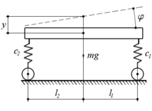
Задача 2.
Л
юбой автомобиль можно представить в виде некоторой балки, обладающей массой m и моментом инерции J относительно центра масс, соединенной с колесами рессорами жесткости
и
. Пренебрегая упругостью шин, составить дифференциальное уравнение движения системы и определить собственные частоты.
Решение
Опять для решения воспользуемся уравнением Лагранжа II-го рода. В качестве обобщенных координат принимаем вертикальное перемещение центра масс y и угол поворота корпуса
. В этом случае сравнительно легко находятся выражения кинетической и потенциальной энергий системы:
Откуда:
Подстановка этих выражений в уравнение Лагранжа дает следующую систему:
Произведем небольшие преобразования:
И, в соответствии с ними, система уравнений примет вид:
Принимаем, что частное решение системы имеет вид:
Подставляя это решение в исходное уравнение, получим:
откуда для получения нетривиального решения имеем:
или, после раскрытия определителя:
Решение последнего уравнения позволяет определить собственные частоты системы:
В заключение отметим, что выражение для определения кинетической энергии системы получилось в канонической форме записи, поэтому структура дифференциального уравнения соответствует структуре, получаемой при прямом способе составления уравнений движения.















