Занятие №5 (УО) (1039379), страница 3
Текст из файла (страница 3)
УО может находиться в электрической связи с ВчУ по двум направлениям. Сигналы, персональные для данного направления, помечаются цифрой 1 или 2. Например, СБРОС-1.
Сброс УО в исходное состояние может осуществляться не только оператором, с пульта по сигналу НУ, но и програмно, по команде ВРК, входящей в систему команд ВчУ. В этой команде за данным УО закреплены два разряда, один из которых содержит признак сброса УО, другой – признак запроса УО. При выполнении этой команды и наличии признака сброса данного УО в последний поступают сигналы СБРОС и СРК ВчУ. Эти сигналы, так же, как и сигнал НУ, устанавливают в исходное состояние большинство триггеров и счетчиков УО, в нулевое состояние регистры РРК и РТР ( контрольным разрядам РРК присваивают единичные значения).
При выполнении команды ВРК и наличии в ее полях признака запроса для данного УО в последний поступают сигналы ЗВчУ и СРК ВчУ, воспринимаемые схемой заявок и приоритета как запрос на выполнение команды от ВчУ. Команде ВРК в программе ВчУ предшествует занесение в фиксированную ячейку ОЗУ, закрепленную за данным УО, константы, представляющие собой команду УО. Устройство обмена после выборки команды записывает в фиксированную ячейку ноль.
Импульсный сигнал программного запроса на прерывание ЗПРП и потенциальный сигнал запроса на прерывание по сбою ЗПРСБ поступают от УО на регистр заявок ВчУ. Сигнал ЗПРП вырабатывается при выполнении команд УО с признаком программного прерывания ( СЧПР, СЧПР-1, СЧПР-2, СЧПР-3, ЗППР, ЗППР-1, ЗППР-2, ЗППР-3, ОСТКПР), а также по команде ТЕСТ1 при наличие в ней признака контроля алгоритма. В последнем случае сигнал ЗПРП выдается не во время выполнения самой команды ТЕСТ1, а в процессе дальнейшей работы УО в момент сравнения соответствующих полей команды, хранящейся на регистре тестовых режимов с состояниями некоторых триггеров и регистров УО.
Сигнал ЗПРСБ вырабатывается при возникновении сбойных ситуаций в самом УО или в абоненте, подключенном к УО, а сбрасывается по команде ЗАПРОС СЛОВОСОСТОЯНИЯ УО.
Оба запроса на прерывание являются обобщенными, поэтому для уточнения причин, вызвавших их, в ряде случаев программа ВчУ должна запросить и проанализировать содержимое СЛОВОСОСТОЯНИЯ УО или СЛОВОСОСТОЯНИЯ КАНАЛА.
Перечисленные связи позволяют, с одной стороны, воздействовать программам ВчУ на ход выполнения программ каналов УО, выполнять в УО разовые действия по инициативе программы ВчУ; с другой стороны, вызывать прерывания программ ВчУ по инициативе программ каналов либо при обнаружении в УО особых ситуаций.
От УК устройство обмена получает серию синхроимпульсов СИС-1-СИС-4 (синхроимпульсы сдвинутые), состоящую из четырех идентичных импульсных последовательностей, сдвинутых во времени друг относительно друга на величину длительности импульса ( см. рис. 3).
Каждая последовательность имеет следующие параметры:
- длительность синхроимпульсов 166 нс,
- период повторения 666 нс.
Для организации обмена информацией с ЗУ спецвычислителя устройство обмена связано с УК шинами адреса модуля АМ и линиями для передачи сигналов управления ТРОБР1, ТРОБР2, ВДА, ВДС, ПРС, а непосредственно с ЗУ – магистралями чтения МЧТ, записи МЗП, адреса МА и линиями для передачи сигналов СБОЙ ЗУ и ПЗП. При этом УО выступает в роли пользователя запоминающими устройствами СВ.
4.2. Взаимодействие УО с абонентами.
Связь УО с абонентами осуществляется по четырем каналам в соответствии с интерфейсом ЦВК 5Э26. К каждому каналу может быть подключено до 16 абонентов, использующих для приема сигналов усилители – приемники, для выдачи сигналов – усилители – передатчики модификации НК, смонтированные в ТЭЗе СЫШ-182, либо аналогичные им по электрическим параметрам. Все связи между УО и абонентами должны быть выполнены коаксиальным кабелем типа РК-75-1-11, РК-75-1, 5-11, РК-75-2-12 через платы ПРС ( ЭП5.282.138). Подключение к каналу большого количества абонентов (до 32) возможно только в случае применения дополнительных усилителей – согласователей для сборки и размножения сигналов.
Для управления внешними устройствами, в частности для начальной установки абонентов, от УО по 36 шинам выдается содержимое регистра разовых команд в виде потенциальных сигналов. Через 480-660 нс после занесения на регистр очередной команды от УО во внешние устройства выдается импульсный сигнал СРК (строб разовой команды). Длительность СРК – 350 нс.
Для реализации обмена информацией с абонентами в соответствии с интерфейсом ЦВК 5Э26 имеются следующие шины для передачи сигналов от УО в абонент:
- ПУСК АБОНЕНТА ( ПА – Кi ) – шина, по которой поступает заявка i-го канала ( i = 0, 1, 2, 3 ) на логическое подключение абонента к каналу;
- НОМЕР АБОНЕНТА ( НА – К (Р1), НА – Кi (Р2) – НА – Кi (Р5)) – шины, определяющие номер абонента, которому адресуется заявка на подключение. Шины НА – Кi ( Р2) – НА – Кi ( Р5) персональные для каждого канала, две шины НА – Кi ( Р1), по которым передается старший разряд кода номера абонента, общие для всех каналов;
- ИНФОРМАЦИОННАЯ ШИНА КАНАЛА ( ШИН – К) – шина, предназначеннная для вывода информации на абонент i-го канала последовательным кодом;
- ЗАПРЕТ ИМПУЛЬСА ЗАПРОСА ( ЗИЗ – Кi ) – шина, предназначенная для передачи сигнала, запрещающего выдачу очередного импульса запроса ИЗ – А в i-м канале;
- ОСТАНОВ ( ОСТ – Кi ) – шина, служащая для передачи заявки на логическое отключение абонента по инициативе канала, для передачи сигналов от абонента в УО;
- ИМПУЛЬС ЗАПРОСА ОБМЕНА СЛОВОМ ( ИЗ – Аi ) – шина, предназначенная для передачи абонентам в i-й канал сигнала, сообщающего о завершении считывания из абонента, либо о начале записи в абонент очередного слова в последовательном коде;
- ИНФОРМАЦИОННАЯ ШИНА АБОНЕНТА ( ШИН – Аi ) – шина, предназначенная для ввода в i-й канал информации последовательным кодом;
- ИМПУЛЬС СДВИГА ( ИС – Аi ) – шина, предназначенная для передачи сигнала сдвига информации на ШИН – Кi или ШИН – Аi;
- ВЫКЛЮЧЕНИЕ ОБМЕНА ( ВО – Аi ) – шина, предназначенная для передачи сигнала логического отключения абонента от i-го канала;
- СБОЙ АБОНЕНТА ( СБОЙ – Аi ) – шина, предназначенная для передачи сигнала обнаружения ошибки в абоненте.
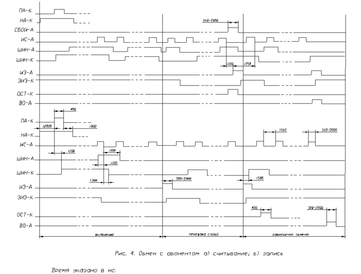
Значение логической единицы перечисленных сигналов соответствует высокому уровню ( +2,4 - +4,5 ) В, значение логического нуля – низкому уровню ( 0 – 0,4 ) В. Сигналы ПА – К и ОСТ – К передаются в виде импульсов длительностью 400 – 500 нс, сигналы НА – К, ШИН – К, ЗИЗ – К передаются в виде потенциалов. Сигналы НА – К сохраняют неизменными свое состояние по крайней мере в течение 2 мкс до и 0,8 мкс после сигнала ПА –К . Новое значение сигнала ШИН – Кi появляется на выходе УО не позже 300 нс после прихода заднего фронта ИС – Аi, не позже 100 нс после появления переднего фронта ПА – Кi, не позже 500 нс после прихода переднего фронта ИЗ – Аi при записи информации в абонент.
Сигнал ЗИЗ – Кi появляется не позже 550 нс после прихода ИЗ – А.
Сигналы ИЗ – А и ВО – А должны иметь длительность ( 0,4 – 2 ) мкс, сигналы ИС – А и СБОЙ –А – ( 0,16 – 2 ) мкс. Сигналы ШИН – Аi не должны менять свое значение в интервале ±100 нс относительно заднего фронта соответствующего ИС – Аi.
Интервал между соседними сигналами ИС – А должен быть не меньше 160 нс между задним фронтом ИС – А и передним фронтом очередного ИЗ – А, при считывании информации из абонента – не меньше 100 нс, между передним фронтом ИЗ – А и задним фронтом очередного ИС – А при считывании – не менее 150 нс.
Длительность фронтов всех сигналов не должна превышать 50 нс.
Взаимодействие УО с абонентом можно представить в виде следующих последовательностей сигналов ( см. рис. 4 ):
- последовательность сигналов включения;
-последовательность передачи данных;
-последовательность завершения обмена.
Для логического подключения абонента к каналу на шины НА-К выдается код номера абонента, после чего вырабатывается сигнал ПА – К. Если к каналу подсоединен абонент, опознавший свой номер на шинах НА – К, он запоминает факт поступления сигнала ПА – К ( логически подключается к каналу ). Абонент, работающий последовательным кодом, если он не находился в состоянии работы с другим каналом, выдает в УО серию импульсов сдвига ИС-А, по которым осуществляется выдача на ШИН – К последовательного кода команды ПУСК АБОНЕНТА, установленной на сдвиговый регистр канала в момент выработки сигнала ПА – К. В случае работы абонента с другим каналом прием команды может задержаться на время завершения обмена с этим каналом.
Для настройки абонента может потребоваться не вся команда, а только ее младшие разряды. В этом случае количество ИС – А может быть меньше 36, но кратное девяти.
Если абонент выдает в канал слова, разрядность которых меньше 36 ( 9, 18, 27 разрядов ), то при записи в абонент последовательным кодом команды ПУСК АБОНЕНТА в канал по ШИН – Аi должна возвращаться либо принимаемая абонентом информация, либо передаваться любая информация с правильными контрольными разрядами. В противном случае, при выполнении операции обмена первым словом в УО будет зафиксирован сбой канала и выполнение программы канала может быть прекращено. Абонент после приема команды ПУСК АБОНЕНТА может проверить правильность подключения к каналу сравнением кода номера абонента в команде с присвоенным ему номером и выполняет операции по настройке на обмен, указанный в команде.
Для передачи очередного слова в последовательном коде абонентом формируется серия импульсов ИС – Аi и импульс запроса ИЗ – Аi, вырабатываемый перед этой серией в случае записи информации в абонент или после этой серии в случае считывания информации из абонента. В первом случае по сигналу ИЗ-Аi очередное слово, подготовленное для обмена, пересылается с буферного на сдвиговый регистр УО, во втором – очередное слово, принятое от абонента на сдвиговый регистр, пересылается на буферный.
Количество импульсов ИС – Аi в серии, определяющее разрядность передаваемых слов, зависит от специфики абонента и может быть равно 9, 18, 27 либо 36.
Если к моменту появления очередного ИЗ – Аi при записи в абонент устройство обмена не успело подготовить на буферном регистре очередное слово, абоненту будет передана ложная информация. Если к моменту появления очередного ИЗ – Аi при считывании из абонента УО не успело записать в ОЗУ предыдущее слово обмена, произойдет потеря этого слова, а новое слово может быть записано в ОЗУ в искаженном виде. В случае возникновения названных ситуаций УО формирует запрос на прерывание программ ВчУ по переполнению канала. Чтобы исключить возможность таких потерь, абонент не должен выдавать очередной импульс запроса при наличии сигнала ЗИЗ – Кi.
Последовательность завершения обмена может выполняться как по инициативе канала, так и по инициативе абонента. В первом случае от УО в абонент в произвольный момент времени поступает сигнал ОСТ – К. Если это произошло до момента выдачи абонентом хотя бы одного сигнала ИЗ – А либо ИС – А, абонент может выполнить логическое отключение от канала, не сообщая ничего в канал. В противном случае абонент должен сообщить о логическом отключении сигналом ВО – А. Чтобы не испортить последнее слово обмена, абонент, прежде чем выполнить логическое отключение, должен закончить передачу этого слова.
Для завершения обмена по инициативе абонента в УО после передачи очередного слова должен поступить сигнал ВО – А, сигнализирующий об отключении абонента от канала. Если абонент по каким-либо причинам не может выполнять обмен, он формирует сигнал ВО – А после завершения последовательности включения и снятия каналом сигнала ЗИЗ – К.
Сигнал СБОЙ – А может поступить в УО от абонента, логически подключенного к каналу, в произвольный момент времени.
Выдача абонентом в канал сигналов после сформирования ВО – А и до появления очередного сигнала ПА – К недопустимо и может привести к нарушениям работы устройства обмена.
4.3. УО как приоритетная система массового обслуживания.
Очередность выполнения команд по программам каналов и команд от ВчУ регулируется схемой заявок и приоритета. Единицей дискретности разделения времени работы УО является операция, представляющая собой негрупповую команду либо часть группой команды. В групповой команде операция – это :
- выполнение действий по обмену одним словом между ЗУ и буферным регистром канала;
- выполнение подготовительных действий, связанных с выборкой из памяти и запоминанием на регистрах служебной информации, необходимой для управления обменом;
- выполнение действий, связанных с завершением обмена и настройкой канала на выполнение следующих команд его программы.
Очередь на выполнение операций удовлетворяется в соответствии с рангом приоритета операции и рангом приоритета источника заявки на выполнение операции. Имеются две группы операций. К первой группе относятся:
- обменные операции групповых команд ( обмен, запись, обмен, запись с конфигурацией; обмен, считывание; обмен, считывание с конфигурацией ) и операции по завершению групповых команд ( восстановление канала; конец обмена, запись ), выполняемые по заявке ЗАПР1;
- все операции, выполняемые по программе канала после завершения групповой команды с признаком цепочки данных до подготовительной операции очередной групповой команды включительно ( так называемые операции по выполнению цепочки данных ), для выполнения которых формируется заявка ЦД в схему заявок и приоритета.
Остальные операции относятся ко второй группе и выполняются по заявке ЗАПР2.
Заявки первой группы имеют более высокий приоритет по сравнению с заявками второй группы. Внутри группы ранги приоритета распределены следующим образом: заявки от ВчУ имеют максимальный приоритет, приоритет заявок от каналов убывает с ростом порядкового номера канала. От одного и того же канала в схеме заявок и приоритета могут храниться одновременно две заявки: ЗАПР1 и ЦД, при этом ЦД присвоен более высокий приоритет. В табл.1 перечислены все заявки на выполнение операций.
Таблица 1
















