Занятие №5 (УО) (1039379)
Текст из файла
УТВЕРЖДАЮ
Начальник военной кафедры №1
подполковник А.Кабардинский
М Е Т О Д И Ч Е С К А Я Р А З Р А Б О Т К А
для проведения группового занятия по военно-технической подготовке
Тема № 5 Комплекс вычислительных средств АСУ.
Занятие № 5 Устройство обмена (УО) СВ.
Учебные и воспитательные цели:
1) Изучить назначение и состав УО;
2) Изучить структурную схему и взаимодействие элементов УО по ней.
Время проведения: 270 мин.
Место проведения: аудитория.
Материальное обеспечение: - светопроектор, слайды;
- методическая разработка на занятие;
- альбомы схем.
Учебные вопросы и распределение времени
Введение 10 мин.
Основная часть 255 мин.
-
Назначение, основные технические характеристики УО. 55 мин.
-
Структурная схема УО. 100 мин.
-
Общие сведения о системе команд УО. 50 мин.
-
Принцип работы УО по структурной схеме. 50 мин.
Заключение 5 мин.
Организационно-методические указания.
| № п/п | Этапы занятия и его учебные вопросы | Время | Методические рекомендации |
| 1 | 2 | 3 | 4 |
| Вступительная часть. | 10 мин | ||
| 1) | Построение студентов учебного взвода; прием рапорта дежурного по учебному взводу; приветствие студентов; проверка наличия студентов и готовности их к проведению занятия. | 7 мин | Построение студентов учебного взвода производит дежурный по взводу под руководством командира учебного взвода. После приема рапорта преподаватель здоровается со студентами. Затем производит проверку внешнего вида и готовности студентов к занятию. |
| 2) | Объявление темы и названия занятия, его учебной и воспитательной целей, а также общего порядка проведения занятия. | 3 мин. | Говоря о порядке проведения занятия необходимо отметить, что рассматриваемый материал очень важен в теоретическом и практическом плане для эксплуатации и обслуживания аппаратуры в целом. |
| II. | Основная часть | 255 мин | |
| 1) | 1. Назначение, основные технические характеристики УО. 1.1.Назначение УО. 1.2.Основные технические характеристики. | 55 мин. 20 мин. 35 мин. | С помощью светопроектора необходимо высвечивать слайды: ”Структурная схема блока УО”.В случае неисправности светопроектора с помощью дежурного необходимо выдать раздаточный материал, в котором имеются рисунки, аналогичные перечисленным слайдам. |
| 2) | 2. Структурная схема УО | 100 мин. | При изложении материала данного вопроса использовать демонстрационную схему УО и с помощью светопроектора высветить слайды по отдельным устройствам УО. На структурной схеме УО показать основные функциональные элементы и пояснить их назначение. Затем пояснить порядок взаимодействия элементов по схеме и рассказать о принципах работы каждого из них. В случае неисправности светопроектора с помощью дежурного выдать раздаточный материал, в котором имеются рисунки аналогичные вышеперечисленным слайдам. |
| 3) 4) | 3. Общие сведения о системе команд УО. 4. Принцип работы УО по структурной схеме. 4.1. Взаимодействие УО с Вчу, УК и ЗУ. 4.2. Взаимодействие УО с абонентами.
4.4. Адресация УО. | 50 мин. 50 мин. | В начальной части этого вопроса рассказать о системе команд УО и пояснить, чем отличается данная система от системы команд процессора. При изложении материала данного вопроса использовать демонстрационную схему УК и с помощью светопроектора высветить слайды. Рассматривая принцип работы УО по структурной схеме показать, как взаимодействует УО с основными устройствами СВ. В случае неисправности светопроектора с помощью дежурного выдать раздаточный материал, в котором имеются рисунки аналогичные вышеперечисленным слайдам. |
| III | Заключительная часть. | 5 мин. | |
| 1) | Подведение итогов занятия и выдача задания на самостоятельную подготовку. | 2 мин. | Необходимо напомнить студентам тему и название занятия, его учебную и воспитательную цели, а также в какой степени они достигнуты. Целесообразно оценить ответы студентов на контрольные вопросы занятия и сделать соответствующие пометки в журнале учёта занятий. Следует обратить внимание студентов на задание для самостоятельной подготовки, а также на дополнительную литературу по данной теме. |
| 2) | Ответы на вопросы студентов по материалу занятия. | 2 мин. | Руководителю занятия следует дать исчерпывающие ответы на все вопросы студентов, которые возникли у них в процессе изучения учебного материала занятия. В случае, когда заданный вопрос вызывает затруднения с ответом на него, необходимо, записав или запомнив его суть, дать ответ на следующем занятии изучаемой дисциплины. |
| 3) | Окончание занятия. | 1 мин. | Обратившись к дежурному по учебному взводу, дать команду на окончание занятия. Дежурный по учебному взводу, соблюдая правила проведения занятий по военной подготовке, подает предварительную команду “Взвод ! Встать!”. По этой команде студенты встают со своих мест, а после по подачи дежурным исполнительной команды “Смирно!”, принимают строевую стойку . Руководитель занятия прощается со студентами: “До свидания, товарищи студенты!”, на что студенты отвечают: ”До свидания, товарищ …”( и добавляют воинское звание преподавателя). Затем руководитель занятия дает команду дежурному по учебному взводу: ”Конец занятия.” Дежурный по учебному взводу дублирует команду преподавателя. |
1. Назначение, основные технические характеристики УО
1.1. Назначение УО СВ
Устройство обмена УО СВ предназначено для организации обмена информацией между запоминающими устройствами СВ и абонентами независимо от вычислительного устройства по четырем селекторным каналам с использованием сигналов интерфейса ЦВК 5Э26.
Устройство обмена обеспечивает в режиме разделения времени выполнения последовательности команд для каждого канала в соответствии с заданной программой канала и сигналами управления поступающими от абонента.
1.2. Основные технические характеристики:
-
Количество каналов 4;
-
Количество абонентов подключаемых к одному каналу – 16 (с дополнительными усилителями 32);
-
Разрядность каналов - 36;
-
Тип каналов - селекторный.
Селекторный канал обслуживает одновременно одно внешнее устройство и поэтому участвует только в одной операции по передаче данных. Посредством селекторных каналов осуществляется передача данных между оперативной памятью и достаточно быстродействующими устройствами.
Если селекторный канал занят обслуживанием некоторого устройства, то поступающая в это время новая команда на ввод или вывод начинает выполняться только после завершения текущей команды.
Селекторный канал имеет один подканал и может работать только в групповом режиме.
Средства канала, необходимые для выполнения отдельной операции ввода-вывода, то есть для связи с одним внешним устройством, называются подканалом. Практически подканал-часть памяти канала, которая используется для размещения информации, необходимой для работы с данным внешним устройством.
-
Разрядность передаваемых слов 9,18,27 или 36 разрядов.
-
Метод обмена: по 1-3 каналам осуществляется последовательным кодом младшими разрядами вперед (контрольные разряды после соответствующих информационных), по 0-му каналу - последовательным или параллельным кодом.
-
Контроль команд и данных - побайтовый на нечетность.
-
Форматы команд: негрупповые команды – слово; групповые – слово либо двойное слово.
-
Информационный массив передаваемый по одной групповой команде от 2 до 4096 слов.
-
Адресация: массивы слов, передаваемых абоненту, и программы каналов могут храниться в любых последовательных ячейках ОЗУ или ДЗУ СВ. Массивы слов, получаемых от абонента, могут размещаться в любых последовательных ячейках ОЗУ.
Передаваемые абоненту слова могут побайтно конфигурироваться, а слова, получаемые от абонента, кроме этого побайтно приформировываются к информации, хранящейся в ОЗУ.
-
Конфигурирование информации: передаваемые абоненту слова могут побайтно конфигурироваться ( любой байт в любой байт), а слова, получаемые от абонента, кроме этого – побайтно приформировываются к информации, хранящейся в ОЗУ.
-
Форматы команд: негрупповые команды – слово, групповое – слово, либо двойное слово.
-
Предельная скорость обмена информацией - 185 тысяч слов в секунду.
-
Время выполнения операций устройством обмена от 2,66 мкс до 26 мкс.
2. Структурная схема УО
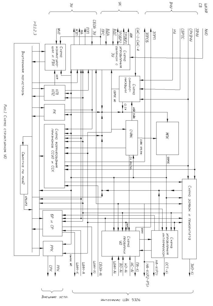
УО представляет собой четыре селекторных канала, работающих по индивидуальным программам и имеющих общее оборудование, используемое ими в режиме разделения времени в соответствии с присвоением каждому каналу рангам приоритета. Программа каждого канала хранится в ЗУ, а её выполнение может инициироваться как ВчУ, так и другим каналом. На рисунке №1 представлена структурная схема УО.
В состав УО входят следующие функциональные части:
-
схема синхронизации, предназначенная для установки УО в исходное состояние и синхронизации работы;
-
схема заявок и приоритета, осуществляющая прием, хранение заявок канала на выполнение операций и выделение из них самой приоритетной;
-
микропрограммная матрица (МПМ), предназначена для реализации микропрограмм УО путем выработки сигналов МО, управляющих работой УО;
-
счетчик МК (Сч МК), хранит код номера МК на время ее выполнения и изменяет этот код при переходе к новой МК;
-
схема управления обменом с ЗУ, предназначенная для формирования сигналов взаимодействия с УК и ЗУ; формирование и выдачи из УО полного адреса ячейки ЗУ, выдачи информации из внутренней магистрали в магистраль записи и организации текстового режима адресной магистрали;
-
схема конфигурации данных и регистр входной (РВХ), предназначенные для логического побайтового преобразования и хранения информации, поступающей в УО;
-
внутренняя магистраль (ВНМ), предназначенная для осуществления пересылок полноразрядной информации между регистрами УО, за исключением пересылок между сдвиговым и буферным регистрами, и контроля пересылаемой информации на нечетность;
-
регистр команд (РК), используемый для хранения кода выполняемой команды, для хранения команды ПК или БПК при выборе очередной команды программы канала, а также для изменения кода адреса команды или числа и подсчета количества слов информации при обмене с абонентом;
-
регистры канальной памяти (КП1, КП2), хранящие исполняемую групповую команду программы канала, а также команды "ПУСК КАНАЛА" или "БЕЗУСЛОВНЫЙ ПЕРЕХОД КАНАЛА";
Характеристики
Тип файла документ
Документы такого типа открываются такими программами, как Microsoft Office Word на компьютерах Windows, Apple Pages на компьютерах Mac, Open Office - бесплатная альтернатива на различных платформах, в том числе Linux. Наиболее простым и современным решением будут Google документы, так как открываются онлайн без скачивания прямо в браузере на любой платформе. Существуют российские качественные аналоги, например от Яндекса.
Будьте внимательны на мобильных устройствах, так как там используются упрощённый функционал даже в официальном приложении от Microsoft, поэтому для просмотра скачивайте PDF-версию. А если нужно редактировать файл, то используйте оригинальный файл.
Файлы такого типа обычно разбиты на страницы, а текст может быть форматированным (жирный, курсив, выбор шрифта, таблицы и т.п.), а также в него можно добавлять изображения. Формат идеально подходит для рефератов, докладов и РПЗ курсовых проектов, которые необходимо распечатать. Кстати перед печатью также сохраняйте файл в PDF, так как принтер может начудить со шрифтами.
















