Диплом ПЗ Бакуменко Финал на печать! (1004335), страница 7
Текст из файла (страница 7)
| № варианта | Полная длина моста | Строит. стоимость, руб | Трудоемкость, ч-д | |||
| Общая | На 1 п.м. | полная | На 1 п.м. | |||
| Вариант 1 | 122,100 | 733294,62 | 79,00 | 19559 | 160 | |
| Вариант 2 | 135,600 | 777951,37 | 5737,10 | 19451 | 143 | |
| Вариант 3 | 125,760 | 757488,57 | 6023,29 | 19222 | 153 | |
| Вариант 4 | 118,516 | 694060,99 | 5856,26 | 17798,73 | 150 | |
| Вариант 5 | 122,804 | 632551,51 | 5150,90 | 13751,58 | 112 | |
Таблица 2.6.7. – Сравнение вариантов по показателям материалоемкости
| № варианта | Расход стали, т. | Расход ж/б, м3 | Расход м/б, м3 | Объем сборного ж/б, м3 | Коэф. индустриализации |
| Вариант 1 | 133,20 | 1316,34 | 259,56 | 282,02 | 0,24 |
| Вариант 2 | 225,10 | 1360,97 | 173,04 | 224,18 | 0,29 |
| Вариант 3 | 186,46 | 1393,62 | 254,96 | 232,66 | 0,14 |
| Вариант 4 | 265,44 | 1109,98 | 265,44 | 101,58 | 0,04 |
| Вариант 5 | 363,35 | 812,94 | 5,20 | 104,50 | 0,05 |
По сравнению технико-экономических показателей и показателей материалоемкости вариантов к дальнейшему проектированию принимается вариант 5 как наиболее экономичный и наименее трудозатратный.
3. ДЕТАЛЬНАЯ РАЗРАБОТКА И КОНСТРУИРОВАНИЕ МОСТА ПО ВЫБРАННОМУ ВАРИАНТУ
3.1. Пролетное строение
В выбранном для дальнейшего проектирования варианте моста применяется пролетное строение с ездой понизу со сварными элементами замкнутого сечения и монтажными соединениями на высокопрочных болтах типового проекта серии 3.501.2-139.
К
онструкция пролетного строения и проезжей части приведена на рисунке 3.1.
Рисунок 3.1. – Конструкция пролетного строения и проезжей части
Пролетное строения 110,0 м предназначены для однопутных железнодорожных мостов с ездой понизу. Мостовое полотно с ездой на БМП.
Главные фермы приняты высотой 15000 мм. Расстояние между осями главных ферм поперек моста составляет 5800 мм. В состав главных ферм входят верхние и нижние пояса, а так же раскосы коробчатого замкнутого сечения ; стойки и подвески Н-образного сечения. Ширина всех элементов главных ферм 526 мм. Высота поясов 662 мм, опорных раскосов 800 мм. Высота прочих элементов от 380 до 650 мм. Номинальная длина панели (без учета заводских длин) – 11000 мм. Элементы поясов и раскосов герметично замкнуты, это обеспечивает защиту внутренних поверхностей от коррозии.
Верхние продольные связи – крестовой системы с панелью 5500мм; элементы нижних связей – таврового сечения. Тавровое сечение обеспечивает включение проезжей части в совместную работу с главными фермами.
Портальные и поперечные связи расположены в плоскости портальных раскосов и стоек.
Проезжая часть включает продольные и поперечные балки высотой 1520 мм двутаврового симметричного сечения.
Пролетные строения запроектированы из условия монтажа внавес с длиной консоли равной длине собираемого пролета.
Пролетное строение запроектировано с учетом всех требований и норм СП 35.13330.2012 «Мосты и трубы» по расчетную нагрузку С14.
3.2. Устой
3.2.1. Расчет устоев
Расчет фундаментов глубокого заложения ведется по предельным состояниям двух групп.
Первая группа:
- По прочности конструкций сваи, свай оболочек, или столбов, а также ростверка
- Несущей способности сваи (столба) по грунту на вертикальную и горизонтальную нагрузки
- Устойчивость фундаментов против глубокого сдвига, если основания сложены крутопадающими слоями грунта или устоев, основания которых сложены прослойками слабых глинистых грунтов.
Вторая группа:
- По осадкам оснований и фундаментов от вертикальных нагрузок
- Горизонтальным перемещениям верха опор
- Образованию и раскрытию трещин в элементах железобетонных конструкций фундаментов
Расчетные значения характеристик материалов столбов и ростверка, а так же расчет их по прочности, выносливости, образованию и раскрытию трещин производятся в соответствии с требованиями СП 35.13330.2012 “Мосты и трубы” и СП 24.13330.2011 “Свайные фундаменты”.
Расчетные значения характеристик грунтов с учетом возможных изменений в процессе строительства и эксплуатации следует определять по указаниям норм СП 22.13330.2011“Основания зданий и сооружений”, а расчетные значения характеристик грунта, окружающего столб и несущую способность столба по грунту – по СП 24.13330.2011 “Свайные фундаменты”.
Расчет устоев производится в программе Opora_X_ver_7_17_01.
Программа предназначена для cбора нагрузок и расчета фундаментов устоев и промежуточных опор железнодорожных, автодорожных и пешеходных мостов ( любых габаритов проезжей части, с разрезными и неразрезными пролетными строениями ) на нагрузки и их сочетания: С-14, А-11 и НК-80 (или А-8 и НГ-60), а также нагрузка от толпы; ледовые нагрузки (для русловых опор); нагрузки от навала судов (для мостов на судоходных реках); сейсмические нагрузки согласно СП 35.13330.2012 " Мосты и трубы ", СП 22.13330.2011 "Основания и фундаменты" и СП 22.13330.2011"Свайные фундаменты".
Кроме определения постоянных и временных нагрузок, а также их сочетаний в любом сечении опоры, если указать расчетное сечение в уровне подошвы фундамента (ростверка) программа делает :
1. Для фундаментов на естественном основании :
- проверку несущей способности грунта основания;
- проверку несущей способности подстилающих слоев грунта;
- проверку фундамента на опрокидывание (положение равнодействующей внешних сил);
- проверку фундамента на сдвиг;
2. Для свайных фундаментов :
- расчет усилий в сваях;
- определение экстремальных усилий в сваях для проверок и расчета армирования свай;
- проверку сваи по грунту на вертикальные нагрузки;
- проверку сваи по грунту на горизонтальные нагрузки;
- проверку несущей способности грунта в основании свай (как для условного массивного фундамента);
- проверку несущей способности подстилающих слоев грунта (как для условного массивного фундамента);
- проверку несущей способности заделки сваи в скальный грунт (для свай, забуренных в скалу);
3. Расчет ж.б. сечений свай, бетонных и ж.б. сечений тела опоры.
4. Расчет грузоподъёмности опор железнодорожных и а/д мостов
Для удобства пользования в программу включено:
- Развитая система меню для выбора режимов работы;
- Удобная полноэкранная корректировка исходных данных и таблиц нагрузок;
- Использование графики для иллюстрации вводимых данных;
- Хранение исходных данных и результатов расчета опоры в файлах на диске;
- Чтение исходных данных из файла в удобной форме (при просмотре имен файлов на экран выводится наименование моста, записанного в данном файле);
- Возможность корректировки вычисленных нагрузок в процессе расчета;
- Просмотр результатов расчета на экране;
- Полная и выборочная печать исходных данных и результатов расчета в легко читаемой форме.
- Просмотр общих видов опоры вдоль и поперек моста (в масштабе)
Нагрузки от веса пролетных строений вычисляются при загружении линий влияния опорных реакций погонными нагрузками, заданными в исходных данных, а нагрузки от веса конструкций опоры выше расчетного сечения - по габаритным размерам соответствующих конструкций опоры.
Результаты расчетов устоев в программе Opora_X_ver_7_17_01 приведен в приложении Б.
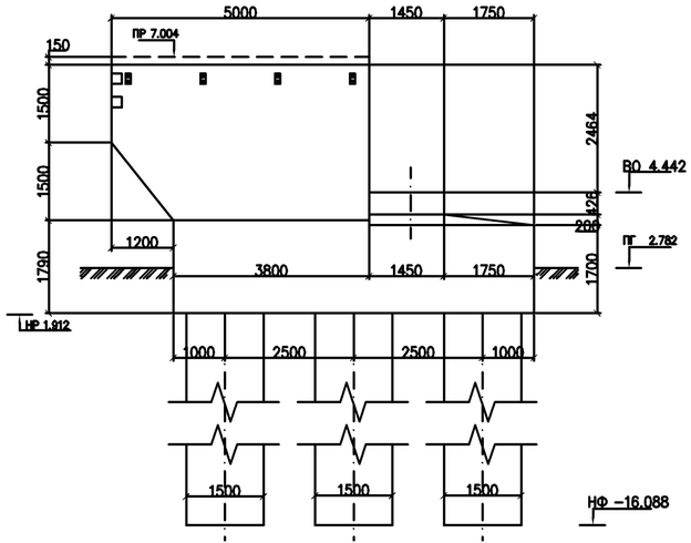
3.2.2. Конструирование устоя
Применяются сборно-монолитные индивидуальной проектировки с фундаментами на буронабивных столбах диаметром 1,5 м. Насадка-ростверк устоя – монолитная железобетонная, Шкафные блоки - сборные железобетонные Ш6 по типовому проекту №1067/11.
Насадка-ростверк устоя состоит из железобетона класса В30, морозостойкости F300 и влагостойкости W6.
Размеры насадки-ростверка устоя 7,0х9,5 м, высота насадки-ростверка устоя – 1,7 м в передней грани и 1,79 м в задней грани.
Конструкция устоя приведена на рисунках 3.2 и 3.3.
Армирование насадки-ростверка приведено на чертежном листе№5.
Рисунок 3.2. – Конструкция устоя по фасаду
Р
исунок 3.3. – Конструкция устоя поперек оси моста
3.2.3. Конструирование буронабивных столбов
В программе Opora_x_ver_7_17_01 выполняется 2 проверки сечения: как внецентренно сжатой конструкции, так и изгибаемой. Таким образом необходимое количество арматуры принимаемое для конструирования принимается исходя из выполнения той или иной проверки при расчете (Приложение Б).
Для буронабивного столба назначается количество рабочих стержней арматуры – 30шт А400 Ø28.
Радиус армирования 15,1 см.
Количество буронабивных столбов на один устой – 12шт.
Расстояние между осями столбов вдоль и поперек оси моста – 2,5 м.
Расчетная длина столбов левого устоя – 18м, правого – 12м.
Конструкция буронабивного столба и его армирование привдены на чертежном листе №6.
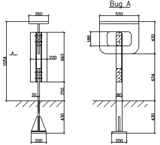
3.3. Антисейсмический элемент
При расчетной сейсмичности 9 баллов при данном типе пролетного строения необходимо использование антисейсмических устройств. Антисейсмические устройства принимаются анкерного типа по типовому проекту 3.501-30/75.
При проектировании опор с расчетной сейсмичностью 9 баллов пролетные строения должны быть дополнительно закреплены против смещения поперек оси пути устройством стопоров на подферменных площадках, кроме того подферменные площадки в продольном направлении должны быть уширены в соответствии с СП 14.13330.2014.
К
онструкция применяемого антисейсмического устройства приведена на рисунке 3.4.
Рисунок 3.4. – Конструкция устоя поперек оси моста
Установка анкеров производится производится вдоль оси моста – по оси опорных узлов, поперек моста – на расстоянии 0,95 м от оси моста.
4. ТЕХНОЛОГИЯ И КОМПЛЕКСНАЯ ОРГАНИЗАЦИЯ СТРОИТЕЛЬСТВА МОСТА
4.1. Основные положения
Строительство моста начинается в июне месяце работами по освоению строительной площадки, куда входят: строительство временных производственных помещений, устройство внутрипостроичных дорог и т. д.
Строительные и рабочие площадки отсыпаются грунтами из местных карьеров и от срезки в местах сооружения площадок. Отметки площадок приняты исходя из условий обеспечения технологии производства работ по сооружению опор и монтажа пролетных строений моста с учетом рабочих уровней воды р. Лазовая.
















