Лекция 4
4-я лекция.
4. ГИДРОСТАТИКА-2
4.1. Сила давления жидкости па плоскую стенку.
4.2. Точка приложения силы давления.
4.3 Сила давления жидкости на криволинейную стенку.
4.4.Плавание тел.
4.5. Прямолинейное равноускоренное движение сосуда с жидкостью.
4.6. Равномерное вращение сосуда с жидкостью.
4.1. Сила давления жидкости па плоскую стенку
Рекомендуемые материалы
Давление жидкости на плоскую стенку, наклоненную к горизонту под произвольным углом α, определяется по основному уравнению гидростатики
Р=Р0+hρg
Определим силу давления F, действующую со стороны жидкости, на участок рассматриваемой стенки, ограниченный произвольным контуром, имеющим площадь S.

Ось Ох направим перпендикулярно плоскости стенки от точки ее пересечения со свободной поверхностью жидкости, а ось Оу — перпендикулярно оси Ох в плоскости стенки.
Выразим элементарную силу давления, приложенную к бесконечно малой площадке δS , для остальных площадок силы будут определяться таким же образом
δFж = P*δS =(P0 + ρhg) δS = P0*δS + ρhg*δS,
где Р0 — давление на свободной поверхности, h — глубина расположения площадки δS.
Переходя к пределу при стремлении площадки δS→0, получим выражение для дифференциала силы давления:
dFж = P0*dS + ρhg*dS,
Проинтегрировав этот дифференциал по площади S, получим выражение для определения полной силы Fж
,
где у — координата площадки dS, h = у*Sinα .
Интеграл
представляет собой статический момент площади S относительно оси Ох , который равен произведению площади S на координату ус ее центра тяжести - точки С:

Усилие давления жидкости на плоскую, наклоненную стенку равно
Fж = P0S+ρg(yc Sinα) S = P0S+ρghcS, (4.1)
здесь hc = (yc Sinα)— глубина расположения центра тяжести площади S.
Fж = ρg (H0 +hc)S = PcS, (4. 2)
Сила давления жидкости Fж = ρghcS – это вес объема V = hcS жидкости.
Полная сила давления жидкости Fж на плоскую стенку равна произведению площади стенки S на гидростатическое давление Рс в центре тяжести этой площади.
1.В частном случае, когда давление Р0 является атмосферным и действует также с другой стороны стенки, сила избыточного давления жидкости Fизб ж на плоскую стенку равна лишь силе Fж давления от веса столба жидкости, т. е.
Fизб ж = PcS= ρghcS.
2. В общем случае давление Р0 может существенно отличаться от атмосферного, поэтому полную силу F давления жидкости на стенку можно рассматривать как сумму двух сил: F0 от внешнего давления Р0 и силы Fж от веса столба жидкости, т. е.
F= F0 + Fж = (P0+Pс)S. (4.3.)
4.2. Точка приложения силы давления.
Внешнее давление Р0 передается всем точкам площади S одинаково, и его равнодействующая сил внешнего давления F0 будет приложена в центре тяжести площади S с координатой - ус.
Для нахождения точки D приложения силы давления Fж от веса жидкости применим теорему механики, согласно которой момент равнодействующей силы относительно оси Ох равен сумме моментов составляющих сил, в данном случае элементарных сил.

где уD — координата точки приложения силы, h=y*Sinα.
Используя выражение для:
Fж = ρghc*S = ρg(ycSinα)*S - силы жидкости, действующей на плоскую стенку,
и для:
dFж= ρgh*dS= ρg(ySinα)*dS - силы жидкости, действующей на элементарную площадку, получим
(4.4)
где
- момент инерции площади S относительно оси Оx.
Подставляя в формулу (4.4) значение:
момента инерции и площади S - Jx относительно оси х, через момент инерции той же площади - Jx1 относительно центрально оси х1 параллельной оси Ох, находим
Jx = Jx1+yC2S, (4.5)
уD = уC+ Jx1/(усS), (4.6.)
Точка D приложения силы Fж расположена ниже центра тяжести площади стенки; расстояние между ними
ΔуD= уD -ΔуC = Jx0/( усS), (4.7) .
Если давление Р0 равно атмосферному, то точка D будет центром давления.
При Р0 > Pат центр давления находят по правилам механики, как точку приложения равнодействующей двух сил F0 и Fж , чем больше первая сила по сравнению со второй тем, очевидно, центр давления ближе к центру тяжести площади S.
Если стенка имеет форму прямоугольника размерами а × b (рис. 4.2) и с одной стороны - атмосферное давление, центр давления D находится па расстоянии b/3 от нижней стороны.

4.3 Сила давления жидкости на криволинейную стенку.
Нахождение силы давления жидкости на поверхности произвольной формы в общем случае приводится к определению трех составляющих суммарной силы и трех моментов.
Рассмотрим действие жидкости на цилиндрические или сферические поверхности, имеющие вертикальную плоскость симметрии. Сила давления жидкости в этом случае сводится к равнодействующей силе, лежащей в плоскости симметрии.
Возьмем криволинейную поверхность АВ, образующая которой перпендикулярна к плоскости чертежа (рис.4.3а), определим силу давления жидкости на эту поверхность. 
Выделим объем жидкости, ограниченный поверхностью АВ, вертикальными плоскостями, проведенными через границы этого участка ВС и AD, свободной поверхностью жидкости. Рассмотрим условия равновесия объема АВСD в вертикальном и горизонтальном направлениях.
Сила давления жидкости P действует на стенку АВ, стенка АВ удерживает действие жидкости силой реакции стенки Rс = P, направленной в противоположную сторону. На рис. 4.3 сила реакции стенки и сила давления жидкости разложены на горизонтальные и вертикальные составляющие.
Условие равновесия объема АВСD в вертикальном направлении имеет вид
Rсв =Pжв= Р0Fг + G = Р0Fг + ρgV0, (4.8)
где Р0 - давление на свободной поверхности жидкости; Fг - площадь горизонтальной проекции поверхности АВ; G - вес выделенного объема жидкостиV0. Объем V0 называют – объем тела давления..
Условие равновесия того же объема в горизонтальном направлении запишем с учетом того, что силы давления жидкости на поверхности ЕС и АD взаимно уравновешиваются и остается лишь сила давления на площадь ВЕ т. е. на вертикальную проекцию поверхности Sв = LEB*B. Тогда
Rсг=Pжг= Fвρghc+ Fв Р0 = Fв(ρghc+ Р0). (4.9)
Определив по формулам (4.8) и (4.9) вертикальную и горизонтальную составляющие полной силы Рж, найдем
, (4.10).
Сила давления жидкости на криволинейную стенку будет равна сила реакции стенки Rж = P и направлена в противоположную сторону.
Когда жидкость расположена снаружи (рис.4.3б), сила гидростатического давления на криволинейную поверхность АВ определяется также, но направление ее будет противоположным.
При этом под величиной G следует понимать так же, как и в первом случае вес жидкости в объеме АВСD, хотя этот объем и не заполнен жидкостью.
Положение центра давления на цилиндрической стенке можно найти, если известны силы Fв и Fг и определены центр давления на вертикальной проекции hD стенки и центр тяжести выделенного объема АВСD.
Задача значительно облегчается в том случае, когда рассматриваемая криволинейная поверхность является круговой. Равнодействующая сила при этом пересекает ось поверхности, так как любая элементарная сила давления нормальна к поверхности, т. е. направлена по радиусу.
Изложенный способ определения силы давления на цилиндрические поверхности применим и к сферическим поверхностям, причем равнодействующая сила в этом случае также проходит через центр поверхности и лежит в вертикальной плоскости симметрии.
4.4. Плавание тел.
Описанный выше прием нахождения вертикальной составляющей силы давления жидкости па криволинейную стенку используют для доказательства закона Архимеда.
Пусть в жидкость погружено тело произвольной формы объемом V (рис.4.4).

Спроектируем его на свободную поверхность жидкости и проведем проек-тирующую цилиндрическую поверхность W, которая касается поверхности тела по замкнутой кривой. Эта кривая отделяет верхнюю часть поверхности тела АСВ от нижней ее части ADB. Вертикальная составляющая Fв1 силы избыточного давления жидкости на верхнюю часть поверхности тела направлена вниз и равна весу жидкости в объеме АА’BВ’CA. Вертикальная составляющая Fв2 силы давления жидкости на нижнюю часть поверхности тела направлена вверх и равна весу жидкости в объеме АА’В’BDA. Отсюда следует, что вертикальная равнодействующая сил давления жидкости на тело будет направлена вверх и равна весу жидкости в объеме, равном разности указанных двух объемов, т. е.
FА = Fв2 - Fв1 = GACBD =Vρg. (4.11)
Закон Архимеда: на тело, погруженное в жидкость, действует выталкивающая сила направленная вертикально вверх, численно равная весу жидкости вытесненной телом и приложенная в центре тяжести объема погруженной части тел.
Сила FА называется архимедовой силой, а точка ее приложения, т. е. центр тяжести объема V — центром водоизмещения.
В зависимости от соотношения веса G тела и архимедовой силы возможны три случая:
1) G> FА — отрицательная плавучесть, тело тонет;
2) G<FА — положительная плавучесть, тело всплывает и плавает на поверхности жидкости;
3) G = FА нулевая плавучесть, тело плавает погруженным в жидкость полностью.
Для равновесия плавающего тела, кроме равенства G = FА должен быть равен нулю суммарный момент. Последнее условие соблюдается тогда, когда центр тяжести тела лежит на одной вертикали с центром водоизмещения. Условие устойчивого равновесия тела, плавающего в полностью погруженном состоянии, заключается в следующем: центр тяжести тела должен находиться ниже центра водоизмещения.
4.5. Прямолинейное равноускоренное движение
сосуда с жидкостью.
Если при движении сосуда на частицы жидкости, кроме сил тяжести действуют еще силы инерции, под действием этих сил жидкость принимает новое положение равновесия - положение относительного покоя.
Относительным покоем называется равновесие жидкости, находящейся под действием сил тяжести и инерции в движущемся сосуде.
При относительном покое положение свободной поверхности и поверхностей уровня, отличается от их положения для жидкости в неподвижном сосуде.
При определении формы и положения этих поверхности учитывается основное свойство поверхности уровня.
Основное свойство поверхностей уровня - равнодействующая массовых сил всегда нормальна к этим поверхностям.
В полном дифференциале давления
dP=ρ(X*dх+У*dy+Z*dz), (4.12)
Х,У,Z – алгебраическая сумма проекций на оси координат ускорений силы тяжести и сил инерции переносного движения.
Вдоль поверхности уровня dР=0 , так как поверхности уровня - это поверхности равного давления. Дифференциальное уравнение поверхности равного давления:
X*dх+У*dy+Z*dz = 0 (4.13),
Этот трехчлен (4.13) определяет элементарную работу массовых сил X,У,Z на перемещениях dх, dy, dz. В данном случае перемещение взято по поверхности равного давления, dР=0.
Из этого выражения следует, что работа массовых сил вдоль поверхности равного давления равна нулю. Это значит, что в состоянии относительного покоя результирующее ускорение перпендикулярно к соответствующему элементу поверхности равного давления.
Рассмотрим два случая относительного покоя.
Первый случай: сосуд, движущийся прямолинейно и равноускоренно.
Второй случай: сосуд, вращающийся вокруг вертикальной оси с постоянной угловой скоростью.
На рис.4.5 изображен сосуд, движущийся вниз с ускорением а по плоскости наклонённой под углом α к горизонту. Оси координат оси координат связаны с движущимся телом.
1. Пусть на жидкость действует суммарная массовая сила F, проекции которой Fx, Fy, Fz , поделенные на массу: Fx/m являются проекциями единичной массовой силы на оси Ох, Оу, Oz: Х, У и Z.
F = Fx+Fy+Fz = mа, F/m = Fx/m +Fy/m +Fz/m = X +Y + Z = а.
Все выделенные составляющие являются векторными величинами.
Проекции массовых сил, действующие на выделенный объем в направлении координатных осей, будут равны произведениям проекций единичных сил, умноженным на массу выделенного объема.
Fx = mX, Fy = mY, Fz = mZ.
Результирующую единичную массовую силу, действующую на жидкость, найдем как сумму единичных векторов силы инерции j и силы тяжести g. Единичная сила инерции Fи = j = - a направлена в сторону противоположную ускорению а (рис.4.5).
Проекции сумм массовых сил на оси:
Ox: X = j - gSinα,
Oz : Z = -gCosα,
Оx: Y = 0.

При подстановке этих проекций в дифференциал давления, получим
(1/ρ)dp = [(j - gSinα)dx – (gCosα)dz].
Проинтегрировав дифференциал в проекциях, получим выражение для давления на поверхностях уровня
Р = ρ [(j - gSinα) x – (gCosα)z] + С. (4.14)
На произвольной поверхности уровня давление постоянно Р = const и, обозначив новую постоянную С1 - Р = const, где Р получим уравнение изобарических поверхностей
ρ [(j - gSina) x – ρgCosa* z] +С1 = 0 (4.15)
Это уравнение дает семейство плоскостей, параллельных оси Оу. Одной из них является свободная поверхность.
Обозначим через z0 координату пересечения свободной поверхности с осью z. Подставив в формулу (4.15) х0 = 0, z = z0, находим С1=ρg z0Cosα для свободной поверхности. Уравнение этой поверхности имеет вид
ρ [(j - gSina) x – ρgCosa* z] + ρg z0Cosα = 0
(j - gSina) x –gCosa*( z + z0) = 0
где коэффициент в линейном уравнении равен тангенсу угла β .
Для определения положения свободной поверхности жидкости в сосуде, движущемся прямолинейно и равноускоренно к уравнению (4.16) нужно добавить уравнение объемов, т. е. нужно знать первоначальный объем жидкости в сосуде и выразить его через размеры сосуда В и Н и первоначальный уровень h.
Если сосуд движется только под действием силы тяжести, то j= gSinα β = 0, то свободная поверхность параллельна плоскости движения.
При нулевых условиях: х = 0, z = z0, P = P0 в формуле (4.14), получим C = P0+ (ρgCosa)z0:
Р = ρ [(j - gSinα) x – (gCosα)z + С
Р = P0+ρ(j-gSina)x+ρgCosa(z0 – z). (4.19)
Эта формула используется для определения давления в любой точке жидкости, находящейся в относительном покое при прямолинейном движении
Можно также использовать суммарную массовую единичную силу q для определения давления в любой точке.
Возьмем на рис.4.5 около точки М площадку dS, параллельную свободной поверхности, и на этой площадке построим цилиндрический объем с осью, нормальной к свободной поверхности. Условие равновесия указанного объема жидкости в направлении нормали к свободной поверхности будет иметь вид
РdS = P0dS + q(ρldS),
где последний член представляет собой полную массовую силу, q – суммарная единичная массовая сила, М = ρldS - масса выделенного объема жидкости, l — расстояние от точки М до свободной поверхности.
После сокращения на dS получим давление в точке
Р = P0 + qρl, (4.20)
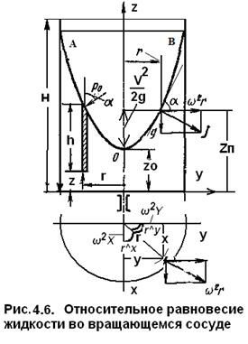
4.6. Равномерное вращение сосуда с жидкостью
Возьмем открытый цилиндрический сосуд с жидкостью и сообщим ему вращение с постоянной угловой скоростью ω вокруг его вертикальной оси. Силы трения о стенки вращающегося сосуда будут увлекать за собой жидкость. Она постепенно приобретет ту же угловую скорость, что и сосуд, находясь по отношению к сосуду в покое. Свободная поверхность жидкости изменится.
В центральной части уровень жидкости опустится, у стенок она поднимется, и вся свободная поверхность жидкости станет поверхностью вращения (рис.4.6).
На жидкость будут действовать силы давления, силы тяжести и силы инерции переносного движения. Частица жидкости будет находиться под действием ускорения силы тяжести и центростремительного ускорения, а равное ему ускорение силы инерции будет центробежным. Единичная массовая сила тяжести Fg = g и единичная массовая центробежная сила Fцб = ω2r.
Проекции этих сил на оси координат дадут следующие выражения
X = (V2/r) Cos(r^x) = ω2r Cos(r^x)= ω2X
Y = (V2/r) Cos(r^y) = ω2r Cos(r^у)= ω2Y,
Z = -g

Подставляя эти проекции в дифференциальное уравнение поверхности равного давления и интегрируя :
X*dх+У*dy+Z*dz = 0,
получим ρ(ω2/2) (X2 + Y2) – ρgz + С = 0.
Уравнение свободной поверхности, например, получим, при нулевых условиях: Р0 = const, х = у = 0, z= z0, где координата вершины параболоида свободной поверхности. Тогда С = ρgz0.
ρ(ω2/2) (X2 + Y2) – ρgz + ρgz0 = 0,
(ω2/2) (X2 + Y2) =g(z - z0)
и после деления на g уравнение свободной поверхности получит вид
(4.22)
Таким образом, поверхности равного давления, в том числе и свободная поверхность, образуют семейство параболоидов, сдвинутых вдоль вертикальной оси. Каждому значению р соответствует свой параболоид, положение которого определяет константа С.
Эти поверхности будут конгруэнтными параболоидами вращения с осью Oz. Один из этих параболоидов – свободная поверхность жидкости, где Р0= Ратм.
Две геометрические фигуры называются конгруэнтными, если их можно совместить одну с другой, изменив их положение в пространстве.
Подставляя проекции массовых сил в дифференциал давления
dp = ρ(Xdx + Ydy + Zdz),
получим dp = ρω2 (Xdx + Ydy) –ρ gdz,
вынесем знак дифференциала за скобки,
dp = ρ d[(ω2/2) (X2 + Y2)] –ρ gdz,
и проинтегрировав, получим выражение для определения давления в любой точке
p = ρ(ω2/2) (X2 + Y2) –ρ gz + С1, (4.21)
Значение константы для свободной поверхности Р = Р0, x=y=0, z = z0: С1 = Р0 + ρgz0.
Получим уравнение для определения давления в любой точке:
(4.22)
Пользуясь этими уравнениями можно определить положение свободной поверхности и давление в сосуде.
Максимальная высота Н подъема жидкости в параболоиде со свободной поверхностью может быть определена, следующим образом.

На практике часто рассматривается вращение сосуда с жидкостью, когда угловая скорость ω столь велика, что силой тяжести можно пренебречь по сравнению с центробежными силами. При этом закон изменения давления в жидкости легко получить из формулы (4.22), в которой следует принять g(z0 - z) = 0.
Поверхности уровня примут вид цилиндров с общей осью - осью вращения сосуда. Если сосуд не был заполнен перед началом вращения, давление Р0 будет действовать не в центре, а при r = r0, вместо выражения (4.22) будем иметь
Р = Р0 + ρ ω2 (r —r02)/2g, (4.23)

Часто бывает необходимо определить силу давления вращающейся вместе с сосудом жидкости на его стенку, нормальную к оси вращения (или на кольцевую часть этой стенки).
Для этого необходимо выразить сначала силу давления, приходящуюся на элементарную кольцевую площадку dS = 2πrdr радиусом r и шириной dr;

Уравнение, выражающее величину давления имеет вид
Ещё посмотрите лекцию "Лекция 11.1" по этой теме.

При определении давления на верхнюю крышку где Z=0, Z0 может быть больше нуля Z0>0
, равно нулю
и меньше нуля 
В первом случае

а затем выполнить интегрирование в требуемых пределах.
При большой угловой скорости жидкости можно получить весьма значительную суммарную силу давления на стенку. Этот эффект используется в некоторых фрикционных муфтах, где для осуществления сцепления двух валов требуется создание больших сил нормального давления. Способ, указанный выше, применяют для определения силы осевого давления жидкости на рабочие колеса центробежных насосов, а также на крышки центрифуг.





















