text (955261), страница 24
Текст из файла (страница 24)
Жидкость, поступающая под давлением из нагнета-
тельного прибора через правое отверстие в полость кор-
пуса поз. 1, перемещает клапан поз. 3 и сжимает пружину
поз. 5. При падении давления жидкости под действием
пружины клапан закрывает отверстие корпуса, преграждая
тем самым обратный выход жидкости. Верхнее отверстие корпуса предназначена для продувки трубопровода.
Задание
Выполнить чертежи деталей поз. 1....6.
Материал деталей поз. 1, 2, 4 Сталь 20
ГОСТ 1050-74, детали поз. 3 — Сталь 30 ГОСТ 1050—71,
детали поз. 5 — Сталь 65Г ГОСТ 1050—74
Ответьте на вопросы:
-
Назовите детали, которые имеют резьбу.
-
Видна ли деталь поз. 2 на разрезе А—А?
-
Покажите контур детали поз. 2.
75
2-е деталирование
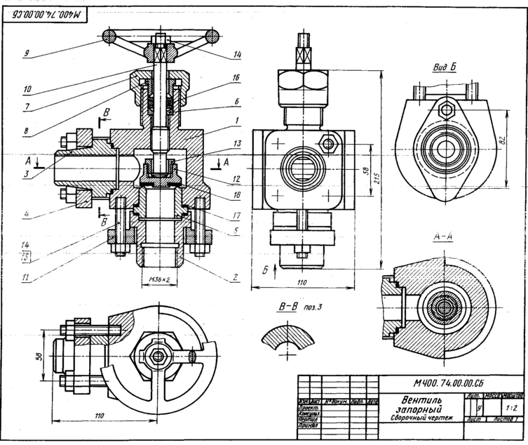
74. ВЕНТИЛЬ ЗАПОРНЫЙ
| Формат | Зона | Поз. | Обозначение | Наименование | Кол. | Приме- |
| Документация | ||||||
| А2 | МЧ00.74.00.00.СБ | Сборочный чертеж | ||||
| Детали | ||||||
| A3 | 1 | МЧ00.74.00.01 | Корпус | |||
| А4 | 2 | МЧ00.74.00.02 | Штуцер | |||
| А4 | 3 | МЧ00.74.00.03 | Штуцер | |||
| А4 | 4 | МЧ00.74.00.04 | Фланец | |||
| А4 | 5 | МЧ00.74.00.05 | Втулка | |||
| А4 | 6 | МЧ00. 74.00.06 | Кольцо | |||
| А4 | 7 | МЧ00.74.00.07 | Гайка | |||
| А4 | 8 | МЧ00.74.00.08 | Втулка | |||
| А4 | 9 | МЧ00.74.00.09 | Маховик | |||
| А4 | 10 | МЧ00. 74.00.10 | Шпиндель | |||
| А4 | 11 | МЧ00.74.00.11 | Фланец | |||
| А4 | 12 | МЧ00. 74.00.12 | Клапан | |||
| А4 | 13 | МЧ00.74.00.13 | Втулка | |||
| Стандартные изделия | ||||||
| 14 | Гайка М12.5 ГОСТ 5915—70 | 7 | ||||
| Кольцо СГ 28-17-3,5 ГОСТ 6418—81 | 5 | |||||
| 15 | Шпилька M16X45.58 ГОСТ 22034—76 | 6 | ||||
| Материалы | ||||||
| 16 | Шнур асбестовый | 1 | ||||
| 17 | Картон А 1 ГОГТ 9347-74 | 3 | ||||
| 18 | Кожа 3 | 1 |
Запорный вентиль монтируют на трубопроводе, по
которому движется жидкость или газ.
С помощью вентиля можно отключать одну часть
трубопровода от другой. Для этого нужно опустить за-
порный клапан поз. 12 до соприкосновения его с торцом
втулки поз. 5. Перемещение клапана по вертикали произ-
водят вращением маховика поз. 9. Гайка поз. 14 пред-
упреждает соскакивание маховика со шпинделя поз. 10.
Уплотнение, состоящее из асбестового просаленного
шнура поз. 16 прямоугольного сечения, прижимается
сверху втулкой поз. 8. При затяжке гайки поз. 7 сжатие
уплотнения увеличивается.
Задание
Выполнить чертежи деталей поз. 1 ... 5 и 7... 11. По-
строить аксонометрическую проекцию детали поз. 3.
Материал деталей поз. 1 ... 3, 5, 7, 10 — Сталь 30
ГОСТ 1050—74, деталей поз. 4, 8 — Ст 6 ГОСТ 380—71,
деталей поз. 6, 9, 11 — Сталь 20 ГОСТ 1050—74, деталей
поз. 12 — БрА9Мц2Л ГОСТ 493—79.
Ответьте на вопросы:
1. Имеются ли на чертеже сечения?
-
Назовите детали, показанные на разрезе А—А
-
Покажите контур детали поз. 1.
76
1-е деталирование
76. ТЯГА
| Формат | Зона | Поз. | Обозначение | Наименование | Кол. | Приме- |
| Документация | ||||||
| А2 | МЧ00.75.00.00.СБ | Сборочный чертеж | ||||
| Детали | ||||||
| А4 | 1 | МЧ00.75.00.01 | Корпус | 1 | ||
| А4 | 2 | МЧ00.75.00.02 | Вилка | 1 | ||
| A3 | 3 | МЧ00. 75.00.03 | Стяжка | 1 | ||
| А4 | 4 | МЧ00.75.00.04 | Вкладыш | 2 | ||
| А4 | 5 | МЧ00. 75.00.05 | Ось | 1 | ||
| А4 | 6 | МЧ00.75.00.06 | Кольцо | 1 | ||
| Стандартные изделия | ||||||
| 7 | Винт А.М4Х30.58 | 1 | ||||
| 8 | Винт М6Х 25.58 | 2 |
Тяга применяется как промежуточное звено меха-
низмов.
Тяга имеет корпус поз. 1 с двумя сменными стальными
втулками (вкладышами) поз. 4, которые фиксируются
винтами поз. 8. Корпус и вилка поз. 2 соединены винтовой
стяжкой поз. 5, имеющей на концах правую и левую
резьбы. Длину тяги можно регулировать, для чего про-
ворачивают ключом среднюю часть стяжки.
Задание
Выполнить чертежи деталей поз. 1...6
Материал деталей поз. 1 ... 3, 5, 6 Сталь 20
ГОСТ 1050—74, детали поз. 4 - БрА9ЖЗЛ ГОСТ 493 -79.
Ответьте на вопросы:
-
Назовите детали, видимые на разрезе А—А.
-
Как называется сечение Б—Б?
-
Покажите контур детали поз. 2
77
2-е деталирование
76. КЛАПАН ПРЕДОХРАНИТЕЛЬНЫЙ
| Формат | Зона | Поз. | Обозначение | Наименование | Кол. | Приме- |
| Документация | ||||||
| А2 | МЧ00.76.00.00.СБ | Сборочный чертеж | ||||
| Детали | ||||||
| A3 | 1 | МЧ00.76.00.01 | Корпус | 1 | ||
| A3 | 2 | МЧ00. 76.00.02 | Цилиндр | 1 | ||
| А4 | 3 | МЧ00. 76.00.03 | Седло | 1 | ||
| А4 | 4 | МЧ00. 76.00.04 | Втулка | 1 | ||
| А4 | 5 | МЧ00. 76.00.05 | Клапан | 1 | ||
| А4 | 6 | МЧ00. 76.00.06 | Гайка | 1 | ||
| А4 | 7 | МЧ00.76.00.07 | Пружина | 1 | ||
| А4 | 8 | МЧ00. 76.00.08 | Обойма | 1 | ||
| А4 | 9 | МЧ00. 76.00.09 | Винт | 1 | ||
| А4 | 10 | МЧ00.76.00.10 | Тарелка | 1 | ||
| А4 | 11 | МЧ00. 76.00.11 | Тарелка | 1 | ||
| А4 | 12 | МЧ00. 76.00.12 | Шток | 1 | ||
| А4 | 13 | МЧ00.76.00.13 | Колпак | 1 | ||
| А4 | 14 | МЧ00. 76.00.14 | Втулка | 1 | ||
| Стандартные изделия | ||||||
| 15 | Винт М6Х 30.58 | 1 | ||||
| 16 | Винт М6Х 35.58 | 1 | ||||
| 17 | Ганка M10.5 | 1 | ||||
| Материалы | ||||||
| 18 | Кожа 2 ГОСТ 20836—75 | 1 | ||||
| 19 | Кожа 2 ГОСТ 20836—75 | 2 |
Предохранительный клапан применяется для регу-
лиронания давлении жидких или газообразных сред.
Клапан поз. 5 прижат к седлу поз, 3 штоком поз. 12
со сферической опорной поверхностью. Седло установлено
на резьбе в корпус поз. 1 и стопорится винтом поз. 16.
Клапан расположен в регулировочной втулке поз. 14,
которая ввертывается в обойму поз. 8 и стопорится винтом
поз. 15. Втулка поз. 14 может занимать различное поло-
жение относительно седла, увеличивая или уменьшая
проходное сечение трубопровода. Открытие клапана
зависит от степени предварительного сжатия пружины
поз. 7. Сжатие пружины регулируется винтом поз. 9.
После регулировки винт поз. 9 фиксируют гайкой поз. 17
и закрывают колпаком поз. 13.
















