text (955261), страница 25
Текст из файла (страница 25)
Задание
Выполнить чертежи деталей поз. 1 ... 6, 3, 8. По-
строить аксонометрическую проекцию детали поз.1.
Материал деталей поз. 1 ... 6 — Сталь 20
ГОСТ 1050—74, детали поз. 7 — Сталь 65Г
ГОСТ 1050—74, деталей поз. 9 ... 14 — Сталь 30
ГОСТ 1050—74.
Ответьте на вопросы:
-
Обведите контур видимой части детали поз. 8 на
виде сверху, -
Назовите детали, которые имеют резьбу.
3. На каких изображениях видна деталь поз. 16?
78
1-e деталирование
77. ПРИХВАТ
| Формат | Зона | Поз. | Обозначение | Наименование | Кол. | Приме- |
| Документации | ||||||
| A2 | МЧ00.77.00.00.СБ | Сборочный чертеж | ||||
| Детали | ||||||
| A3 | 1 | МЧ00.77.00.01 | Корпус | 1 | ||
| A3 | 2 | МЧ00.77.00.02 | Прижим | 1 | ||
| A4 | 3 | МЧ00.77.00.03 | Стакан | 1 | ||
| A4 | 4 | МЧ00. 77.00.04 | Пружина | 1 | ||
| A4 | 5 | МЧ00.77.00.05 | Поршень | 1 | ||
| A4 | 6 | МЧ00.77.00.06 | Пружина | 1 | ||
| Стандартные изделия | ||||||
| 7 | Гайка М36.5 | 1 | ||||
| 8 | Кольцо 050 055 30 | 1 | ||||
| 9 | Кольцо 025-030 30 | 2 |
Гидравлический прихват предназначен для за-
крепления заготовок при механической обработке.
Масло под давлением поступает через левое отверстие
в полость корпуса поз.1. При этом поршень поз. 5 опускается, прижим поз. 2 прижимает заготовку к столу
станка или опорной плоскости приспособления, а пру-
жины поз. 4, 6 сжимаются. Для освобождения заготовки
масло удаляется из полости корпуса, под действием пружины
поз. 4 поршень поднимается вверх и прижим освобождает
заготовку. Кольца поз. 8, 9 из маслостойкой
резины обеспечивают уплотнение поршня.
Задание
Выполнить чертежи деталей поз. 1...5.
Материал деталей поз. 1, 2 — СЧ 15 ГОСТ 1412-79,
деталей поз. 3, 5 — Сталь 30 ГОСТ 1050—74, деталей поз. 4, 6 - Сталь 65Г ГОСТ 1050 — 74.
Ответьте на вопросы:
-
Имеются ли на чертеже стандартные детали?
-
Для чего предназначены пазы детали 3?
-
Покажите контур детали поз. 2 на виде сверлу.
79
2-е деталирование
78. АМОРТИЗАТОР
| Формат | Зона | Поз. | Обозначение | Наименование | Кол. | Приме- |
| Документация | ||||||
| А2 | МЧ00.78.00.00.СБ | Сборочный чертеж | ||||
| Детали | ||||||
| A3 | 1 | МЧ00.78.00.01 | Корпус | 1 | ||
| A3 | 2 | МЧ00.78.00.02 | Муфта | 1 | ||
| А4 | 3 | МЧ00.78.00.03 | Упор | 1 | ||
| A3 | 4 | МЧ00.78.00.04 | Крышка | 1 | ||
| A3 | 5 | МЧ00.78.00.05 | Шток | 1 | ||
| А4 | 6 | МЧ00.78.0О.06 | Втулка | 1 | ||
| А4 | 7 | МЧ00.78.00.07 | Пружина | 1 | ||
| Стандартные изделия | ||||||
| 8 | Болт M12X45.58 | 6 | ||||
| 9 | Гайка М12.5 | 6 | ||||
| 10 | Гайка М20.5 | 1 | ||||
| 11 | Шайба 12.01.dl9 | 6 |
Амортизатор служит для поглощения ударных нагру-
зок на манипулятор в устройствах для механической
подачи и поворота поковок на больших прессах и мо-
лотах.
Корпус поз. 1 присоединен болтами поз. 8 к крышке
поз. 4, которая также болтами крепится к манипулятору.
Сжатие пружины поз. 7 регулируется гайкой поз. 10,
навинченной на конец штока поз. 5. При работе толчки
и вибрация через шток передаются на пружину.
Задание
Выполнить чертежи деталей поз. 1 ... 6. Деталь поз. 1
изобразить в аксонометрической проекции.
Материал деталей поз. 1 ... 4 — СЧ 15 ГОСТ 1412—79,
деталей поз. 5, 6 — Сталь 20 ГОСТ 1050—74, детали
поз. 7 — Сталь 65Г ГОСТ 1050—74.
Ответьте на вопросы:
-
Покажите контур детали поз. 5.
-
Какое назначение четырех отверстий детали поз. 2?
-
Назовите детали, которые имеют резьбу.
80
1-е деталирование
79. КРАН ПРОБКОВЫЙ
| Формат | Зона | Поз. | Обозначение | Наименование | Кол. | Приме- |
| Документация | ||||||
| А2 | МЧ00.79.00.00.СБ | Сборочный чертеж | ||||
| Детали | ||||||
| A3 | 1 | MЧ00.79.00.0l | Корпус | 1 | ||
| А4 | 2 | МЧ00.79.00.02 | Пробка | 1 | ||
| А4 | 3 | МЧ00.79.00.03 | Фланец | 1 | ||
| А4 | 4 | МЧ00.79.00.04 | Патрубок | 1 | ||
| А4 | 5 | МЧ00.79.00.05 | Гайка | 1 | ||
| А4 | 6 | МЧ00.79.00.06 | Ручка | 1 | ||
| А4 | 7 | МЧ00.79.00.07 | Втулка | 1 | ||
| А4 | 8 | МЧ00.79.00.08 | Гайка накидная | 1 | ||
| А4 | 9 | МЧ00.79.00.09 | Пробка | 1 | ||
| Стандартные изделия | ||||||
| 10 | Кольцо СГ 37-24-5 | 4 | ||||
| Материалы | ||||||
| 11 | Картон А 1 | 3 |
Пробковый кран предназначен для изменения площади
поперечного сечения трубопровода, а следовательно,
и количества жидкости, проходящей по трубопроводу.
Кран фланцем поз. 3 устанавливают па резервуар
с жидкостью и крепят четырьмя болтами с гайками (на
чертеже не показаны). К корпусу крану поз. 1 подведены
два трубопровода. Трубопроводы подсоединяют с одной стороны накидной гайкой поз. 8, а с другой стороны ввинчивают в резьбовое отверстие патрубка поз. 4. Уплот-
нение пробки поз. 2 производится с помощью колец
поз. 10, втулки поз. 7 и регулирующей гайки поз. 5.
Отверстие в корпусе, закрытое пробкой поз. 9, служит
для выхода жидкости при прочистке корпуса.
Задание
Выполнить чертежи деталей поз. 1 ... 4, 7, 8.
Материал деталей поз. 1 ...5, 7, 8 БрА10 Мц2Л
ГОСТ 493—79, деталей поз. 6, 9 — Сталь 30
ГОСТ 1050—74.
Ответьте на вопросы:
-
Какое назначение детали поз. 7?
-
Покажите контур детали поз. 1.
-
Назовите позиции деталей на разрезе Б—Б.
81
2-е деталирование
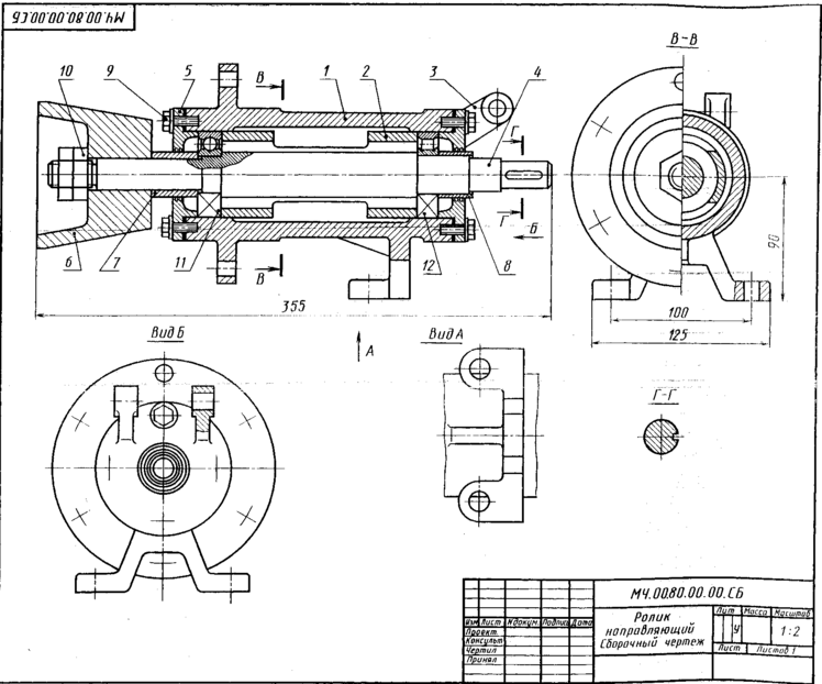
80. РОЛИК НАПРАВЛЯЮЩИЙ
| Формат | Зона | Поз. | Обозначение | Наименование | Кол. | Приме- |
| Документация | ||||||
| А2 | МЧ00.80.00.00.СБ | Сборочный чертеж | ||||
| Детали | ||||||
| A3 | 1 | МЧ00.80.00.01 | Корпус | 1 | ||
| А4 | 2 | МЧ00.80.00.02 | Втулка | 1 | ||
| А4 | 3 | МЧ00. 80.00.03 | Крышка | 1 | ||
| A3 | 4 | МЧ00.80.00.04 | Вал | 1 | ||
| А4 | 5 | МЧ00.80.00.05 | Крышка | 1 | ||
| А4 | 6 | МЧ00.80.00.06 | Ролик | 1 | ||
| А4 | 7 | МЧ00.80.00.07 | Втулка | 1 | ||
| А4 | 8 | МЧ00.80.00.08 | Втулка | 1 | ||
| Стандартные изделия | ||||||
| 9 | Болт М8Х 20.58 | 8 | ||||
| 10 | Гайка М8.5 | 8 | ||||
| 11 | Шарикоподшипник | 1 | ||||
| 12 | Роликоподшипник | 1 |
Ролик является частью устройства для перемещения
заготовок в прокатных станах.















