Шпоры (948204), страница 4
Текст из файла (страница 4)
Р = P0+ρ(j-gSina)x+ρgCosa(z0 – z).
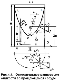
4.6. Равномерное вращение сосуда с жидкостью
Возьмем открытый цилиндрический сосуд с жидкостью и сообщим ему вращение с постоянной угловой скоростью ω вокруг его вертикальной оси. Силы трения о стенки вращающегося сосуда будут увлекать за собой жидкость. Она постепенно приобретет ту же угловую скорость, что и сосуд, находясь по отношению к сосуду в покое. Свободная поверхность жидкости изменится.
На жидкость будут действовать силы давления, силы тяжести и силы инерции переносного движения. Единичная массовая сила тяжести Fg = g и единичная массовая центробежная сила Fцб = ω2r.
dp = ρ(Xdx + Ydy + Zdz), dp = ρω2 (Xdx + Ydy) –ρ gdz,
dp = ρ d[(ω2/2) (X2 + Y2)] –ρ gdz, p = ρ(ω2/2) (X2 + Y2) –ρ gz + С1
Значение константы для свободной поверхности Р = Р0, x=y=0, z = z0: С1 = Р0 + ρgz0.
Получим уравнение для определения давления в любой точке:
Пользуясь этими уравнениями можно определить положение свободной поверхности и давление в сосуде.
Максимальная высота Н подъема жидкости в параболоиде со свободной поверхностью может быть определена, следующим образом.
5.1. Основные понятия
Идеальная жидкость в гидродинамике — модель жидкости, в которой, в отличие от реальной жидкости, отсутствуют вязкость. При отсутствии вязкости отсутствует внутреннее трение, нет касательных напряжений между двумя соседними слоями.
В идеальной жидкости, как в неподвижной реальной жидкости, возможны только нормальные напряжения сжатия, т. е. гидромеханическое давление.
Задачей кинематики жидкости является определение скорости в любой точке жидкой среды, т. е. нахождение поля скоростей.
Установившимся называется течение жидкости, при котором давление и скорость являются функциями координат и не зависят от времени. р=f (х, у,z ); v=f2(х, у, z ).
Неустановившимся называется течение жидкости, характеристики которого изменяются во времени в точках рассматриваемого пространства. p=F1(x, y, z, t); v=F2(x, y, z, t).
Линией тока называется кривая, в каждой точке которой вектор скорости в данный момент времени направлен по касательной к этой кривой.
Трубкой тока называется бесконечно малый замкнутый контур, выделенный в данный момент времени в движущейся жидкости, через все точки которого проведены линии тока. Это условная трубчатая поверхность.
Элементарной струйкой называется часть потока, заключенная внутри трубки тока.
В модели идеальной жидкости потоки конечных размеров рассматривают, как совокупность элементарных струек. Соседние струйки из-за различия скоростей скользят одна по другой, но не перемешиваются.
Живым сечением или сечением струйки δS или потока - S, называется площадь поверхности в пределах струйки или потока, проведенная нормально к линиям тока. Смоченным периметром называется длина части периметра живого сечения, на которой поток соприкасается с твердыми стенками..
Гидравлическим радиусом называется отношение площади живого сечения к смоченному периметру Rг = S/P. Для потока в трубе круглого сечения:
Rг = S/P = (π/4)*d2/ (πd)=d/4.
5.2. Расход. Уравнение расхода
Расходом называется количество жидкости, протекающее через живое сечение потока в единицу времени.
Объемный - Q = V*S, (м3/с);
Массовый - Qm = ρV*S, (кг/с);
Весовой - QG = ρg*Q, (Н/с);
где V - мгновенная скорость в данной точке, δS – площадь сечения струйки.
Для потока конечных размеров в общем случае скорость различна
Если использовать среднюю по сечению скорость Vср = Q/S, то средний расход для струйки или потока равен Qср = Vср*S.
5.3 Уравнение неразрывности потока.
Условие неразрывности потока основывается на законе сохранения вещества.
А также на следующих допущениях:
а) трубка тока имеет свойство непроницаемости для внешних, обтекающих ее потоков;
б) предположение о сплошности (неразрывности) среды для установившегося течения несжимаемой жидкости.
На этих основаниях можно утверждать, что объемный расход во всех сечениях элементарной струйки (см. рис.5.2) один и тот же.
Уравнение неразрывности для элементарной струйки (уравнение расхода для элементарной струйки).
δQ = V1 *δS1 = V2 *δS2 → const (вдоль струйки). (5.6)
Уравнение неразрывности для потока, ограниченного непроницаемыми стенками (уравнение расхода для потока).
Q = Vср1 *S1 = Vср2 *S2 → const (вдоль потока), (5.6’)
где Vср1 , Vср2 - средние скорости.
Из этого уравнения (5.6') следует, что средние скорости в потоке несжимаемой жидкости обратно пропорциональны площадям сечений:
Уравнение расхода (5.6‘) является следствием общего закона сохранения вещества при условии сплошности (неразрывности) течения.
5.4. Уравнение Бернулли для элементарной струйки
идеальной жидкости
Возьмем одну из элементарных струек, составляющих поток, выделим сечениями 1 и 2 участок этой струйки произвольной длины. Пусть площадь первого сечения равна δS1, скорость в нем V1 , давление P1, а высота от плоскости сравнения Z1. Во втором сечении δS2, V2 , P2 и Z2.
За бесконечно малый отрезок времени δt выделенный участок струйки переместится в положение 1’ – 2’.
Используя формулировку теоремы, подсчитаем работу сил давления, сил тяжести и изменение кинетической энергии участка струйки за время δt:
(mV22)/2 - (m V12)/2 = G*( Z2- Z1) = G*h
Работа силы давления в первом сечении положительна (p1*δS1)*(V1δt)
Работа силы давления во втором сечении имеет знак минус - (p2*δS2) *(V2δt).
δA = (p1*δS1) *( V1δt)— (p2*δS2) *(V2δt).
Работа силы тяжести равна изменению потенциальной энергии выделенного объема струйки. δG = ρ*g* V1*δS1*δt = ρ*g* V2*δS2*δt .
Тогда работа силы тяжести выразится как произведение разности высот на силу тяжести δG: (z1-z2) *δG.
Таким образом, приращение кинетической энергии на участке струйки равно
(V22- V12)* δG/(2g),
Сложив работу сил давления с работой силы тяжести и приравняв эту сумму приращению кинетической энергии (5.10), получим исходное уравнение для трех видов уравнения Бернулли.
(p1*δS1) *( V1δt)— (p2*δS2) *( V2δt) +(z1-z2) *δG=(V22- V21)* δG/(2g
5.5. Первая форма уравнения Бернулли
Разделим это уравнение на δG - изменение силы тяжести элементарной струйки за время δt и произведя сокращения на
δG = ρ*g* V1*δS1*δt = ρ*g* V2*δS2*δt , получим
Сгруппировав члены, относящиеся к первому сечению, в левой части уравнения, а члены, относящиеся ко второму сечению, в правой, получим
"Уравнение Бернулли для элементарной струйки идеальной несжимаемой жидкости (первая форма уравнения Бернулли)":
где z - геометрический напор,
Р/ρg - пьезометрический напор,
V2/2g - скоростной напор.
Уравнение Бернулли (5.12) записано для двух произвольно взятых сечении струйки и выражает равенство полных напоров Н в этих сечениях. Так как сечения взяты произвольно, следовательно, и для любого другого сечения этой же струйки полный напор будет иметь одно и то же значение.
Для идеальной движущейся жидкости вдоль струйки тока сумма трех напоров: геометрического, пьезометрического и скоростного есть величина постоянная.
Линия изменения уровней жидкости в пьезометрах называется пьезометрической линией.
Поскольку в уравнении Бернулли суммарный напор постоянен, из уравнения расхода следует: при уменьшении площади поперечного сечения струйки, скорость течения жидкости увеличивается и увеличивается скоростной напор, а пьезометрический напор уменьшается, если площадь струйки увеличивается, скорость уменьшается, а пьезометрический напор возрастает.
5.6. Вторая форма уравнения Бернулли.
Разделив исходное уравнение (5.11) на элементарный объем
δW =δQ*δt= δS1V1*δt = δS2V2*δt,
учитывая, что
δG = ρ*g*δW, δW = δG/ρg,
получим p1 - p2 +(z1-z2) * ρ*g = ρ* (V22- V21)/2. или
Во второй форме члены уравнения Бернулли имеют размерность давления:
ρzg — весовое давление;
р — гидромеханическое давление;
ρv2/2 — динамическое давление.
5.7. Третья форма уравнения Бернулли.
Разделив исходное уравнение на массу δm = ρ*g*δW элементарного объема, равную
δm = ρ*( V1*δS1*δt) = ρ*( V2*δS2*δt) = δWρ = δG/g, а δG= gδm, преобразовав это уравнение, получим
Удельной энергией жидкости, называется отношение энергии жидкости к ее массе.
В третьей форме члены уравнения Бернулли имеют размерность энергии:
gz — удельная потенциальная энергия.
Р/ρ - удельная энергия давления жидкости.
















