lab4 (774795), страница 9
Текст из файла (страница 9)
XOR Preserve : YES
wysiwyg : NO
Design Statistics
# IOs : 13
Cell Usage :
# BELS : 6
# AND2 : 1
# INV : 1
# OR2 : 2
# OR3 : 1
# XOR2 : 1
# FlipFlops/Latches : 3
# FDCP : 3
# IO Buffers : 13
# IBUF : 7
# OBUF : 6
# Others : 7
# AND2B1 : 4
# AND2B2 : 1
# AND3B1 : 2
=============================================================
CPU : 1.58 / 2.44 s | Elapsed : 2.00 / 3.00 s
-->
Total memory usage is 49728 kilobytes
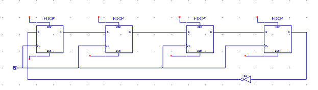
Результаты синтеза в схемотехническом виде:
Формируем тестовый файл wave13.tbw с помощью команды New Source – Test Bench Waveform. Для формирования тактирующего сигнала выбираем Combinatorial design:
Вид тестового файла:
После создания тестового файла запускаем процесс создания графической модели функционирования устройства (Simulate Behavioral Verilog Model):
Выполняем анализ полученной временной диаграммы. По заданию переключение сигналов должно осуществляться в последовательности 2,2,1,1,2,3,2,1. По диаграмме видно, что значениям Qi соответствуют следующие переключения функций y:
| Q3 | Q2 | Q1 | Y1 | Y2 | Y3 |
| 0 | 0 | 0 | 0 | 1 | 0 |
| 0 | 0 | 1 | 0 | 1 | 0 |
| 0 | 1 | 0 | 1 | 0 | 0 |
| 0 | 1 | 1 | 1 | 0 | 0 |
| 1 | 0 | 0 | 0 | 1 | 0 |
| 1 | 0 | 1 | 0 | 0 | 1 |
| 1 | 1 | 0 | 0 | 1 | 0 |
| 1 | 1 | 1 | 1 | 0 | 0 |
По результатам теста можно сказать, что синтез устройства был проведен правильно.
На этом выполнение лабораторной работы завершается, остальные этапы проектирования устройства на ПЛИС будут выполнены в лабораторной работе №4.
Для вариантов 16-18, 22, 25, 27 - 33 распределитель сигналов должен быть реализован на базе счетчика Джонсона.
Пусть схема распределителя сигналов должна выдавать сигналы «y» в последовательности: 4,2,2,4,3,2,1,2,…
Построим счетчик Джонсона на четырех D-триггерах:
Тогда таблица переходов для триггеров будет иметь вид:
| Q4(t) | Q3(t) | Q2(t) | Q1(t) | D4 | D3 | D2 | D1 |
| 0 | 0 | 0 | 0 | 0 | 0 | 0 | 0 |
| 1 | 0 | 0 | 0 | 1 | 0 | 0 | 0 |
| 1 | 1 | 0 | 0 | 1 | 1 | 0 | 0 |
| 1 | 1 | 1 | 0 | 1 | 1 | 1 | 0 |
| 1 | 1 | 1 | 1 | 1 | 1 | 1 | 1 |
| 0 | 1 | 1 | 1 | 0 | 1 | 1 | 1 |
| 0 | 0 | 1 | 1 | 0 | 0 | 1 | 1 |
| 0 | 0 | 0 | 1 | 0 | 0 | 0 | 1 |
Таблица переходов для распределителя сигналов:
| Q4(t) | Q3(t) | Q2(t) | Q1(t) | Y | Y1 | Y2 | Y3 | Y4 |
| 0 | 0 | 0 | 0 | 4 | 0 | 0 | 0 | 1 |
| 1 | 0 | 0 | 0 | 2 | 0 | 1 | 0 | 0 |
| 1 | 1 | 0 | 0 | 2 | 0 | 1 | 0 | 0 |
| 1 | 1 | 1 | 0 | 4 | 0 | 0 | 0 | 1 |
| 1 | 1 | 1 | 1 | 3 | 0 | 0 | 1 | 0 |
| 0 | 1 | 1 | 1 | 2 | 0 | 1 | 0 | 0 |
| 0 | 0 | 1 | 1 | 1 | 1 | 0 | 0 | 0 |
| 0 | 0 | 0 | 1 | 2 | 0 | 1 | 0 | 0 |
Карта Вейча:
| Q4 | |||||
| Q3 | 2 | 4 | |||
| 3 | 2 | Q1 | |||
| 1 | 2 | ||||
| 2 | 4 | ||||
| Q2 | |||||
Для выходных сигналов после минимизации получаем:
Далее лабораторная работа выполняется аналогично описанному выше примеру.
Содержание отчета
-
Наименование работы.
-
Цель работы.
-
Задание согласно Вашему варианту.
-
Структурный синтез устройства, заданного в Вашем варианте.
-
Схемотехническое описание проекта в САПР WEB PACK ISE.
-
Файл временных и топологических ограничений.
-
Графическое изображение кристалла со всеми выводами.
-
Отчет о результатах синтеза.
-
Результаты синтеза в схемотехнической форме.
-
Тестовый файл.
-
Графические результаты моделирования.
-
Результаты моделирования в табличной форме.
-
Выводы.
















