LAB_4 (740514)
Текст из файла
ЛАБОРАТОРНАЯ РАБОТА 4
АНАЛИЗ И СИНТЕЗ СЧЕТЧИКОВ
1 Цель работы
Изучить принципы работы счетчиков различных типов, овладеть методом синтеза синхронных счетчиков с различными коэффициентами пересчета на любых типах триггеров; приобрести навыки в построении принципиальных схем счетчиков при помощи временных диаграмм.
2 Краткая теория вопроса
2.1 Общие сведения
Счетчиком называется автомат, выполняющий функции подсчета количества импульсов единичных сигналов, поступивших на его вход, а также функции формирования и запоминания некоторого двоичного кода, соответствующего этому количеству. Другими словами - счетчик является преобразователем число-импульсного кода в некоторый двоичный код.
Помимо указанных функций счетчики иногда также могут выполнять функции приема и выдачи кода.
Входными сигналами счетчика являются или сигнал суммирующего или вычитающего счета, при этом одновременная подача этих сигналов запрещена.
В качестве выходной функции счетчика может быть задан сигнал переполнения, возникающий при суммировании, или сигнал заема возникающий при вычитании во время перехода счетчика через нуль.
Основным результатом работы счетчика является накопленный в нем код, определяемый состояниями элементарных автоматов.
Число элементарных автоматов (триггеров), необходимых для построения счетчика с заданным коэффициентом пересчета, равно числу его разрядов и определяется по формуле
m = log2N, (1)
где N - коэффициент пересчета (модуль, период счетчика) - максимальное число внутренних состояний, которое должен иметь счетчик. Очевидно, что это число равно максимальному числу входных сигналов, которое может сосчитать счетчик.
К другим важнейшим характеристикам счетчика относятся:
1) время регистрации - это интервал времени между поступлением входного сигнала и окончания самого длинного переходного процесса в схеме;
2) разрешающая способность - минимально допустимый период следования входных сигналов, при котором счетчик работает без сбоев.
2.2 Классификация счетчиков
Схемы счетчиков можно классифицировать по следующим признакам:
1) По основанию системы счисления счетчики делятся на:
а) двоичные ;
б) десятичные (двоично- десятичные);
Двоичные счетчики в свою очередь подразделяются на счетчики, модуль пересчета которых не равен 2m (где m - разрядность счетчика). Последние называются счетчиками по модулю М ( где М - число не кратное степени двойки ) .
2) По направлению переходов счетчики принято подразделять на:
а) суммирующие ;
б) вычитающие ;
в) реверсивные.
К последним относятся счетчики, способные выполнять операции суммирования и вычитания.
3) По способу построения цепей сигналов переноса различают счетчики:
а) с последовательным переносом ;
б) со сквозным переносом ;
в) с параллельным (сквозным) переносом ;
г) с частично групповым переносом .
4) По способу организации счета счетчики подразделяют на:
а) синхронные ;
б) асинхронные.
Время установки кода tуст является основным фактором, определяющим выбор способа переключения триггеров. При асинхронном способе tуст растет с увеличением числа триггеров (m) в счетчике, а при синхронном способе tуст не зависит от величины m.
Следует также учитывать, что с триггеров счетчика снимаемый параллельный код иногда подается на комбинационную схему (например, на дешифратор). В этом случае при асинхронном способе из-за неодновременного срабатывания триггеров счетчика возможно появление ложных логических сигналов на выходах комбинационной схемы.
Поэтому более предпочтительным, как правило, является синхронный способ организации счета, хотя при его использовании в счетчиках с большим числом триггеров (m>5..10) предъявляются повышенные требования к нагрузочной способности источников синхро-сигналов.
Асинхронный способ целесообразно применять в счетчиках, используемых в качестве делителей частоты.
Некоторые счетчики имеют цепи внешней установки начального состояния. Это состояние может также устанавливаться с помощью цепей обратной связи, имеющихся в самом счетчике. Кроме этого, счетчик может устанавливаться в начальное состояние после завершения одного цикла работы - подсчета числа входных сигналов, равного модулю счетчика.
2.3 Принцип работы счетчиков
Анализ схем счетчиков удобно начать с рассмотрения асинхронного двоичного счетчика с последовательным переносом (рисунок 1,а). Состояния триггеров счетчика после воздействия серии входных импульсов приведены в таблице 1. Временная диаграмма счетчика показана на рисунке 1,б.
Коэффициент пересчета этого счетчика
4 = log2Kсч; Ксч = 24 = 16.
В качестве элементарного автомата используем Т-триггер. Эти счетчики характеризуются тем, что управляющими сигналами для старших разрядов являются сигналы, снимаемые с информационных выходов младших разрядов.
В исходном состоянии все триггеры устанавливаются в ноль (чтобы не загромождать чертеж, цепи сброса не показаны). В этом случае на нижних выводах всех триггеров устанавливается логическая еденица, а на верхних - логический ноль.
При поступлении импульса счета (рисунок 1,б) первый разряд подготовится к переключению и после окончания импульса перейдет в состояние Q = 1. Сигнал единица подается на вход второго триггера. После окончания действия второго счетного импульса на вход второго триггера поступит отрицательный перепад напряжения, так как первый триггер из состояния Q1=1 перейдет в состояние ноль.
Этот перепад напряжения вызовет изменение состояния второго триггера из нуля в единицу и на его выходе, а следовательно, на входе третьего триггера будет высокий потенциал. Сигнал Q2=1 подготавливает срабатывание третьего триггера. При поступлении семи импульсов установится состояние Q1=Q2=Q3=1, а восьмой импульс последовательно переключит все эти триггеры в состояние ноль и схема перейдет в первоначальное состояние.
Подобные счетчики являются простейшими по схемной реализации, но имеют невысокое быстродействие. Быстродействие счетчиков обычно характеризуется временем установки и максимальной частотой поступления счетных импульсов.
Максимальное время установки определяется временем перехода N - разрядного счетчика из кода 111...1, соответствующего заполнению счетчика, в код 000...0, соответствующий исходному состоянию. При этом должны последовательно сработать N триггеров и время установки будет равно tуст=N tт, tт - время переключения триггера.
Рисунок 1 - Двоичный счетчик на Т-триггерах
Максимальная частота поступления счетных импульсов определяется из выражения
fcч = 1/(tимп + Ntт),
где tимп - длительность импульса.
В счетчиках с параллельным переносом счетные импульсы подаются на все разряды одновременно и изменение состояния данного разряда происходит только при определенном состоянии всех предыдущих триггеров. Структурная схема асинхронного счетчика с параллельным переносом показана на рисунке 2.
Рисунок 2 - Асинхронный счетчик на Т-триггерах с параллельным
переносом
Пусть в исходном состоянии в счетчике записан код 000. После первого счетного импульса сигнал Q1 станет равным 1, при этом подготовится к срабатыванию схема совпадения 1. Второй счетный импульс вернет Q1 в исходное состояние и через схему совпадения 1 пройдет на триггер второго разряда. Схема совпадения 2 закрыта, так как Q1=0. Таким образом, после второго счетного импульса установятся состояния Q1=0, Q2=1, Q3=0, Q4=0. После третьего счетного импульса в счетчике будет зафиксирован код 0011. Теперь в состоянии, открытом для прохождения счетных импульсов будут находиться обе схемы совпадения. В результате четвертый импульс поступит на все три разряда и установит счетчик в состояние 0100, и так далее.
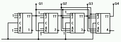
На рисунке 3 показана функциональная схема синхронного двоичного счетчика со сквозным переносом.
Здесь входной сигнал подается одновременно на входы с всех разрядов счетчика. Переключение каждого i-го Т-триггера возможно в том случае, если на его информационном входе Тi присутствует сигнал (логическая единица). Если Тi=0, то триггер находится в режиме запоминания.
Так как на вход триггера младшего разряда счетчика подана логическая единица, то он работает как асинхронный триггер со счетным входом, т.е. изменяет свое состояние на противоположное под воздействием каждого входного сигнала (счетного импульса). Изменение состояний триггера старших разрядов счетчика возможно только в том случае, если все предшествующие триггеры младших разрядов находятся в состоянии 1.
Рисунок 3 - Синхронный двоичный счетчик со сквозным переносом
Длительность переходного процесса в таком счетчике зависит от разрядности счетчика в меньшей степени, чем у счетчика с последовательным переносом, и определяется временем задержки сигнала в элементах И в цепях сквозного переноса.
На рисунке 4 изображена функциональная схема счетчика с параллельным переносом. Отличительной особенностью данной схемы является то, что выходы всех предшествующих Q n-k разрядов подаются на информационные входы J и К n-го триггера.
Рисунок 4 - Синхронный двоичный счетчик с параллельным переносом
Длительность переходного процесса в таком счетчике равна длительности переключения одного разряда. Из схемы видно, что с возрастанием порядкового номера триггера увеличивается число входов в клапаны "И" JK - триггеров. А так как число входов J и К в любой реальной схеме элементов конечно, а нагрузочная способность выходов триггеров ограничена, то и разрядность счетчика с параллельным переносом невелика и равна обычно четырем. Поэтому при числе разрядов счетчика большем максимального числа входов J и К счетчик разбивают на группы и внутри каждой группы строят цепи параллельного переноса. Перенос между группами реализуется методом сквозного переноса. Такой способ образования сигналов переноса называется групповым. Счетчики с параллельными и групповыми переносами являются наиболее быстродействующими.
2.4 Синтез двоичных счетчиков
Синтез счетчика сводится к определению оптимальной в некотором смысле структуры и в конечном счете построению его принципиальной схемы.
Здесь под оптимальной понимается структура счетчика, содержащая минимальное число триггеров и связей между ними, при которой обеспечивается выполнение счетчиком требуемых функций с заданными значениями параметров.
Основными исходными данными для синтеза счетчика, вытекающими из его назначений, являются:
1) модуль счета ( емкость счетчика );
2) порядок изменения состояний счетчика ;
3) режим счета для счетчиков с естественным порядком изменения состояний (суммирующий, вычитающий, реверсивный);
4) требуемая разрешающая способность счетчика tp;
5) необходимое время установки кода счетчика tуст.
Рассмотрим синтез трехразрядного двоичного суммирующего в коде 8421 счетчика с N=8 на JK - триггерах 155 серии. Этот триггер К155ТВ1 (рисунок 5) имеет три входа J (ЗИ) и три входа К (ЗИ), а также вход С для подачи синхросигнала. Кроме того, триггер имеет дополнительные нетактируемые входы R и S для предварительной установки триггера соответственно в нулевое и единичное состояния.
Универсальный JK - триггер описывается характеристическим уравнением
где Ji и Ki - логические функции J и К, соответствующие предыдущему состоянию триггера Qi ;
Q*i - будущее состояние триггера.
Рисунок 5 - Триггер JK - типа
Таблица 1 - Переходы Таблица 2 - Функционирование
триггера счетчика
Характеристическая таблица JK - триггера, в которой приводятся обобщенные значения логических функций на его входах для всех возможных комбинаций имеет следующий вид (таблица 2). Звездочками отмечены неопределенные значения входных сигналов.
Количество триггеров в таком счетчике должно быть равно трем согласно формуле (1). Условия переходов для данного счетчика приведена в таблица 1.
На основе таблицы функционирования счетчика для каждого триггера составляются карты Карно, отражающие переходы данного триггера из предыдущего состояния Qi в последующее состояние Q*i.
Для того, чтобы в клетках карты Карно зафиксировать состояния триггеров запишем трехразрядные двоичные числа, как показано на рисунке 6,а. В эквивалентном десятичном коде эти числа будут иметь изображение, показанное на рисунке 6,б.
Если в клетки карты Карно (рисунок 6), соответствующие номерам предыдущих состояний счетчика (0,1,2, .... 7) вписать двухразрядные двоичные числа, выражающие переход триггера Qi --- Q*i при изменении состояния счетчика, то получим так называемые прикладные таблицы.
Из таблицы функционирования счетчика (таблица 2) отмечаем, что для триггера Q1 переход из нулевого состояния (нулевая строка таблицы) в единичное состояние
Рисунок 6 - Карты Карно, заполненные двоичными числами и эквивалентными десятичными числами, соответствующими состояниями счетчика
осуществляется как Q0i -- Q1i = 0 —- 1 или 01. Следовательно, в клетку карты Карно с номером 0 (рисунок 6,б) следует записать число 01. Рассматривая переход триг-
Рисунок 7 - Прикладные таблицы Карно для счетчика с N=8
Характеристики
Тип файла документ
Документы такого типа открываются такими программами, как Microsoft Office Word на компьютерах Windows, Apple Pages на компьютерах Mac, Open Office - бесплатная альтернатива на различных платформах, в том числе Linux. Наиболее простым и современным решением будут Google документы, так как открываются онлайн без скачивания прямо в браузере на любой платформе. Существуют российские качественные аналоги, например от Яндекса.
Будьте внимательны на мобильных устройствах, так как там используются упрощённый функционал даже в официальном приложении от Microsoft, поэтому для просмотра скачивайте PDF-версию. А если нужно редактировать файл, то используйте оригинальный файл.
Файлы такого типа обычно разбиты на страницы, а текст может быть форматированным (жирный, курсив, выбор шрифта, таблицы и т.п.), а также в него можно добавлять изображения. Формат идеально подходит для рефератов, докладов и РПЗ курсовых проектов, которые необходимо распечатать. Кстати перед печатью также сохраняйте файл в PDF, так как принтер может начудить со шрифтами.
















