LAB_5 (740516)
Текст из файла
ЛАБОРАТОРНАЯ РАБОТА 5
ИССЛЕДОВАНИЕ МУЛЬТИПЛЕКСОРА
1 Цель работы
Целью данной работы является изучение принципа работы мультиплексора; его возможностей при реализации булевых функций с относительно большим числом аргументов (переменных), а также приобретение практических навыков схемотехнических решений при реализации с помощью мультиплексора конкретных логических уравнений, включая комбинационные схемы с несколькими выходами. Рекомендуется ознакомиться с параметрами различных типов мультиплексоров, выпускаемых отечественной промышленностью.
2 Краткая теория вопроса
2.1 Общие сведения
В настоящее время в составе различных серий микросхем, например, 155, 531, 555, 1533, 1534, выпускаются схемы средней степени интеграции - мультиплексоры (коммутаторы).
Они выполняют функцию выбора данных от одного из нескольких источников информации, поступающих на его входы и, таким образом, являются электронным аналогом широко известного электромеханического шагового искателя.
Мультиплексор представляет собой многовходовой логический элемент комбинационного типа, как правило, с одним выходом.
Основные типы мультиплексоров подразделяются на два типа:
1) информационные (обозначаются как xi, Di);
2) управляющие (иначе - селекторные, адресные).
Между числом этих входов существует определенная математическая связь. Если имеется n управляющих входов, то максимальное число информационных входов составляет только 2n. Каждому из 2n информационному входу соответствует только одна двоичная комбинация на управляющих входах. Другими словами, при подаче на управляющие входы соответствующего сигнала в виде двоичного кода к выходу мультиплексора подключится только один из 2n информационных входов, строго соответствующий заданному управляющему коду на управляющих входах. Например, если в мультиплексоре, имеющем три управляющих входа, на них будет код 101, то к выходу его подключится только пятый (1015) из восьми возможных информационных входов(23=8).
Отметим, что некоторые мультиплексоры , например К155КП7, имеют два выхода, при этом один из них соответствует инвертированному значению заданной функции, другой - прямому.
Кроме указанных входов мультиплексор имеет еще стробирующий вход, который позволяет значительно расширить их функциональные возможности.
И, наконец, в некоторых сериях, например К1533КП15, имеется вход управления установки выходов мультиплексора в третье состояние (обозначается как EZ).
Отечественная промышленность выпускает в настоящее время мультиплексоры, осуществляющие выбор одного из 4-х, 8-ми и 16-ти информационных каналов (входов); они различаются числом адресных входов:
4х1 (два управляющих входа);
8х1 (три управляющих входа);
16х1 (четыре управляющих входа).
Мультиплексоры с четырьмя информационными входами (КП155КП2, КР1533КП2) обычно изготавливают по два на одном кристалле. При этом адресные входы к ним являются общими. Выборка одного из мультиплексоров осуществляется по стробирующему входу. Одновременно оба мультиплексора в таком исполнении работать не могут. Такое конструктивное решение оказывается очень удобным при логическом проектировании схем управления.
Мультиплексоры помимо выполняемой ими непосредственно заданной функции селектирования, оказываются весьма удобными логическими элементами при создании различных комбинационных схем.. Хотя стоимость мультиплексора выше стоимости логических схем малой степени интеграции, применение мультиплексоров часто позволяет уменьшить требуемое число корпусов и число соединений между ними. А стоимость и надежность цифровых устройств в основном определяется, как известно, стоимостью и надежностью соединений.
Таким образом, основными достоинствами использования мультиплексоров в комбинационных схемах являются:
1) сокращение числа соединений и объема пайки;
2) уменьшение стоимости элементов и монтажа;
3) повышение надежности схемы.
К недостаткам можно отнести:
1) трудности перестройки схем на печатных платах.
2.2. Структура мультиплексоров
На рисунке 1 показаны условные обозначения мультиплексоров, взятые из разных справочников.
Здесь
- информационные входы;
- управляющие (адресные, селекторные) входы; E, V,S,- вход стробирования;
- выходы.
Принципиальная схема мультиплексора 8х1 (К155КП7) показана на рисунке 2.
Если сопоставить эту схему с другими подобными по структуре комбинационными схемами, то легко убедиться, что здесь явная аналогия со схемой дешифратора на восемь выходов, с небольшой, с точки зрения схемотехники, разницей, а именно - в мультиплексоре все восемь выходов элементов И объединяются элементом ИЛИ.
Согласно принципиальной схеме уравнение мультиплексора 8х1 может быть записано в виде
Заметим, что в уравнении не используется вход стробирования. Для нашего анализа это не имеет существенного значения.
Подставляя вместо
их двоичные эквиваленты, уравнение (1) можно представить как
Рисунок 1 - Условные изображения мультиплексоров
Рисунок 2 - Принципиальная схема мультиплексора К155КП7
Аналогично можно записать логическое уравнение любого другого типа мультиплексора, например, для мультиплексора 4х1 уравнение будет таким
или
Отметим, это важно, что уравнение (1) можно представить и так
Теперь интересно сравнить оба слагаемых в скобках уравнения (3) мультиплексора 8х1 с уравнением (2) мультиплексора 4х1.
2.3 Реализация булевых функций при помощи мультиплексора
Рассмотрим идею реализации мультиплексором булевых функций и покажем, что мультиплексор является универсальным логическим элементом.
Для этого рассмотрим логическую функцию, реализуемую мультиплексором на четыре канала, изображенном на рисунке 3.
Рисунок 3 - Мультиплексор на четыре канала
Запишем уравнение мультиплексора
или
Покажем, что любая трехместная функция f(
) может быть реализована этим мультиплексором. Используя метод функциональной декомпозиции (теорему Шеннона), функцию f(
) представим в виде
Применяя к полученному выражению еще раз теорему Шеннона, будем иметь
Сопоставим теперь фрагменты полученного уравнения функции с переменными, являющимися аргументами функции, реализуемой мультиплексором на четыре канала, т.е.:
Наглядно видно, что эти уравнения подобны. Для полной тождественности их примем
, и тогда должно быть
Рассмотрим первое слагаемое функции f(
). Оно может соответствовать двум точкам гиперкуба,
, т.к.
может принимать значения 0 или 1:
При этом возможны следующие четыре пары значений функции f(
) в зависимости от того, какие значения может принимать и сама функция (вспомним сингулярную функцию),т.е.:
Тогда для каждой пары будем иметь:
для первой пары f(0,0,
)=0, поэтому
=0;
для второй пары f(0,0,
)=
, поэтому
=
;
для третьей пары f(0,0,
)=
, поэтому
=
;
для четвертой пары f(0,0,
)=1, поэтому
=1.
Таким образом, для реализации булевой функции трех переменных на мультиплексоре 4х1 необходимо две переменные заданной функции, например x1 и x2, подать на адресные входы А1 и А2, а третью переменную x3 подать тем или иным способом на информационные входы D0, D1, D2, D3 мультиплексора.
Чтобы хорошо разобраться в способах реализации булевых функций на мультиплексорах, рассмотрим несколько примеров.
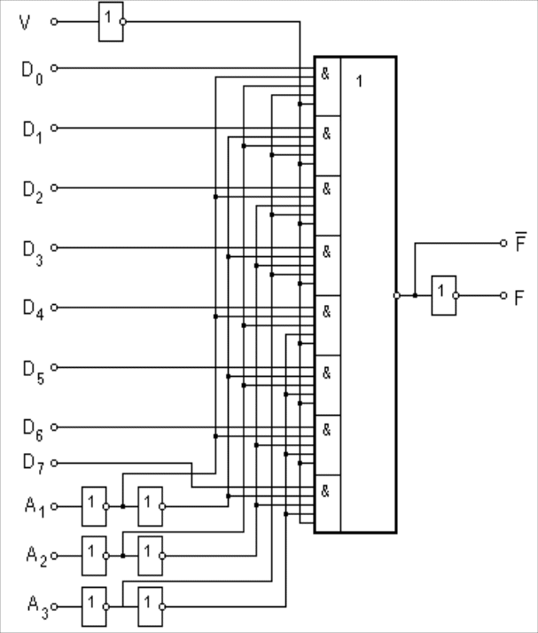
Пример 1. Разберем вначале элементарную задачу. Пусть требуется реализовать на мультиплексоре 8х1 функцию
Решение. Изобразим эту функцию в виде таблицы истинности (таблица 1), в которой переменные х1, х2,х3 уравнения заменим адресными входами А1, А2, А3.
Из этой таблицы следует, что в соответствии с кодами адресных входов на информационные входы D0 - D7 необходимо подавать только логические 0 и 1 согласно значениям заданной функции F, а именно, на входы D0, D2,D3, D6,D7 нужно подать высокий потенциал (“1”), а на входы D1,
Таблица 1 - Таблица истинности
| N(Di) | A1(x1) | A2(x2) | A3(x3) | F | Di |
| 0 | 0 | 0 | 0 | 1 | 1 |
| 1 | 0 | 0 | 1 | 0 | 0 |
| 2 | 0 | 1 | 0 | 1 | 1 |
| 3 | 0 | 1 | 1 | 1 | 1 |
| 4 | 1 | 0 | 0 | 0 | 0 |
| 5 | 1 | 0 | 1 | 0 | 0 |
| 6 | 1 | 1 | 0 | 1 | 1 |
| 7 | 1 | 1 | 1 | 1 | 1 |
D4,D5 - низкий (“0”), т.е. заземлить. Для того, чтобы мультиплексор работал, вход “строб” (S) также нужно заземлить. Схема реализации показана на рисунке 4.
Характеристики
Тип файла документ
Документы такого типа открываются такими программами, как Microsoft Office Word на компьютерах Windows, Apple Pages на компьютерах Mac, Open Office - бесплатная альтернатива на различных платформах, в том числе Linux. Наиболее простым и современным решением будут Google документы, так как открываются онлайн без скачивания прямо в браузере на любой платформе. Существуют российские качественные аналоги, например от Яндекса.
Будьте внимательны на мобильных устройствах, так как там используются упрощённый функционал даже в официальном приложении от Microsoft, поэтому для просмотра скачивайте PDF-версию. А если нужно редактировать файл, то используйте оригинальный файл.
Файлы такого типа обычно разбиты на страницы, а текст может быть форматированным (жирный, курсив, выбор шрифта, таблицы и т.п.), а также в него можно добавлять изображения. Формат идеально подходит для рефератов, докладов и РПЗ курсовых проектов, которые необходимо распечатать. Кстати перед печатью также сохраняйте файл в PDF, так как принтер может начудить со шрифтами.
















