LAB_6 (740518)
Текст из файла
ЛАБОРАТОРНАЯ РАБОТА 6
ИССЛЕДОВАНИЕ ТАЙМЕРА
1 Цель работы
Цель данной работы состоит в ознакомлении с параметрами таймера КР1006ВИ1, принципом его работы и схемотехническими решениями при построении таймеров заданных типов, а также в приобретении практических навыков расчетов таймеров, изучении принципиальной схемы классического (базового) таймера и временных диаграмм его работы.
2 Теория вопроса
2.1 Общие сведения
Полупроводниковые таймеры - это относительно новый вид функционального элемента в микроэлектронике.
Впервые таймер (NE 555) был выпущен фирмой Signetics Corporation в 1972 году. Появление отечественного аналога таймера КР1006ВИ1 дало возможность использовать его для проектирования большинства схем установки времени, при этом используется лишь несколько внешних элементов и, таким образом, существенно упрощается проектирование. Таймер КР1006ВИ1 с такими достоинствами, как простота, универсальность и экономичность, быстро приобрел широкую популярность, сравнимую с популярностью операционных усилителей.
По функциональному составу внутренних узлов и способу выполнения заданной функции таймеры не являются полностью аналоговыми или цифровыми ИС.
Современные таймеры наряду с компараторами напряжения, которые относят к аналоговым ИС, содержат узлы, выполняющие цифровые функции - логические вентили, триггеры счетчики и др. Компараторы в таймерах обеспечивают повышение чувствительности цифровых структур от единиц вольт до долей милливольта к изменениям входных напряжений. Таким образом, основные функции в таймерах выполняют цифровые узлы, точность же формирования времени определяется в первую очередь компараторами напряжения.
2.2 Назначения таймеров
В цифровых схемах часто требуется источник импульсов с точно определенной длительностью. Обычно необходимы :
1) Одиночный импульс с заданной длительностью;
2) Непрерывная последовательность импульсов с заданными:
а) частотой;
б) коэффициентом заполнения или скважностью.
Первому требованию удовлетворяет моностабильная схема, а второму - астабильная. Таймер может работать в обоих режимах, а для задания его рабочих параметров требуется очень мало внешних элементов.
Таймеры также используются для синхронизации и для различных видов импульсной модуляции.
Таймеры могут быть классифицированы по двум основным категориям:
1) Однотактные таймеры типа одновибраторов;
2) Многотактные таймеры или таймеры / счетчики.
Однотактные таймеры оперируют зарядом источника времязадающего тока, тогда как таймеры / счетчики совмещают генератор базового времени с каскадом счетчика для получения длительных задержек.
2.3 Функциональная схема таймера
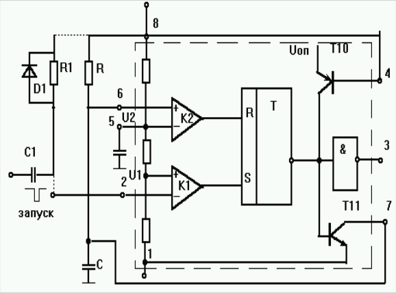
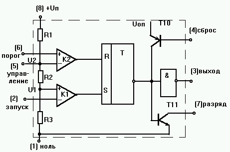
Упрощенное внутреннее устройство таймера КР1006ВИ1 приведено на рисунке 1.а, условное его обозначение показано на рисунке 1.б, а принципиальная схема - на рисунке 2.
Эта микросхема состоит из двух операционных усилителей, используемых в качестве компараторов К1 и К2, RS - триггера, делителя напряжения состоящего из трех резисторов R1 - R3 по 5кОм каждый. Кроме того предусмотрен инвертирующий выходной каскад, обеспечивающий достаточно высокую нагрузочную способность. Для быстрого разряда внешнего времязадающего конденсатора имеется транзисторный ключ Т11, а для сброса таймера используется блокирующий транзистор Т10
а) Функциональная схема
б) Условное обозначение
Рисунок 1 - Функциональная схема таймера КР1006ВИ1
и условное его обозначение
Напряжение от делителя U1=1/3Uг подается на неинвертирующий вход компаратора запуска (К1), а напряжение U2=2/3Uп - на инвертирующий вход компаратора сброса (К2). В процессе работы компараторы выполняют функцию управления таймером, в частности, триггером.
Триггер формирует импульсы прямоугольной формы и, в свою очередь, управляет работой разрядного транзистора Т11.
Компаратор К1 в процессе управления триггером. а следовательно, и таймером, обладает приоритетом перед компаратором К2. Это означает, что в случае, когда на вход компаратора К1 подано напряжение запуска ( Uвх11), то независимо от уровня напряжения на входе компаратора К2 (Uвх22,Uвх2>U2) триггер устанавливается в состояние, соответствующее состоянию запуска таймера.
Транзистор Т10 служит для блокировки работы таймера. На эмиттер этого транзистора подается напряжение Uоп, формируемое внутренними элементами таймера.
Рассмотрим назначение выводов таймера.
Вывод 1 - общий ( земля )
Вывод 8 - на этот вывод подается напряжение питания ( 4,5-16 Вольт). Приращение потребляемого таймером тока на 1 Вольт изменения источника питания составляет 0,007 Ампер.
Вывод 2 - через него осуществляется запуск таймера, эту цепь обычно называют триггерным входом. По отношению к выходу этот вход является инвертирующим. В астабильном режиме он соединяется с выводом 6.
Вывод 3 - он является низкоомным выходом таймера.
Вывод 4 - через него осуществляется сброс таймера, т.е. он служит для установления на его выходе низкого напряжения независимо от напряжения на выводах 2 и 6. Если напряжение на этом выводе U41 Вольт цепь сброса таймера выключена и не влияет на его работу. Если в процессе работы таймера нет необходимости его прерывать, то вывод 4 соединяют с выводом 8, как показано на рисунке 1.б.
Вывод 5 - через него осуществляется доступ к входам внутренних компараторов, на которые поданы пороговые напряжения. Чтобы избежать влияния внешних помех и пульсаций напряжения питания на точность работы таймера, рекомендуется шунтировать вывод 5 конденсатором, емкостью около 0,01 микроФарад.
Вывод 6 - при высоком напряжении на выводе 2 ( > 1/3 Uп ) состоянием выхода таймера можно управлять с помощью компаратора К2 по этому выводу, называемому пороговым входом таймера. В моностабильном режиме этот вывод обычно соединяют с выводом 7.
Вывод 7 - он является вспомогательным высокоомным выходом, который представляет собой открытый коллектор транзистора Т11. Этот вывод обычно используется для организации цепей обратной связи с выхода на входы (выводы 2 и 6 ) таймера.
2.4 Внутренняя структура таймера
Рассмотрим принципиальную схему таймера КР1006 ВИ1, показанную на рисунке 2.
Резисторная цепочка делителя, которая определяет пороговые значения напряжения, включает в себя пятикилоомные резисторы R7,R8 и R9 и транзисторы смещения TV9 и TV15 верхнего К2 и нижнего К1 компараторов соответственно. Транзисторы TV1 - TV8 составляют верхний компаратор. Транзисторы TV1 - TV4 используются как основная нагрузка для увеличения коэффициента усиления компаратора. Входные дифференциальные каскады собраны на транзисторах по схеме Дарлингтона, используемые в разработке компаратора, обеспечивают высокое входное сопротивление и низкий входной ток, что допускает широкий диапазон значений внешнего времязадающего резистора, используемого для конкретного применения.
Два выхода компараторов, взятые от коллекторов транзисторов TV2,TV12 и TV13, питают управляющий триггер, который состоит из TV17 и TV18. Транзисторы TV5 и TV19 являются транзисторами смещения для нижнего компаратора и триггера.
Выходной каскад таймера - это универсальная двухтактная схема, состоящая из транзисторов TV20 - TV23. Она может быть источником или приемником тока в 200 миллиАмпер при напряжении питания 15 Вольт и может управлять входами ТТЛ - кристаллов с питанием 5 Вольт.
Работу схемы можно объяснить следующим образом. Запускающий входной импульс, величина которого ниже, чем 1/3 Uп, поступивший на базу транзистора TV12 ( вывод 2 ), отпирает транзисторы TV12 и TV13 и вызывает положительный перепад на выходе компаратора на резисторе R6. Это является причиной отпирания транзистора TV16, вызывающего снижения потенциала на его коллекторе, что устанавливает фиксацию триггера путем запирания транзистора TV17 и открывания TV18, которые затем ведут к понижению потенциала коллектора транзистора TV18 и, следовательно, к понижению напряжения на выходе триггера. Для такого состояния триггера транзистор TV20 и разряжающий транзистор TV11 будут выключены и выход (вывод 3) будет иметь высокий потенциал. Это установленное состояние фиксации останется до тех пор, пока схема не будет вновь возвращена в исходное состояние.
Рисунок 2 - Принципиальная схема таймера КР1006ВИ1
Когда напряжение на выводе 6 достигнет верхнего порогового напряжения 2/3Uп, потенциал на выходе TV2 повышается и включается транзистор TV17. Транзистор TV17 снимает питание с базы TV18 и, следовательно, запирает его и происходит перебрасывание триггера. Альтернативный способ переброса триггера производится подачей низкого уровня напряжения на вход сброса (вывод4), который соединен с базой транзистора TV10. Это позволяет открыть TV10, который в свою очередь запирает транзистор TV18 путем устранения питания его базы и изменяет на обратное смещение диода Д1. Независимо от используемого метода вновь установленное состояние выключает транзистор TV18 и запирает TV20. При этом высоком выходе триггера разряжающий транзистор TV11 и выходной токоприемный транзистор TV23 оказываются открытыми, а выход находится в своем низком состоянии, которое определяется величиной напряжения коллектор - эмиттер в режиме насыщения транзистора TV23.
Таким образом, отметим особенности управления выходным напряжением таймера с помощью сигналов, подаваемых на входы компараторов К1 и К2:
1) Напряжение высокого уровня на выходе таймера устанавливается только в том случае, когда на вход К1 подается напряжение низкого уровня Uк11 ( независимо от уровня напряжения на входе К2 ). После установки на выходе напряжения высокого уровня любое изменение Uк1 не приводит к изменению состояния выходного каскада, если Uк22.
2) Напряжение низкого уровня на выходе таймера устанавливается только в том случае, когда на вход К2 подается напряжение высокого уровня Uк2>U2, а Uк1>U1. После этого любое изменение Uк2 не приводит к изменению состояния выходного каскада, если Uк1>U1.
Так как резисторы R1=R2=R3=5кОм, пороговые напряжения связаны между собой соотношением U1=0.5U2.
Значения напряжений Uвх1 и Uвх2 на входах компараторов К1 и К2 в моменты запуска и сброса таймера должны удовлетворять условиям, приведенным в таблице 1, где U1 - напряжение срабатывания компаратора К1 ; U2 - напряжение срабатывания компаратора К2. В этой же таблице представлены уровни напряжения на выходе таймера и состояние транзистора Т11.
Таблица 1 - Режимы работы таймера
В процессе работы таймера напряжения на входах его компараторов могут принимать одновременно значения Uвх1>U1 и Uвх22.
При таком сочетании напряжений сохраняется предыдущее состояние таймера, которое установилось или после его запуска, или его сброса.
Если в процессе работы таймера на вход блокировки подать напряжение низкого уровня (логический ноль), то таймер переходит в пассивный режим.
2.5 Работа таймера в моностабильном режиме
Рассмотрим работу таймера, включенного по схеме одновибратора, изображенного на рисунке 3 и на рисунке 4.
Рисунок 3 - Функциональная схема одновибратора
Рисунок 4 - Упрощенная Рисунок 5 - Временные диаграммы
схема одновибратора
В исходном состоянии триггер находится в режиме сброса, на его выходе поддерживается напряжение низкого уровня, разрядный транзистор открыт и, следовательно, конденсатор С разряжен.
При поступлении на вход таймера ( вывод2 ) запускающего импульса отрицательной полярности срабатывает компаратор К1 (когда Uзап < U1) и происходит запуск таймера.
В результате на выходе таймера (вывод 3) устанавливается напряжение высокого уровня (логическая единица) и разрядный транзистор VT11 закрывается. После этого начинается заряд конденсатора С током, протекающим от источника +Uп через резистор R. В момент когда возрастающее напряжение на конденсаторе становится равным пороговому напряжению U2, срабатывает компаратор К2 и происходит сброс таймера.
На выходе одновибратора устанавливается напряжение низкого уровня (логический ноль) и транзистор Т11 открывается. Конденсатор С быстро разряжается через транзистор Т11 и схема возвращается в исходное устойчивое состояние (в режим ожидания), ожидая прихода следующего запускающего импульса.
Таким образом, в процессе заряда времязадающего конденсатора С на выходе одновибратора формируется импульс длительностью
t=RCln[(Uп - Uост)/(Uп - U2)],
где Uост - остаточное напряжение на коллекторе насыщенного транзистора Т11. Временные диаграмы показаны на рисунке 5.
Время в течение которого на выходе таймера сохраняется высокий уровень напряжения, равного Uп, можно вывести относительно простым путем.
Общее выражение напряжения на конденсаторе С экспоненциально нарастающее от приблизительно нулевого потенциала до питающего напряжения Uп, имеет вид :
Uc(t) = U (1 - e - t/
),
где
= RC - постоянная времени цепи RC.
Так как хронирующий период ( т.е. заряд конденсатора ) заканчивается, когда напряжение на конденсаторе достигает значения U2 = 2/3Uп, уравнение для такого условия принимает вид.
Uc = 2/3Uп = Uп(1 - e - t/
) ;
Характеристики
Тип файла документ
Документы такого типа открываются такими программами, как Microsoft Office Word на компьютерах Windows, Apple Pages на компьютерах Mac, Open Office - бесплатная альтернатива на различных платформах, в том числе Linux. Наиболее простым и современным решением будут Google документы, так как открываются онлайн без скачивания прямо в браузере на любой платформе. Существуют российские качественные аналоги, например от Яндекса.
Будьте внимательны на мобильных устройствах, так как там используются упрощённый функционал даже в официальном приложении от Microsoft, поэтому для просмотра скачивайте PDF-версию. А если нужно редактировать файл, то используйте оригинальный файл.
Файлы такого типа обычно разбиты на страницы, а текст может быть форматированным (жирный, курсив, выбор шрифта, таблицы и т.п.), а также в него можно добавлять изображения. Формат идеально подходит для рефератов, докладов и РПЗ курсовых проектов, которые необходимо распечатать. Кстати перед печатью также сохраняйте файл в PDF, так как принтер может начудить со шрифтами.
















