LAB_4 (740514), страница 2
Текст из файла (страница 2)
гера Q1 из единичного в нулевое состояние (первая строка таблицы), видно что переход осуществляется как Q1i —- Q0i = = 1 —- 0 или 10.
Тогда в клетку карты с номером 1 (рисунок 6,б) записываем двоичное число 10. Аналогичным образом заполняются и другие клетки карты.
Переходы всех триггеров, выраженные двузначными двоичными числами, запишем в соответствующие клетки с номерами состояний прикладных таблиц (рисунок 7).
Преобразуем полученные таблицы Карно в соответствии с характеристической таблицей JK - триггера (таблица 1). Для этого в клетки прикладных таблиц запишем вместо двоичных чисел (00,01,10 и 11) значения информационных входов J и К, соответствующие определенным переходам Qi --- Q*i.
Так, например, для информационных входов Ji триггеров Q1,Q2,Q3 карты Карно будут выглядеть следующим образом, как показано на рисунке 8.
Рисунок 8 - Карты Карно, характеризующие информационные входы триггеров счетчика с N=8
После склеивания единиц получим уравнения информационных входов
J1 = 1 ; J2 = Q1 ; J3 = Q1Q2.
Аналогичным образом строятся карты и для информационных входов Ki (рисунок 9), откуда получим следующие уравнения
K1=1 ; K2=Q1 ; K3=Q1Q2
Рисунок 9 - Карты Карно, характеризующие информационные входы триггеров счетчика с N=8
Таким образом, для суммирующего счетчика с N=8 имеем следующую систему уравнений информационных входов триггеров
J1=K1=1;
J2=K2=Q1;
J3=K3=Q1Q2.
Исходя из полученных уравнений, построим схему счетчика, показанную на рисунке 10.
В вычитающем счетчике номер последующего состояния должен быть на единицу меньше номера предыдущего состояния. В остальном синтез такого счетчика производится по приведенной методике.
На рисунке 11 показана схема вычитающего счетчика с N=8, в котором информационные входы триггеров описываются уравнениями
Рисунок 10 - Схема суммирующего счетчика на JK-триггерах
Рисунок 11 - Синхронный вычитающий счетчик с N=8
Реверсивный счетчик осуществляет счет сигналов как в режиме сложения, так и в режиме вычитания. Режим работы счетчика изменяют с помощью схемы управления. В зависимости от требований к схеме управления можно построить реверсивные счетчики двух типов. Первый имеет один счетный и два управляющих входа, а второй - два счетных входа. Для последних не требуются специальные управляющие сигналы.
Рассмотрим синтез синхронного реверсивного счетчика первого типа. В этом случае для каждого режима счета определяют функции J и К - входов всех триггеров. Затем синтезируют схему управления. Пусть N=8. Дадим без вывода уравнения логических входов J и К суммирующего счетчика с указанным коэффициентом пересчета
J1=K1=1 ; J2=K2=Q1 ; J3=K3=Q1Q2.
Для вычитающего счетчика с N=8 воспользуемся результатами, полученными при предыдущем синтезе
Отсюда следует, что при изменении счета функции на управляющих входах первого триггера не изменяются (J1=K1=1), а логические переменные, входящие в функции J и К - входов второго и третьего триггеров, меняются на инверсные. Поэтому для реверсирования счета необходимо произвести коммутацию входов первого и второго триггеров счетчика. Эта коммутация осуществляется с помощью сигнала управления Т, принимающего значения "I" и "0" в зависимости от задаваемого направления счета. Тогда логические уравнения, описывающие работу схемы управления, имеют следующие очевидные выражения
Действительно, при Т=1 обеспечивается режим сложения, а при Т=0 - режим вычитания.
Полученные выражения можно реализовать с помощью логических элементов И-ИЛИ-НЕ. Для этого преобразуем выражение (2) к следующему виду
Cоответственно выражение (3) после проведения тождественных преобразований примет вид
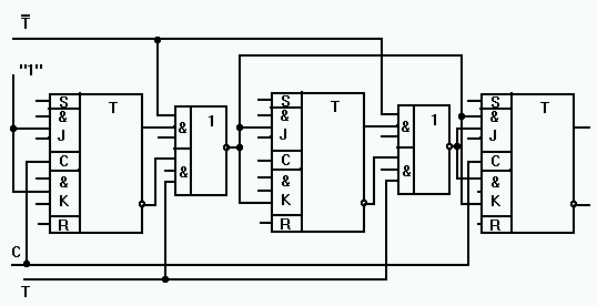
Рисунок 12 - Схема реверсивного счетчика с N=8
Как следует из полученных уравнений, элементы схемы управления, находящиеся между соседними триггерами, имеют идентичную структуру.
Схема реверсивного счетчика, построенного на триггерах 155 серии и логических элементах И-ИЛИ-НЕ, приведена на рисунке 12.
2.4 Синтез двоичного счетчика с произвольным порядком счета
Исходными данными для синтеза такого счетчика является порядок перехода счетчика из одного состояния в другое после передачи очередного входного сигнала.
Общее число устойчивых состояний двоичного счетчика с произвольным порядком счета равно коэффициенту пересчета N=2m, а возможное число вариантов схем, отличающихся друг от друга порядком смены состояний определяется величиной (N-1)!. Для N=8 существует 5040 вариантов схем.
Рассмотрим синтез двоичного счетчика с произвольным порядком счета и N=8 с использованием JK - триггера 155 серии.
Пусть смена состояний счетчика будет
Составим таблицу функционирования счетчика (таблица 4)
Исходя из таблицы функционирования счетчика для каждого триггера составим прикладные таблицы (рисунок 13).
Таблица 3 - Функционирование счетчика с N = 8
Рисунок 13 - Прикладные таблицы триггеров счетчика с произвольным порядком счета
Используя характеристическую таблицу JK-триггера (таблица 2),преобразуем прикладные таблицы в карты информационных входов Ji и Ki (рисунок 14).
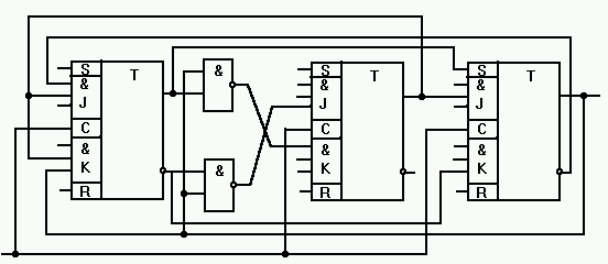
На рисунке 15 представлена схема счетчика, построенного по полученным уравнениям.
2.5 Синтез недвоичных счетчиков
Недвоичные счетчики имеют N = 2m. Принцип их построения состоит в исключении некоторых устойчивых состояний обычно двоичного счетчика, являющихся избыточными для недвоичного счетчика. Избыточные состояния исключаются с помощью обратных связей внутри счетчика. Обратные связи образуют введением дополнительных логических цепей, соединяющих входы и выходы соответствующих триггеров.
Рисунок 14 - Карты Карно информационных входов триггеров счетчика с произвольным порядком счета
Рисунок 15 - Схема счетчика с N = 8 произвольным порядком счета
Из карт Карно имеем следующие уравнения информационных входов триггеров
Задача синтеза недвоичного счетчика сводится к определению необходимых обратных связей и минимизации их числа. Количество триггеров в недвоичном счетчике определяется из выражения
m = [log2N],
где [log2N] - двоичный логарифм заданного коэффициента пересчета N, округленный до ближайшего большего целого числа.
Число исключаемых избыточных состояний равно
К = 2m - N.
Поскольку можно исключить любые состояния в любых комбинациях, то общее число схем недвоичного счетчика с одним и тем же N и всеми вариантами изменения порядка счета определяется величиной
В общем случае выбор исключаемых состояний определяется назначением недвоичного счетчика.
Рассмотрим пример построения синхронного счетчика с N=3 на JK триггерах 155 серии.
Он строится на основе двоичного счетчика, состоящего из двух триггеров, так как
m = [log2N] = [log23] = 1,58 =2.
Число избыточных состояний счетчика равно
K = 2m - 3 = 1.
Из возможных состояний счетчика (00,01,10,11) исключаем, например, состояние Q1Q2. Порядок изменения состояний примем следующий
Таблица 4 - Функционирование счетчика с N = 3
Составим таблицу функционирования счетчика (таблица 5), на основании которой составляем прикладные таблицы триггеров и производим преобразование их в карты Карно информационных входов Ji и K i (рисунок 16).
Исключенное состояние в прикладных картах и картах Карно отмечаем черточкой.
Рисунок 16 - Прикладные таблицы и карты Карно информационных входов JK-триггеров счетчика с N=3
Из карт Карно имеем следующие уравнения информационных входов:
Рисунок 17 - Синхронный счетчик с N=3
Таким образом, для построения недвоичного синхронного счетчика с Ксч=3 необходимо J - вход первого триггера соединить с инверсным выходом второго триггера, а J - вход последнего соединить с прямым выходом первого триггера. На К - входы обоих триггеров необходимо подать постоянный потенциал, соответствующий логической единице. Схема счетчика показана на рисунке 17.
Аналогичным образом строятся синхронные счетчики с другими недвоичными коэффициентами пересчета.
2.6 Синтез двоично - десятичных счетчиков
Среди недвоичных счетчиков в отдельный класс выделяют двоично - десятичные счетчики с N=10, которые строятся на основе четырех триггерных двоичных счетчиков исключением шести состояний.
В разных вариантах схем одним и тем же десятичным числам могут соответствовать различные четырехразрядные кодовые комбинации в зависимости от исключенных состояний. Иными словами такие счетчики работают в различных двоично - десятичных кодах.
Существует большое число двоично - десятичных кодов, часть из которых приведена в таблице 5. Особую группу составляют самодополняющиеся коды. Характерной особенностью этих кодов является соответствие обратных двоичных чисел обратным десятичным числам.
















