1 (728027), страница 2
Текст из файла (страница 2)
Для изготовления окон обычно используют фоторезист – это практически фотоэмульсия, котора обладает особыми свойствами:
-
Она должна выдерживать травление плавиковой кислотой (обычная фотоэмульсия не выдерживает), что необходимо при вытравливании окон в диоксиде кремния.
-
Она обладает высоким разрешением (более 1000 линий на мм, или менее 1 мкм).
-
Она обладает низкой вязкостью, для того, чтобы могла растечься до слоя толщиной в 1 мкм (иначе столь высокого разрешения не получить).
-
Она чувствительна к облучению светом в ультрафиолетовой области (длина волны света составляет 0,3 мкм).
Так много особых свойств может иметь только особое вещество. Это пластмасса, которая под действием света разрушается, или, наоборот, под действием света образуется. Таких веществ найдено много. Это – фоторезисты.
Итак, в процессе фотолитографии, мы можем создать тонкий слой диоксида кремния (на кремнии, полупроводнике), затем нанести очень тонкий слой фоторезиста, далее через фотошаблон (особая фотопластинка, на которой есть много заранее рассчитанных и изготовленных тёмных и светлых мест) осветить её ультрафиолетовым светом, затем проявить, то-есть удалить освещённые места (или наоборот неосвещённые), далее можно удалить через окна в фоторезисте диоксид кремния (травление в плавиковой кислоте) и удалить сам фоторезист, так как его остатки могут помешать при высокотемпературном процессе диффузии.
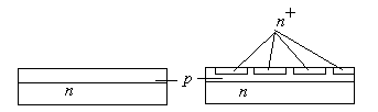
Теперь можно производить диффузию с одной стороны:
А значит, легче сделать точно регулируемый тонкий базовый слой: делаем диффузию на глубину примерно 5...6 мкм, затем вторую диффузию на 3..4 мкм. База будет примерно 2 мкм. Глубина диффузии и толщина базы соразмерны, значит, можно их сделать точно (а общая толщина пластины может быть любой, например 1 мм). Пластину (как принято называть в электронике "чип") можно разрезать на отдельные транзисторы, проверить каждый транзистор, и хорошие транзисторы можно посадить в корпус.
Почему же только фотолитография позволила решить проблему точного задания толщины базы? Дело в том, что если толщина базы меньше 5 мкм (0,1 толщины волоса), то просто невозможно создать контакт к такой области. А в случае изготовления локальных эмиттерных областей этот контакт можно делать сверху там, где нет эмиттера – это может быть намного большая площадь.
Поэтому развитие фотолитографии и локальной диффузии привело к всеобщему признанию диффузионной технологии изготовления транзисторов.
В 60-70 гг. получила распространение транзисторная ЭВМ БЭСМ-6. Но она тоже работала примерно 1-2 суток, и выходила из строя. Надо было 1-2 суток ремонтировать. Что же дальше? Надо повышать надёжность транзистора. И эта проблема была решена!
У каждого транзистора три контакта, которые осуществляются припайкой золотых проволочек. 3 пайки к кристаллу, 3 пайки к ножкам корпуса, 3 пайки в схеме, где транзистор используется – всего 9. У МДП-транзисторов 4 контакта, значит всего 12 паек.
А что, если не разрезать пластину на отдельные транзисторы, а сразу использовать их в схеме? Идея заманчива, можно, по крайней мере, в 3 раза сократить количество контактов.
Однако есть проблема – все транзисторы будут закорочены по коллектору и базе. Значит, их надо изолировать друг от друга. И эта проблема была решена, и не одним способом!
Рассмотрим изоляцию р-п переходом. Сначала делают карманы: например в р-типе создают диффузией п-области:
Предположим, что между карманами есть напряжение, например, такое, что правый карман имеет положительный потенциал. Тогда правый р-п переход смещён в обратном направлении, и тока нет. Пусть, наоборот, правый карман имеет отрицательный потенциал – тогда левый карман смещён в обратном направлении, и тока снова нет.
Теперь в каждом кармане можно сделать свой транзистор, и он будет изолирован от других.
Есть ещё одна проблема. При каждой диффузии нужно передиффундировать тот слой, который был – то-есть концентрация носителей оказывается больше, чем в предыдущем слое. Значит, самая малая концентрация должна быть в пластине, в карманах она больше, карманы могут исполнять роль коллекторов, далее создаётся базовая область, в ней концентрация носителей ещё больше, чем в коллекторной области, потом мы делаем эмиттерную область, и в ней самая большая концентрация носителей заряда. Но это значит, что сопротивление коллекторной области самое большое, и поэтому очень велико RC – велика постоянная времени, транзисторы работают слишком медленно. Для повышения быстродействия транзисторов надо сделать на дне кармана тонкий слой с высокой концентрацией носителей заряда. Эта проблема тоже была решена с помощью эпитаксиального наращивания слоёв – наращивания слоёв с той же кристаллической ориентацией, что и у подложки. Это – эпитаксия. Можем нарастить тонкий слой монокристалла, но с другой концентрацией носителей заряда.
Теперь полный цикл изготовления микросхемы (интегральной схемы) выглядит так, как показано на рис. ниже.
-
На первом этапе делают локальную диффузию доноров, причём сильную – для создания скрытого слоя.
-
На втором этапе делают эпитаксию – наращивают эпитаксиальный слой с низкой концентрацией электронов (электронов больше, чем дырок).
-
На третьем этапе проводят локальную диффузию акцепторов для разделения на карманы.
-
Далее снова проводят диффузию акцепторов для создания базовых областей.
-
Теперь надо сделать эмиттеры, значит локальная диффузия доноров. Заодно делают подготовку для хорошего контакта к коллекторной области - внутри коллектора сильно легированная область.
-
И наконец, защищают всю поверхность кремния оксидом кремния, делают в нём окна для контактов к транзисторам, затем напыляют металл. Далее лишний металл удаляют.
Далее нужно разделить пластину на отдельные микросхемы, укрепить в корпус, припаять контакты.
Оказывается, интенсивность отказов микросхемы не определяется полупроводниковой структурой, а в основном зависит от числа контактов. Поэтому интенсивность отказов микросхемы тоже примерно 10-7 ч-1 . На одной микросхеме можно сделать много транзисторов. В настоящее время их количество может превышать миллион.
В схемах обычно много других элементов. Как их сделать?
В качестве диода обычно используют транзистор, у которого нет эмиттерной области, или у обычного транзистора закорачивают один р-п переход.
В качестве резистора используют базовую или коллекторную область, но её нужно сделать нужной длины и ширины, и к ней делают 2 контакта
В качестве конденсатора используют паразитную ёмкость р-п перехода, или делают конденсатор с диоксидом кремния в качестве диэлектрика.
Индуктивности, как правило, в микроэлектронной технологии не делают.
Однако есть пределы у микроэлектроники. Не очень-то удаётся увеличивать число транзисторов, так как они имеют ограничение по уменьшению размеров. Площадь кристалла тоже не удаётся увеличивать.
В этом случае есть надежда, что перспективу даст функциональная электроника – это электроника, в которой простые функции транзистора заменяются более сложными функциями, имеющими наличие в различных кристаллах – полупроводниковых, сегнетоэлетрических, магнето-электрических и так далее.
















